GE APPLIANCES GE04SNLPDG Tankless Electric Water Heater

THANK YOU FOR MAKING GE APPLIANCES A PART OF YOUR HOME.
Whether you grew up with GE Appliances, or this is your first, we’re happy to have you in the family.
We take pride in the craftsmanship, innovation and design that goes into every GE Appliances product, and we think you will too. Among other things, registration of your appliance ensures that we can deliver important product information and warranty details when you need them.
Register your GE appliance now online. Helpful websites and phone numbers are available in the Consumer Support section of this Owner’s Manual. You may also mail in the pre-printed registration card included in the packing material.
IMPORTANT SAFETY INFORMATION
READ ALL INSTRUCTIONS BEFORE USING THE APPLIANCE
![]()
For your safety, the information in this manual must be followed to minimize the risk of fire or explosion, electric shock, or to prevent property damage, personal injury, or loss of life.
Be sure to read and understand the entire Owner’s Manual before attempting to install or operate this water heater. It may save you time and cost. Pay particular attention to the Safety Instructions. Failure to follow these warnings could result in serious bodily injury or death. Should you have problems understanding the instructions in this manual, or have any questions, STOP and get help from a qualified service technician or the local electric utility.
![]()
Risk of Fire – DO NOT store or use gasoline or other flammable vapors and liquids in the vicinity of this or any other appliance. Keep rags and other combustibles away.
![]()
If the water heater has been subjected to flood, fire, or physical damage, turn off power and water to the water heater.
Do not operate the water heater again until it has been thoroughly checked by qualified service personnel.
Safety Precautions
A. Do turn off power to water heater if it has been subjected to overheating, fire, flood or physical damage.
B. If there is any difficulty in understanding or following the Operating Instructions or the Care and Cleaning section, it is recommended that a qualified person or serviceman perform the work.
NOTE: Flammable vapors may be drawn by air currents from surrounding areas to the water heater.
![]()
Risk of Fire – Hydrogen gas can be produced in a hot water system served by this water heater that has not been used for a long period of time (generally two weeks or more). HYDROGEN GAS IS EXTREMELY FLAMMABLE!! To dissipate such gas and to reduce risk of injury, it is recommended that the hot water faucet be opened for several minutes at the kitchen sink before using any electrical appliance connected to the hot water system. If hydrogen is present, there will be an unusual sound such as air escaping through the pipe as the water begins to flow. Do not smoke or use an open flame near the faucet at the time it is open.
Water temperature over 125°F can cause severe burns instantly or death from scalds.
Temperature control settings usually approximate tap water temperature. However, factors could cause water temperature to reach 160°F regardless of the control settings.
Children, disabled and elderly are at highest risk of being scalded.
See instruction manual before setting temperature at water heater.
Feel water before bathing or showering.
Temperature limiting valves are available; see manual.
WATER TEMPERATURE ADJUSTMENT
Safety, energy conservation, and hot water capacity are factors to be considered when selecting the water temperature setting of the water heater. Water temperatures above 125°F can cause severe burns or death from scalding. Be sure to read and follow the warnings outlined on the label pictured to the left. This label is also located on the water heater near the top of the tank.
Time/Temperature Relationship in Scalds
| Temperature | Time to Produce a Serious Burn |
| 120°F (49°C) | More than 5 minutes |
| 125°F (52°C) | 1-1/2 to 2 minutes |
| 130°F (54°C) | About 30 seconds |
| 135°F (57°C) | About 10 seconds |
| 140°F (60°C) | Less than 5 seconds |
| 145°F (63°C) | Less than 3 seconds |
| 150°F (66°C) | About 1-1/2 seconds |
| 155°F (68°C) | About 1 second |
Table courtesy of Shriners Burn Institute
The chart shown above may be used as a guide in determining the proper water temperature for your home.
There is a Hot Water SCALD Potential if the water temperature thermostat is set too high. Householdswith small children, disabled or elderly persons may require a 120°F (49°C) or lower thermostat setting to prevent contact with “HOT” water.
Control has been set at the factory to 120°F (49°C) to reduce the risk of scald injury. This is the recommended starting temperature setting, but it can be adjusted to any temperature between 100°F and 140°F (38°C and 60°C).
To Adjust the Temperature
Follow these steps:
- . Press the + or – buttons on the control panel key pad to desired temperature.
- Press ENTER to accept the new setting.
NOTE: To change between °F and °C, press and hold ENTER.
Operating Instructions
Water Heater Capacity and Increasing Temperature Setpoint (For Water Heaters without an Integrated Mixing Valve):
The water heater temperature setting strongly impacts the amount of usable hot water available for showers and baths.
- Energy consumption/savings and efficiency testing of water heaters is performed according to Department of Energy (DOE) requirements specified at the date of manufacture.
- Safety regulations require a factory setting no greater than 125°F (52°C) for all new water heaters. Therefore, if your old water heater was set to a hotter temperature than your new water heater with a factory set setpoint of 120°F (49°C), the new water heater may seem to provide lower capacity than your old water heater. This can be corrected by increasing the temperature setpoint.
- Increasing the water temperature setpoint may improve the cleaning performance of dishwashers and washing machines.
- The user can adjust the temperature setting to meet their needs. Always read and understand the safety instructions contained in the owner’s manual before adjusting the temperature setpoint.
Extended Shutdown Periods
If the water heater is to remain idle for an extended period of time, the power and water to the appliance should be turned off and the water heater drained to conserve energy and prevent a buildup of dangerous hydrogen gas. This unit has no power button, power can only be shut off at the circuit breaker or disconnect switch.
The water heater and piping should be drained if they might be subjected to freezing temperatures. After a long shutdown period, the water heater’s operation and controls should be checked by qualified service personnel. Make certain that water is flowing to water heater again before placing it in operation.
General Operation
This water heater does not store water like a conventional tank style water heater. It uses a series of flow rate and temperature sensors to heat water. When you turn on the hot water faucet, this water heater recognizes water demand and heats water to the set point temperature to meet this demand. When the water faucet is turned off, the water heater will also turn off.
Care and Cleaning
Exterior Surfaces
Hand wash with damp cloth, using only warm water. Wipe dry using a dry, clean cloth.
Risk of Scalding
Before conducting any maintenance on plumbing connection, make sure no one will be exposed to the danger of coming in contact with the hot water. The water may be hot enough to create a scald hazard. The water should be released into a suitable drain to prevent injury or property damage.
It is recommended to perform routine maintenance on your water heater. Properly maintained, your water heater will provide years of dependable trouble-free service.
Inspect the inlet and outlet water connections on an annual basis for any signs of damage or failure. Look for any signs of leakage, damage, or cracks in each connection. Make sure not to over tighten the connections to avoid damage to internal connections of the water heater.
Risk of Shock – Shut off power to the water heater before draining water.
Before conducting any maintenance on the water heater, first shut off all power to the water heater directly at the fuse or breaker box.
It is recommended to install the water heater with a manual shut-off valve at the cold inlet plumbing location to allow for easy maintenance and service.
When maintenance is performed on a home’s plumbing system that may introduce air into the plumbing, it is important to shut off all power to the water heater directly at the fuse or breaker box. Failure to do so could cause permanent damage to the water heater and void the product warranty.
About the Control Panel
Models: GE04SNLPDG, GE06SNHPDG, GE08SNHPDG, GE11SNHPDG, GE15SNLPDG
Displaying Temperature Setpoint
The control will display the temperature setpoint anytime a button on the control is pressed. After 30 seconds of inactivity, the display will go blank. To wake the control at any time to see the temperature setpoint, press the ENTER button on the control.
Turning on the Water Heater
There is no power button for these models. Once the water heater is wired and power is supplied, it will be on. The display will show the current water temperature setting. To comply with safety regulations, the controls are factory preset to 120°F (49°C).
To Adjust the Temperature
Follow these steps:
- Press the + or – button on the control panel key pad to desired temperature.
- Press ENTER to accept the new setting.
NOTE: To change between °F and °C, press and hold the ENTER button for 3 seconds.
Important Note:
All controls on the interface of this water heater are capacitive touch. This means activating the function only requires light touch on button location. Significant push force is not required.
Control Features
- Display
- + Select Button
Use these buttons to increase the temperature setting. Single press changes temperature in 1 degree increments. Press and hold to change temperature continuously - Select Button
Use these buttons to decrease the temperature setting. Single press changes temperature in 1 degree increments. Press and hold to change temperature continuously. - Enter Button
Use this button to confirm temperature setting following adjustment.
Models: GE18SNHPDG, GE24DNHPDG, GE27DNHPDG
Displaying Temperature Setpoint
The control will display the temperature setpoint anytime a button on the control is pressed. After 30 seconds of inactivity, the display will go blank. To wake the control at any time to see the temperature setpoint, press the ENTER button on the control.
Turning on the Water Heater
There is a power button for these models. Once the water heater is wired and power is supplied, press the power button to turn water heater “ON”. The display will show the current water temperature setting. To comply with safety regulations, the controls are factory preset to 120°F (49°C).
To Adjust the Temperature
Follow these steps:
- Press the + or – button on the control panel key pad to desired temperature.
- Press ENTER to accept the new setting.
NOTE: To change between °F and °C, press and hold the ENTER button for 3 seconds.
Important Note:
All controls on the interface of this water heater are capacitive touch. This means activating the function only requires light touch on button location. Significant push force is not required.
- Display
- + Select Button
Use these buttons to increase the temperature setting. Single press changes temperature in 1 degree increments. Press and hold to change temperature continuously. - – Select Button
Use these buttons to decrease the temperature setting. Single press changes temperature in 1 degree increments. Press and hold to change temperature continuously. - Power Button
Use this button to turn the power ON and OFF. - Enter Button
Use this button to confirm temperature setting following adjustment.
About the REMOTE CONTROL

For Applicable Models
Operating the Remote Control
- Display
- + Select Button
Use these buttons to increase the temperature setting or vacation days. - Enter Button
Use this button to confirm temperature setting following adjustment.
Note: To change between °F and °C, press and hold the ENTER button for 3 seconds. - – Select Button
Use these buttons to decrease the temperature setting or vacation days.
Maintaining the Remote Control
Remove the back of the controller and insert two AAA batteries. Replace batteries after 6 months of use or when remote control starts to lose power. DO NOT mix old and new batteries.
Installation Instructions
The location chosen for the water heater must take into consideration the following:
LOCAL INSTALLATION REGULATIONS
This water heater must be installed in accordance with these instructions, local codes, utility codes, utility company requirements or, in the absence of local codes, the latest edition of the National Electrical Code. It is available from some local libraries or can be purchased from the National Fire Prevention Association, Batterymarch park, Quincy, MA 02169 as booklet ANSI/NFPA 70.
POWER REQUIREMENTS
Check the markings on the rating plate of the water heater to be certain the power supply corresponds to the water heater requirements. NOTE: 208V installations may experience lower performance.
LOCATION
The water heater and water lines should be protected from freezing temperatures and high-corrosive atmospheres. Do not install the water heater in outdoor, unprotected areas.
Locate the water heater in a clean dry area as near as practical to the area of greatest heated water demand. Long uninsulated hot water lines can waste energy and water. Unit must be installed in a level location. If required, add shims under base of unit to level for proper operation.
NOTE: This unit is designed for any common indoor installation.
Make sure the water heater and hot water outlet pipe are out of the reach of children to avoid tampering with the controls or burn themselves on hot water outlet pipe.
Moving the water heater or other appliances to provide service to the water heater is not covered under warranty.
Risk of Property Damage –
The water heater should not be located in an area where leakage of the tank or connections will result in damage to the area adjacent to it or to lower floors of the structure. Where such areas cannot be avoided, it is recommended that a suitable catch pan, adequately drained, be installed under the water heater.
Avoid locations that are prone to dampness, high humidity, moisture, or dust.
RECOMMENDED CLEARANCES
There must be sufficient clearance between any object and the top, rear and sides of the water heater in the event service is needed. The controls and plumbing connections at front of unit must have clear access for operation and service.
Recommended Minimum Clearances:
12” above and below the water heater
6” in front and to both side of the water heater
Flammable materials should be kept at minimum 24” away from the water heater.
THERMAL EXPANSION
If a check valve is present on the inlet water line, it will create a “closed system.” Heating water in a closed system creates an increase in pressure within the water system because the pressure is not able to dissipate in the main supply line. Referred to as “thermal expansion”, the rapid pressure increase can cause the relief valve to operate (releasing water) during each heating cycle, potentially causing premature failure to the valve or even the water heater. The suggested method of controlling thermal expansion is to install an expansion tank in the cold water line between the water heater and the check valve as shown in the following illustrations. Contact your installing contractor, water supplier, or plumbing inspector for additional information.
ELECTRICAL CONNECTIONS
A separate branch circuit with copper conductors, overcurrent protective device and suitable disconnecting means must be provided by a qualified electrician.
All wiring must conform to local codes or latest edition of National Electrical Code ANSI/NFPA 70. The voltage requirements and wattage load for the water heater are specified on the rating label on the front of the water heater.
The branch circuit wiring should include either:
- Metallic conduit or metallic sheathed cable approved for use as a grounding conductor and installed with fittings approved for the purpose.
- Nonmetallic sheathed cable, metallic conduit or metallic sheathed cable not approved for use as a ground conductor shall include a separate conductor for grounding. It should be attached to the ground terminals of the water heater and the electrical distribution box.
It is recommended for this product to be installed by a licensed and qualified electrician in accordance with all applicable national, state, and local electrical codes.
Under no circumstances should you attempt to install, repair, or disassemble the water heater without first shutting off power directly at the fuse or breaker box.
Before installing this product, make sure the installation location has sufficient electrical power available to handle the maximum amperage load for the water heater.
Proper ground connection is essential. The presence of water in the piping and water heater does not provide sufficient conduction for a ground. Nonmetallic piping, dielectric unions, flexible connectors, etc., can cause the water heater to be electrically isolated. Do not disconnect factory ground.
The manufacturer’s warranty does not cover any damage or defect caused by installation, attachment or use of any type of energy-saving or other unapproved devices (other than those authorized by the manufacturer) into, onto or in conjunction with the water heater. The use of unauthorized energy-saving devices may shorten the life of the water heater and may endanger life and property.
The manufacturer disclaims any responsibility for such loss or injury resulting from the use of such unauthorized devices.
NOTE: do not cover the operating or warning labels attached to the water heater or attempt to relocate them.
IMPORTANT NOTES:
The following models require a single dedicated circuit.
(One set of wire and ground)
GE04SNLPDG, GE06SNHPDG, GE08SNLPDG, GE11SNHPDG, GE15SNHPDG
The following models require two dedicated circuits.
(Two sets or wire and ground).
GE18SNHPDG
The following models require three dedicated circuits
(Three sets of wire and ground)
GE24DNHPDG, GE27DNHPDG
ELECTRICAL SPECIFICATION GUIDE
NOTE: This guide recommends minimum branch circuit sizing and wire gauge based on the National Electric Code.
| Model Number | Power (kW) | Voltage | Amps | Recommended Breaker Size | Recommended Wire Size |
| GE04SNLPDG | 3.5 | 120 | 29 | (1 x 30)A | 10 AWG |
| GE06SNHPDG | 5.5 | 240 | 23 | (1 x 30)A | 10 AWG |
| GE08SNHPDG | 8.0 | 240 | 33 | (1 x 40)A | 8 AWG |
| GE11SNHPDG | 11.0 | 240 | 46 | (1 x 50)A | 6 AWG |
| GE15SNHPDG | 14.6 | 240 | 61 | (1 x 70)A | 4 AWG |
| GE18SNHPDG | 18.0 | 240 | 75 | (2 x 40)A | 8 AWG |
| GE24DNHPDG | 24.0 | 240 | 100 | (3 x 40)A | 8 AWG |
| GE27DNHPDG | 27.0 | 240 | 113 | (3 x 40)A | 8 AWG |
ELECTRICAL CONNECTIONS
To establish electrical connections for the water heater, reference the following diagrams for each applicable model.
NOTE: Model number can be found on the product rating label. Make sure you are referencing the correct diagram for your model of water heater.
Tools required:
- Phillips head screwdriver
- Flat head screwdriver
- Scissors
Models: GE04SNLPDG, GE06SNHPDG
To connect power to the water heater:
- Turn the power off at the fuse or circuit.
Risk of electrical shock, Ensure power to all electrical connections is OFF before proceeding. Some models are connected to more than one branch circuit, and more than one disconnect may be required to de-energize the equipment. All branch circuits powering this equipment must be disconnected. - Remove the four screws securing the front and rear cover to access wire connection terminal block.
- Route power cord through flexible gasket inside water heater.
NOTE: cut opening in flexible gasket just large enough to create opening for power cord to pass through.
- Remove two screws securing power cord clamp.
- Remove power cord clamp. Route power cord through opening for clamp.
- Install electrical connections according the your model water heater and diagram above.
GE04SNLPDG: install L1 to L1, Neutral to Neutral, and Ground to Ground.
GE06SNHPDG: install L1 to L1, L2 to L2, and Ground to Ground. - Replace power cord clamp and two screws to secure power cord.
- Replace front case and four screws securing front and rear case.
- Do NOT turn on power supply to water heater until completing mounting and plumbing section of installation instructions.
- Proceed to mounting instructions.
ELECTRICAL CONNECTIONS
To establish electrical connections for the water heater, reference the following diagrams for each applicable model.
NOTE: Model number can be found on the product rating label. Make sure you are referencing the correct diagram for your model of water heater.
Tools required:
- Phillips head screwdriver
- Flat head screwdriver
- Scissors
Models: GE08SNHPDG, GE11SNHPDG, GE15SNHPDG
To connect power to the water heater:
- Turn the power off at the fuse or circuit.
Risk of electrical shock, Ensure power to all electrical connections is OFF before proceeding. Some models are connected to more than one branch circuit, and more than one disconnect may be required to de-energize the equipment. All branch circuits powering this equipment must be disconnected. - Remove the four screws securing the front and rear cover to access wire connection terminal block.
- Route power cord through flexible gasket inside water heater.
NOTE: cut opening in flexible gasket just large enough to create opening for power cord to pass through.
- Remove two screws securing power cord clamp.
- Remove power cord clamp. Route power cord through opening for clamp.
- Install electrical connections: L1 to L1, L2 to L2, and Ground to Ground.
NOTE: Reference Electrical Specification Guide on page 11 of these instructions to ensure correct wire gauge for each model. - Replace power cord clamp and two screws to secure power cord.
- Replace front case and four screws securing front and rear case.
- Do NOT turn on power supply to water heater until completing mounting and plumbing section of installation instructions.
- Proceed to mounting instructions.
ELECTRICAL CONNECTIONS
To establish electrical connections for the water heater, reference the following diagrams for each applicable model.
NOTE: Model number can be found on the product rating label. Make sure you are referencing the correct diagram for your model of water heater.
Tools required:
- Phillips head screwdriver
- Flat head screwdriver
- Scissors
Models: GE18SNHPDG
To connect power to the water heater:
- Turn the power off at the fuse or circuit.
Risk of electrical shock, Ensure power to all electrical connections is OFF before proceeding. Some models are connected to more than one branch circuit, and more than one disconnect may be required to de-energize the equipment. All branch circuits powering this equipment must be disconnected. - Remove the six screws securing the front and rear cover to access wire connection terminal block.
- Route power cord through flexible gasket inside water heater.
NOTE: cut opening in flexible gasket just large enough to create opening for power cord to pass through.
- Install electrical connections for each individual circuit and wire pairing: L1 to L1, L2 to L2, and Ground to Ground for circuit 1. L1’ to L1’, L2’ to L2’, and Ground to Ground for circuit 2.
- Replace front case and four screws securing front and rear case.
- Do NOT turn on power supply to water heater until completing mounting and plumbing section of installation instructions.
- Proceed to mounting instructions.
ELECTRICAL CONNECTIONS
To establish electrical connections for the water heater, reference the following diagrams for each applicable model.
NOTE: Model number can be found on the product rating label. Make sure you are referencing the correct diagram for your model of water heater.
Tools required:
- Phillips head screwdriver
- Flat head screwdriver
- Scissors
Models: GE18SNHPDG, GE24DNHPDG, GE27DNHPDG
To connect power to the water heater:
- Turn the power off at the fuse or circuit.
Risk of electrical shock, Ensure power to all electrical connections is OFF before proceeding. Some models are connected to more than one branch circuit, and more than one disconnect may be required to de-energize the equipment. All branch circuits powering this equipment must be disconnected. - Remove the six screws securing the front and rear cover to access wire connection terminal block.
- Route power cord through flexible gasket inside water heater.
NOTE: cut opening in flexible gasket just large enough to create opening for power cord to pass through.
- Install electrical connections for each individual circuit and wire pairing: L1 to L1, L2 to L2, and Ground to Ground.
NOTE: Models GE24DNHPDG and GE27DNHPDG will have two open terminals for ground wires. Connect a maximum of two ground wires per terminal opening. For models with three branch circuits, this means one ground terminal opening will have two ground wires and the other ground terminal opening will have one ground wire. - Replace front case and four screws securing front and rear case.
- Do NOT turn on power supply to water heater until completing mounting and plumbing section of installation instructions.
- Proceed to mounting instructions.
Mounting Your Water Heater
To mount your water heater
NOTE: Model number can be found on the product rating label. Make sure you are referencing the correct diagram for your model of water heater.
The water heater should be mounted on a surface using the screw slots located on the rear case of the water heater with a minimum of 4 screws (provided with the product). Make sure to secure the water heater to surface using a screw through the safety tab located in between plumbing connections.
Follow the provided installation template for easy screw location. Reference installation location section of this manual for recommended clearances on all sides of the water heater.
Ensure that the mounting surface is solid and secure. Screws should be secured into wall studs when possible. If stud mounting cannot be achieved, use provided screw anchors to ensure secure mounting of water heater.
Tools required:
- Phillips head screwdriver
- Drill
- Pencil
- Tape measure
- Level
Mounting Instructions:
- Locate mounting slots on rear case of water heater.
- Locate installation template in water heater packaging.
- Place template on wall and use pencil to mark screw hole locations.
- If screw locations are in wall stud, drive mounting screws directly into stud. if screw locations are not in stud, prepare hole with anchor and then drive screw into wall anchor.
- Place water heater on wall and slide onto mounting slots.
- Secure water heater to wall with screw through safety tab.
- Ensure water heater is level and secure on wall.

Plumbing Connections
NOTICE: It is recommended that this water heater be installed by a licensed and qualified plumber in accordance with all applicable national, state, and local plumbing codes.
Important Notes for all Models:
DO NOT apply heat to the HOT or COLD water connections. If sweat connections are used, sweat tubing to adapter to the cold water connections on heater. Any heat applied to the hot or cold water connections can cause permanent damage to internal heat exchanger.
Flexible water supply Supply hoses are recommended for plumbing installation.
When connecting the water pipes to inlet and outlet connections, use a two wrenches. One wrench to hold the water heater fittings and another wrench to tighten. The connecting pipes. Any over-tightening of the connection pipes can cause permanent damage to internal components of water heater.
It is recommended to install a manual shut-off valve at the inlet water connection of the water heater to allow for easy shut-off in the event that future maintenance or service is needed.
The maximum operating water pressure for this water heater is 150 PSI (1035 kPA). If the pressure in you home plumbing system is greater than 150 PSI, a pressure reducing valve must be installed on the main water supply line for the home prior to installing this water heater.
This product does not use a storage tank to maintain hot water, therefore a temperature pressure relief valve (T&P) is not required for most installations. However, in some locations local codes may require a T&P valve for installation. If one is required, install in accordance with local codes and ensure it operates correctly.
Only potable water can be used with this water heater. Do not install in locations with pool or spa water, or any locations where chemically treated water can be introduced into the system.
Plumbing Connections
To make plumbing connections for water heater, reference the following diagrams for each applicable model.
NOTE: Model number can be found on the product rating label. Make sure you are referencing the correct diagram for your model water heater.
Tools required:
- Pipe joint compound or pipe thread sealant tape
- Pipe wrench (x2)
Plumbing Installation
- Ensure that water supply is turned OFF at shut-off valve.
- If required, prepare fittings on water heater with sealant tape or pipe joint compound.
- Remove the blue water pipe cap and discard. Connect the inlet cold water line to the cold inlet fitting on water heater.
- Remove the red water pipe cap and discard. Connect the outlet hot water line to the hot outlet fitting on water heater.
- Open the shut-off valve to allow water flow to water heater.
- Check for any leaks at plumbing connections.
- Open several hot water fixtures to allow water to run through the water heater to purge air from the water lines. Failure to purge air from the water lines can cause permanent damage to the heating elements.
- Check again for any leaks at plumbing connections. Correct any that are found.

Troubleshooting
Before you call for service….
Save time and money! Review the chart below first and you may not need to call for service.
For your safety, DO NOT attempt repair of electrical wiring, controls, heating elements or other safety devices. Refer repairs to qualified service personnel.
| Problem | Possible Causes | What To do |
| Digital display is not activated | No power or incorrect wiring | Check breakers at main electrical panel to ensure it is not tripped. If tripped, reset breaker. Check that water heater is wired correctly. |
| Not enough flow | Turn on hot water at fixture. | |
| No hot water | No power or incorrect wiring | Check breakers at main electrical panel to ensure it is not tripped. If tripped, reset breaker. Check that water heater is wired correctly. |
| Overtemperature protection has been triggered | The water heater is equipped with software that turns off the heating elements when water temperatures reach a dangerous level. Turn off hot water, wait several minutes for water to cool. | |
| Flow rate is too low | Each model water heater has an activation flow rate. If the water flow is less than this flow level, unit will not heat water. Increase the flow rate. | |
| Hot water supply is warm, but it does not get hot | Temperature set point is too low | Increase the temperature set point, Be cautious of scald risk. |
| Flow rate is too high | Reduce flow rate. | |
| Voltage less than 240 VAC (120 VAC for GE04SNLPDG) | The heating elements on your water heater are designed for 240 VAC applications. When used a lower voltage, the water heater will produce less hot water. | |
| No power or incorrect wiring | Check breakers at main electrical panel to ensure it is not tripped. If tripped, reset breaker. Check that water heater is wired correctly. | |
| Mixing too much cold water | Tankless water heaters do not require mixing as much cold water as a conventional storage water heater. Adjust handle of fixture or mixing valve on faucet to reduce the amount of cold water mixed. | |
| Cold inlet temperature may be lower during winter months | This is normal. The colder inlet water requires more heat to reach the temperature set point. Increase the temperature set point. | |
| Water is too hot | Temperature set point too high | Reduce temperature set point. |
| Remote control is not working | Batteries are dead | Replace with new batteries. |
| Batteries are installed incorrectly | Ensure batteries are installed in the correct orientation. |
NOTE: If your water heater runs out of water too quickly or hot water supply is not hot enough, it may be too small for your needs. Consider replacing it with a larger model or adding additional water heaters to meet flow demand needs.
Fault Codes
| Fault Code Displayed | Condition | Action |
| E0 | Signal failure | Call Service |
| E1 | Over temperature protection | Wait for water to cool, power ON/OFF |
| E3 | Inlet temperature sensor failure | Call Service |
| E4 | Outlet temperature sensor failure | Call Service |
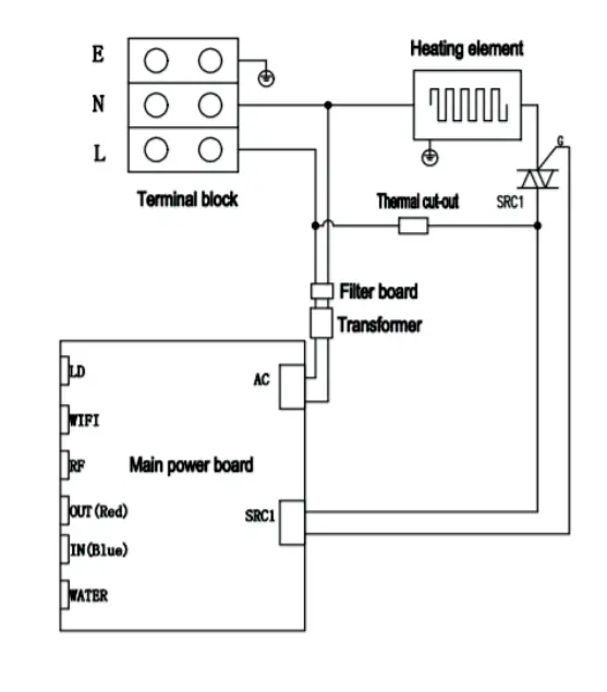
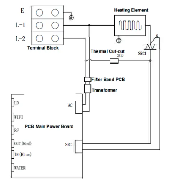
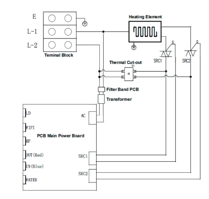
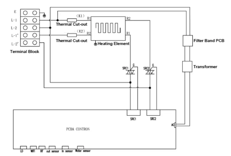
Wiring Diagram
- Model: GE SN PDG,

- Models: GE06SNHPDG, GE08SNHPDG

- Models: GE11SNHPDG, GE15SNHPDG

- Models: GE18SNHPDG

- Models: GE24DNHPDG, GE27DNHPDG

LIMITED WARRANTY
GE Appliances Electric Water Heater Limited Warranty
All warranty service is provided by our Factory Service Centers, or an authorized Customer Care® technician. To schedule service for your GE water heater call GE Water Heaters at 1-800-943-8186. Please have your serial number and your model number available when calling for service. Servicing your appliance may require the use of the onboard data port for diagnostics. This gives a GE Appliances factory service technician the ability to quickly diagnose any issues with your appliance and helps GE Appliances improve its products by providing GE Appliances with information on your appliance. If you do not want your appliance data to be sent to GE Appliances, please advise your technician not to submit the data to GE Appliances at the time of service.
| For The Period Of: | We Will Replace: |
| Five Years From the date of the original purchase if used in residential home | The entire water heater if there is a defect in materials or workmanship relating to functional parts only. During this warranty period, labor and related service to install the new water heater or remove the defective water heater is not covered under this warranty. The replacement unit is warranted for the remainder of your water heater’s original warranty period. At GE Appliances discretion, product replacement could be a certificate rebate, a comparable model, or a refurbished model. |
| Two Years From the date of the original purchase if used in recreational vehicle |
What Is Not Covered:
- Service trips to your home to teach you how to use the product.
- Improper installation, delivery or maintenance.
- Failure of the product if it is abused, misused, altered, or used for other than the intended purpose.
- Use of this product where water is microbiologically unsafe or of unknown quality, without adequate disinfection before or after the system.
- Replacement of house fuses or resetting of circuit breakers.
- Damage to the product caused by accident, lightning, fire, flood or acts of God.
- Incidental or consequential damage caused by possible defects with this appliance, its installation or repair.
- Product not accessible to provide required service in a safe manner. Attic installation must have flooring and accessible stairs.
- If product removed from original installation location.
- If product or other appliance must be moved for service access.
- Damage, malfunction or failure caused by the use of repair service not approved by GE Appliances.
- Damage, malfunction or failure caused by the use of unapproved parts or components.
- Damage, malfunction or failure caused by operating the water heater with air in plumbing lines.
- Damage, malfunction or failure caused by subjecting the water heater to pressure greater than those shown on the rating label.
- Damage, malfunction or failure caused by operating the water heater with electrical voltage outside the voltage range listed on the rating label.
- Water heater failure due to the water heater being operated in a corrosive atmosphere.
- If this water heater is used for other than private family use, labor will not be covered under warranty, and the parts warranty is reduced to 1 year from the date of purchase.
- Damage to outer appearance parts after product installation.
EXCLUSION OF IMPLIED WARRANTIES—Your sole and exclusive remedy is product repair as provided in this Limited Warranty. Any implied warranties, including the implied warranties of merchantability or fitness for a particular purpose, are limited to one year or the shortest period allowed by law.
This limited warranty is extended to the original purchaser and any succeeding owner for products purchased within the USA. If the product is located in an area where service by a GE Appliances Authorized Servicer is not available, you may be responsible for a trip charge or you may be required to bring the product to an Authorized GE Appliances Service location for service. In Alaska, the limited warranty excludes the cost of shipping or service calls to your home.
Some states do not allow the exclusion or limitation of incidental or consequential damages. This limited warranty gives you specific legal rights, and you may also have other rights which vary from state to state. To know what your legal rights are, consult your local or state consumer affairs office or your state’s Attorney General.
For product purchased outside of the US, contact your dealer for Warranty and Service information.
Warrantor for Products Purchased in the United States:
GE Appliances, a Haier company
Louisville, KY 40225
Consumer Support
Register Your Appliance
Register your new appliance on-line at your convenience! Timely product registration will allow for enhanced communication and prompt service under the terms of your warranty, should the need arise.
- Scan QR Code on product registration card, or on product.
NOTE: This is just an example of what a QR code represents.
- Or go to GEAppliances.com/register
- Or mail in your pre-printed registration card included in the packing material
Consumer Service
If you have a question or need assistance with your new water heater on adjustments, repairs, or routine maintenance:
- Review the Troubleshooting Tips or Care and Cleaning sections of this Owner’s Manual.
- Contact your local installer, plumbing contractor, or call GE Appliances Service and Support at 1-800-943-8186.
NOTE: Your installer phone number may be located on the product label.
If you still have issues, contact the GEA Customer Support at GEAppliances.com/waterheater
Parts and Accessories
Individuals qualified to service their own appliances can have parts or accessories sent directly to their homes. (VISA, MasterCard and Discover cards are accepted). Order on-line today 24 hours every day.
In the US, go to GEApplianceparts.com
Contact Us
If you are ultimately not satisfied with the service you receive, contact us on our Website with all the details including your phone number, or write to:
In the US: General Manager, Customer Relations |GE Appliances, Appliance Park |Louisville, KY 40225 GEAppliances.com/contact


































