UNITRONICS IO-PT400 I-O Expansion Modules User Guide

- Before using this product, it is the responsibility of the user to read and understand this document and any accompanying documentation.
- All examples and diagrams shown herein are intended to aid understanding, and do not guarantee operation. Unitronics accepts no responsibility for actual use of this product based on these examples.
- Please dispose of this product in accordance with local and national standards and regulations.
- Only qualified service personnel should open this device or carry out repairs.
User safety and equipment protection guidelines
This document is intended to aid trained and competent personnel in the installation of this equipment as defined by the European directives for machinery, low voltage, and EMC. Only a technician or engineer trained in the local and national electrical standards should perform tasks associated with the device’s electrical wiring.
Symbols are used to highlight information relating to the user’s personal safety and equipment protection throughout this document. When these symbols appear, the associated information must be read carefully and understood fully.

Failure to comply with appropriate safety guidelines can result in severe personal injury or property damage. Always exercise proper caution when working with electrical equipment.
- UG_IO-PT400-4K I/O Expansion Modules
Check the user program before running it. - Do not attempt to use this device with parameters that exceed permissible levels.
- Install an external circuit breaker and take appropriate safety measures against short-circuiting in external wiring.
- To avoid damaging the system, do not connect / disconnect the device when the power is on.
Environmental Considerations
- Do not install in areas with: excessive or conductive dust, corrosive or flammable gas, moisture or rain, excessive heat, regular impact shocks or excessive vibration.
- Leave a minimum of 10mm space for ventilation between the top and bottom edges of the device and the enclosure walls.
- Do not place in water or let water leak onto the unit.
- Do not allow debris to fall inside the unit during installation.
Mounting the Module
DIN-rail mounting
Snap the device onto the DIN rail as shown below; the module will be squarely situated on the DIN rail.

Screw-Mounting
The figure below is not drawn to scale. It may be used as a guide for screw-mounting the module. Mounting screw type: either M3 or NC6-32.

Connecting Expansion Modules
An adapter provides the interface between the OPLC and an expansion module. To connect the I/O module to the adapter or to another module:
- Push the module-to-module connector into the port located on the right side of the device.
Note that there is a protective cap provided with the adapter. This cap covers the port of the final I/O module in the system.

Wiring
Do not touch live wires.- Unused pins should not be connected. Ignoring this directive may damage the device.
- ⚠ Double-check all wiring before turning on the power supply.
Wiring Procedures
Use crimp terminals for wiring; use 26-14 AWG wire (0.13 mm 23.31 mm2) for all wiring purposes.
- Strip the wire to a length of 7±0.5mm (0.2500.300 inches).
- Unscrew the terminal to its widest position before inserting a wire.
- Insert the wire completely into the terminal to ensure that a proper connection can be made.
- Tighten enough to keep the wire from pulling free.
- To avoid damaging the wire, do not exceed a maximum torque of 0.5 N·m (5 kgf·cm).
- Do not use tin, solder, or any other substance on stripped wire that might cause the wire strand to break.
- Install at maximum distance from high-voltage cables and power equipment.
I/O Wiring–General
- Input or output cables should not be run through the same multi-core cable or share the same wire.
- Allow for voltage drop and noise interference with input lines used over an extended distance. Use wire that is properly sized for the load.
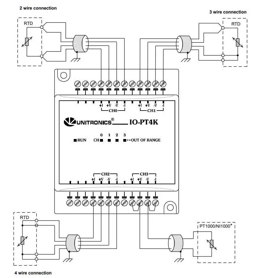
Analog Inputs
Shields should be connected at the signal source.

* RTD input types PT1000/NI1000 support a two-wire connection, because the high resistance (1000 ohm) of the sensor element compensates for voltage drop.
IO-PT400, IO-PT4K Technical Specifications
![]()


Addressing I/Os on Expansion Modules
Inputs and outputs located on I/O expansion modules that are connected to an OPLC are assigned addresses that comprise a letter and a number. The letter indicates whether the I/O is an input (I) or an output (O). The number indicates the I/O’s location in the system. This number relates to both the position of the expansion module in the system, and to the position of the I/O on that module. Expansion modules are numbered from 0-72 as shown in the figure below.

The formula below is used to assign addresses for I/O modules used in conjunction with the OPLC.
X is the number representing a specific module’s location (0-7). Y is the number of the input or output on that specific module (0-15).
The number that represents the I/O’s location is equal to: 32 + x · 16 + y
Examples
- Input #3, located on expansion module #2 in the system, will be addressed as I 67, 67 = 32 + 2 · 16 + 3
- Output #4, located on expansion module #3 in the system, will be addressed as O 84, 84 = 32 + 3 · 16 + 4.
UL Compliance
The products listed above may be used with compatible Unitronics PLCs. Detailed Installation Guides containing the I/O wiring diagrams for these models, technical specifications, and additional documentation are located in the Technical Library in the Unitronics website: https://unitronicsplc.com/support-technical-library/
The following section is relevant to Unitronics’ products that are listed with the UL.
The following models: IO-AI4-AO2, IO-AO6X, IO-ATC8, IO-DI16, IO-DI16-L, IO-DI8-RO4, IO-DI8-RO4-L, IO-DI8-TO8, IO-DI8-TO8-L, IO-RO16, IO-RO16-L, IO-RO8, IO-RO8L, IO-TO16, EX-A2X are UL listed for Hazardous Locations.
The following models: EX-D16A3-RO8, EX-D16A3-RO8L, EX-D16A3-TO16, EX-D16A3-TO16L, IO-AI1X-AO3X, IO-AI4-AO2, IO-AI4-AO2-B, IO-AI8, IO-AI8Y, IO-AO6X, IO-ATC8, IO-D16A3-RO16, IO-D16A3-RO16L, IO-D16A3-TO16, IO-D16A3-TO16L, IO-DI16, IO-DI16-L, IO-DI8-RO4, IO-DI8-RO4-L, IO-DI8-RO8, IO-DI8-RO8-L, IO-DI8-TO8, IO-DI8-TO8-L, IO-DI8ACH, IO-LC1, IO-LC3, IO-PT4, IO-PT400, IO-PT4K, IO-RO16, IO-RO16-L, IO-RO8, IO-RO8L, IO-TO16, EX-A2X, EX-RC1 are UL listed for Ordinary Location.
UL Ratings, Programmable Controllers for Use in Hazardous Locations, Class I, Division 2, Groups A, B, C and D
These Release Notes relate to all Unitronics products that bear the UL symbols used to mark products that have been approved for use in hazardous locations, Class I, Division 2, Groups A, B, C and D.
Caution
- This equipment is suitable for use in Class I, Division 2, Groups A, B, C and D, or Non-hazardous locations only.
- Input and output wiring must be in accordance with Class I, Division 2 wiring methods and in accordance with the authority having jurisdiction.
- WARNING–Explosion Hazard–substitution of components may impair suitability for Class I, Division 2.
- WARNING EXPLOSION HAZARD Do not connect or disconnect equipment unless power has been switched off or the area is known to be non-hazardous.
- WARNING Exposure to some chemicals may degrade the sealing properties of material used in Relays.
- This equipment must be installed using wiring methods as required for Class I, Division 2 as per the NEC and/or CEC.
Relay Output Resistance Ratings
The products listed below contain relay outputs:
Input/Output expansion modules, Models: IO-DI8-RO4, IO-DI8-RO4-L, IO-RO8, IO-RO8L
When these specific products are used in hazardous locations, they are rated at 3A res, when these specific products are used in non-hazardous environmental conditions, they are rated at 5A res, as given in the product’s specifications.
The information in this document reflects products at the date of printing. Unitronics reserves the right, subject to all applicable laws, at any time, at its sole discretion, and without notice, to discontinue or change the features, designs, materials and other specifications of its products, and to either permanently or temporarily withdraw any of the forgoing from the market.
All information in this document is provided “as is” without warranty of any kind, either expressed or implied, including but not limited to any implied warranties of merchantability, fitness for a particular purpose, or non-infringement.
Unitronics assumes no responsibility for errors or omissions in the information presented in this document. In no event shall Unitronics be liable for any special, incidental, indirect or consequential damages of any kind, or any damages whatsoever arising out of or in connection with the use or performance of this information.
The tradenames, trademarks, logos and service marks presented in this document, including their design, are the property of Unitronics (1989) (R”G) Ltd. or other third parties and you are not permitted to use them without the prior written consent of Unitronics or such third party as may own them.



















