AIM-200
The Addressable Intelligent Module
for the System 5000 Fire Alarm Control Panel
User Manual
AIM-200 Addressable Intelligent Module
Document# 15949
10/29/97 Revision: E
P/N 15949:E1 ECN 97-407
Section One: The AIM-200
1.1 General Description
Note: AIM-200 features discussed in this document are available with AIM-200 software part number 73264 or greater.
The Addressable Intelligent Module (AIM-200) functions as an interface between the System 5000 Fire Alarm Control Panel and intelligent/addressable devices.
To the System 5000, the AIM-200 looks like an IZM-8 Initiating Zone Module. On its single communications loop, the AIM-200 will communicate with up to 99 addressable modules and 99 intelligent detectors.
The AIM-200 will communicate with the following:
| SDX-551 | Intelligent Photoelectric Smoke Detector |
| SDX-751 | Low Profile Intelligent Photoelectric Smoke Detector |
| CPX-551 | Intelligent Ionization Smoke Detector |
| CPX-751 | Low Profile Intelligent Ionization Smoke Detector |
| FDX-551 | Intelligent Thermal Sensor |
| MMX-1 | Addressable Monitor Module |
| MMX-2 | Addressable Monitor Module |
| MMX-101 | Miniature Monitor Module |
| CMX-2 | Addressable Control Module |
| BGX-101L | Addressable Manual Pull Station |
| DHX-501/DHX-502 | Intelligent Duct Detector Housing (for use with SDX-551 only) |
The 198 devices are mapped into eight software zones by the AIM-200. The status of these zones is reported to the CPU-5000. The AIM-200 includes a digital display for identifying the exact device address within a zone. The display is also used to display device types and analog detector sensitivity values.
Although the AIM-200 is intended primarily as an initiating input module, it can support CMX-2 Control Modules on the loop. The CMX-2 modules may be mapped to AIM-200 zones much like outputs are mapped to inputs during standard System 5000 programming.
The AIM-200 may be mixed in a system with any of these system modules:
| IZM-8 | Initiating Zone Module |
| IZE-A | Initiating Zone Expander |
| ICM-4 | Indicating Circuit Module |
| ICE-4 | Initiating Circuit Expander |
| CRM-4 | Control Relay Module |
| CRE-4 | Control Relay Expander |
| VCM-4 | Voice Control Module |
| VCE-4 | Voice Control Expander |
| DCM-4 | Dual Channel Module |
| TCM-2 | Time Control Module (Single hazard release) |
| TCM-4 | Time Control Module (Multiple hazard release) |
In addition, ACM remote annunciators, AMG-1 and FFT-7 voice/telephone modules, and several power supplies can be employed with an AIM-200.
Up to ten AIM-200s may be installed in one System 5000 for a capacity of 1,980 points (subject to limitations of system power supply, refer to Appendix B).
Section Two: Inventory

The AIM-200
Addressable Intelligent Module
The AIM-200 communicates with up to 99 intelligent detectors and up to 99 addressable modules.
The AIM-200 reports device alarm or trouble activity back to the CPU as one of eight mapped zones.

Label Inserts
The slide-in labels are printed with identification for system-defined LEDs and switches. Space is provided to type in custom information for the eight user-defined zones.

Card File
A special card file is attached to the bottom front of the AIM-200. Several standard 4 in. by 2-1/4 in. cards are provided and may be marked with device information by the installer. A reference card, which defines all display codes, is included.
2.1 Optional Peripherals: Intelligent Detectors

BX-501 Base
These intelligent, addressable detectors provide analog information to the AIM-200. The AIM-200 processes this analog information and continually makes decisions on the alarm, maintenance, or normal status of each device. Each detector head mounts to a BX-501 base for ease of installation or replacement. The sensitivity of each detector can be set by the programmer at the AIM-200 for one of three levels (low, medium, and high). Each detector responds to an address that is set in the head via built-in rotary decimal switches.
| BX-501BH | Sounder built into base |
| B501 | Flangeless base |
SDX-551
An intelligent photoelectric smoke detector that provides analog measurements of the optical smoke level in its chamber to the AIM-200 panel.
SDX-751
A low profile intelligent photoelectric smoke detector.

CPX-551
An intelligent ionization smoke detector that measures the level of combustion products in its chamber using the ionization principle and reports this measurement to the AIM-200.
CPX-751
A low profile intelligent ionization smoke detector.

FDX-551
An intelligent thermal sensor (135-degree F fixed temperature).
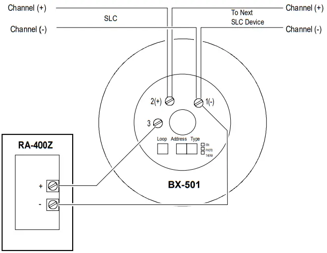
RA400Z
A remote single LED annunciator that can be wired directly off of an addressable detector for annunciation of that detector’s alarm status.
2.2 Optional Peripherals: Addressable Modules
Control and Monitor Modules
The CMX-2 control module and the MMX-1 monitor module provide the interface between the System 5000 and conventional initiating and notification devices. Both types of modules respond to an address that is set by the installer with built-in rotary decimal switches. A flashing LED indicates power is applied. A thermoplastic cover (illustrated at left) is provided with each module for mounting to a 4-inch square mounting box.

MMX-1
An addressable monitor module that can be used to monitor conventional normally open contact alarm initiating devices, such as manual pull stations, 4-wire smoke detectors, heat detectors, waterflow, and supervisory devices. Supervised circuit can be wired NFPA Style B or Style D.
MMX-2
An addressable monitor module that monitors conventional 2-wire smoke detectors. Supervised circuits can be wired NFPA Style B or Style D. MMX-2 supervises initiating device circuit wiring, communication loop, and input power.

CMX-2
An addressable control module that can be used as a notification appliance circuit for powering and supervising compatible, UL Listed notification appliances. Supervised circuits can be wired NFPA Style Y or Style Z. By breaking two built-in tabs, the CMX-2 can be employed as a Form-C control relay.
ISO-X
The loop isolator module is an automatic switch that opens the circuit voltage to a predetermined communications loop branch(es) whenever a fault is detected on that circuit.
The remainder of the communications loop leading up to the ISO-X will continue to operate, unaffected by the fault.

MMX-101
An addressable module that is functionally identical to an MMX-1 monitor module (Style B circuits only), but offered in a smaller package for mounting directly in the electrical box of the device being monitored.
BGX-101L
The addressable manual pull station features a key-lock reset. The pull station responds to an address set by the installer with built-in rotary decimal switches. Includes key.
System Sensor (SSD) A2143-00
The 47K end-of-line resistor assembly is used in the supervision of MMX-1 Monitor and CMX-2 Control Module circuits. It is included with each MMX-1 or CMX-2 module.
N-ELR
The N-ELR resistor assortment is required for use in Canada. It provides a variety of resistor values to mount to a single ELR plate (included).
Resistors can be used for the supervision of an MMX-1 monitor module or CMX-2 control module circuit.
Resistors included: 120 ohms, 470 ohms, 1.8K, 2.2K, 4.7K, 6.8K, 10K, 27K, and 47K.
Section Three: Installation
This section outlines the installation procedure for the AIM-200. For information on installing other System 5000 equipment and power limited wiring, refer to the Installation Manual, Document 15583.
3.1 Installing the AIM-200
Complete the following steps to install the AIM-200 onto the CHS-4 Chassis.
- Mount the AIM-200 to a CHS-4 Chassis.
- Insert the tab on the bottom of the AIM-200 into the slot on the bottom of the CHS-4.
- Fasten the AIM-200 to the top of the CHS-4 using the two captive screws in the top corners of the module. Refer to Figure 3-1.
- Connect the ribbon cable. See Figure 3-2.
Note:
If point annunciation (192 intelligent AIM-200 points and 56 standard system circuits) of a single AIM-200 is desired, the AIM-200 must be mounted in the second slot of the first chassis (directly to the right of the CPU). This annunciation option must also be selected in system programming.
Connecting the Alarm Bus Cable
Connect the alarm bus cable following the steps below. Use the alarm bus cable (Part No. 71033) included with the AIM-200.
- Remove the 2-pin connector on one end of the cable.
- Separate and strip the wires, leaving about half an inch of bare wire exposed.
- Connect wires to Terminals 14 and 15 on the CPU.
- Connect the other end of the trouble cable to the left-most 2-pin terminal on the bottom left-hand corner of the AIM-200. If additional AIM-200s are employed, see Figure 3-3.
Figure 3-1: Mounting the AIM-200
Figure 3-2: Connecting the Ribbon Cable
CAUTION: Do not connect any other device or circuit to the alarm relay contacts on the CPU-5000 while the alarm bus cable (Part No. 71033) is installed in the system.
Figure 3-3: Connecting the Alarm Bus Cable
Note: Refer to the System 5000 manual for power limited wiring requirements, document number 15583.
3.2 Wiring the Communications Loop Circuit
The AIM-200 communicates with intelligent and addressable initiating, monitor and control devices through a communications loop. The System 5000 can support up to ten communications loops, each controlled by an AIM-200 module. The communications loops can be wired as non-redundant (Figure 3-6), redundant (Figure 3-7), or isolated redundant (Figure 3-8).
Isolator Modules
Isolator modules (ISO-X) permit a zone of detectors and modules to be electrically isolated from the remainder of the communications loop, allowing critical loop components to function in the event of a circuit fault (see Figures 3-8 and 3-12).
Monitor Modules
Addressable monitor modules (MMX-1, MMX-2, and MMX-101) allow the AIM-200 to monitor entire circuits of conventional normally open contacts, alarm initiating devices, manual pull stations, 4-wire smoke detectors, heat detectors, and waterflow and supervisory devices (Figures 3-13A and 3-14A). A type of monitor module, the addressable BGX-101L, provides point annunciation of manual pull stations (Figure 3-18).
Control Modules
Through addressable control modules (CMX-2), the System 5000 can selectively activate notification appliance circuits or Form-C output relays (see Figures 3-15 through 3-17).
Intelligent Detectors
Through the communications loop, the AIM-200 communicates with intelligent ionization, photoelectric, and thermal detectors (Figure 3-19).
Loop Capacity
The capacity of each AIM-200 includes up to 99 intelligent detectors and an additional combination of up to 99 addressable pull stations, control modules, and monitor modules. One to ten AIM-200s can be employed, depending on system requirements.
Notes:
- Communications loop is supervised and power limited.
- Maximum loop length is 10,000 feet (total twisted pair length).
- Maximum loop voltage: 27.6 VDC.
- Maximum loop current: 200 mA (short circuit) 100 mA (normal operation)
- Maximum loop resistance: 40 ohms.
- Refer to the proper installation drawing supplied with each communications loop appliance.
Table 3-1: Communications Loop Performance
| Fault Condition | ||||||
| Single Open on Loop | Single Ground on Loop | Loop has Been Shorted | Loop Shorted and Opened | Loop Shorted and Grounded | Loop Opened and Grounded | Common Loss with Control Panel |
| Non-Redundant (2-Wire) Loop Operation | ||||||
| Trouble (Note 1) | Trouble with Alarm Capability (Note 2) | Trouble | Trouble | Trouble | Trouble | Trouble |
| Redundant (4-Wire) Loop Operation | ||||||
| Trouble with Alarm Capability | Trouble with Alarm Capability | Trouble | Trouble | Trouble | Trouble with Alarm Capability | Trouble |
| Isolated Redundant (4-Wire) Loop Operation (Note 3) | ||||||
| Trouble with Alarm Capability | Trouble with Alarm Capability | Trouble with Alarm Capability | Trouble | Trouble with Alarm Capability | Trouble with Alarm Capability | Trouble |
Notes:
- Trouble indicates that a trouble signal will be generated at the control panel under the abnormal condition.
- Alarm capability indicates whether or not an alarm signal can be transmitted to the control panel during the abnormal condition.
- Isolated redundant loop operation is a method of protecting, or isolating, entire physical zones of devices on the communications loop from faults that occur within other areas of the loop.
Figure 3-4: AIM-200 Wiring Requirements Non-Redundant Circuit
Branch Resistance
Short the termination point of one branch at a time and measure DC resistance from the beginning of the loop to the end of that particular branch. The total DC resistance from panel to branch end cannot exceed 40 ohms. Repeat this procedure for all remaining branches.

Document 15949 Rev. E 4/12/95 P/N 15949:E
Figure 3-5: Redundant Circuit
Total length of the communications loop pair cannot exceed 10,000 feet (measured from the control panel out, and back to the control panel).
The DC resistance of the communications loop pair cannot exceed 40 ohms. This measurement may be obtained by disconnecting loop out and return at the control panel, shorting the two leads of communications loop return together and metering loop out.
Document 15949 Rev. E 4/12/95 P/N 15949:E
Figure 3-6: Non-Redundant Communications Loop
Figure 3-7: Redundant Communications Loop
Isolated-Redundant Circuit
By flanking each communications loop device with a pair of ISO-X fault isolator modules, each device is protected from short circuit faults that may occur on other devices. For example, a fault on Zone 2 will not effect Zones 1 and 3. The isolator modules on either side of Zone 2 will open the loop. Zone 1 will still operate from power on loop out and Zone 3 will operate from loop return. Since the system will no longer be able to communicate with Zone 2, a trouble signal(s) will be generated for that device.
This circuit is a variation of the redundant circuit, therefore, no T-tapping or branching is allowed. The ratings and characteristics are the same as for the redundant circuit.
Figure 3-8: Isolated-Redundant Communications Loop
Shield Termination in No Conduit
Do not allow the shield drain wire to enter the control panel cabinet. Connect the drain wire to the outside of the cabinet via a BX-type connector.
Figure 3-9: Shield Termination in No Conduit
Shield Termination in Full Conduit
The shield drain wire must be connected to the negative (-) side of the loop. Do not allow the shield drain wire or the shield foil to touch the control panel cabinet.
Note: For redundant or isolated redundant field wiring of the communications loop, connect each end of the shield to the negative side of the respective channel.
Figure 3-10: Shield Termination in Full Conduit
Shield Termination in Partial Conduit
Do not allow the shield drain wire to enter the control panel cabinet or the conduit. Connect the drain wire to the termination point of the conduit run (such as a single-gang box as illustrated in Figure 3-11). The conduit cannot be longer than 20 feet.
Figure 3-11: Shield Termination in Partial Conduit
Do not allow the shield drain wire to enter the control panel cabinet or the conduit. Connect the drain wire to the termination point of the conduit run (such as a single-gang box as illustrated above). The conduit cannot be longer than 20 feet.
3.3 The Isolator Module
The loop isolator module (ISO-X) is used to protect critical elements of the communications loop from faults on other branches or sections of the loop. The ISO-X continuously monitors the circuit connected to Terminals 3 (-) and 4 (+). Upon power up, an integral relay is latched on. The ISO-X periodically pulses the coil of this relay. A short circuit on the loop resets the relay. The ISO-X sees this short and disconnects the faulted branch by opening the positive side of the loop (Terminal 4). This effectively isolates the faulted branch from the remainder of the loop. Once the fault is removed, the ISO-X automatically reapplies power to the communications loop branch. Figure 3-12 illustrates the use of an ISO-X on a non-redundant communications loop. For employing ISO-Xs on a redundant or isolated-redundant communications loop, see Figure 3-8.

Note: During a fault condition, the System 5000 will register a trouble condition for each zone mapped to the isolated loop branch.
Figure 3-12: Isolating Non-Redundant Communications Loops
Shorts on this branch of an isolated non-redundant communications loop will be isolated from all devices installed both upstream of the ISO-X and on the continuation of the loop (shown as dotted line).
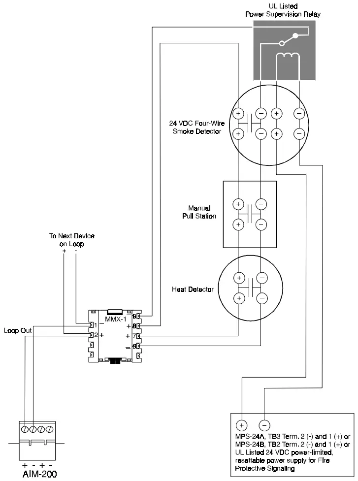
3.4 The MMX-1 Monitor Module
The MMX-1 monitor module is an addressable module that monitors normally open contacts, shorting type alarm initiating devices. The supervised MMX-1 circuit can be wired as an NFPA Style B or Style D initiating device circuit. There is no limit to the number of contact type devices installed on a monitor module circuit. Refer to Figures 3-13A and 3-14A for MMX-1 wiring diagrams.

Communications Loop Connections
Connect the communications loop to MMX-1 Terminals 1(-) and 2 (+). The MMX-1 occupies one module address on the loop. Set the rotary switches on the MMX-1 to the particular loop address required.
NFPA Style B Initiating Device Circuit
Connect the normally open contacts of the alarm initiating devices to a single two-wire circuit. This circuit cannot be T-tapped or branched in any fashion, and must be terminated across the last device by a listed 47K, 1/2 watt ELR (Part No. A2143-00, supplied with module). Connect the circuit to MMX-1 Terminals 6 (-) and 7 (+).
NFPA Style D Initiating Device Circuit
Connect the normally open contacts of the alarm initiating devices to a single four-wire circuit. This circuit cannot be T-Tapped or branched in any fashion. No external ELR is required for Style D wiring. Connect the four-wire circuit to MMX-1 Terminals 6 (-) and 9 (-), then 7 (+) and 8 (+). The maximum initiating device circuit resistance is 20 ohms.
3.5 The MMX-2 Monitor Module

The MMX-2 monitor module is an addressable module that monitors conventional two-wire smoke detectors. The supervised MMX-2 circuit can be wired as an NFPA Style B or Style D initiating device circuit. Refer to the Device Compatibility Document for the type and number of detectors the MMX-2 will support. Refer to Figures 3-13B and 3-14B for MMX-2 wiring diagrams.
Communications Loop Connections
Connect the communications loop to MMX-2 Terminals 1(-) and 2 (+). The MMX-2 occupies one module address on the loop. Set the rotary switches on the MMX-2 to the particular loop address required.
NFPA Style B Initiating Device Circuit
Connect the alarm initiating devices to a single two-wire circuit. This circuit cannot be T-tapped or branched in any fashion, and must be terminated across the last device by a listed 3.9K ELR. Connect the circuit to MMX-2 Terminals 6 (-) and 7 (+). The maximum initiating device circuit resistance is 25 ohms.
NFPA Style D Initiating Device Circuit
Connect the alarm initiating devices to a single four-wire circuit. This circuit cannot be T-tapped or branched in any fashion. No external ELR is required for Style D wiring. Connect the four-wire circuit to MMX-2 Terminals 6 (-) and 9 (-), then 7 (+) and 8 (+). The maximum initiating device circuit resistance is 25 ohms.
Power
The MMX-2 requires connection of 24 VDC filtered, power limited, regulated and resettable power on terminals 3 (-) and 4(+). Maximum stand-by current for two-wire detectors is 2.4mA. Maximum alarm current is 90mA.
3.6 The MMX-101 Monitor Module

The MMX-101 monitor module is an addressable module that is functionally and electrically identical to an MMX-1 monitor module (Style B circuits only), but offered in a smaller package for mounting directly in the electrical box of the contact-type device being monitored.
NFPA Style B Initiating Device Circuit
Terminate with an A2143-00 ELR (N-ELR in Canada).
MMX-1 and MMX-101 Monitor Module Technical Notes
- Initiating device circuit is supervised and current-limited to 210 microamps @ 24 VDC (nominal).
- Initiating device circuit provides the following services (do not mix):
a) Fire alarm service
b) Automatic/manual waterflow alarm service with normally open contact devices
c) Sprinkler supervision with normally open contact devices - Maximum loop resistance due to wiring is 65 ohms.
Figure 3-13A: NFPA Style B Initiating Device Circuit
Refer to the MMX-2 Installation
Instructions, Document M500-03-00, for more details.
Figure 3-13B: NFPA Style B Initiating Device Circuit
Figure 3-14A: NFPA Style D Initiating Device Circuit
Refer to the MMX-2 Installation
Instructions, Document M500-03-00, for more details.
Figure 3-14B: NFPA Style D Initiating Device Circuit
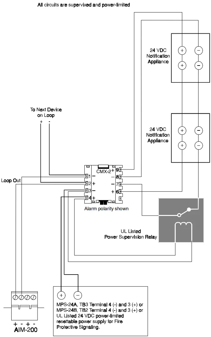
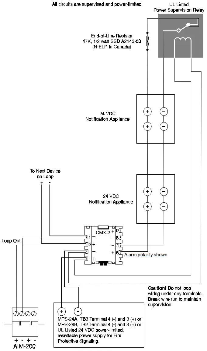
3.7 The Control Module
The CMX-2 control module is an addressable module that supervises and switches power to a notification appliance circuit. The CMX-2 circuit can be wired as an NFPA Style Y or Style Z notification appliance circuit. Alternately, the CMX-2 can be employed as a Form-C control relay.

Communications Loop Connections
Connect the communications loop to CMX-2 Terminals 1(-) and 2 (+). The CMX-2 occupies one module address on the loop. Set the rotary switches on the CMX-2 to the particular loop address required.
NFPA Style Y Notification Appliance Circuit
Connect polarized alarm notification appliances to a single 2-wire circuit. This circuit cannot be T-tapped or branched in any fashion and must be terminated across the last device by a 47K, 1/2-watt ELR (Part No. A2143-00). Connect the circuit to CMX-2 Terminals 6 (+) and 7 (-). See Figure 3-16.
NFPA Style Z Notification Appliance Circuit
Connect polarized alarm notification appliances to a single two-wire circuit. This circuit cannot be T-tapped or branched in any fashion. No external ELR is required for Style Z wiring. Connect the 4-wire circuit to CMX-2 Terminals 6 (+) and 9 (+), then 7 (-) and 8 (-). See Figure 3-17.
Notification Appliance Power
Connect notification appliance power to CMX-2 Terminal 3 (common) and Terminal 4 (+ 24 VDC). This power must be provided by a UL listed power-limited supply and must be supervised by a UL listed power supervision relay, wired as illustrated in Figures 3-16 or 3-17.
Figure 3-15: CMX-2 Control Module (Form-C Relay)
Break Tabs
To configure a CMX-2 as a Form-C relay, the two tabs must be broken off of the module. Use a pair of needle-nose pliers to break off each tab.
Communications Loop Connections
Connect the communications loop to CMX-2 Terminals 1(-) and 2 (+). The CMX-2 occupies one module address on the loop. Set the rotary switches on the CMX-2 to the particular loop address required.
Contact Connections
Wire the common and the normally-open or normally-closed contacts to the CMX-2 as needed.
Contact Ratings
Resistive: 2 amps @ 30 VDC
Inductive: 1 amp @ 30 VDC (0.6 pf)
0.3 amps @ 120 VDC (0.35 pf)
Contacts are not rated for pilot duty or motor loads.
Note: Do not apply external voltage when Form-C relay configuration is used until after tabs are broken. This will prevent damage to the system from induced voltage.
Figure 3-16: NFPA Style Y Notification Appliance Circuit
Figure 3-17: NFPA Style Z Notification Appliance Circuit
3.8 The Addressable Manual Pull Station
BGX-101L Installation
The BGX-101L is an addressable manual pull station with a key-lock reset feature.
- Connect the communications loop to BGX-101L red wire (+) and black wire (-). If additional devices are to be connected to the SLC loop after the BGX-101L, wire-nut the continuance of the loop to the red and black wires.
- The BGX-101L is factory preset with address “00.” Set the address for the pull station by using a screwdriver to turn the rotary address switches on the back of the unit to the appropriate settings.
Figure 3-18: Wiring Addressable Manual Pull Stations
3.9 The Intelligent Detector
The BX-501and B501 bases provide the connection between the AIM-200 communications loop and SDX-551 (751), CPX-551 (751), and FDX-551 intelligent detectors.
Installation
- Connect the communications loop to Terminal 1(-) and Terminal 2(+) on the BX-501.
- If employing an RA400Z remote LED annunciator, connect the RA400Z positive terminal to BX-501 Terminal 3 and the negative Terminal to BX-501 terminal 1.
- Before installing the appropriate intelligent detector head, set the detector’s address on the head with a small slotted screwdriver. Mark this address on the base and on the head.
Figure 3-19: Wiring the BX-501 (B501) Detector Base
3.10 Inserting the AIM-200 Cards
Seven AIM-200 cards are provided in a plastic pouch. Remove and discard the cover card. After the appropriate point information has been entered onto the cards, they may be inserted into the module as shown below.
Figure 3-20: Organizing AIM-200 Cards for Placement
Organize the cards in sequence, with number “1” on top and number “6” on the bottom.
Carefully press-fit the cards over the holding clips on the module and close the front door.

Section Four: Programming the AIM-200
Programming the AIM-200 involves two modes of operation: Auto-Program, (password 231-1332) and Program Edit (password 231-3112). A third function, Display Status, allows the programmer to review the entire AIM-200 program. Program Clear (password 231-5678), allows the clearing of an existing program from non-volatile memory.
4.1 The Programming Display
Device Type
Green LEDs indicate whether the device is a detector or a module.

Device
The device’s type and address are alternately displayed on the 2-digit 7-segment display.

| Left Digit | Right Digit |
| P = Photo Detector | Blank = Normal Sensitivity (for detectors), or Indicating Circuit Selected (for CMXs) |
| I = Ion Detector | L = Low Sensitivity (detectors only) |
| H = Heat Detector | H = High Sensitivity (detectors only) |
| G = Monitor Module or Pull Station | d = Disabled |
| C = Control Module | O = Form-C Selected (CMXs) |
| E = No response from a device (the AIM-200 is programmed for a device which is in trouble or not physically installed on the loop). |
Mapped Zones
A zone that the device has been mapped to is indicated by the red zone alarm LED. Devices may be mapped to any one or all of the eight AIM-200 zones. The AIM-200 will require that each MMX Monitor Module or intelligent detector be mapped to at least one zone (one zone must be selected at any point in time). CMX-2 Control Modules may or may not be mapped to a zone, depending on the particular application (see the Operating CMX-2 Control Modules section of this document).

Selecting Mapped Zones
Mapped zones may be selected or deselected by pressing the switch on each respective zone (switch toggles selection of the zone).
Detector Sensitivity
To change the sensitivity of an intelligent detector, press the STEP-FORWARD or STEP-REVERSE switch. The right-hand display digit will read “L” for low, “H” for high, and blank for normal sensitivity. Either of these switches can also be used to disable the detector (right-hand digit displays “d”).
Control Module (NAC)
To program a CMX-2 control module to function as a notification appliance circuit, press the STEP-FORWARD switch until the right-hand display digit is blank.
Note: The function tabs on the CMX-2 must not be broken for this type of operation.
Control Module (Form-C)
To program a CMX-2 control module as a Form-C relay, press the STEP-FORWARD switch until the right-hand display digit reads “0.” The STEP-REVERSE switch can be used to disable the control module (right-hand digit displays a “d”).
Programming Switches
Accepting or Rejecting Devices
The ENTER and SKIP LEDs will flash while the AIM-200 is in Auto-Program or Program Edit mode.
Auto-Program
To accept a new device, press the ENTER switch. To reject a device, press the SKIP switch.
In either case, the AIM-200 will advance to the next address.
Program Edit
To store newly edited information on the device displayed, press the ENTER switch. To leave device unchanged, press the SKIP switch. In either case, the AIM-200 will advance to the next address.
Note: Holding in the SKIP switch will cause the AIM-200 to advance through successive addresses quickly (10 per second).
Style 6 Loop Operation
This LED indicates that the AIM-200 has been programmed for redundant communications loop operation. Select or deselect for the entire loop by pressing the control switch.
Note 1: To function as a redundant communications loop, the AIM-200 loop must be wired in accordance with Figure 3-7.
Note 2: An isolated-redundant circuit is a variation of a redundant circuit (see Figure 3-8). If wired as an isolated-redundant communications loop, the AIM-200 should be programmed for redundant circuit operation.
4.2 Auto-Program Mode
Auto-Program is used when a system is first installed, or when device additions or deletions are necessary. It determines the number, address and type of devices to be programmed by polling the addressable loop. The AIM-200 determines which devices have been physically installed on the loop and compares this information against the program stored in memory. If a particular device responds differently, the AIM-200 displays the new address and type. If accepted by the programmer, the information is stored in the non-volatile memory. Certain other parameters are pre-selected by the AIM-200, such as zone assignment and detector sensitivity, with the installer given an opportunity to change those parameters as desired.
Entering Auto-Program Mode
Once in Auto-Program mode, the AIM-200 turns off all LEDs, places a flashing “AP” on the digital display, and begins polling all 198 possible addresses. It stores the address and type of each device as found. It then compares each new address/type with the old information stored in its memory. If the old and new address/type match, the AIM-200 proceeds to the next address, and repeats. This process could take several seconds to complete all de- vices. Only removal of the PK-1 key can abort the process.
If a mismatch is found between the actual devices installed on the loop and the information in memory, information about the actual device is displayed. The operator may accept the new device by pressing ENTER, or reject the device and retain the information that was in memory by pressing SKIP. Mismatches include an installed device that is not in memory, a non-existing device that is in memory, or a different Type code.
After any mismatches are accepted or rejected, the AIM-200 displays a count of the number of programmed detectors, alternating with a count of programmed modules. The operator may exit to: Program Edit mode by pressing ENTER; Auto-Program mode (repeat) by pressing SKIP; or normal operation by removing the PK-1 key.
Table 4-1: Auto-Programming the AIM-200
| Programmer | System 5000 |
| 1. Insert the PK-1 Programming Key. | CPU-5000 will register a System Trouble condition. Red alarm LEDs on Zones 1, 2, and 3 and the DISPLAY STATUS and ENTER LEDs will flash at the faster rate. |
| 2. Acknowledge the System Trouble (if desired). | The CPU-5000 piezo sounder will silence. |
| 3. Enter the Auto-Program password: 231-1332. Push ENTER. | The LEDs illuminated on the AIM-200 will flash at the slower rate. All LEDs will be turned off The AIM-200 polls all 198 possible device addresses. It stores the address and type of each device found installed on the loop (this process could take several seconds). It then compares each device against the old information stored in its memory. If a mismatch is found between the devices installed on the loop and the information in memory, information about the new device is displayed. |
| 4. The device information can be changed by the AIM-200 programmer. | See 4.1 The Programming Display. |
| 5. You may accept the new device by pressing ENTER, or reject the device and retain the information that was in memory by pressing SKIP. | The AIM-200 proceeds to the next mismatch, and repeats the process. After all mismatches are accepted or rejected, the AIM-200 displays a count of the number of programmed detectors, alternating with a count of programmed modules. |
| 6. You may advance to Program Edit mode by pressing ENTER; return to Auto-Program mode by pressing SKIP, or resume normal operation by removing the PK-1 key. |
4.3 Program Edit
The Program Edit function allows the programmer to change an existing program in the AIM-200 memory. If Program Edit mode is entered directly from Auto-Program mode, the programmer will enter the Program Edit mode at Step 5 of the following instructions.
Table 4-2: Editing the AIM-200 Memory
| Programmer | System 5000 |
| 1. Insert the PK-1 Programming Key. | CPU-5000 will register a System Trouble condition. Red alarm LEDs on Zones 1, 2, and 3 and the DISPLAY STATUS and ENTER LEDs will flash at the faster rate. |
| 2. Acknowledge the System Trouble (if desired). | The CPU-5000 piezo sounder will silence. |
| 3. Enter the Auto-Program password: 231-3112. | The LEDs illuminated on the AIM-200 will flash at the slower rate. |
| 4. Push ENTER. | The AIM-200 will alternately display the address and device of the lowest-addressed detector. |
| 5. The STEP-FORWARD and STEP-REVERSE switches allow the programmer to change detector status (high, normal, low, or disabled) and module status (Form-C, notification circuit, or disabled). To store newly edited information, press the ENTER switch. To leave a device unchanged, press the SKIP switch. The AIM-200 will advance to the next address Note: Holding the SKIP key switch will cause the AIM-200 to advance through successive addresses quickly (10 per second). | The AIM-200 will continue to alternately display the address and device type during editing. The AIM-200 steps through all detectors and then all modules installed on the loop. After the last module is edited, the AIM-200 will begin again at the first detector on the loop. |
| 6. After all desired changes have been made, remove the programming key. | The AIM-200 will return to normal operation. |
4.4 Program LED Latch
Early version Notifier analog detectors and modules have the capability to turn on up to six LEDs on a single signaling line circuit.
Notifier “R4” devices (Release 4-1-91) have the capability to turn on up to 99 detector LEDs plus five module LEDs.
| Programmer | System 5000 |
| 1. Insert the PK-1 Programming Key. | CPU-5000 will register a System Trouble condition. Red alarm LEDs on Zones 1, 2, and 3 and the DISPLAY STATUS and ENTER LEDs will flash at the faster rate. |
| 2. Acknowledge the System Trouble (if desired). | The CPU-5000 piezo sounder will silence. |
| 3. Enter the Auto-Program password: 231-1234. | The LEDs illuminated on the AIM-200 will flash at the slower rate. |
| 4. Push ENTER. . .Push SKIP. . . | To enable the max LED mode. To disable the max LED mode. |
| 5. After all desired changes have been made, remove the Programming Key. | The AIM-200 will return to normal operation. |
Notes:
- To employ this feature, the AIM-200 loop must contain only “R4” type addressable devices.
- When using sounder bases or DHX-501s with auxiliary relay, you must enable max LED latching to ensure all sounders and relays will activate during alarm.
4.5 Program Clear
The Program Clear function allows the programmer to clear an existing program from AIM-200 memory. After clearing memory, the AIM-200 must be completely reprogrammed, beginning with Auto-Program.
Table 4-3: Clearing AIM-200 Memory
| Programmer | System 5000 |
| 1. Insert the PK-1 Programming Key. | CPU-5000 will register a System Trouble condition. Red alarm LEDs on Zones 1, 2, and 3 and the DISPLAY STATUS and ENTER LEDs will flash at the faster rate. |
| 2. Acknowledge the System Trouble (if desired). | The CPU-5000 piezo-sounder will silence. |
| 3. Enter the Program Clear password: 231-5678. Push ENTER. | The LEDs illuminated on the AIM-200 will flash at the slower rate. |
| 4. You can now clear AIM-200 memory by pressing ENTER. Pressing SKIP or removing the programming key aborts Program Clear. | After the AIM-200 erases stored information, |
At this point, you must execute Auto-Program so that the AIM-200 can determine which devices are installed on the loop.
At least one device must be installed on the AIM-200 loop. If the programming key is removed after Program Clear and before Auto-Program is executed, the AIM-200 will register a trouble condition by illuminating the yellow trouble LEDs on Zones 1, 3, 5, and 7.
Refer to Table 4-1.
4.6 Default Zone Map
Upon initial power up, and after clearing AIM-200 memory (Program Clear), intelligent detectors and addressable modules installed on an AIM-200 loop are automatically mapped to default zones. Any changes to this map must be made through Program Edit. This default map is illustrated in Figure 4-1.
4.7 Display Status
When the operator wishes to view the status and program for a device, the Display Status/ Sensitivity function is used. This function is entered directly by inserting the PK-1 Programming Key and pressing the DISPLAY STATUS switch. No password is required.
Note: The AIM-200 will cease monitoring its devices while in this mode and the CPU-5000 will report System Trouble.
Alternately, this mode may be entered without key or password by pressing and holding the DISPLAY STATUS switch in for two seconds. Continue to hold the DISPLAY STATUS switch in with one hand while performing the Step function with the other hand.
Displaying the Status of Intelligent Detectors
When the Display Status mode is entered, the digital display will repeatedly flash the address, type and sensitivity of the detector assigned to the lowest address.
The user can scroll through all detectors using the STEP-FORWARD and STEP-REVERSE switches. The SKIP switch advances addresses rapidly.
Detector Device Type/Status
The Device Type/Status field displays two characters for intelligent detectors, outlined below.
| Left Digit | Right Digit |
| Blank = Normal sensitivity |
Alarm Threshold Percentage
The percent of alarm threshold for detectors is displayed with a decimal point as illustrated below.

Displaying the Status of Addressable Modules
After the AIM-200 has stepped through all detectors, it will begin displaying all modules.
The digital display will repeatedly flash between the address and type/status of the module assigned to the lowest address. The user can scroll through all modules using the STEP-FORWARD and STEP-REVERSE switches. The SKIP switch advances through addresses rapidly.
Module Device Type/Status
The Device Type/Status field displays two characters for modules, outlined below.
Table 4-4: Device Type/Status Field Characters
| Left Digit | Right Digit |
| Blank = Indicating circuit selected device that is in trouble or not physically installed on the loop). |
Advancing to an Address Range
By pressing any one of Zone Switches 1 through 8, the operator can advance directly to a desired range of addresses. The AIM-200 will jump to the lowest address of a programmed device within that range. The STEP-FORWARD and STEP-REVERSE switches can be used to move to devices within each range.

Display Status Tips:
- To view module status directly upon entering Display Status mode, press the switch on Zone 8 and advance through devices 80-99 (if present). The AIM-200 will begin displaying modules directly after the last detector.
- The STEP-REVERSE switch can be used to back into a lower address range. For example, to view the status of a device with Address “39,” press the switch for Zone 4,
then press the STEP-REVERSE switch once.
Section Five: Operating the AIM-200
5.1 Zone Display
For each of the eight zone displays, a red LED, yellow LED and a switch are provided. The 198-point capacity of the AIM-200 is assigned to these zones using a “mapping” technique. Each of the 198 devices may be mapped to one or more zones. If an initiating device mapped to more than one zone is alarmed, all mapped zones will be placed into alarm. This type of zoning could be used to provide a matrix, where one zone indicates the area and another the type of device. For example, four zones could be used to indicate floor of alarm, and three zones could be used to indicate smoke alarm, manual station, and waterflow alarm. The eighth zone could be used for supervisory devices (the supervisory devices would not be mapped into a floor zone).

CMX-2 Control Modules are activated by the AIM-200 when the zone that they are mapped to enters an alarm condition. If a CMX-2 is mapped to more than one zone, it will be activated when any of the zones are in alarm.
The zone LEDs and switches emulate the functions of an IZM-8 module except when in Program/Display mode. Pressing the switch in Program/Display mode displays all output circuits in the system that are mapped to that zone.
The AIM-200 zone assumes the status of any device mapped to that zone that enters an alarm or trouble condition. If any of the initiating devices are in alarm, the zone is reported in alarm. If one or more devices (including CMX-2 modules) are in trouble, and no alarms exist, trouble is reported for the zone.
One trouble condition, called “Maintenance Alert,” will be reported for analog detectors that give readings in the 0-19% or 80-99% range. This trouble condition will result only if the detector remains at this value continuously for 24 hours (smoldering fires could linger here before passing 100%). After the detector remains at this level for about 24 hours, trouble is reported for that detector.
Digital Display – The digital display provides two numeric digits. It displays the device numeric address (01-99). To the right of the digital display are two green LED’s: “Detector” and “Module.” When there are no devices in alarm or trouble, and the system is not in a programming mode, the digital display is blank.

Alarm Condition – When an alarm condition occurs, the address of the alarmed device will appear in the 2-digit, 7-segment display. If multiple alarms occur, the display will automatically advance through all alarms. The STEP switches may be used to manually advance the display one alarm at a time. If it is necessary to display trouble addresses when an alarm exists, the program key must be inserted and the Display Status functions followed. If an alarm(s) has been silenced, and an initiating device mapped to the same software zone goes into alarm, the AIM-200 will resound the alarm signals and flash appropriate LEDs.
Trouble Condition – During a trouble condition (with no alarm present) the digital display will show the address of the trouble. The detector and module LEDs will be used to indicate the category of device in trouble.
Note:
If a Style 6 loop fault exists, the display indicates “LF” (Loop Fault). If communication is lost with the CPU-5000, “SF” (System Failure) is displayed.
If multiple trouble conditions exist, the digital display steps through all troubles automatically at a rate of one trouble per second. The STEP switches may be used to manually control the digital display. Once a STEP switch is pressed, the display advance is under control of these switches. If a trouble(s) has been silenced and a device mapped to the same software zone goes into trouble, the AIM-200 will resound the trouble signal and flash appropriate LEDs.
Step Switches – Two switches, STEP FORWARD and STEP REVERSE, are provided for advancing the display. If multiple alarms or troubles exist in the AIM-200, and the display is automatically advancing through them, pressing either of these two switches will stop the automatic advance and allow the operator to control the advancement through the display. If these two switches are not pressed again during a period of about one minute, the display will automatically resume stepping through existing events.
Each time a STEP switch is pressed, the digital display advances to the next higher/lower address that is also in alarm or trouble. After all addresses in alarm or trouble have been displayed, it returns to the first address and continues.
Loop Fault LED and RESET
NFPA Style 6 field wiring may be used to ensure full operation in the event of a single break in the loop wiring. When set for Style 6, the AIM-200 latches a wire failure and then must be manually reset to re-test and clear the fault. When the loop fault is latched on, the AIM-200 turns on the yellow LOOP FAULT LED and reports trouble for all zones that are not in alarm. If there is no alarm, “LF” is placed on the digital display. The RESET switch or the System RESET clears the latch. If a loop fault still exists, the trouble will then resound and re-latch.
T-tap wiring is not allowed in the Style 6 configuration. Field wiring must be returned to the AIM-200 terminal block as illustrated in Figure 3-7.
ON-LINE LED and SKIP Switch
The green ON-LINE LED will flicker when communications occur on the interface to the CPU. The SKIP switch is used in programming the AIM-200. (See the Programming the AIM-200 section of this document.)
ENTER LED and Switch
This LED and switch are used in programming the AIM-200 (see the Programming the AIM-200 section of this document).
Display Status LED and Switch
This LED and switch are used in programming the AIM-200 (see the Programming the AIM-200 section of this document).
Automatic Detector Test
The AIM-200 automatically test all detectors on its SLC loop. This test is similar to activating a detector with a test magnet.
The module periodically commands each detector, one at a time, to respond with an appropriate alarm-like signal (pulse on the SLC loop). If the proper response is not returned, the AIM-200 will register a trouble condition for that detector. The trouble LED of the zone which that detector is mapped to will illuminate and the piezo will sound.
To determine which detector has failed the test, use the Display Status function. The status of the faulty detector will be indicated by a “U” (Unsatisfactory test) in the right digit of the display (
).
The RESET switch on the CPU must be pushed to clear the trouble status from the device. Unless the detector has been repaired or replaced, the AIM-200 will again register a trouble condition with the next device test. Each detector will be tested at least every 24 hours.
The automatic test is not conducted for modules.
Table 5-1: AIM-200 Event Codes
| Device Type | Status | |
| Photo Detector | Normal, med. sensitivity | |
| Photo Detector | Normal, low sensitivity | |
| Photo Detector | Normal, high sensitivity | |
| Photo Detector | Alarm | |
| Photo Detector | Trouble | |
| Photo Detector | No answer | |
| Photo Detector | Disabled | |
| Photo Detector | Unsatisfactory (failed automatic self-test) | |
| Ion Detector | Normal, med. sensitivity | |
| Ion Detector | Normal, low sensitivity | |
| Ion Detector | Normal, high sensitivity | |
| Ion Detector | Alarm | |
| Ion Detector | Trouble | |
| Ion Detector | No answer | |
| Ion Detector | Disabled | |
| Ion Detector | Unsatisfactory (failed automatic self-test) | |
| Heat Detector | Normal | |
| Heat Detector | Alarm | |
| Heat Detector | Trouble | |
| Heat Detector | No answer | |
| Heat Detector | Disabled | |
| Heat Detector | Unsatisfactory (failed automatic self-test) | |
| Monitor Module | Normal | |
| Monitor Module | Alarm | |
| Monitor Module | Trouble | |
| Monitor Module | No answer | |
| Monitor Module | Disabled | |
| Control Module (NAC) | Normal | |
| Control Module (NAC) | Alarm output | |
| Control Module (NAC) | Trouble | |
| Control Module (NAC) | No answer | |
| Control Module (NAC) | Disabled | |
| Control Module (Relay) | Open (OFF) | |
| Control Module (Relay) | Closed (ON) | |
| Control Module (Relay) | Trouble | |
| Control Module (Relay) | Disabled | |
| Line Fault (Style 6) | ||
| CPU loss of communication | ||
| Enter Password | ||
| Auto Program |
Note:
Invalid device type =
(left digit)
Maintenance Alert =
(left digit)
Appendix A: Operating Control Modules
Optional CMX-2 control modules can be installed on the AIM-200 addressable loop. When using one or more CMX-2s, four types of control options are available: General Alarm, Control-by-Zone, Control-by-Module, and Control-by-Detector. The CMX-2 zone mapping and address assignments required for each control option are described below.
General Alarm – To set up General Alarm, set CMX-2 module address in the range of 01-59 and ensure that it has not been mapped to any zones. If an alarm occurs on the alarm bus (see Figure 3-3 for wiring information), the CMX-2 will be activated. This type of control can also be executed using the manual switch on the CPU board alarm relay (manual evacuation).
| Alarm From | CMX Address | CMXMapped to Zone(s)? | Results |
| Alarm Bus | 01-59 | No | CMX will be activated if not mapped to any zone. |
Control-by-Zone – Control-by-Zone is suited for control-by-floor and floor above/floor below applications. No special treatment is required to execute Control-by-Zone. If the AIM-200 detects an alarm from an intelligent detector or addressable monitor module, it activates which ever zone(s) are mapped to this device. All CMX-2 modules assigned to the alarmed zone(s) will be activated.
| Alarm From | Detector or Monitor Module Address | CMX-1 Address | Results |
| Detector or Monitor Module | 01-99 | 01-99 | CMX-2 will be activated if mapped to the same zone as the alarmed device. |
Control-by-Module – Control-by-Module is a useful function for Air Handling Units (AHUs) controlled by 4-wire duct detectors. To set up Control-by-Module, set the monitor module address in the range 60-69. Ensure that a CMX-2 module exists in the address range 70-79 with the same least significant address digit as the MMX-1, MMX-101, MMX-2(s) and that the CMX-2 module has not been mapped to any zones.
| Alarm From | MMX Address | CMX Address | CMXMapped to Zone(s)? | Results |
| MMX Module | 60-69 | 70-79 | No | CMX will be activated if it shares the same least significant digit with the alarmed device and is not mapped to any zones. |
Control-by-Detector – Control-by-Detector is a useful function for activating sounders in the same room or location as the alarmed intelligent detector. To set up Control-by-Detector, set detector address in the range 80-99. Ensure that a CMX-2 module exists with the same address as the detector, and that the CMX-2 has not been mapped to any zones.
| Alarm From | Detector Address | CMX-2 Address | CMX-2 Mapped to Zone(s)? | Results |
| Detector | 80-99 | Same as detector | No | CMX will be activated if it shares the address of the alarmed device and is not mapped to any zone. |
General CMX-2 Trouble – CMX-2 modules programmed for General Alarm, Control-by-Module, or Control-by-Detector do not have a zone assignment. If a trouble occurs on one of these devices, it is reported as trouble on Zone 1.
Non-Silenceable Notification Appliance Circuit – An CMX-2 configured as a Notification Appliance Circuit (tabs intact) can be programmed in AIM-200 memory as a Form-C module. The module will still function as a supervised notification appliance circuit, but will be non-silenceable. This feature is suitable in applications that require strobe lights to continue flashing after the signals have been silenced during an alarm.
Non-Silenceable Form-C Relays – A CMX-2 configured as a Form-C Relay (type
) cannot be silenced by the SIGNAL SILENCE switch on the CPU. These modules, regardless of their mapping assignments, can only be silenced by the RESET switch on the CPU.
Supervisory Zones – This supervisory monitoring function (tamper valves, etc.) is transparent to the AIM-200. This programming selection is performed at the CPU.
Alarm Verification – The AIM-200 performs alarm verification if this feature is programmed at the CPU. Verification delays are performed for alarms from detectors only.
Waterflow Zones – This System 5000 function (non-silenceable alarm) is transparent to the AIM-200. If used, the installer should assign only flow switches to the zone.
Walk Test – The AIM module will perform a single-person test of all devices as follows:
- Disable all eight AIM-200 zones using the DISABLE/ENABLE control on the CPU.
- Disable all CMX-2 modules on the AIM-200 by entering Program Edit mode and selecting the
code for each module. Remove the programming key. - Reset the system. (The remainder of the system, including other AIM-200s, continues to provide fire protection.)
- Activate (alarm) each initiating device on the AIM-200.
- Return to the panel and verify that the AIM-200 2 digit display is stepping through all devices that were alarmed.
- Reset the system and enable all eight AIM-200 zones.
- Enable all CMX-2 modules on the AIM-200. Be sure to select the proper type.
- Reset the system.
Alarm Bus – The alarm bus is implemented with a two wire daisy chain that connects to each AIM-200. It is used to provide a manual evacuation control of CMX-2 modules and to manually silence these modules; for general alarm control functions, and to provide a backup connection between multiple AIM-200s so that the panel may still function in general alarm even if the CPU fails.
General Alarm Service – CMX-2 modules will be activated under a general alarm condition provided that the module address is set to “59” or below and the module is not mapped to any zone. In addition, the alarm bus cable must be connected between the CPU and the AIM-200 (see Figure 3-3). This connection puts the normally open contacts of the CPU Alarm Relay across the pin connector on the AIM-200. When an alarm occurs, the alarm relay changes state, closing the connection to the AIM-200 and signaling a general alarm condition.
Note: The CPU alarm relay is dedicated to this function and should not be connected to other circuits.
To ensure that general alarm functions properly, adhere to the following:
- The CPU default program automatically maps the Form-C alarm relay to all initiating zones in the system. While this is a default map, the AIM- programmer should ensure that this relay is indeed mapped to all initiating circuits, including the eight zones on each AIM. This guarantees that any alarm in the system will activate the alarm relay, which will in turn signal a general alarm throughout all AIMs on the alarm bus connection.
- The alarm relay must be programmed as a non-coded point. If it is not, the alarm relay contacts will pulse general alarm bus connection, causing the AIM-200(s) to oscillate in and out of alarm.
- The CPU alarm relay must be programmed as silenceable, permitting the silencing of general alarm modules with software type
(see Figure A-1).
Backup Alarm Bus – The interconnection of alarm bus cables between each AIM-200 provides backup general alarm capability in the event of communications failure with the CPU. Under this condition, the following events will take place.
When an alarm occurs on an AIM-200, output modules mapped to the alarmed zone will be activated. The AIM-200, unable to communicate with the CPU, will assume general alarm responsibility and will close its own alarm bus cable connection. This has the same effect as a signal from the alarm relay–all AIM-200s receive an alarm bus cable closure and enter a general alarm condition.
Figure A-1: Alarm Bus Activity
Signal Silence Function – Signal Silence will only function for those CMX-2s that have been programmed as notification appliance modules (software type
) and have been programmed for general alarm service (see the General Alarm Service section of this document).
The Signal Silence function is exercised by first closing, then opening, the alarm bus cable connection. The closure occurs after initiation of an alarm—when the alarm relay changes state. The opening occurs when the SIGNAL SILENCE switch is pressed—the Alarm Relay is silenced, opening the alarm bus connection. This signals the AIM-200(s) to silence all general alarm CMX-2 modules.
Signal Silence has no effect on CMX-2 Control Modules that are Form-C (Type
), address 60 or higher, or that are mapped to any AIM-200 zone. These modules can only be silenced by the RESET switch on the CPU.
Appendix B: AIM-200 Power Requirements
Regulated Power Required in Standby
Use Table B-1 to determine the amount of current drawn by the AIM-200(s) during non-alarm conditions. Place the total standby current obtained in the Installing the System 5000 Technical Bulletin in this document when calculating secondary power standby requirements for the control panel.
Table B-1: Standby Regulated Power Requirements
| Device Type | Device Number | Current (amps) | Total Current | ||
| AIM-200* | [ ] | X | 0.050 | = | |
| Detectors and Modules CPX-551, SDX-551, FDX-551, MMX-1, MMX-101, CPX-751, SDX-751, BGX-101L MMX-2 CMX-2 | [ ] [ ] [ ] | X X X | 0.000210 0.007 0.0003 | = = = | |
| ISO-X | [ ] | X | 0.000420 | = | |
| End-of-Line Relays | [ ] | X | [ ] | = | |
| Total Standby Current = | amps | ||||
Regulated Power Required in Alarm
Use Table B-2 to determine the amount of current drawn by the AIM-200(s) in the System 5000 during an alarm. Place the Total Alarm Current obtained in the Installing the System 5000 Technical Bulletin in this manual when calculating regulated requirements in the alarm state for the control panel.
Table B-2: Alarm State Regulated Power Requirements
| Device Type | Device Number | Current (amps) | Total Current | ||
| AIM-200* | [ I | X | 0.075 | = | |
| Total AIM-200 Current (from Table B-1) | = | ||||
| Total Standby Current | = | amps | |||
* Maximum number of AIM-200s is determined by power supply loading limits in the Installing the System 5000 Technical Bulletin in this manual but may never exceed the following limits: 10 with the MPS-24A; 2 with the MPS-24B.
Appendix C: AIM-200 Point Annunciation
Note: For the following feature to be enabled, the AIM-200 requires software Part No. 73264 or higher.
The CPU can be programmed for an alternate method of annunciating the AIM-200. Up to 192 intelligent devices can be annunciated on a single AIM-200 with ACM or LDM series annunciators, or the LCD-80 Liquid Crystal Display on the RS-485 interface. The System 5000 annunciates the AIM-200 installed directly to the right of the CPU. Note that an annunciator cannot be used to execute manual ON/OFF control of intelligent AIM-200 points, only standard System 5000 zones. The option provides annunciation of up to 256 points for the System 5000, broken down as follows:

Annunciator Address 1:
8 CPU points (CPU point shift not an option).
8 unusable points.
48 points mapped to the next six modules installed in the System 5000 (which can also be AIM-200s for annunciation of their eight software zones).
Annunciator Address 2:
AIM Intelligent detectors, addressed 1-64.
Annunciator Address 3
AIM Addressable Modules, addressed 1-64.
Annunciator Address 4
AIM Intelligent detectors, addressed 65-96, followed by AIM-200 Addressable Modules, addressed 65-96.
The System 5000 Programming Manual provides programming instructions for this option.
Refer to program choice “AIM(256).”
Note:
AIM-200 detector and module Addresses 97, 98, and 99 may be used, but cannot be point-annunciated.
Table C-1: Comparison Report – AIM-200 vs. LCD-80
| Annunciator Address | AIM-200 Points | LCD-80 Points |
| “01” | 1-64 system points | Jan-64 |
| “02” | 1-64 AIM detectors | 65-128 |
| “03” | 1-64 AIM modules | 129-192 |
| “04” | 65-96 AIM detectors 65-96 AIM modules | 193-224 225-256 |
NOTES
www.PDF-Zoo.com
firealarmresources.com
12 Clintonville Road
Northford, CT 06472
Phone: 203-484-7161
Fax: 203-484-7118



















