INSTALLATION INSTRUCTION SHEET
MPG-3SC-R22 Metering Pulse Generator
MPG-3SC-R22 Metering Pulse Generator
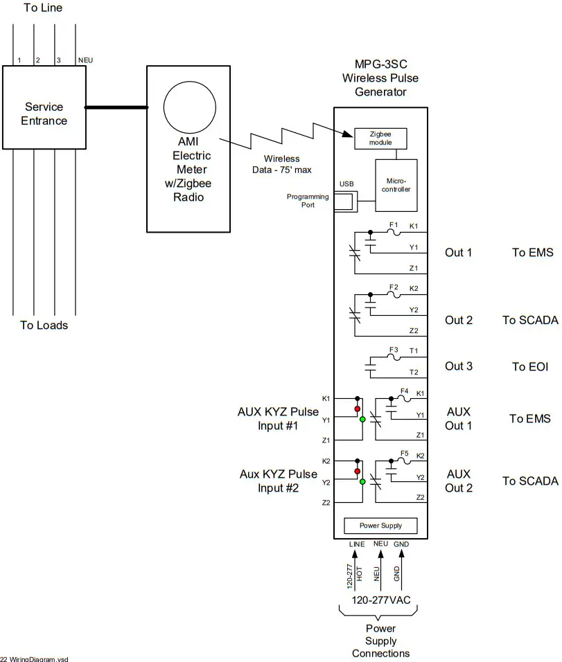
MOUNTING POSITION – The MPG-3SC-R22 can be mounted in any position. Four mounting holes are provided. The MPG3SC-R22 has a non-metallic NEMA 4X enclosure so wireless RF transmissions can be sent to and received from the meter without interference. The MPG-3SC-R22 must be mounted within about 75 feet of your meter. Distances vary with building construction and proximity to the meter. For best results, mount as close to the meter as possible. The pulse output lines from the MPG-3SC-R22 may be run longer distances, but the MPG-3SC-R22 should have uninterrupted line-of-sight access to the greatest extent possible for best results. Choose a mounting location that will not have any metallic parts — moving or stationary – that can affect the RF communications.
POWER INPUT – The MPG-3SC-R22 is powered by an AC voltage of between 90 and 300 volts. Connect the AC supply’s “hot” wire to the LINE terminal. Connect the NEU terminal to the AC supply’s “neutral” wire. Connect GND to electrical system Ground.
The GND Terminal MUST be ground.
CAUTION: Wire Phase to Neutral only, NOT Phase to Phase.
METER DATA INPUT – The MPG-3SC-R22 receives data from a Zigbee-equipped AMI electric meter that has been paired with the MPG-3SC’s Zigbee receiver module. The Zigbee receiver module must be paired with the meter before the MPG-3SC can be used. Once paired, the MPG-3SC starts receiving demand information from the meter. (See Page 3.)
AUXILIARY PULSE ISOLATION RELAY – The MPG-3SC-R22 incorporates a 2-in/2-out Pulse Isolation Relay similar to the RPR22PS or SPR-22. Hardwired KYZ Pulses – Form A or Form C – can be connected from the electric meter to the MPG-3SC-R22’s
AUX KYZ pulse inputs for any kind of KYZ pulse. Two Form C outputs are available for connecting to customer-owned energy management systems or other telemetry devices.
OUTPUTS – Two Form C (3-wire) isolated dry-contact outputs are provided on the MPG-3SC-R22, with output terminals K1, Y1 & Z1 and K2, Y2, & Z2. In addition, the MPG-3SC-R22 contains a Form A (2-Wire) isolated, dry-contact End-Of-Interval “EOI” output for an end of interval signal. Transient suppression for the contacts of the solid-state relays is provided internally. The output loads should be limited to 500 mA at 120 VAC/VDC. Maximum power dissipation of each output is 1W. The outputs are protected by fuses F1, F2 and F5. One-half (1/2) Amp fuses (the maximum size) are supplied standard. In addition, the -R22 has two auxiliary hardwired outputs protected by Fuses F4 and F5, outputting pulse signals from the Aux Pulse Inputs #1 and #2.
OPERATION – See the following pages for a full explanation of the operation of the MPG-3SC.
MPG-3SC-R22 Wiring Diagram

| MPG-3SC-R22 Wireless Pulse Generator Wiring Diagram | REVISIONS | ||||
| NO. | DATE | DESCRIPTION | |||
| DATE ORIGINAL 04/03/23 | SCALE N/A | ||||
| LATEST REVISION | JOB NO. | CHECKED | DRAWN WHB | ||
Brayden Automation Corp./
Solid State Instruments div.
6230 Aviation Circle
Loveland, CO 80538
(970)461-9600
[email protected]
www.solidstateinstruments.com
NOTE: All References hereinafter to the MPG-3SC apply to the MPG-3SC-R22 MPG-3SC Wireless Meter Pulse Generator
Pairing the Zigbee Radio Receiver
The Zigbee Receiver Module must be paired with a Zigbee-equipped AMI electric meter. This may be accomplished either with the assistance of the utility or on their website if they have the process automated. The pairing process, generally known as “provisioning”, varies from utility to utility and not all utilities provide Zigbee radio availability in their meters. Contact your electric utility to find out how their provisioning process is accomplished. The MPG-3SC must be powered for the Zigbee module to be paired with the meter and must be within range of the meter, usually within 75 feet, line-of-sight.
The Meter must be programmed with the Receiver Module’s MAC address (“EUI”) and Installation ID code. By being “paired”, the meter and the receiver module have created a “network”. The receiver module (Client) knows that it can only ask for and receive meter data from that particular electric meter(Server).
Before powering the MPG-3SC, install the Zigbee receiver module in the MPG-3SC’s host slot if not already mounted.
Secure with 4-40 x 1/4″ nylon mounting screw.
Power up the MPG-3SC (This assumes that the utility has already sent the MAC address and Install ID to the meter.)
Once the Receiver module has been inserted into the host slot, power up the MPG-3SC board. The RED LED on the receiver module will flash once every three seconds looking for the meter. Once it has established communications with the meter, the module’s RED LED will flash once per second indicating that Key Establishment is being performed. Once this has been completed, the RED LED will be lit continuously to indicate that the Module is joined with the meter. If this LED is not on continuously, the MPG-3SC will not receive information from the receiver module. If no valid communication is received from the module, the MPG-3SC will revert back to looking for the meter, and the LED will flash once every three seconds. The RED LED on the module MUST be lit continuously before proceeding. If it is not solidly lit, then it is not provisioned correctly with the utility’s meter. Do not proceed until this step is successfully completed.
Zigbee Module Communication Status LEDs
Upon power-up, the YELLOW Comm LED should light indicating that the Zigbee receiver module is correctly inserted, initialized and communicating with the MPG-3SC’s processor. Within about approximately 30 – 60 seconds, the GREEN comm LED should begin to blink once about every 8 to 9 seconds. This indicates that a valid transmission has been received by the receiver module and has been successfully relayed to the MPG-3SC’s processor. The Green Comm LED will continue to blink every 8-9 seconds continuously. If the Green Comm LED does not blink, that is an indication that the data transmissions from the meter are not being received, may be corrupted, or in some manner are not valid transmissions. If the Green Comm LED has been blinking reliably every 8-9 seconds for some time, then stops for a while and then restarts again, this indicates that transmissions are intermittent and sporatic, or generally means there is a problem in the receiver module’s ability to receive data reliably from the meter. To correct this, change the proximity of the MPG-3SC to the meter, move it closer to the meter if possible and eliminate any metalic obstructions between the meter and the MPG-3SC. Also check to make sure that any walls or barriers between the MPG-3SC and the meter have as little metal in them as possible. In some applications you may need line-of-sight.
Pulse Outputs
Outputs can be configured to be in the Toggle (Form C) 3-Wire mode or the Fixed (Form A) 2-Wire mode. Generally speaking, the Form C mode can be used with either 2-Wire or 3-Wire pulse receiving devices, while the Form A mode uses only a 2-Wire interface to the downstream pulse (receiving) device. The choice would depend on the application and the desired pulse format that the receiving device prefers to see.
The MPG-3SC will “spread out” the pulses over the next 10 second period if a high enough watt-hour value is received in a transmission to require that more than one pulse is generated. For example, suppose you have the Output Pulse Value of 10 wh selected. The next 8 second data transmission indicates that 24 wh have been used. Since 24 watt-hours exceeds the 10 watt-hour pulse value setting, two pulses must be generated. The first 10wh pulse will be generated immediately. About 3-5 seconds later the second 10wh pulse will be generated. The remainder of four watt-hours stays in the accumulated energy register (AER) awaiting the next transmission and the energy value of that transmission to be added to the contents of the AER. Another example: Assume 25 wh/p Output Pulse Value. Let’s say the next transmission is for 130 watt-hours. 130 is greater than 25, so 5 pulses will be outtputted over the next 7 seconds, approximately one each 1.4 seconds (7 seconds / 5 = 1.4 seconds). The remainder of 5 wh will stay in the AER awaiting the next transmission. Some trial and error may have to be done for any particular building since pulse rates will change depending on maximum load.
If the receiver module is reliably receiving data from the meter and passing it on to the MPG-3SC’s processor, then you should see the Red (and Green in the Form C output mode) output LED’s toggle each time the selected pulse value is reached, and the processor generates a pulse. If the pulse output value is too high and pulses are too slow, enter a lower pulse value. If pulses are being generated too rapidly, enter a larger pulse output value. The maximum number of pulses per second in the toggle mode is approximately 10, which means that the output’s open and closed times are about 50mS each in toggle mode. If the calculation by the MPG-3SC’s processor is for pulse output timing that exceeds 15 pulses per second, the MPG-3SC will light the RED Comm LED, indicating an overflow error, and that the pulse value is too small. It is “latched” on so that the next time you look at the MPG-3SC, the RED Comm LED will be lit. In this way, you can quickly determine if a pulse output value is too small. In the optimum application, pulses would not exceed more than one pulse per second at full scale demand. This allows a very even and “normal” pulse rate that as closely as possible resembles an actual KYZ pulse output from the meter.
Overranging the Output
As previously mentioned, if there are too many pulses calculated to be outputted in a 6-7 second interval than the MPG3SC can generate given the timing constraints, the MPG-3SC will light the RED Comm LED. In this situation, simply increase the output pulse value by entering a higher number in the Pulse Value box, then click <Save Parameters>. This LED is intended to notify the user that some pulses have been lost and a larger pulse value is needed. As load is added to a building over time, there is a greater likelihood that this may occur, especially if the pulse value is small. Be sure to consider this if/when you add load to the building. If an error condition occurs, set the Output Pulse Value for a Wh value that is double the current pulse value. Remember to change the pulse constant of your receiving device as well, since pulses will now be worth twice the value. Cycle power to the MPG-3SC to reset the RED Comm LED after increasing the pulse value.
End-of-Interval Output
The EOI Output is a (Form A) 2-Wire output that operates in the fixed mode. The MPG-3SC contains an internal time clock that keeps track of the hourly time. Intervals may be set as 1, 5 10, 15, 30 or 60 minutes. Therefore, at the end of the selected time interval, a fixed width contact closure or pulse will occur for the time specifed.
WORKING WITH THE MPG-3SC RELAY
OPERATING MODES: The MPG-3SC Meter Pulse Generator allows the outputs to be configured in either the “Toggle” or “Fixed” pulse output mode. In the Toggle mode, the outputs alternate or toggle back and forth each time a pulse is generated. This is synonomous with the classic 3-Wire Pulse metering and emulates the SPDT switch model.
Figure 1 below shows the timing diagram for the “Toggle” output mode. KY and KZ closures or continuity are always opposite of each other. In other words, when the KY terminals are closed (on), the KZ terminals are open(off). This mode is best for timing pulses to derive demand whether 2 or 3 wires are being used.
In the Fixed output mode, shown in Figure 2 below, an output pulse (K-Y closure only) is a fixed width (T1) each time the output is triggered. The pulse width (closure time) is determined by the setting of the W command. This mode is best for energy (kWh) counting systems but may not be the best for systems doing demand control where pulses are timed to derive instantaneous kW demand. The K-Z output is not used in the normal/fixed mode. However, it is used in the Signed mode. See Page 8.
In Signed mode, with a Form A output mode selected, the K-Z output pulse represents negative (or kWh received) energy. (See Page 8.)
Contact the factory for technical support at (970)461-9600.
MPG-3SC Programming
Setting the MPG-3SC’s Settings
Set the MPG-3SC’s output pulse value, the meter multiplier, the pulse mode and the pulse timing by using the USB [Type B] Programming Port on the MPG-3SC board. All system settings are configured using the USB Programming Port. Download the SSI Universal Programmer software available as a free download from the SSI website. Alternately, the MPG-3SC can be programmed using a terminal program such as TeraTerm. See “Setting up the Serial Port” on Page 9.
Programmer Startup
Before starting the program connect the USB cable btween your computer and the MPG-3SC. Make sure that the MPG3SC is powered up. Click on the SSI Universal Programmer icon on your desktop to start the program. In the upper left corner you will observe two Green simulated LEDs, one indicating that the USB cable is connected and the other that the MPG-3SC is connected to the programmer. Make sure both LED’s are “lit”.
Meter Multiplier
If the building on which you are installing the MPG-3SC has an “Instrument-Rated” electric meter, you must enter the Meter Multiplier to the MPG-3SC’s program. If the meter is a “Self-Contained” electric meter, the Meter Multiplier is 1.
If the facility’s electric metering configuration is Instrument-Rated, determine the Multiplier of the meter. In an instrumentrated metering configuration, the meter multiplier is normally the Current Transformer (“CT”) ratio, but will also include the Potential Transformer (“PT”) Ratio, if PT’s are used, usually only on larger applications. An 800 Amp to 5 Amp current transformer, for example, has a ratio of 160. Therefore, the meter multiplier on a building with 800:5A CT’s would be 160.
The Meter Multiplier is normally printed on the customer’s monthly utility bill. If you cannot find it, call your utility and ask what the meter or billing multiplier is.
Programming the Multiplier
To change the multiplier in the MPG-3SC, enter the correct Multiplier in the Meter Multipler box and click <Send Parameters>. See the main program screen on Page 10.
Pulse Value
The Output Pulse Value is the number of watt-hours that each pulse is worth. The MPG-3SC can be set from 1 Wh to 99999 Wh per pulse. Select an appropriate pulse value for your application. A good starting point is 100 Wh/pulse for larger buildings and 10 Wh/pulse for smaller buildings. You can adjust it up or down as needed. Larger facilities will require a larger pulse value to keep from overranging the MPG-3SC’s registers. Enter the number in the Pulse Value box and click <Send Parameters>.
Output Mode
The MPG-3SC has two output pulse modes, Normal or Signed. Select Normal in the Output Mode box for standard pulse output and click <Send Parameters>. If your application has bidirectional power flow see Page 8.
Output Form
The MPG-3SC allows either the legacy 3-Wire (Form C) Toggle mode or the 2-Wire (Form A) Fixed mode. The toggle mode is the classic pulse output mode that emulates the standard KYZ 3-Wire electric meter output. It toggles back and forth, to the opposite state, each time a “pulse” is generated by the MPG-3SC. Even though there are three wires (K,Y, & Z), it is common to use K and Y, or K and Z, for many two-wire systems that require or desire a generally symetrical 50/50 duty cycle pulse at any given time. The toggle mode is used for systems that are doing demand monitoring and control and need regularly spaced or “symmetrical” pulses. If you are in FORM C Toggle output pulse mode, and your pulse receiving device uses only two wires, and the pulse receiving device only counts the output’s contact closure as a pulse(not the opening), then the 3-Wire pulse value must be doubled in the Pulse Receiving Device. Red and Green Output LEDs show the pulse output status. See additional information on Page 5. Use the Output Form box, select “C” in the pulldown and click <Send Parameters>.
Use the Output Form box to enter “A” to select the FORM A Fixed mode. In the Fixed mode, only the K-Y output is used. This is the standard 2-Wire system where the output contact is normally-open until such time as a pulse is generated. When a pulse is generated, the contact is closed for the fixed time interval, in milliseconds, selected in the Form A Width box. Form A mode is generally associated with Energy (kWh) measuring systems. Select “A” in the Output Form pulldown box and click <Send Parameters>.
Set the Form A Pulse Width (Closure Time)
If you are using the MPG-3SC in the Form A (Fixed) Mode, set the output closure time or pulse width, selectable at 25ms, 50mS, 100mS, 200mS, 500mS or 1000mS (1 second) using the Foam A Width box. Upon a pulse being generated, the K-Y terminals of each output will close for the selected number of milliseconds and light the RED Output LED only. This setting applies only to the Form A output mode, and does not affect the toggle output mode. Use the shortest closure time possible that will be reliably received by the pulse receiving equipment, so as not to unnecessarily limit the output’s maximum pulse rate. Select the desired pulse width from the pulldown in the Form A Width box and click <Send Parameters>.
Energy Adjustment Algorithm
The MPG-3SC contains a high-accuracy Energy Adjustment algorithm which keeps track of the total amount of energy received in the transmissions from the meter and also the total amount of energy represented by the pulses which have been generated. Once an hour, the two values are compared and an adjustment is made if necessary to true up the energy represented by pulses to the energy reported from the meter. Set the Energy Adjustment box to Enabled and click <Send Parameters>. Once enabled, click on <Reset Odometers> to clear out any old information in the MPG-3SC’s EAA registers.
Dongle Monitor Modes
There are three dongle readout modes available on the MPG-3SC: Normal, Echo and EAA. This determines what information is shown in the monitor box on the right of the screen when you are in the monitor mode. The Normal Mode is the default and shows you the time stamp, the demand, the internal multiplier and the divisor coming from the meter every 8 seconds. Select Normal in the Dongle Mode box and click <Send Parameters>.
The Echo mode allows you to view the entire transmission string coming from the meter the way it is received by the MPG3SC’s microcontroller from the dongle in ASCII format. This mode may be useful in troubleshooting in the event of intermittent transmissions from the meter. Select Echo in the Dongle Mode box and click <Send Parameters>.
The EAA mode allows you to view the adjustments made by the Energy Adjustment Algorithm. This mode may be useful in observing how often the Accumulated Energy Register is adjusted based on differences between the number of pulses outputted and the energy accumulated from transmissions from the meter. Readouts in this mode happen very rarely so it can easily be assumed that nothing is happening. Select EAA in the Dongle Mode box and click <Send Parameters>.
Reading back all Programmable Parameters
To view the values of all programmable settings that are currently programmed into the MPG-3SC, click on <Read Parameters>. The USB serial link will return the current value of each setting if you are connected to the MPG-3SC with the SSI Universal Programmer software.
Reset All Setting to Factory Defaults
If you find that you want to reset all parameters back to the factory defaults, simply pull down the file menu and select “Reset Factory Defaults. The following parameters will default back to the factory settings as follows:
Multiplier=1
Pulse Value: 10 Wh
Viewing the Firmware Version
The version of firmware in the MPG-3SC is displayed in the upper left hand corner of the SSI Universal Programmer, and will read something similar:
Your are connected to: MPG3 V3.07
Monitoring the MPG-3SC using the SSI Universal Programmer
In addition to programming the MPG-3SC you can also monitor the communications or the data being received from the Zigbee module. Select the mode in the Dongle Mode box and click <Save Parameters> as indicated above.
Once you have made the dongle mode selection, click on the Monitor button. The left side of the SSI Universal Progarmmer will be grayed out and the Monitoring box on the right-hand side of the window will begin showing transmissions each time they are received. You cannot change settings of the MPG-3SC while the SSI Universal Programmer is in the Monitor mode.
To go back to Programming mode, click on the Stop Monitoring button.
End-Of-Interval Capability
Select the EOI Interval Length (Min) and EOI Pulse Width (mS) in their respective pulldown menus and click on <Save Parameters>. Interval Lengths are 1, 5, 10, 15, 30, or 60 minutes. Interval pulse widths are 50, 100, 250, 500, 1000, 2000, 5000, or 10000 mS.
Bi-Directional Energy Flow (Signed Mode)
If you have energy flowing in both directions in the case of distributed energy resourses (solar, wind, etc), the MPG-3SC can provide both positive and negative pulses. This is known as the Signed mode, meaning that “kWh Delivered” (from the utility to the customer) is positive or forward flow, and “kWh Received” (from the customer to the utility) is negative or reverse flow.
The Pulse Value Setting is the same for both positive and negative values.
To set the Output Mode into the MPG-3SC, enter either Normal or Signed in the Output Mode box, and press <Send Parameters>. To read what mode the MPG-3SC is currently in, press <Read Parameters>. The page will all current settings stored in the MPG-3SC.
Form C Signed mode – A positive energy value received from the meter is added to the positive Accumulated Energy Register(+AER). Negative energy values received are ignored. Only Form C toggle pulses are generated on the KYZ output for Positive energy flow. See Figure 3 below.
Form A Signed mode – A positive energy value received is added to the positive Accumulated Energy Register(+AER). A negative energy value received is added to the negative Accumulated Energy Register(-AER). When either register equals or exceeds the Pulse Value setting, a pulse of the corresponding sign is outputted on the correct line. Pulses in this mode are Form A (2-wire) “Fixed” only. K-Y pulses are Positive pulses and K-Z pulses are negative pulses. They share a common K terminal on the output. Set the pulse value using the Pulse Value box. Set the pulse width using the Form A Width box. See Figure 4 below.
In Signed mode, with a Form C output mode selected, the K-Y and K-Z output pulses represent positive (or kWh Delivered) energy; Negative (or kWh Received) energy is ignored.
In Signed mode, with a Form A output mode selected, the K-Y output pulse represents positive (or kWh Delivered) energy; K-Z output pulse represents negative (or kWh Received) energy.
Programming with a Terminal Program
The MPG-3SC can be programmed using a terminal program like Tera Term, Putty, Hyperterminal or ProComm. Set the baud rate for 57,600, 8 bit, 1 stop bit and no parity. Be sure that the Receive is set for CR+LF and turn on Local Echo.
List of MPG-3SC Commands (?)
For help in selecting or using the serial commands with the MPG-3SC, simply press the ? key. The serial link on the MPG3SC will return a full list of the commands.
mXXXXX<CR> or MXXXXX<CR> – Set multiplier (XXXXX is 1 to 99999).
pXXXXX<CR> or PXXXXX<CR> – Set pulse value, Watt-hours (XXXXX is 0 to 99999)
‘r<CR>’ or ‘R<CR>’ – Read Parameters.
‘s0<CR>’ or ‘S0<CR>’ – Set into Normal mode (positive only with Form A or C set by DIP4)
‘s1<CR>’ or ‘S1<CR>’ – Set into Signed mode (positive/negative with only Form A)
‘c0<CR>’ or ‘C0<CR>’ – Pulse Output Mode Form C Disabled (Form A Output Mode)
‘c1<CR>’ or ‘C1<CR>’ – Pulse Output Mode Form C Enabled (Form C Output Mode)
‘d0<CR>’ or ‘D0<CR>’ – Disable Dongle mode
‘d1<CR>’ or ‘D1<CR>’ – Set into Dongle Normal mode
‘d2<CR>’ or ‘D2<CR>’ – Set into Dongle Echo mode
‘wX<CR>’ or ‘WX<CR> – Set Fixed Mode Pulse (X is 0-5). (See below)
‘eX<CR>’ or ‘EX<CR>’ – Set End Of Interval, (X is 0-8), 0-Disabled
‘iX<CR>’ or ‘IX<CR>’ – Set Interval Length, (X is 1-6) (This feature not supported on MPG-3SC.)
‘aX<CR>’ or ‘AX<CR>’ – Energy Adjustment enable/disable, 0-Disabled, 1-Enable.
‘KMODYYRHRMNSC<CR>’ – Set Real Time Clock Calendar, MO-Month, DY-Day, etc.. (This feature not supported on MPG-3SC.)
‘z<CR>’ or ‘Z<CR>’ – Set Factory Defaults
‘v<CR>’ or ‘V<CR>’ – Query Firmware version
Form A Pulse Width
‘wX<CR>’ or ‘WX<CR>’ – Pulse Width in Form A mode, milliseconds – 25 to 1000mS, 100mS default; Form A Pulse Width Selections:
‘w0<CR>’ or W0<CR>’ – 25mS Closure
‘w1<CR>’ or ‘W1<CR>’ – 50mS Closure
‘w2<CR>’ or ‘W2<CR>’ – 100mS Closure
‘w3<CR>’ or ‘W3<CR>’ – 200mS Closure
‘w4<CR>’ or ‘W4<CR>’ – 500mS Closure
‘w5<CR>’ or ‘W5<CR>’ – 1000mS Closure
EOI Form A Pulse Width
‘eX<CR>’ or ‘EX<CR>’ – EOI Pulse Width in Form A mode, milliseconds – 50 to 10000mS, 1000mS default; EOI Form A Pulse Width Selections:
‘e0<CR>’ or E0<CR>’ – EOI disabled
‘e1<CR>’ or ‘E1<CR>’ – 50mS Closure
‘e2<CR>’ or ‘E2<CR>’ – 100mS Closure
‘e3<CR>’ or ‘E3<CR>’ – 250mS Closure
‘e4<CR>’ or ‘E4<CR>’ – 500mS Closure
‘e5<CR>’ or ‘E5<CR>’ – 1000mS Closure
‘e6<CR>’ or ‘E6<CR>’ – 2000mS Closure
‘e7<CR>’ or ‘E7<CR>’ – 5000mS Closure
‘e8<CR>’ or ‘E8<CR>’ – 10000mS Closure
EOI Interval Length
‘iX<CR>’ or ‘IX<CR>’ – EOI Interval Length, minutes – 1 to 60 minutes, 15 min. default; EOI Interval Length Selections:
‘i1<CR>’ or ‘I1<CR>’ – 1 Minute Interval
‘i2<CR>’ or ‘I2<CR>’ – 5 Minute Interval
‘i3<CR>’ or ‘I3<CR>’ – 10 Minute Interval
‘i4<CR>’ or ‘I4<CR>’ – 15 Minute Interval
‘i5<CR>’ or ‘I5<CR>’ – 30 Minute Interval
‘i6<CR>’ or ‘I6<CR>’ – 60 Minute Interval
‘o0<CR>’ or ‘O0<CR>’ – Reset Odometers
SSI Universal Programmer
The SSI Universal Programmer is a windows-based programming utility for the MPG Series and other SSI products. Download the SSI Universal Programmer from the SSI website at www.solidstateinstruments.com/sitepages/downloads.php. There are two versions available for download:
Windows 10 and Windows 7 64-bit Version 1.0.8.0
Windows 7 32-bit V1.0.8.0
If you are using Windows 7, check your computer first to insure you download the right version.
AUX PULSE ISOLATION RELAY INSTRUCTION SHEET
‘-R22
Elite Solid State
PULSE INPUT CONNECTIONS – Connect the K terminal of each meter which is supplying pulses to the K1in and K2in terminals. Connect each meter’s Y and Z terminals to the respective meter’s Yin and Zin input terminals of the ‘-R22.
INPUT SELECTION – The ‘-R22’s inputs may be used as either 2-Wire (Form A) or 3-Wire (Form C). Use the Kin and Yin terminsal for Form A (2-Wire), or all three terminals for Form C (3-Wire).
FUSES – The fuses are type 3AG and may be up to 1/2 Amp in size. Two 1/2 Amp fuses (F4& F5) are supplied standard with the unit unless otherwise specified.
OUTPUTS – Two 3-wire isolated outputs are provided on the ‘-R22, with AUX output terminals K1, Y1 & Z1 and K2, Y2, & Z2. Arc suppression for the contacts of the solid-state relays is provided internally. Each relay channel’s input and output are independent and isolated from the other. Inputs may be parallelled if a “splitting” or duplicating relay function is desired.
SOLID STATE INSTRUMENTS
a division of Brayden Automation Corp.
6230 Aviation Circle, Loveland Colorado 80538
Phone: (970)461-9600
E-mail: [email protected]
















