RKI 30-0960-03 Flow Through Adapters
Description
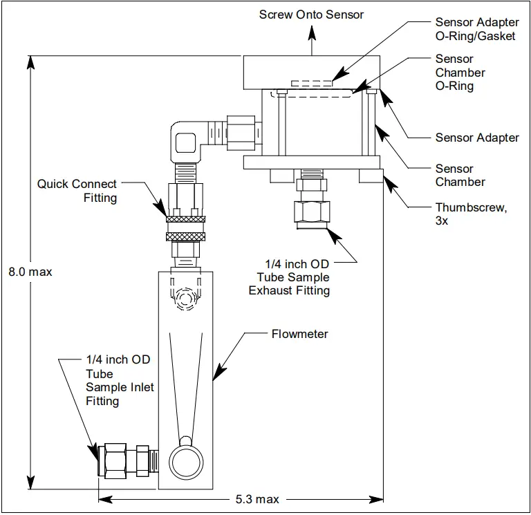
The attached detector head operator’s manual can be used in conjunction with this supplement for the 50-0960-05 flow-through adapter. The flow-through adapter includes a flowmeter, a sensor adapter, and a sensor chamber with two compression fittings.
A sensor adapter O-ring seals to the detector. A detector chamber O-ring seals the sensor chamber to the sensor adapter
A flowmeter with an adjustment valve is installed in the inlet line. The flowmeter allows you to view and adjust the flow rate through the flow-through adapter.
The detector adapter is made of PVC and the detector chamber is made of aluminum. The material of the compression fittings depends on the flow through the adapter part number. 
Installation 
Figure 1: Outline and Mounting Dimensions/Component Location
- The flow-through adapter is normally shipped uninstalled from the detector and the flowmeter is separated from the sensor adapter. Insert the fitting at the top of the flowmeter into the quick connect fitting connected to the sensor adapter. Screw the flow-through adapter onto the detector, tightening firmly by hand.
CAUTION: Make sure the flow-through adapter is installed tightly and afier installation is complete, verify that the flow-through adapter is still Tgniened Jurmy onto the detector to avoid possible leaks. - If necessary, re-orient the sensor chamber so the fitting from the sensor chamber to the flowmeter does not hit the mounting surface by unscrewing the three thumbscrews, rotating the sensor chamber, and tightening the three thumbscrews.
- Install and start up the detector head as described in the detector head operator’s manual. Make sure tne through adapter sufficient room between the detector and the mounting surface for the flow
- The inlet and exhaust fittings accept 1/4″ OD rigid tubing. The inlet fitting is located at the bottom of the flowmeter and the exhaust fitting is located on the bottom of the sensor chamber. Insert the desired length of tubing into each fitting and tighten the fittings so that the ferrules crimp onto the tubing. Tubing material options are listed below.

- Install appropriate device(s) (pump, aspirator, etc.) to draw sample to the detector. The ideal flow rate for the flow-through adapter is 3.0 SCFH. If necessary, the valve on the flowmeter can be used to adjust the tlow to 3.0 SCFH
NOTE: Be sure to use the inlet and exhaust ports as intended to ensure correct sensor response and to allow any accumulated liquid to drain out the bottom of the
flow through adapter - Calibrate the detector head as described in the attached manual and in the next section.
NOTE: Calibrate the detector head with the flow-through adapter installed to ensure an accurate reading.
Calibration
A demand tlow regulator should be used for calibration.
- Follow the calibration instructions outlined in the attached detector head manual.
- When the instructions call for applying gas, connect the cylinder.
- If the sample is drawn through the system, connect the cylinder to the inlet fitting on the flowmeter.
- lf sample is pushed through the system, connect the cylinder to the pump inlet.
- Perform a calibration as outlined in the attached detector head manual.
- When the instructions call for removing the gas, disconnect the cylinder.
Parts List
See the table below for spare parts not listed in the attached detector manual.





















