FFFFD1974-31SB
31″ French Door 17.5cf. Forno Handle VCM SS with Ice Marker
User Manual
FFFFD1974-31SB 31 Inch French Door Forno Handle VCM SS with Ice Maker
BEFORE USE, PLEASE READ AND FOLLOW ALL SAFETY RULES AND OPERATING INSTRUCTIONS.
WARNING: This product can erase you to chemicals including [Lead, Lead and lead compounds, Bisphenol A ], which is [are] known to the State of California to cause cancer and birth defects or other reproductive harm. For more information go to www.P65Warnings.ca.gov.
Customer Care
Thank you for purchasing a FORNO product. Please read the entire instruction manual before operating your new appliance for the first time. Whether you are an occasional user or an expert, it will be beneficial to familiarize yourself with the safety practices, features, operation, and care recommendations of your appliance.
Both the model and serial number are listed inside the product. For warranty purposes, you will also need the date of purchase.
Record this information below for future reference.
SERVICE INFORMATION
Model Number
Use these numbers in any correspondence or service calls concerning your product.
Serial Number
If you received a damaged product, immediately contact the dealer (or builder) that sold you the product.
Date of Purchase
Save time and money. Before you call for service, check the Troubleshooting Guide. It lists the causes of minor operating problems that you can correct yourself.
Purchase Address & Phone
SERVICE IN CANADA:
Keep the instruction manual handy to answer your questions.
If you don’t understand something or you need more assistance, please call our Customer Service: at 1-800-561-7265 Or email: [email protected]
SERVICE IN THE UNITED STATES:
Keep the instruction manual handy to answer your questions.
If you don’t understand something or you need more assistance, please call our Customer Service:
1-866-231-8893
Or email: [email protected]
If your product ever requires servicing, be sure to use a FORNO Factory Certified Service provider recommended by our customer care center. All Factory Certified Service providers are carefully selected and thoroughly trained by us.
APPLIANCE SAFETY
Your safety and the safety of others are very important.
We have provided many important safety messages in this manual and on your appliance.
Always read and obey all safety messages.
This is the Safety Alert Symbol. This symbol alerts you to potential hazards that can kill or injure you and others.
All safety messages will follow the Safety Alert Symbol and either the words “DANGER”, “WARNING” or “CAUTION”.![]()
DANGER means that failure to heed this safety instruction may result in severe personal injury or death.![]()
WARNING means that failure to heed this safety instruction may result in extensive product damage, serious personal injury, or death.
CAUTION means that failure to heed this safety statement may result in minor or moderate personal injury, or property or equipment damage.
All safety messages will alert you to what the potential hazard is, tell you how to reduce the chance of injury, and let you know what can happen if the instructions are not followed.![]()
WARNING:
May cause cancer and reproductive harm
REFRIGERANT GAS WARNINGS
DANGER – Risk of fire or explosion. The flammable refrigerant used.
DO NOT use mechanical devices to defrost the refrigerator. DO NOT puncture refrigerant tubing.
DANGER – Risk of fire or explosion. The flammable refrigerant used.
To be repaired only by trained service personnel. DO NOT puncture refrigerant tubing.
CAUTION – Risk of fire or explosion. The flammable refrigerant used.
Consult the repair manual/owner’s guide before attempting to service this product.
All safety precautions must be followed.
CAUTION – Risk of fire or explosion. Dispose of property in accordance with federal or local regulations. The flammable refrigerant used.
CAUTION – Risk of fire or explosion due to puncture of refrigerant tubing;
Follow handling instructions carefully. The flammable refrigerant used.
Follow handling instructions carefully. The flammable refrigerant used.
IMPORTANT SAFEGUARDS
![]()
Before the beverage cooler is used, it must be properly positioned and installed as described in this manual, so read the manual carefully. To reduce the risk of fire, electrical shock, or injury when using the beverage cooler, follow basic precautions, including the following:![]()
- Plug into a grounded 3-prong outlet, do not remove the grounding prong, do not use an adapter, and do not use an extension cord.
- Reinstall all panels before operating.
- It is recommended that a separate circuit, powering only your beverage cooler, be provided. Use receptacles that cannot be turned off by a switch or pull chain.
- Never clean appliance parts with flammable fluids. These fumes can create a fire hazard or explosion.
Do not store or use gasoline or other flammable vapors and liquids in the vicinity of this or any other appliance.
The fumes can create a fire hazard or explosion. - Before proceeding with cleaning and maintenance operations, make sure the unit’s power cord is unplugged.
- Do not connect or disconnect the electric plug when your hands are wet.
- Unplug the appliance or disconnect the power before cleaning or servicing. Failure to do so can result in electrical shock or death.
- Do not attempt to repair or replace any part of your appliance unless it is specifically recommended in this material.
All other servicing should be left to a qualified technician.
![]()
- Use two or more people to move and install the appliance. Failure to do so can result in an injury to the back or other parts of the body.
- To ensure proper ventilation for your appliance, the unit must be completely unobstructed. Choose a well-ventilated area with temperatures above 55ºF (13ºC) and below 90ºF (32ºC). This unit must be installed in an area protected from the elements, such as wind, rain, water spray, or sunlight.
- The appliance should not be located next to ovens, grills, or other sources of high heat.
- The appliance must be installed with all electrical, water, and drain connections in accordance with state and local codes. A standard electrical supply (115 VAC only, 60 Hz), properly grounded in accordance with the National
Electrical codes and local codes and ordinances are required. - Do not kink or pinch the appliance’s power supply cord.
- The fuse (or circuit breaker) size should be 15 amperes.
- It is important for the appliance to be leveled in order to work properly. You may need to make several adjustments to level it.
- All installations must be in accordance with local plumbing code requirements.
- Make sure that the pipes are not pinched or kinked or damaged during installation.
- Check for leaks after connection.
- Never allow children to operate, play with or crawl inside the appliance
- Do not use solvent-based cleaning agents or abrasives on the interior surface. These cleaners may damage or discolor the interior.
- Do not use this appliance for uses other than its intended purpose.
PARTS AND FEATURES

| 1 | (6)Six Refrigerator Door Bins |
| 2 | (2)Two Refrigerator Shelves |
| 3 | (1)Refrigerator LED Light |
| 4 | (2)Two Vegetable Crispers with Glass Cover |
| 5 | (1)Freezer Drawers |
| 6 | (1)Ice maker Assembly Inside the Freezer Drawer |
** Note
The section separator area contains a condensation-free heater and will be warm to the touch during the anti-condensation cycle to prevent condensation from forming between the two sections.
IMPORTANT SAFETY INSTRUCTIONS
![]()
To reduce the risk of fire, electrical shock, or injury when using your refrigerator freezer, follow these basic precautions:
- Read all instructions before using the refrigerator freezer.
- DANGER or WARNING: Risk of child entrapment. Before you throw away your old refrigerator or freezer:
– Take off the doors.
– Leave the shelves in place so that children may not easily climb inside. - Never allow children to operate, play with, or crawl inside the refrigerator freezer.
- Never clean refrigerator-freezer parts with flammable fluids. The fumes can create a fire hazard or explosion.
- Do not store or use gasoline or any other flammable vapors and liquids in the vicinity of this or any other refrigerator freezer. The fumes can create a fire or explosion hazard.
- This appliance is not intended for use by persons (including children) with reduced physical, sensory or mental capabilities, or lack of experience and knowledge unless they are being supervised or given instructions on the use of the appliance by a person who is responsible for their safety.
- Children should be supervised to ensure that they do not play with the appliance.
- If the power cord is damaged, it must be replaced by the manufacturer, its service agent, or a similarly qualified person in order to avoid a hazard.
- Do not store explosive substances such as aerosol cans with a flammable propellant in this appliance.
- WARNING: Keep ventilation openings in the appliance enclosure or the built-in structure clear of obstruction.
- WARNING: Do not use mechanical devices or other means to accelerate the defrosting process, other than those recommended by the manufacturer.
- WARNING: Do not damage the refrigerant circuit.
- WARNING: Do not use electrical appliances inside the food storage compartments of the appliance, unless they are of the type recommended by the manufacturer.
- This appliance is intended to be used in households and similar applications such as staff kitchen areas in shops, offices, and other work environments; farmhouses and by clients in hotels, motels, and other hospitality environments; bed and breakfast type environments; catering and similar non-retail applications.
- If the LED light is damaged, it must be replaced by the manufacturer, its service agent, or a similarly qualified person in order to avoid hazards.
- The new hose sets supplied with the appliance are to be used. Any old hose sets should not be re-used.
- WARNING: Connect to potable water supply only.
INSTALLATION INSTRUCTIONS
Before Using Your Appliance
- Remove the exterior and interior packaging.
- Check to be sure you have all the following parts:
1 (6)Six Refrigerator Door Bins 2 (2)Two Refrigerator Shelves 3 (1)Refrigerator LED Light 4 (2)Two Vegetable Crispers with Glass Cover 5 (1)Freezer Drawers 6 (1)Ice maker Assembly Inside the Freezer Drawer - Before connecting the unit to the power source, let it stand upright for approximately 2 hours. This will reduce the possibility of a malfunction in the cooling system due to handling during transportation.
- Clean the interior surface with lukewarm water using a soft cloth.
Installing Your Appliance
- Place your refrigerator freezer on a floor that is strong enough to support refrigerator- freezer when it is fully loaded. To level your refrigerator freezer, adjust the leveling legs at the bottom of the unit.
ALLOW TWO (2)INCHES OF SPACE BETWEEN THE BACK OF THE APPLIANCE AND THE WALL AS WELL AS A MINIMUM OF TWO (2)INCHES AT EACH SIDE OF THE UNIT AND FOUR (4) INCHES AT THE TOP, WHICH ALLOWS PROPER AIR CIRCULATION TO COOL THE COMPRESSOR AND CONDENSER.Minimum Space Allowances Top Four (4) inches Sides Two (2) inches on each side Back Two (2) inches at the back - Locate the unit away from direct sunlight and heat sources (stove, heater, radiator, etc.). Direct sunlight may affect the acrylic coating and heat sources may increase power consumption. Extreme cold room temperatures may also cause the refrigerator-freezer to not perform properly.
- Avoid placing the unit in a moist area.
- Plug the unit into an exclusive, properly-installed grounded wall outlet. Do not under any circumstances cut or remove the third (ground) prong from the power cord. Any questions concerning power and/or grounding should be directed to a certified electrician or an authorized FORNO Products service center.
Door alarm
※The appliance is equipped with an automatic alarm which indicates that one of the doors of the appliance is opened for a longer period of time.
- If one of the doors is opened for more than 1 minute, an acoustic warning signal sound.
- If the door is opened for a prolonged period of time, the acoustic warning signal will sound three times every 30 seconds.
The door alarm can also be quitted permanently by closing the corresponding door.
In order to save energy a prolonged opening of the doors should be avoided.
The fridge compartment switch is off/on
※Long press the “fridge” button for 5 seconds to set the fridge compartment on/off, when the fridge compartment is switched off, the fridge temperature digital display will go off; under the fridge, compartment switched off state, long press “fridge” button for 5 seconds to restart fridge function.
Electrical Connection
Improper use of the grounded plug can result in an electrical shock hazard. If the power cord is damaged, have it replaced by an authorized FORNO Products service center.
This appliance should be properly grounded for your safety. The power cord of this appliance is equipped with a three-prong plug, which mates with standard three-prong wall outlets to minimize the chance of electrical shock.
Do not under any circumstances cut or remove the third (ground) prong from the supplied power cord.
This appliance requires a standard 115 Volt~/60Hz electrical outlet with a three-prong ground plug.
The cord should be secured behind the appliance and not left exposed or dangling to prevent accidental injury.
Never unplug the appliance by pulling the power cord. Always grip the plug firmly and pull it straight out from the receptacle.
Do not use an extension cord with this appliance. If the power cord is too short, have a qualified electrician or service technician install an outlet near the appliance.
EXTENSION CORD
Because of potential safety hazards under certain conditions, it is strongly recommended that you do not use an extension cord with this unit. However, if you must use an extension cord it is absolutely necessary that it be a UL/CUL-Listed,3-wire grounded appliance-type extension cord with a ground plug and outlet, and that the electrical rating of the cord be 115 volts and at least 15 amperes.
SURGE PROTECTOR
Most electrical appliances use a series of electric control boards to operate. These boards are very susceptible to power surges and could be damaged or destroyed.
If the appliance is going to be used in an area or if your city/country is prone to power surges/outages; it is suggested that you use a power surge protector for all electrical devices/appliances you use. The surge protector that you select must have a surge block high enough to protect the appliance it is connected to.
If you have any questions regarding the type and size of surge protectors needed, contact a licensed electrician in your area.
Damages due to power surges are not considered a manufacturer-covered defect and will void your product warranty.
Ice Maker
This ice maker works automatically (automatic water supply, automatic production, and detaching of ice cubes), therefore there is no need to supply water manually. When the ice cube storage is full, the sensor rod will automatically send a signal to the machine to stop making ice.![]()
- Do not place your hand on the mechanical part of the ice maker (above the ice-making tray).
Doing so may result in injury. - To avoid electric shock, which can cause death or severe personal injury, disconnect the refrigerator from electrical power before connecting a water supply line to the refrigerator.
![]()
- The ice maker kit should be installed only by an authorized service technician.
- Connect the ice maker to a drinkable water supply only.
- DO NOT install water supply tubing in areas where temperatures fall below freezing.
- If the water supply is from a water softener, ensure that the softener is maintained and working properly. Chemicals from a malfunctioning softener can damage the ice maker.
Tips
- If the ice maker will be turned off for a long period of time, turn the water supply valve to the closed position.
- Switch off the ice maker when cleaning the freezer or during short vacations.
- It takes approximately 24 hours for the ice maker to start producing normal ice cubes. Air in new plumbing lines may cause the ice maker to cycle two or three times before making a full tray of ice. New plumbing may cause ice to be discolored or to have poor flavor during the first 24 hours.
Making Ice Cubes
- Make sure to disconnect the refrigerator from the electrical power supply before installing the water supply pipes properly according to the installation manual. Once the water supply is connected properly, connect the refrigerator to the electrical power supply.
- The ice maker is set to OFF by default. When needed, set it to ON according to the instructional diagram on the machine’s cover.
- The time needed to make ice will vary according to room temperature, water type, amount, and temperature of the water inside the ice-making tray, as well as the machine’s status.
- The size of the ice cubes will vary according to the amount of water inside the ice storage box.
- The ice cubes will stick together or become smaller when stored for extended periods of time.
- Be careful not to injure your hand when breaking apart ice cubes that are stuck together.
Before Installing the Water Supply Line, You Will Need:
(WARNING: Connect to drinkable water supply only.)
Access to a household cold water line with water pressure between 30 and 100 psi (2 and 6.9 bar).
• A shutoff valve to connect the water supply line to your household water system.
DO NOT use a self-piercing type shutoff valve.
To Connect Water Supply Line to the Ice maker Inlet Valve
- Disconnect the refrigerator from the electrical power supply.
- Remove all installation accessories (water pipe, connector, washer, clip) from inside the refrigerator.
- Tighten all connections where they might leak, and turn on the water supply at the shutoff valve.
- Reconnect the refrigerator to the electrical power supply.
- To turn the ice maker on, lower the signal wire arm. (Refer to the front cover of the ice maker for the arm’s on/off positions).
Tips
The ice maker will work normally only when its sensor detects the environment temperature to reach -13°C.
When the first time the refrigerator is plugged in, after 8-24 hours(depending on the amount of food stored in the refrigerator), the ice maker will start to work normally when it is at the ON position. After the ice maker has been working for 72 hours, the storage tray will be full of ice-cube.
OPERATING YOUR APPLIANCE
Sabbath Mode
- Enter Sabbath mode:
when the freezer is open, press and hold the “Fridge” button + the “Lock” button for 10 seconds; - In Sabbath mode:
• There is no door-opening alarm;
• The LED lights in both the refrigerator and freezer compartment are off;
• The display panel cannot adjust manually and does not display;
• The refrigerator meets the normal refrigeration demand; - How to exit Sabbath mode:
• When the freezer is open, press and hold the “Fridge” button + the “Lock” button for 10 seconds to exit manually;
• When the working time of Sabbath mode exceeds 80 hours, it will automatically exit.
The default is Fahrenheit when the power is on.
Press the “MODE” button for 5 seconds, to switch between °C and °F.
Other buttons use the same method to switch between two modes.
Set temperature range: Celsius degree mode
- Fridge temperature range: 0~6℃ (Default value 3℃)
- Freezer temperature range: -23~-15℃ (Default value -19℃)
Set temperature range: Fahrenheit degree mode
- Fridge temperature range: 32~43°F (Default value 38°F)
- Freezer temperature range: -10~5°F (Default value -2°F)
• CONTROL PANEL – CHILD LOCK
The CONTROL PANEL LOCK is designed to prevent any changes to the settings of the refrigerator.
To enable the CHILD LOCK, press the LOCK button, and the CHILD LOCK icon will turn on.
The control panel will be locked until unlocked at the control panel or there is a loss of power.
To disable the CHILD LOCK, press and hold the lock button for approximately 3 seconds until the LOCK icon turns off and the control panel is working in normal operation mode.
• CONTROL PANEL – STANDBY
The CONTROL PANEL will go dark after approximately 20 seconds of no activity.
To reactivate the display, simply press any of the buttons on the control panel.
Setting the Temperature Control
- Your unit has one control for regulating the temperature. The temperature control is located on the outside of the refrigerator compartment door.
- The first time you turn the unit on, the unit will start at the factory-set default temperature, which is 38ºF in the refrigerator compartment and -02ºF in the freezer compartment.
- The first time you turn the unit on, adjust the temperature in the refrigerator compartment to 34ºF and run for at least 4 hours before placing food inside. This will ensure that the freezer compartment is thoroughly chilled and the refrigerator compartment is stabilized before food is placed inside. Then adjust the temperature setting to your desired setting.
- To adjust the temperature in each zone, press the appropriate zone button, and the selected zone will flash on and off. The temperature will change according to the pre-set temperatures as shown below. You will hear a bell chime with each press of the control panel buttons.
PRE-PROGRAMMED FUNCTIONS:
- FAST FREEZE MODE
This mode will set the freezer temperature to -10ºF for a quick drop in temperature when storing large amounts of warm or room-temperature foods in the freezer.
The unit will remain in FAST FREEZE mode for 24 hours or until the temperature reaches -10ºF and will then return to the original setting, or until the function is turned off at the control panel. FAST COOL and FAST FREEZE can be run simultaneously.
To enable the FAST FREEZE mode, press the feature button until the FAST FREEZE icon is illuminated. The icon will remain illuminated when activated.
To disable the FAST FREEZE mode, press the function button until the FAST FREEZE icon is turned off. - FAST COOL MODE
This mode will set the refrigerator temperature to 32ºF for quick drop in temperature when storing large amounts of warm or room-temperature foods in the refrigerator. The unit will remain in the FAST COOL mode for 2 hours and 30 minutes or until the temperature reaches 32ºF and will then return to the original setting, or until the function is turned off at the control panel. Both FAST COOL and FAST FREEZE can be run together at the same time.
To enable the FAST COOL mode, press the feature button until the FAST COOL icon is illuminated.
The icon will remain illuminated when activated.
To disable the FAST COOL mode, press the function button until the FAST COOL icon is turned off. - VACATION MODE
Use this mode when leaving for long periods of time, where you will remove the large majority of the refrigerator contents but leave contents in the freezer.
Vacation mode will automatically set the refrigerator section to 43ºF and the freezer section to 5ºF. The unit will remain in VACATION MODE until the feature is deactivated at the control panel.
To enable VACATION mode, press the feature button until the VACATION icon is illuminated.
The icon will remain illuminated when activated.
To disable VACATION mode, press the function button until the VACATION icon is turned off.
NOTE:
• IF THE UNIT IS UNPLUGGED, HAS LOST POWER, OR IS TURNED OFF. YOU MUST WAIT FOR 3 TO 5 MINUTES BEFORE RESTARTING THE UNIT. IF YOU ATTEMPT TO RESTART BEFORE THIS TIME DELAY, THE REFRIGERATOR-FREEZER WILL NOT START.
NOTE:
WE DO NOT RECOMMEND INSTALLING THE REFRIGERATOR WHERE THE TEMPERATURE WILL DROP BELOW 32ºF (0ºC) OR RISE ABOVE 110ºF (43ºC). THE COMPRESSOR WILL NOT BE ABLE TO MAINTAIN PROPER TEMPERATURES INSIDE THE REFRIGERATOR.
FOR INSTALLATIONS WHERE THE TEMPERATURES WILL DROP BELOW 32º, SET THE FREEZER TEMPERATURE CONTROL TO THE “COLDEST” SETTING. THIS WILL IMPROVE THE FUNCTIONING OF THE REFRIGERATOR UNDER THESE CONDITIONS.
CARE AND MAINTENANCE
Cleaning Your Appliance
- Unplug the unit and remove the food and bins.
- Wash the inside with warm water and baking soda solution. The solution should be about 2 tablespoons of baking soda to a quart of water.
- Wash the bins with a mild detergent solution.
- The outside of the unit should be cleaned with mild detergent and warm water.
CAUTION
Failure to unplug the refrigerator freezer could result in electrical shock or personal injury.
Power Failure
• Most power failures are corrected within a few hours and should not affect the temperature of your refrigerator-freezer if you minimize the number of times the door is opened. If the power is going to be off for a longer period of time, you need to take the proper steps to protect your food.
Vacation Time
Short vacations: Leave the unit operating during vacations lasting less than three weeks.
Long vacations: If the appliance will not be used for several months, remove all food and unplug the power cord. Clean and dry the interior thoroughly. To prevent odor and mold growth, leave the door open slightly, wedging it open if necessary.
Moving Your Appliance
- Remove all food inside the appliance.
- Securely tape down all loose items inside the unit.
- Turn the leveling screws up to the base to avoid damage.
- Tape the door shut.
- Be sure the unit stays in the upright position during transportation.
Energy Saving Tips
- The unit should be located in the coolest area of the room, away from heat-producing appliances or heating ducts, and out of direct sunlight.
- Let hot foods cool to room temperature before placing them in the unit. Overloading the unit forces the compressor to run longer. Foods that freeze too slowly may lose quality or spoil.
- Be sure to wrap foods properly, and wipe containers dry before placing them in the unit. This cuts down on frost build-up inside the freezer.
- Organize and label food to reduce the frequency of door openings and extended searches for items inside the unit. Remove as many items as needed at one time and close the door as soon as possible.
PROBLEMS WITH YOUR APPLIANCE?
You can solve many common refrigerator-freezer problems easily, saving you the cost of a possible service call. Try the suggestions below to see if you can solve the problem before calling for service.
TROUBLESHOOTING GUIDE
| PROBLEM | POSSIBLE CAUSE |
| The unit does not operate. | Not plugged in. The circuit breaker tripped or there is a blown fuse. |
| The compressor turns on and off frequently. | The room temperature is hotter than normal. A large amount of food has been added to the refrigerator – freezer. The door is being opened too often. The door is not closed completely. The temperature control is not set correctly. The door gasket does not seal properly. The refrigerator-freezer does not have the correct clearances. |
| Vibrations. | Check to make sure that the refrigerator-freezer is level. |
| The unit seems to make too much noise. | The rattling noise may come from the flow of refrigerant, which is normal. As each cycle ends, you may hear gurgling sounds caused by the flow of refrigerant in your refrigerator – freezer. Contraction and expansion of the inside walls may cause popping and crackling noises. The unit is not level. |
| The door will not close properly. | The unit is not level. The door is reversed and not properly installed. The gasket is dirty. The bins are out of alignment. |
| The section separator seems to be warm to the touch. | This is normal. The section separator area contains an anti-condensation heater and will be warm to the touch during the anti-condensation cycle to prevent condensation from forming between the two sections. |
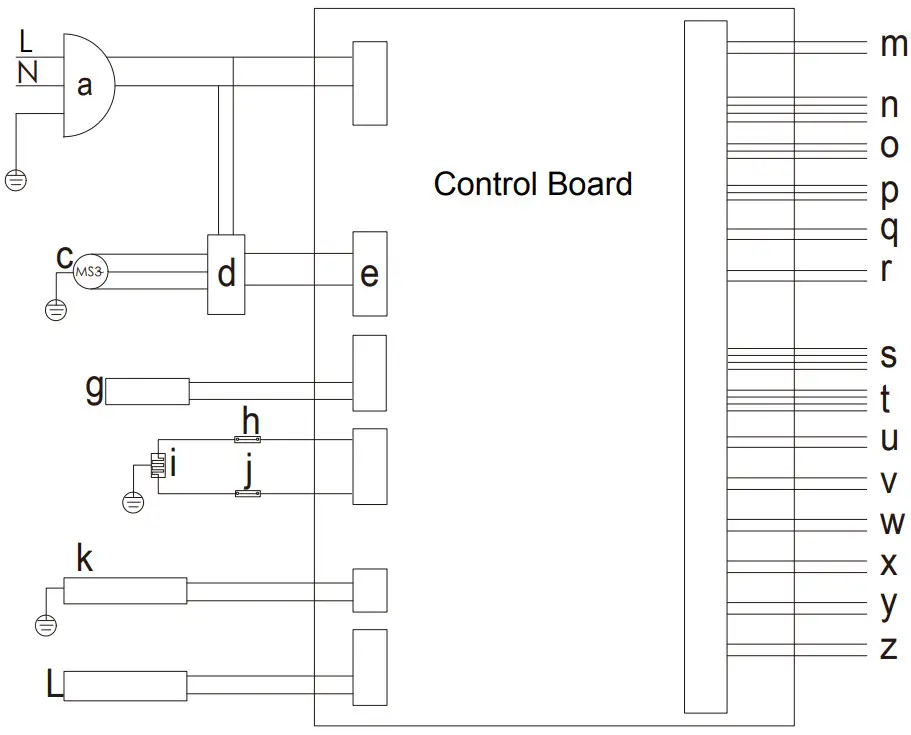
WIRING DIAGRAM

| a-Power c-Compressor d-Inverter e-Signal g-Ice water valve h-Protector i-Def. Heater j-Protector k-Ice Maker | L-Piller Heater m-Water inlet pipe heater n-Stepping motor o-C.Fan p-F.Fan q-R.Lamp r-F.Lamp s-Display board t-Temp. And Humidity Snr | u-R. Snr v-F. Snr w-Def. Snr x-RL.door switch y-RR.door switch z-F.door switch |




















