
224559 MicroSpeed Male
Connector Instructions
224559 MicroSpeed Male Connector
![]() | ![]() |
Performance Level 1
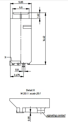
Mating Area gold plating
Terminal Area 4-6 jum tin plating
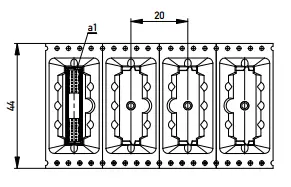
Coplanarity Area of Termination 3 8.1mm
Verpackt im Gurt in Anlehnung an DIN IEC 60286-3
tape on reel packaging according to DIN IEC 60286-3
Verpackungseinheit: 170 Stick
packaging unit: 170 pcs
Abspulrichtung – Reel off Direction
| Information: | Tolerances | AU Dimensions in mm | Scale 5:1 | |||||
| All rights reserved. Only for Information. To ensure that this is the latest version of this drawing. please contact one of the ERNI companies before using. | Subject to modification without prior notice. The drawing will not be updated. | Designation Messerteiste 9mm SMD. 50 potig Male 9mm SAID 50 contacts | ||||||
| www.ERNI.com | 224559 | I | ||||||
| I | 1. | A3 | ||||||
| Index | Dale | Class SPEED | ||||||
Copyright by ERNI Production GmbH & Co. KG
Proprietary notice pursuant to ISO 16016 to be observed.





















