SM08
Advanced Composite Video Interface:
aCVi Receiver module
User Manual
Revision 0.1
17th April 2022
Revision History
| Date | Revisions | Version |
| 14-10-2021 | First Draft. | 0.1 |
Introduction
aCVi® is SingMai’s proprietary interface for transmitting high-definition video over long distances of coaxial or twisted-pair cable.
SM08 is a receiver module compatible with the aCVi® Advanced Composite Video Interface format.
SM08 accepts analogue aCVi® encoded video from both twisted pair and low-cost coaxial cable which it converts to HD-SDI format video.
SM08 supports the following HD standards: 720p-23/24/25/29/30/50/59/60Hz, 1080p23/24/25/29.97/30Hz, and 1080i-50/59.94/60Hz. Switching between standards is automatic.

The compatible aCVi® transmitter for the SM08 receiver is the SM06 (HD-SDI input).
Other aCVi® modules/boards include:
PT56 aCVi encoder IP core.
PT52 aCVi decoder IP core.
SM02 aCVi video test pattern generator.
SM07 aCVi camera module
For the latest list of available modules follow this link. (https://www.singmai.com/aCVi.html)
aCVi Overview
The following is a brief overview of the aCVi® revision 2 interfaces (abbreviated to aCVi® in this document).
aCVi® is a proprietary format, developed by SingMai Electronics, to transmit high-definition video over long distances of coaxial or twisted pair cable. aCVi® is an update to the previous version, specifically designed to interface directly to image sensors, although it may also be used to transmit conventional video sources.
A single-chip image sensor, as found in almost all non-broadcast cameras, uses a colour filter to ‘assign’ each sensor pixel one of the red, green or blue sensitivities. Because green is where the human eye is most sensitive, there are twice as many green pixels as red and blue (see Figure 2). This means that if your sensor has a horizontal array of 1920 pixels, only 960 of them are green, red or blue pixels, and for the red and blue pixels, each horizontal line is either red or blue. So, the actual resolution of the sensor to each colour is for green, 960 x 1080 pixels, and for red and blue, 960 x 540 pixels. (A broadcast camera will use three optically aligned sensors, each offering 1920 x 1080 pixels for the three colours). If we refer to the full resolution as 4:4:4 sampled, a single image sensor actually produces a 2:2:0 output.
To conform with video standards (e.g. 1920 x 1080) the additional pixels are interpolated (a technique known as Bayer de-mosaicing) and this function is usually performed in the camera ISP (Image Signal Processor). However, this process can produce artifacts in the image (for example see the color artifacts on the white fence in Figure 3), and also, because it generates more than double the number of original pixels, it more than doubles the bandwidth of the output signal, which exacerbates the problem if the video is required to transmitted long distances.
aCVi® interfaces directly to the single-chip image sensor and transmits the RAW 2:2:0 resolution image directly, thereby reducing by more than half the bandwidth of the transmitted signal and achieving higher resolution, lower noise, and greater distances.

If required, aCVi® may transmit bi-directional data and the interface is also compatible with power over coax.
The available aCVi® modules are shown in Figure 4. SM07 is an aCVi® camera module that uses a high-definition Sony sensor. The SM06 provides an aCVi® transmitter for HD-SDI video sources and simultaneously drives both coaxial and twisted-pair cables.
The receiver module is the SM08. This module accepts either twisted-pair or coaxial cable and converts the aCVi® video to an HD-SDI output for a TV monitor or video recorder.
aCVi® is designed to interface directly to the image sensor. Functions of the ISP are limited to missing pixel detection, black level restoration, auto iris (if required), etc. and these are integrated into the aCVi® transmitter, negating the need for a conventional camera ISP. The RAW red, green, and blue data from the image sensor are transmitted directly with no requirement for the Bayer de-mosaicing, thereby halving the required transmission bandwidth with no additional artifacts being transmitted.
Because the RAW image data only needs to simultaneously transmit green and either red or blue, we can modulate this data onto a single carrier in quadrature. For video standards up to 1080p/30Hz (74.25MHz sampling) we only need a bandwidth of 15MHz to retain full resolution from the sensor. The synchronization signals are sent on a (non-mathematically related) carrier. The spectrum of the aCVi® signal is shown in Figure 5. The full image sensor resolution can therefore be sent within a 37MHz bandwidth, allowing relatively low-cost ADCs and DACs.
aCVi® also has provision for another low-frequency carrier for data to be sent from the receiver to the transmitter, for example for camera control functions such as pan and tilt. The modulation method employed by aCVi® means that there is no low frequency or DC component to the signal, allowing power-over-coaxial to be employed. Also, the receiver analog front end can be simplified as the signal can be AC coupled with no requirement for clamping.
The output of the aCVi® receiver is 2:2:2 sampled RGB. This can be recorded directly by the MPEG encoder (either as 2:2:2 or 2:2:0) thereby halving the amount of data that needs to be recorded for the same image quality (or better image quality as we have less artifacts and noise) and doubling the recorded time for the same bit rate and memory size. The only requirement for image conversion is for display (because of monitor compatibility reasons); image processing (feature analysis such as number plate or face recognition) can be performed on the RAW data.
aCVi® is also compatible with ‘conventional’ video input formats where it is not interfaced directly to an image sensor and this is the interface employed by the SM02. In this case the luma (Y) signal is bandwidth limited to 15MHz, and the R-Y and B-Y signals (also at 15MHz bandwidth) are sent line sequentially.
The supported aCVi® video formats are shown in Table 1.
| Standard | Pixels/line | Line frequency | Clock frequency | Horizontal sync width (clocks) | Broad pulse start position (clocks) | Broad pulse end position (clocks) | Burst gate start position (clock periods) | Video Subcarrier frequency | Sync Subcarrier frequency |
| 720p/23Hz | 4125 | 17.982kHz | 74.18MHz | 80 | 296 | 3755 | 151 | 19.465534MHz | 10.471528MHz |
| 720p/24Hz | 4125 | 18.000kHz | 74.25MHz | 80 | 296 | 3755 | 151 | 19.503MHz | 10.500000MHz |
| 720p/25Hz | 3960 | 18.750kHz | 74.25MHz | 80 | 296 | 3590 | 151 | 19.509375MHz | 10.50625MHz |
| 720p/29Hz | 3300 | 22.477kHz | 74.18MHz | 80 | 296 | 2930 | 151 | 19.454296MHz | 10.482018MHz |
| 720p/30Hz | 3300 | 22.500kHz | 74.25MHz | 80 | 296 | 2930 | 151 | 19.49625MHz | 10.500000MHz |
| 720p/50Hz | 1980 | 37.500kHz | 74.25MHz | 80 | 296 | 1610 | 151 | 19.51875MHz | 10.5125MHz |
| 720p/59Hz | 1650 | 44.955kHz | 74.18MHz | 80 | 296 | 1280 | 151 | 19.420579MHz | 10.489510MHz |
| 720p/60Hz | 1650 | 45.000kHz | 74.25MHz | 80 | 296 | 1280 | 151 | 19.5075MHz | 10.500000MHz |
| 1080p/23Hz | 2750 | 26.973kHz | 74.18MHz | 80 | 236 | 1920 | 121 | 19.461039MHz | 10.474525MHz |
| 1080p/24Hz | 2750 | 27.000kHz | 74.25MHz | 80 | 236 | 1920 | 121 | 19.5075MHz | 10.485MHz |
| 1080p/25Hz | 2640 | 28.125kHz | 74.25MHz | 80 | 236 | 1920 | 121 | 19.5046875MHz | 10.500000MHz |
| 1080p/29Hz | 2200 | 33.716kHz | 74.18MHz | 80 | 236 | 1920 | 121 | 19.471154MHz | 10.463287MHz |
| 1080p/30Hz | 2200 | 33.750kHz | 74.25MHz | 80 | 236 | 1920 | 121 | 19.490625MHz | 10.5075MHz |
| 1080i/50Hz | 2640 | 28.125kHz | 74.25MHz | 80 | 236 | 1060 | 121 | 19.5046875MHz | 10.500000MHz |
| 1080i/59Hz | 2200 | 33.716kHz | 74.18MHz | 80 | 236 | 1060 | 121 | 19.471154MHz | 10.463287MHz |
| 1080i/60Hz | 2200 | 33.750kHz | 74.25MHz | 80 | 236 | 1060 | 121 | 19.490625MHz | 10.5075MHz |
Table 1 aCVi® supported video standards.
| Standard | Pixels/line | Equalising Pulse width (clocks) | Half line start position (clocks) | 2nd Sync width (clocks) | 2nd Broad pulse start position (clocks) | 2nd Broad pulse end position (clocks) |
| 1080i/50Hz | 2640 | 80 | 1320 | 80 | 1556 | 2380 |
| 1080i/59Hz | 2200 | 80 | 1100 | 80 | 1326 | 2150 |
| 1080i/60Hz | 2200 | 80 | 1100 | 80 | 1326 | 2150 |
Table 2 aCVi® supported video standards (interlaced standards).
Connecting up the module
The SM08 module is powered by a universal input (90-260VAC) AC-DC adaptor (see Appendix A for the power supply specification). The 5VDC, 12W output of this adaptor should be connected to the jack input, ‘+5V IN’, of the SM08. Once connected, the green LED, ‘FPGA OK’ should light, indicating the FPGA has been correctly configured and the module is running.
Figure 6 shows the interconnections for SM08.

The video input is connected to either the coaxial BNC connector or the RJ-45 style twisted-pair connector. Do not connect both cable-type inputs at the same time. aCVi® assumes the UTP cable connections are ‘straight’ so both the transmitter and receiver use pin 1 for the ‘VIDEO+’ (noninverted) signal, and pin 2 ‘VIDEO-‘(inverted) signal.
If the aCVi® input is valid and can be locked to, the yellow ‘Lock’ LED will light – the SM08 automatically detects the input video standard. Once the aCVi® decoder has locked and is decoding the yellow ‘SDI lock LED’ should light, indicating the HD-SDI output is valid. The HD-SDI video can then be connected to a video monitor or video recorder.
Circuit description
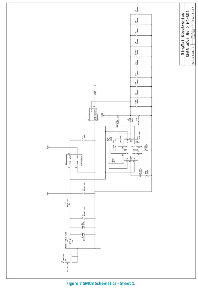
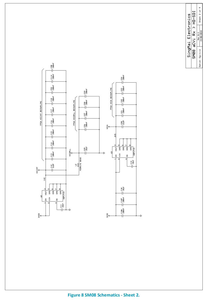
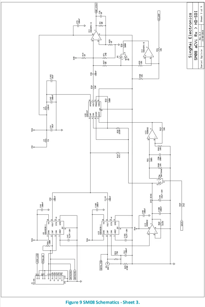
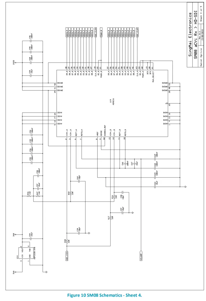
Figures 7-15 show the schematics for the SM08. Below is a brief technical description of the module.
Sheet 1.
J3 is the 5VDC power input connector to the SM08 module. The 5VDC is protected from over-voltage and reverse polarity inputs by D1, D2, and resettable fuse, F1. The input is then filtered by L1 and C2 to provide the ‘clean’ 5VDC for the analog input stage and also linear regulated by U1 and U8 to provide the 3.3VDC and 2.5VDC supply voltages. U7 provides a power-on reset for the FPGA.
Sheet 2.
U2 provides the 1.2VDC for the internal voltage of the FPGA. U3 provides the 2.5VDC for the analog PLL circuity of the FPGA and L2 and C25 filter the VCCINT for the FPGA PLL digital blocks.
Sheet 3.
Sheet 3 is the analogue front end (AFE). The aCVi® analogue video inputs may be either coaxial or twisted pair.
If twisted pair, they are terminated in 100Ω (R26) and converted from the differential to single-ended outputs by U9. If coaxial inputs they are treated as a pseudo-differential input, with the ground screen of the BNC input connector connected to the ground via R25 and C61, which affords some hum rejection for long cable runs. U15 converts this pseudo-differential input to a single-ended output. The two amplifier outputs are AC coupled and joined together; for this reason, only one cable type input should be connected at one time.
U10 is a voltage-controlled amplifier. The aCVi® decoder measures the amplitude of the synchronizing signals and compares them to an internal reference: this amplifier compensates for the signal loss in the cable. The PWM Gain signal from the FPGA is low pass filtered and used to control the gain of U10.
The output of U10 is AC coupled into U11A, which is a high input impedance, low input biases current op-amp – U11B is not used for aCVi®. The AC coupled video is set at the mid-point of the ADC operating range (1.5VDC – the ADC requires a 0.5V to 2.5V (2V pk-pk) input signal).
Sheet 4.
U19 is a dual 10-bit, 80MHz ADC. The ADC is used in single-ended mode. The clamped video from U11A is applied to the VIN+ input of both ADCs, and VIN- input is biased to mid-rail (1.5V). U14 provides the ‘clean’ 3.0V supply for the ADC. The output of the ADC, ADC[9:0] is the 2’s complement, the digital composite video which is applied directly to the aCVi decoder. The two ADCs are clocked out of phase and the outputs are multiplexed in the aCVi® decoder. This effectively produces a twice sample rate output (i.e. 74.25MHz clock produces a 148.5MHz data rate).
Sheet 5.
U4 is the FPGA. The FPGA is an Altera EP4CE15 device in a 144 pin 0.5mm TQFP package. The FPGA contains the PT52 aCVi® decoder, a SingMai PT13 control microprocessor, and the HD-SDI output encoder.
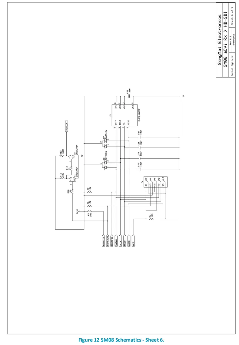
Sheet 6.
The FPGA is a volatile device and needs configuring at switch on, which it does use U5, a 4Mb EEPROM. The device is automatically configured on switch on, and successful configuration is indicated by LED, ‘FPGA OK’. The EEPROM may also be reprogrammed via J4, which is compatible with the Altera ‘USB-Blaster’ and the Quartus Programmer.
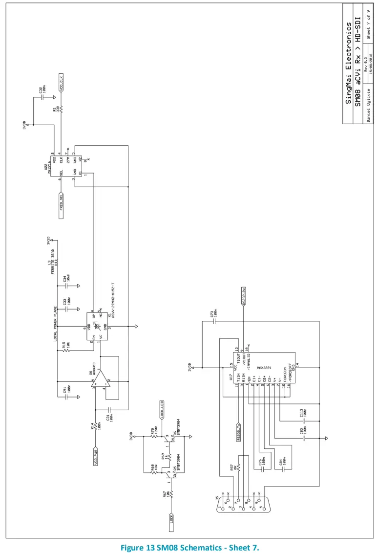
Sheet 7.
The PT52 aCVi decoder requires a line-locked clock. This is achieved using a voltage-controlled crystal oscillator, with the frequency of the oscillator controlled using a PWM output from the PT52 IP core. This output, VCO_PWM, is filtered by R14 and C31 to provide an analog voltage which is buffered by U6. The resulting 0-3.3V control voltage adjusts the frequency of the crystal voltage-controlled oscillator (VCXO), X1. The adjustment range is approximately ±150ppm. The centre frequency (1.65VDC control voltage) is 27.0MHz.
The output of the VCXO is then multiplied to 74.25MHz or 74.18MHz (to provide support for 29.97/59.94Hz formats) – selection is performed via the FREQ_SEL.
The ‘LOCK’ LED is driven from a port of the FPGA. It is lit when the aCVi® decoder status indicates that horizontal lock has been achieved and the input is a valid standard supported by the decoder.
U17 is an RS232 level translator. The RS232 data interface is not enabled at this time.
Sheet 8.
This sheet is not currently fitted.
Sheet 9.
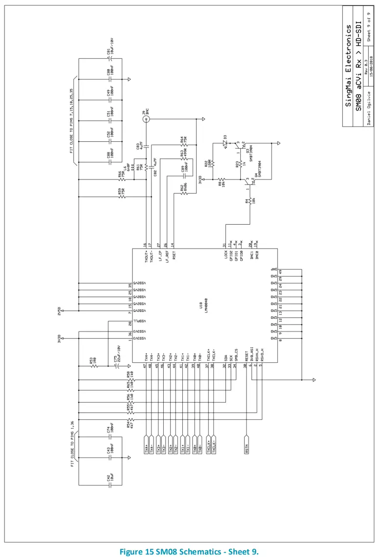
The Y, Cb, and Cr video and the Hout, Vout, and Fout synchronizing signals from the aCVi decoder are formatted into an HD-SDI signal inside the FPGA. The synchronizing signals are modified to be compatible with the HD-SDI Flag requirements and the line count is derived. The video and the timing signals (TRS) are combined and scrambled according to the HD-SDI specification and a cyclic redundancy check (CRC) is added.
The scrambled signal is then multiplexed into 5 data streams at 148.5MHz which are driven as LVDS outputs, together with an LVDS clock, to the HD-SDI serialiser IC, U18, which converts these five data signals into one 1.485GHz, HD-SDI compatible, output (J9).








Specification
| Power: | +5VDC ± 5% @ ~450mA. |
| Dimensions: | 120mm x 78mm x 27mm. |
| HD-SDI output: | SMPTE-292M, 20 bit 4:2:2 YCbCr format. |
| Video standards: | 720p/23Hz, 720p/24Hz, 720p/25Hz, 720p/29Hz, 720p/30Hz, 720p/50Hz, 720p/59Hz, 720p/60Hz, 1080p/23Hz , 1080p/25Hz, 1080p/25Hz, 1080p/29Hz, 1080p/30Hz, 1080i/50Hz, 1080i/59Hz, 1080i/60Hz. |
| Luma bandwidth: | 14MHz ± 1dB. >-50dB @ 17.6MHz. |
| Chroma bandwidth: | 14MHz ± 1dB. >-40dB @ 17.6MHz. |
| Transmission distance: | >300m of RG-59 coaxial cable. >500m RG-59 cable with reduced luma bandwidth. |
| Latency: | <100µs (transmitter HD-SDI input to receiver HD-SDI output). |
| Operating temperature: | -10° to +45°degC. |
Appendix A: Power supply specification
The AC-DC converter supplied with the SM06 is a model TE10A0503F01 from SL Power Electronics. It accepts all AC inputs from 90-264VAC and provides a 5V, 2A DC output for the SM06. The detailed specification is shown below.

FEATURES AND BENEFITS
| Universal Input 90VAC-264VAC Input Range Oesisop and Wal-Plug Versions | Neets ‘Hem Industrials levels of 0461000 EMC Requirements |
| Up to 12W of AC-DC Power | >10 Year ECap Life |
| IP22 Rated Enclosure | >1900900 Hours MTBF |
| Approved to EN/IEGU160950-1 to Edition, An2 | 3 Year Warranty |
| Meets EN55022/CISPR22, FCC Part 15109 Class B Conducted 8 Radiated Emissions, with 6db Margin | Meets DoE EffiLlen4 Level VI Requirements No Load Input Power Average Efficiency |
MODEL SELECTION
| Model Number | Volts | Output tput Current | Output Power | Ripple & Noise | Line Regulation | Load Regulation | Output Connector | Input Configuration Class I Desktop, 1E060320 C14 Receptacle |
| TE10A0503F01 | 5.OV | 2.0A | 1019 | 75mV pk-pk | 4.1S | ±5% | 25mm x 5.5mm x 9.5mm Straight Barrel Type, Center Positive | |
| TE10A0603F01 | 5.9V | 1.6A | 10W | 75mV pk-pk | ±1% | ±5% | ||
| TE10-40703F01 | 7.5V | 1.3A | 10B | 75mV pk-pk | ft% | ±5% | ||
| TE10Al203F01 | 12.OV | 1.0A | 12W | 120mV pk-pk | ±1% | ±5% | ||
| TE10A2403F01 | 24.0V | 0.5A | 12W | 240mV pk-pk | ±1% | ±5% | ||
| TE10A0503N01 | 5.OV | 2.0A | 109/ | 75mV pk-pk | ±1% | ±5% | 25mm x 5.5mm x 9.5mm Straight Barrel Type, Center Positive | Class II Desktop, IEC60320 CS Receptacle |
| TE10A0603N01 | 5.9V | 1.6A | 10W | 75mV pk-pk | 1.1% | ±5% | ||
| TE10A0703N01 | 7.5V | 1.3A | 10W | 75mV pk–pk | ±1% | ±.5% | ||
| TE10Al203N01 | 12.OV | 1.0A | 12W | 120mV pk-pk | ±1% | ±5% | ||
| TE10A2403N01 | 24.0V | 0.5A | 12W | 240mV pk-pk | ±1% | ±5% | ||
| TE10A0503Q01 | 5.OV | 2.0A | 1019 | 75mV pki* | ±1% | ±5% | 2.5mm x 5.5mm x 9.5mm Straight Barrel Type, Center Positive | Class II Desktop. lEC60320 C18 Receptacle |
| TE10A0603Q01 | 5.9V | 1.6A | 10W | 75mV pk-pk | ±1% | ±5% | ||
| TE10A0703Q01 | 7.5V | 1.3A | 10W | 75mV pk-pk | ±-1% | ±5% | ||
| TE10Al203Q01 | 12.OV | 1.0A | 12W | 120mV pk-pk | ±1% | ±5% | ||
| TE10A2403Q01 | 24.0V | 0.5A | 12W | 240mV pk-pk | ±1% | ±5% | ||
| TE10A05031301 | 5.OV | 2.0A | 10he | 75mV pk-pk | ±1% | ±5% | 25mm x 5.5mm s 9.5mm Straight Barrel Type. Center Positive | Class It Wall-Plug- Interchangeable Blades (North Blade American included) |
| TE10A06031301 | 5.9V | 1.6A | 10W | 75mV pk-pk | ±1% | ±5% | ||
| TE10A07031301 | 7.5V | 1.3A | 10W | 75mV pki* | ±1% | ±5% | ||
| TE10Al203801 | 12.OV | 1.0A | 12W | 120mV plc–pk | 4.19, | ±5% | ||
| TE10A2403B01 | 24.0V | 0.5A | 12W | 240mV pk-pk | ±1% | ±5% |
| Output Model Number Volts Current | Output Purer | Ripple Wise | Line Regulation | Load Regulation | Output Connector | Input Configuration | ||
| TE1OAD5D3001 | 5.Thir | 2.0. | 10W | 75rOf pk-pk | ±1% | ±5% | 2_5rnm xrn x 9.5mrn Straight Barrel Type, Center Positive | Clue II Wall-PI ug, Fixed North American Blades’ |
| TE1DA’D603001 | 5..9V | 1.6A | 101A1 | 75rnYpk-pk | ±1% | -15% | ||
| TEl | 1.3A | 10W | pk-pk | ±1% | -15% | |||
| TE10Al203001 | 12.0V | 1.0A | 12W | 1:20rrei pk-pk | ±1% | ±5% | ||
| TE10A2403001 | 24.V1 | 0.5A | 12W | 24OrriV pk-pk | ±1% | ±5% | ||
Notes:
- Measured et the oupxrorrecroteNdlnabe probe directly KlOTS output end load 2rrnetated witha1pFceramca d 100F low ESR capacitors. For EV end 6V relues Itstei re:Wool. 103mVO-ok mextrom n’t 0.1 uF ceramic and 47y; low ESRolosenrs used Y. rressuremenc point
- Order blade Idt Kr-1027K f c oThr blades (Es. The UK. Aunts.
- For Eu fixed Lades- reverse model ‘amber W–A tor UK Gado. replacer ‘W. for AUSVSIS replace vett 4r.
- For input Class node(r. For AC 10X ornm an e:!, tart a ‘8″ as te peel nutter where_ ts mated (TE1003533F91)
- klsrecIft.tIons eretnical Y. nomlnal %pt. Ail lost se 25’C ambient unless noted.
INPUT
| Input Voltage and Frequency | 100VAC-240VAC, .110%, 47H.-63Hz„ le |
| Input Current | 115VAC: 0.450. 230VAC: 0.28A |
| Inrush Current | 264VAC, cold start will not exceed 40A |
| Input Fuses | Fl, FT 3.150. 250VAC fuses (line & neutral lines) provided on all models |
| Earth Leakage Current | Input utpu-CND:E;500pAgtvVAAcC. : Hz, NC |
| Efficiency | Meer US DoE Efficiency Level VI Average efficiency levels |
| No Load Input Power | c0.1W per DoE Efficiency Level VI Requirements |
PROTECTION
| OverlemPerMore Protection | Will shutdown upon an overternpensture condition. Auto-recovery |
| Overload Protection | 130% to 180% of rating, Hiccup Mode |
| Overcharge Protection | 130% to 150% of output voltage, Hiccup mode |
| Short Circuit Protection | Hiccup Mode, Auto-recovery |
OUTPUT
| Output Voltage | See models on page 1 |
| Output Power | 10W to 12W continuous – See models for specific voltage model ratings |
| Turn On Time | Less than 700mS (5115VAC, full Load |
| Hold-up Time | 20mS min.. at Full Load. 100VAC input |
| Ripple and Noise | See models on pg 1 |
| Transient Response | 500ps response time for a return to within 03% of the final value for any 50% load step over the range of 5% to 100% of rated load..11i/titc 0.2A/ps. Max. voltage deviation is +/-3.5% |
| Total Load Regulation | See models on page 1 |
SAFETY
| Safety Standards | aVCSAAILPEC 60950-1 &Edition. Am 2 |
| Drop Test | 1.4m from tabletop to a wooden platform. 6 faces |
ISOLATION
| Isolation | Input-Output: 4000VAC input-Ground: 1500VAC Output-Ground: 1500VAC |
ENVIRONMENT
| Operating temperature | wart up at -au, tun Loso, mamma perms more all parameters are within published specifications) |
| Storage Temperature | -40°C to +35°C |
| Relative Humidity | 5%to 95%, non-condensing |
| Weight | 110 grams |
| Dimensions | See outline drawings |
| Temperature Derating | See derating chart |
| Operating Altitude | Operating: to 5000m. Non-operating: -500ft to 40,000ft. |
| Vibration | Operating: 0.003g/H4 1.5 grams overall 3 axes, 10 min/axis. 1 Hz-500Hz. Non-Opar.: random waveform, 3 minutes/axis. 3 axes and Sine waveform, Vib. frequency/acceleration: 10-500Hz/1g, sweep rate of 1 octave/minutes. Vibration time of 10 sweeps/axes, 3 axes |
| Shock Operating: Half-sine, 20gpk, 1OrnS, 3 axes, 6 shocks total Non-Operating: Half-sine waveform, impact acceleration of 100G, Pulse &ration of 6rnS, Number of shocks: 3 for each of the three axis | |
RELIABILITY
| MTBF | > 1O00,000 hours. full load, 110VAC & 220VAC input, 25°C amb.. per Telcordia 332 Issue 6, Stress Method |
| E.Ccp Life | >70 year life based on calculations et115VAC/60Hz & 230VAC/50Hz, ambient 25°C at 24 hours/day, 365 days year, 6 power-up cycle/daY |
All specifications are typical at nominal input, full load, at 25°C ambient unless noted.
EMI/EMC COMPLIANCE
| Conducted Emissions | EN55022/CISPR22 Class B. FCC Part 15.107, Class 13: 6db margin type, et 115VAC, and 230VAC |
| Radiated Emissions | EN55022/CISPR22 Class 8, FCC Part 15.109, Class 13: 3db margin type, et 115VAC and 230VAC |
| Electro-Static Discharge (ESD) Immunity on Power Ports | EN55024/IEC61000-4-2, Level 4:111kV contact, .0 SCV air, Criteria A |
| Radiated RF EM Fields Susceptibility | EN55022/EN61000-4-3, 10V/m, 80MHz-2.7G/k 80%AM at 1kHz |
| EFT/Burst Immunity | EN55024/IEC61000-4-4, Level A, 1.4.4kV, 100kHz rep rate. 408. Criteria A |
| Surges, Line to Line (DM), and Line to Ground (CM) | EN55024/IEC61000-4-5, Level 8. 62l& DM, 64kV CM, Criteria A |
| Conducted RF Immunity | EN55022/IEC61000-4-6, 3.6V/m – Level 4, 0.15MHz to BOMHr and 12V/m in ISM and amateur radio bends between 0.15MHz and 80MHz, 80%AM at 1kHz |
| Power Frequency Magnetic Field Immunity | EN55024/IEC1000-4-8, Level 4:30 Wm, 50Hz/60Hz |
| Voltage Dip Immunity | EN55024/IECEN61000-4-11: -100% dip for 20mS, Criteria A -100% dip for 5000mS (250/300 cries), Criteria B -60% dip for 100mS, Criteria B -30% dip for 500rnS, Criteria A |
| Harmonic Current Emissions | EN55011/EN61000-3-2, Class A |
| Flicker Teat | EN61000-3-3 |
| Common Mode Noise | High Frequency (100kHz-20MHz): <40mA pk-pk |
SM08 User Manual Revision 0.1
TE10 Oetasheet v0819
Copyright © 2019 SL Power Electmni:s Corp. All rights reserved.








Specification




















