SAVANT QP2PWL Dual 24V DC Control Relay Companion Module

Product Information and Regulatory Statement
Important Safety Information – Read First!
Before installing, configuring, or operating any equipment, all relevant technical documentation must be read, understood, and followed. Savant technical documentation may contain important product-specific installation, mounting, and safety instructions, and can be accessed through the Savant Store. Scan the QR code or visit the URL below, enter the relevant product name or SKU in the Search Savant prompt, and select the product purchased to find documents, specifications and more.
https://store.savant.com/DefaultStore/ccrz__HomePage
Safety Statements
All safety instructions below must be read, understood, and carefully followed under all applicable circumstances when working with any Savant equipment.
- Follow all input power ratings marked on product near power input!
- If fuse replacement is required, replacement fuse should match fuse rating marked on the product.
- Do not use equipment near water.
- Clean only with dry cloth.
- Do not block any ventilation openings or install near any heat sources such as heat registers, stoves, radiators, amplifiers, etc.
- Refer all servicing to qualified service personnel. Servicing is required when any part of the apparatus has been damaged in any way, or fails to operate normally for any reason.
- Use only attachments/accessories specified by the manufacturer, following all relevant safety precautions for any such attachments/accessories.
- For applicable equipment, use the included power cord with the grounding prong intact to insure proper grounding of the device.
- If the provided plug does not fit the desired outlet, contact a licensed electrician to replace the obsolete outlet.
- Protect any power cord from being walked on, pinched, strained, or otherwise potentially damaged, especially at the outlet or device connections.
- Disconnect any outlet powered apparatus from its power source during lightning storms or when unused for long periods of time.
- To completely disconnect equipment from AC mains power, disconnect the power supply cord plug from the AC receptacle on the device.
- For any hardwired or fixed in-wall apparatus, carefully follow all wiring diagrams and instructions. All electrical wiring and servicing should be performed by a properly licensed electrician.
IMPORTANT NOTES:
- For product mounting, installation, safety instructions, technical specifications, and more, refer to the product Quick Reference Guide, available via the link or QR code noted above.
- For regulatory and compliance information, see reverse of this sheet and/or product packaging.
FCC Regulations
This device complies with part 15 of the FCC Rules. Operation is subject to the following two conditions:
- This device may not cause harmful interference, and
- This device must accept any interference received, including interference that may cause undesired operation.
This equipment has been tested and found to comply with the limits for CLASS B digital devices, pursuant to Part 15 of FCC Rules. These limits are designed to provide reasonable protection against harmful interference when the equipment is operated in a residential installation. This equipment generates, uses and can radiate radio frequency energy and, if not installed and used in accordance with the instructions, may cause harmful interference to radio communications. If this equipment does cause harmful interference to radio or television reception, which can be determined by turning the equipment off and on, the user is encouraged to try correcting the interference with one or more of the following measures:
- Reorient or relocate the receiving antenna.
- Increase the separation between the equipment and the receiver.
- Connect this equipment to an outlet on a circuit different from that to which the receiver is connected.
- Consult the dealer or an experienced radio/TV technician for help.
FCC Caution
Any changes or modifications not expressly approved by the party responsible for compliance could void the user’s authority to operate this equipment. This transmitter must not be co-located or operating in conjunction with any other antenna or transmitter.
Radiation Exposure Statement – Wireless and Handheld Devices Only
This equipment complies with FCC and IC radiation exposure limits set forth for an uncontrolled environment. This equipment should be installed and operated with minimum distance of 20 cm between the radiator and your body.
FCC and IC Identifier – Devices with Integrated Screen or User Interface Only
This device electronically displays the FCC declaration of conformity logo as well as the FCC and IC identifier. This information can be found on the device by accessing: (Service menu) > About (A propos de)
IC Statement
This device complies with Industry Canada license-exempt RSS standard(s). Operation is subject to the following two conditions:
- This device may not cause interference, and
- This device must accept any interference, including interference that may cause undesired operation of the device. This Class B digital apparatus complies with Canadian ICES-003/NMB-003.
This device complies with RSS-247 of Industry Canada. Operation is subject to the condition that this device does not cause harmful interference. This device and its antenna(s) must not be co-located or operating in conjunction with any other antenna or transmitter, except tested built-in radios. The Country Code Selection feature is disabled for products marketed in the US/Canada.
Box Contents
- Dual 24V DC Control Relay Companion Module
- GPM-QP2PWL-21 QO™ w/Plug-on Neutral
- GPM-Q2PWL-21 QO™ w/Pigtail
- Product Information and Regulatory Insert (009-1950)
- Quick Reference and Installation Guide (this document)
Specifications

Descriptions

Multi-Page LCD screen that can display the following:
- Firmware, Mac Address, and Regulatory Info.
- UID of the Host that the module is communicating with.
- Real-time Bluetooth status connectivity icon.
- Real-time status of the outputs.
Manual Load Switches
Toggle to the ON position to apply 24V DC to outputs A, B, or both. Toggle to AUTO for normal operation. Switch A controls output A, Switch B controls output B.
PAIR Button
The PAIR button is a multi-use button. The duration that the button is pressed and held determines the function that gets initiated:
Press and Release
Cycles through the screens available on the LCD (INFO 1 > INFO 2).
Press and hold
Press and hold for 2 seconds to put the module into pairing mode. Press and hold for 5 seconds to reset the module. The pairing status stays intact after reset.
Input Power Connections
Connect the outputs from a 24V DC source such as the QOPLPS to inputs A and B on the module. See the Wiring section below.
120V AC Connection
Plugs into the 120V AC bus bar in the breaker panel. The voltage at this connection powers the module.
Neutral
The model number of the module determines the type of neutral connection on the module.
- Plug-On Neutral Clip (not seen in diagram) – Plugs into the plug-on neutral bar in the breaker panel.
- Pigtail Neutral – A neutral wire protrudes from the module’s rear and gets wired to the neutral bar in the breaker panel.
Features
- Can switch On and Off a Powerlink remotely controlled breaker.
- All QO™ style relay modules are compatible with Schneider/Electric Square D™ QO™ load centers.
- Dynamic remote management of loads.
- Communicates over the air using Bluetooth Low Energy (BLE) technology.
- Two load switches on the front panel can manually toggle the power to outputs A and B.
- Color LCD display for easy identifi cation and load status.
Important Information
- A separate 240V AC to 24V DC power supply such as the Schneider electric QOPLPS is needed. This power supply feeds the module with the required 24V DC.
- Each relay output can switch up to 10 amps.
- To determine the number of spaces needed in each panel, add the number of spaces required for each device described below.
- Each QOPLPS power supply requires two spaces.
- Each relay module requires two spaces.
- Each Powerlink remote controlled breaker requires two spaces.
- Savant recommends not connecting any mission-critical loads such as medical devices when interfacing with this module.
ELECTRIC SHOCK!
The 120V AC, 60 Hz source poses an electrical shock hazard that has the potential to cause serious injury to installers and end users.
CAUTION!
Risk of Electric Shock – More than one disconnect switch may be required to de-energize the device before servicing.
IMPORTANT!
A licensed electrician is required to install any of Savant’s Relay Companion Modules.

Installation into a Breaker Panel
- Switch off the breaker panel’s main breaker so no power is supplied to the panel.
- Position and install the QOPLPS power supply into the slots where it will be installed in the inCharge Module Panel. Press fi rmly until the power supply is seated onto the appropriate bus bars.
- Position and install the Relay Module into appropriate slot. Press fi rmly until fully seated onto the appropriate bus bars. This relay module is typically installed in the same panel as the power supply installed in step 2 above.
- Position and install the Powerlink remotely controlled breaker into one of the slots in the main electrical panel. Press fi rmly until the breaker is fully seated onto the appropriate bus bars.
- Make connections. Refer to the Wiring section on the next page.
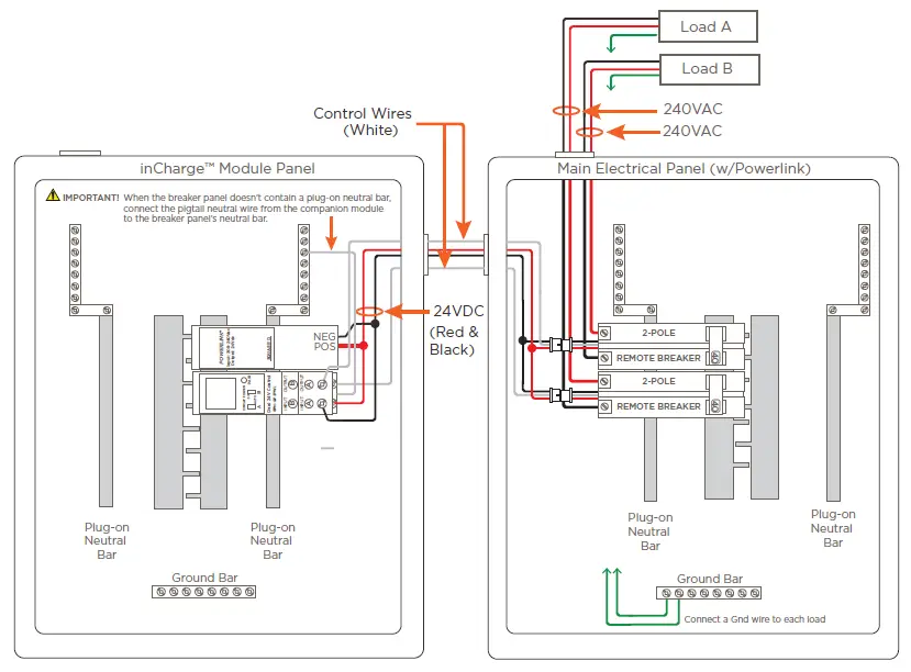
Wiring
Use the diagram below when making connections between the module, associated breakers, and load(s). Additional wiring diagrams are available in the Savant Panelized Lighting Deployment Guide available on the Savant Community.

IMPORTANT!
- When making connections, observe all general electrical practices including local wire sizing guidelines. See the Branch Circuit Minimum Size of Conductors table on the previous page.
- The GPM-Q2PWL-21 module was designed for breaker panels that don’t contain a plug-on neutral bar. This module contains a neutral wire that gets wired to the neutral bar in panels that don’t have a plug-on type neutral bar.
Additional Documentation
- Panel Bridge Controller with PoE (PBC-P1000) QRG
- Savant Panelized Lighting Deployment Guide



















