itsensor VEGA NB-12 Nb-Iot Modem with 4-20 MA Interface

| Document Information | |
| Title | NB-IoT modem with 4-20 mA interface Vega NB-12 |
| Document type | Manual – Translation from Russian |
| Document number | V02-SI11-01 |
| Revision and date | 02 – 14 July 2020 |
This document applies to the following products:
| Product name | Type number |
| Vega NB | Vega NB-12 |
Revision History
| Revision | Date | Name | Comments |
| 01 | 24.10.2019 | KEV | The first release |
| 02 | 14.07.2020 | KEV | Minor changes |
INTRODUCTION
This manual is designated for Vega NB-12 modem with 4-20 mA interface (hereinafter – the modem) manufactured by Vega-Absolute OOO and provides information on powering and activation procedure, control commands and functions of the modem.
This manual is targeted at specialists familiar with installation work fundamentals of electronic and electrical equipment.
The modem shall be installed and adjusted by qualified specialists in order to ensure proper operation of the device
Vega-Absolute OOO reserves the right to make changes to the manual related to the improvement of equipment and software, as well as to eliminate typos and inaccuracies, without prior notice.
DESCRIPTION AND OPERATION
DEVICE DESCRIPTION
Vega NB-12 modem is designed for collecting readings from devices with current loop interface 4-20 mA, with analog output or 1-Wire interface, further accumulating and transmitting of this information in NB-IoT network.
In addition, Vega NB-12 can be used as a security device – two additional inputs operate in security mode, there is also Hall sensor.
The modem can be used for any sensors and industrial equipment with interface 4-20 mA or 1-Wire such as temperature sensors, humidity sensors, pressure sensors.
The modem is may powered by one or two batteries with capacity 6400 mAh.
COMMUNICATION AND DATA COLLECTION ALGORITHM
The readings collecting from the meter with a configurable period 5, 15, 30 minutes, 1, 6, 12 or 24 hours. The readings stored in the device memory and transmitting during the next communication session with the NB-IoT network.
The adjustable data transfer period can be equal to 5, 15, 30 minutes, 1, 6, 12 and 24 hours. Data transferring in random point in time during set period. At the next communication session, the device starts sending accumulated packets with readings, from the earliest to the latest.
The device operates with confirmation all the time and send the next packet only after receiving a confirmation of the delivery of the previous one. If such confirmation was not received, NB-12 completes the communication session until the next one according to the schedule. Herewith, the device continues to collect data according to the data collection period and store it in memory. Non-transmitted packets remain in the device memory until the next communication session.
The internal clock is set automatically when device connected to the “Vega NB-IoT Configurator” via USB.
FUNCTIONAL
Vega NB-12 modem has the following features:
- Interface ‘current loop’ 4-20 mA
- Interface 1-Wire for connecting temperature sensors (up to 10 pc)
- Analog input for voltage measurement from 0 to 3 V
- Two inputs operating in the «security» mode for connecting the external leakage and safety sensors, etc.
- Queue of sending when delivery is not possible
- Time referencing of readings by internal clock (UTC)
- Extra communication when current on the ‘current loop’ interface is out of specified thresholds
- Communication in case of security inputs or Hall sensor actuation
- Measurement of temperature inside housing
- Charge measuring of the battery (%)
MARKING
Device marked with sticker that contain the next information:
- Device model;
- IMEI;
- Month and year of manufacture;
- QR-code containing IMEI for automatized count.
Sticker located in three places – on device case, in factory certificate and on the packing box.
SPECIFICATION
| Main | |
| Analog inputs | 1 |
| Interfaces | 1-Wire, current loop 4-20 mA |
| Security inputs | 2 |
| USB-port | micro-USB, type B |
| Operating temperatures | -40…+85 °С |
| Built-in temperature sensor | yes |
| Hall sensor | yes |
| Quantity of black box records | up to 100 000 |
| Cellular communications | |
| Supported Cellular Standards | LTE Cat NB1 |
| Data transfer protocol | MQTT |
| Battery Life | 1 year if the data transferring once a day |
| LTE NB-IoT antenna type | external |
| Power | |
| Built-in battery | 6400 mAh (one, two or three, depending on delivery conditions) |
| Case | |
| Housing dimensions | 95 х 95 х 50 mm |
| Ingress protection rating | IP67 |
OPERATION
CONTACTS
Description of contacts assignment is in table below.

| Contact | PCB designation | Description |
| 1 | GND | Ground |
| 2 | ALARM1 | Security input 1 |
| 3 | GND | Ground |
| 4 | ALARM2 | Security input 2 |
| 5 | GND | Ground |
| 6 | A_INPUT | Analog input |
| 7 | GND | Ground |
| 8 | ONE_WIRE | 1-Wire |
| 9 | CL+ | 4-20 mA «+» |
| 10 | CL- | 4-20 mA «-» |
There are two security inputs on the boars which allows to connect circuits with the following types of NO contacts:
- reed switch;
- mechanical pushbutton;
- open-collector output.
The device monitors status changes on the security inputs and when the security input triggers, the device is activated and sends an alarm message to the network. The trigger mechanism is configured through the program “Vega NB-IoT Configurator”.
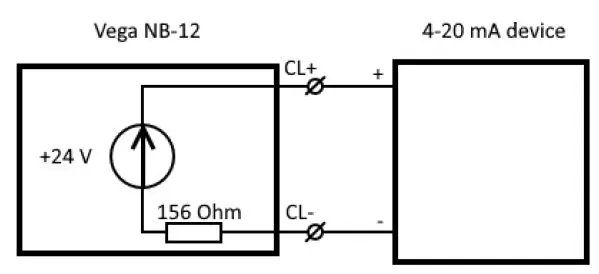
CL+ and CL- contacts are used for connecting an external sensor with 4-20 mA interface. Scheme for connecting is shown on the picture below.

HALL SENSOR
The device has Hall sensor which located on the board edge on the bottom side. When the magnet is brought up the sensor triggered, and the device can form the alarm message which immediately transmitted to the server.

BUTTONS
There are two buttons on the board which can help you to manage the device. Buttons are described in the table below.

| Action | Result |
| RESET | |
| Short pressing | Device reloading |
| INIT | |
| Pressing for 1 second | Registration at the network |
| Pressing for 2 seconds | Data transmitting |
| Pressing for 3 seconds | LTE-modem switching off |
When you hold down the button, the red LED starts flashing once a second, which will help you to find out the duration of pressing. Pressing for 1 second corresponds to one flash of the LED, pressing for 2 seconds corresponds to two and so on.
INDICATION
There are two LEDs on the board: red and blue. Blue LED VD19 shows LTE-modem state, and red LED VD18 – the device state.


INITIAL STARTUP
Firstly, it is necessary to install SIM into slot on the board and set up the data transmitting with “Vega NB-IoT Configurator” (See part 4).

Vega NB-12 modem powered by the one, two or three batteries which comes with1. There are equivalent connectors located on the board. After battery connection to one of connectors, the device loaded and switched to the ‘Sleep’ mode until the communication session according with the schedule.
If you need to test the data transmitting, then press and hold the INIT button for the 2 seconds.
CONNECTING VIA USB
The modem with 4-20 mA interface can be adjusted with the “Vega NB-IoT Configurator” application through the USB connection (See part 4).
Before connecting the device to the computer for the first time, you must install the driver for the COM port stsw-stm32102, which can be downloaded from iotvega.com. After running the executable file VCP_V1.4.0_Setup.exe, the installer window will appear:

In this window, you need to click Next, then Install, and then the installation will begin. When the installation is completed successfully, the following screen appears:

After pressing Finish the driver is ready for operation, – it is possible to connect the modem with 4-20 mA interface via USB.
VEGA NB-IOT CONFIGURATOR
The “Vega NB-IoT Configurator” application (hereinafter referred to as the configurator) is intended for setting up the device via USB.
INTERFACE OF THE APPLICATION
The “Vega NB-IoT Configurator” application does not require the special installation. When the executable file is launched, the window for working with the application appears.

The menu on the left allows you to select the device model, connect to the device or disconnect from it, and update firmware.
The application window contains three tabs – System, Settings and device manage.
CONNECTION TO THE DEVICE
For the connection to the device, perform the following steps:
- Connect the USB cable to the device.
- Start the “Vega NB-IoT Configurator” application.
- Click the “Connect” button in the menu on the left.
The application automatically recognizes the type of device, and the device selection menu becomes inactive.

To read the settings from the device, you need to click the “Get settings” button, until this point the application will display the default settings or from the last connected device.
After making the necessary changes to the settings, you should click the “Apply settings” button and only then disconnect from the device with the “Disconnect” button. Also, the application allows to save settings into a file after what you can load it from that file on other similar devices for speed up the debugging process.
“SYSTEM” TAB
The “System” tab displays information about the device, about modem, and SIM.

Device info – the configurator reads information about the device model, its firmware and automatically corrects the device’s time when connected to it. In that block you can find out the number of records in the black box and the number of packets sent by the device.
Modem info – in that block information about LTE-modem is displayed.
SIM – identifiers of the SIM card (SIM chip).
“SETTINGS” TAB
The ” Settings” tab allows to configure various parameters of the network connection and device operation.

Connection settings – a group of parameters set up the data collection and transmitting.
Used frequency bands for NB-IoT devices connection can be different for different cellular operators. You can ask the operator about used band or select all the bands.
Network registration timeout – it’s a period after which the modem will switch to the ‘Sleep” mode when registration waiting. For battery economy it’s better to set minimal period for which the device can registered in the network in the specific covering conditions.
Cellular operator can give you APN or set it by default if the field is empty.
Time zone set up for the data collection period which is equal to the device time (UTC) plus time zone. Transmission period is always use UTC time regardless of the time zone setting.
Readings collected at 00:00 if the collection period is 24 hours; at 00:00 and at 12:00 if the period is 12 hours etc. All readings stored in the device memory until the next communication session.
Transmission period can be equal to 5, 15, 30 minutes, 1, 6, 12 and 24 hours. When beginning of communication session, the device starts sending packets with readings from the earliest packet. The time of data transmitting cannot be specified, it’s defined in random way for every device in chosen period of transmission from the moment of connection to the network. For example, transmission period is 30 minutes, and device was started at 16:40 by the internal device clock. In random way the device calculate data transmitting time and set it at 16:41 in the half-hour period from 16:40 to 17:10. Thus, packets from this device will transmit at 16:41, at 17:11, at 17:41, at 18:11 and so on every 30 minutes by the internal device clock.
Guard inputs settings – allows to set up mode of security inputs triggering – when security circuit is short, open or in a both cases. Also, to switch on/off an alarm by the Hall sensor.
“Current low threshold” and “current high threshold” parameters are specified in mA multiplied by 100. In the picture above the value of the low threshold is 1246, the high threshold is 2500. It means that the current low threshold is 12,46 mA and the high threshold is 25 mA.
This range cooperates with the parameter “Immediately send data when current is out of range”.
If the parameter is active, then the modem finds out that values is out of range while collecting data according with the schedule and send this data immediately. Every next message formed according with the schedule will send immediately until the current value come back to specified range.
External sensor settings – allows to specify the startup time for an external sensor power. Value of this parameters may vary from 1 to 60 seconds.
MQTT settings – settings of connection with MQTT broker.
“VEGA NB-12” TAB
The “Vega NB-12” tab contains detail information about the connected device, its sensors and inputs.

Network – displays the current parameters of the connection and allows to control it. Buttons in this block have logic like INIT button on the board.
SQ parameter – Signal Quality – may be from 0 to 31 while connection is on, and 99 value means the connection absent. Table of values is shown below.

1-Wire – settings of connection external temperature sensors and it’s readings. For adding a sensor in system, you need to switch ON the auto add mode. Sensors get numbers in order which them were connected. After switching the auto add mode ON the device starts search the new sensors on the bus. When new sensor is found, the device add it in memory and the auto add mode OFF automatically. To add the next sensor, you need to switch the auto add mode ON again. All sensors may be removed from the memory with button “Delete all sensors”.
Inputs/outputs – displays current parameters of the device and allows to form a packet, i. e. to collect data from all the inputs and put the packet to the black box until the next communication session.
Unlike other values displayed in Configurator, the value of parameter “Current loop, mA” not displayed in real time mode. Instead of this the field shows current value from the last data slice by the schedule.
Device output – displays device’s events in real time.
COMMUNICATION PROTOCOL
Data is transmitted via MQTT protocol. You should specify in the device settings the address and port of the server where the data will be sent. Those settings specified in application “Vega NB-IoT Configurator”. It must be MQTT broker as a server (received side). You should specify in the device settings the address and port of the broker. Also, you should specify a topic name where the data published and a client name – the name which the device use for publishing. All those settings specified in “Vega NB-IoT Configurator” in part “MQTT settings”. For watching the data sending by the device you should deploy MQTT broker on a PC and become subscribed on MQTT broker with any application.
Vega NB-12 sends the message on the server as a text of JSON format. See example below.

Transcription of the message fields:
Message – part with information about current message.
dev – name and version of the device firmware
IMEI – LTE-modem identifier
IMSI, ICCID – SIM-card (SIM-chip) identifiers
num – the number of the message
UTC – the date and the time of message sending in UTC format by Greenwich
CellStatus – part with information about the cellular state
TAC, CID – gateways identifiers
SQ – gateway signal quality
EARFCN – the number of radio frequency channel (absolute) PCID – physical network address
RSRP – input signal power
RSRQ – input signal quality
RSSI – indicator of the input signal power
SNR – signal to noise ratio
Telemetry – part with collected data (one packet)
reason – reason for packet forming*
UTC – the date and the time of message collecting in UTC format by Greenwich bat – battery charge
temp – processor temperature
ADC1 – voltage on the input A_INPUT
current – measured current of the current loop interface
onewire – values of temperatures of sensors on 1-Wire bus
s_alarm1 – state of ALARM1 input at the time of data slice (“0” – logic zero input,
“1” – logic one input)
s_alarm2 – state of ALARM2 input at the time of data slice (“0” – logic zero input, “1” – logic one input)
s_magnet – the presence of an external magnetic field at the time of data slice (“0” – absent, “1” – presence)
s_curovr – flag for exceeding the current limits of the current loop interface specified in the settings (“0” – the limit is not exceeded, “1” – the limit is exceeded)
STORAGE AND TRANSPORTATION REQUIREMENTS
Vega NB-12 modem with 4-20 mA interface shall be stored in the original packaging in heated room at temperatures +5°С to +40°С and relative humidity less than 85%.
The modem shall be transported in covered freight compartments of all types at any distance at temperatures -40°C to +85°C.
CONTENT OF THE PACKAGE
- The modem is delivered complete with:
- Vega NB-12 modem with 4-20 mA interface – 1 pc.
- Antenna – 1 pc.
- Battery 6400 mAh – 1…3 pcs. 2
- Factory certificate – 1 pc.
WARRANTY
The warranty period for the device is 5 years from the date of sale.
The manufacturer is obligated to provide repair services or replace the failed device during the entire warranty period.
The consumer is obliged to comply with the conditions and rules of transportation, storage and operation specified in this user manual.
Warranty does not apply to:
- power supplies of devices;
- the device with mechanical, electrical and / or other damages and defects caused by violation of the transportation, storage and operation requirements;
- the device with traces of repair performed not by the manufacturer’s service center;
- the device with traces of oxidation or other signs of liquids leaking inside the device. In the event of a warranty claim, contact the service center: 113/1, Kirova Str., Novosibirsk, 630008, Russia.
Tel.: +7 (383) 206-41-35.
vega-absolute.ru
User Manual © Vega-Absolute OOO 2019-2020




















