trend CRB Combination Router Base

COMBINATION ROUTER BASE
REF. CRB
Thank you for purchasing this Trend accessory which should give lasting performance if used in accordance with these instructions.
The following symbols are used throughout these instructions.
- Denotes risk of personal injury, loss of life or damage to the tool in case of non-observance of the instructions.
- Refer to the instruction manual of your power tool.
This unit must not be put into service until it has been established that the power tool to be connected to this unit is in compliance with 2006/42/EC (identified by the CE marking on the power tool).
INTENDED USE
This accessory is a retro fit, quick change, multi-functional router base for use with routers that will accept two 8mm diameter rods at centres of 78mm to 130mm. It is intended to:
- Increase the overall versatility of the router.
- Improve the quality of finish of every routing pass. n Reduce the possibility of error.
- Increase stability during routing.
- Increase the level of precision achieved.
- Save set up time between tasks.
- Maximum cutter diameter for use on offset base is 40mm. Max.diameter depends on router used. (Please check router manual specifications).
Features
- Offset baseplate.
- Router compass radius 19mm to 224mm. When measured from outside edge of hole.
- Adjustable trenching with a clamp guide.
- Adjustable anti-tilt support. (Max. 80mm, min. 8mm).
- Adjustable offset mortising (Material 50mm to 200mm).
- Adjustable false panel groove copier.
- Using the CRB with euro style guide bush fitting routers with the Varijig and a long series guide bush.
- Lateral adjustment 110mm, with 40 micro adjustment (one revolution equals 1.25mm).
Note: All dimensions shown are based on a T5 router being used with a 6.3mm (1/4”) diameter cutter.
SAFETY
Please read and understand the safety points at the end of this instruction as well as the power tool instructions before use.
PLEASE KEEP THESE INSTRUCTIONS IN A SAFE PLACE.
- The attention of UK users is drawn
to The Provision and Use of Work Equipment Regulations 1998, and any subsequent amendments. Users should also read the HSE/HSC Safe Use of Woodworking Machinery Approved Code of Practice and Guidance - Document and any amendments.
- Users must be competent in using woodworking equipment before using our products.
- Ensure working position is comfortable. Please keep children and visitors away from tools and work area. All tools will have a residual, risk, so must therefore be handled with caution.
- Only use tooling that meets EN847-1/2 safety standard and any amendments.
ITEMS REQUIRED
- Router with suitable rod diameters and centres.
- Router cutter.
- Clamps.
- 13mm A/F open ended spanner x 2. n Hand tools.
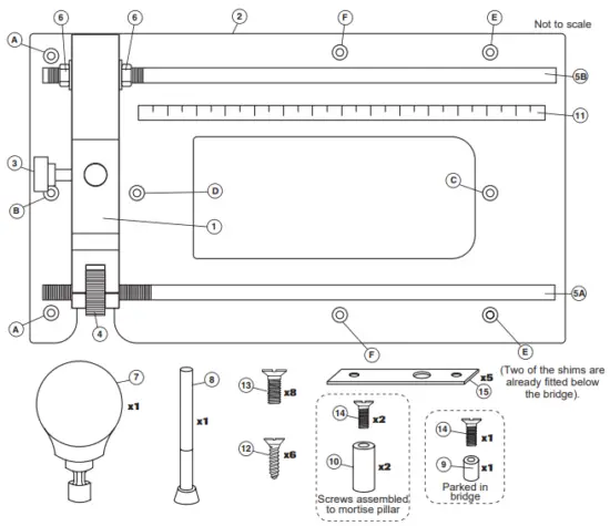
ITEMS ENCLOSED & DESCRIPTION OF PARTS
A to F. – Holes for various fittings.
- Bridge – Secures the guide rods and baseplate together.
- Baseplate – Acrylic platform of the CRB.
- Bridge Pinch-bolt – Secures the offset handle and anti-tilt leg to the bridge.
- Micro Adjuster – Attaches to the adjuster rod and micro adjusts the position of the router.
- Adjuster Rod – Attaches to the bridge via the micro adjuster, slides into the router base.
- Fixed Rod – Attaches to the bridge, slots into the router base rod apertures, can be adjusted to accommodate various router rod spacings.
- Guide Rod Locknut – Locks the fixed rod in position on the bridge.
- Offset Handle – Fits into bridge to improve hand position.
- Anti-tilt Leg – 2 piece leg that fits into bridge stabilizing the unsupported side of the router.
- Pivot Pin – Fits to the underside of the baseplate, forms the axis point when routing arcs and circles. Parked in bridge. Supplied fitted in bridge.
- Mortise Pillars – Attaches to the underside of the base. Guides the CRB when mortising.
- Indexed Rule – Self adhesive for user fitting
- No.6 x 1/2” Csk Woodscrews – Secures the user made copy tongue batten to the baseplate.
- M5 Csk Screws – Fixes the bridge to the baseplate, there are four different pairs of length, 8mm, 10mm, 12mm and 16mm.
- M4 x 10mm Csk Screws – Fixes the pivot pin to the baseplate, fixes the mortise pillars to the baseplate.
- Bridge Shims – Adjust the height of the bridge to accommodate differing router rod heights (2 x 3mm, 3 x 1mm and 1 x 0.5mm). Two shims are pre-assembled below bridge.
SETTING UP
Fitting the CRB to a Router
- Before use please remove protective film from CRB acrylic base plate.
- Due to the large number of different router models available and their differing base and rod configurations, the CRB needs to be initially set up to fit the router.
- Loosen the guide rod lock nuts located either side of the bridge and position the fixed guide rod so that both guide rods line up with the rod holes in the router base.
- Slide the router gently toward the bridge.
If the router starts to bind on the guide rods, the router base rod holes are higher than the CRB guide rods. To match the height
of the guide rods and the router base rod holes, the bridge shims provided will require fitting between the bridge and baseplate.
Fitting the Bridge Shims
Five bridge shims are included. The bridge shims will increase the CRB’s rod height by incremental
Location of the Bridge Shims
Remove the two x M5 screws that secure the bridge to the baseplate. Put the baseplate aside then slide the bridge and rods into the router base rod holes butting the bridge up against the router base.
For 10mm and 12mm router base rod holes. Lock both router fence rod knobs on the fixed guide rod and the adjuster rod, this will ensure that the guide rods are correctly positioned at the bottom of the router base rod holes.
Once all the router fence rod knobs have been tightened, tighten the guide rod locknuts with a 13mm open ended spanner.
Safely invert the router and rest it on its top with the bridge and rods attached. Rest the baseplate on the flat of the router base ensuring that it’s lined up with the bridge. Look between the bridge and baseplate and check the size of the gap. Slide the appropriate shims into the gap and line up the two x M5 tapped holes. Screw the baseplate onto the bridge.
Two shims are already supplied pre-assembled below the bridge.
- The CRB comes with four different lengths of M5 screw. Select the correct length of M5 screw for the number of shims used when re-attaching the baseplate.
- We suggest that the M5 screws should pass through the baseplate, shims and at least 3mm into the bridge. The CRB is correctly set up when it comfortably slides on and off the router base, with the rods remaining parallel to the baseplate and the router base remaining in contact with the baseplate at all times.
- If you find the rod holes are too high, a spare bridge shim kit is available (see spares). Consider working environment before using tools. Keep proper footing at all times. Ensure working position
is comfortable.
Fitting the Indexed Rule to the CRB
Included with the CRB is a self adhesive Indexed rule, when fitted to the CRB baseplate it will allow the user to see and reposition the router to a measured distance relative to its original position.
Many routers are manufactured with a cast indexing line or marking positioned centrally on the side of the router base. If the router has no indexing line and you wish to utilize the indexed rule simply draw a line on the base using an indelible fine black marker.
With the router fitted to the CRB:
Position the indexed rule to run alongside the edge of the router base on the fixed rod side so that a reading can easily be taken from the index line on the router base to the indexed rule.
When happy with its location ensure that the baseplate is free of dust and debris, peel off the indexed rule backing paper and carefully stick in position.
Micro Adjuster
The CRB is fitted with a micro adjuster. The micro adjuster is designed to provide greater accuracy when positioning the router cutter prior to use.
Using the micro adjuster to accurately position the router cutter.
- Plunge the router cutter to a level just above the surface of the work piece and lock the router cutter height in that position.
- Loosen the router fence rod knob holding the fixed guide
- d and keep the router fence rod knob locked on the adjuster rod.
- Rotate the micro adjuster to align the outer edge of the router cutter precisely with the desired marking.

Positioning the router cutter using the index markings on the CRB:
The micro adjuster has an indexed line machined across its width (in red), similarly a corresponding index line is located on the bridge either side of the micro adjuster. When the micro adjuster is rotated once it will move the router 1.25mm (50/1000 inch) from its original position. Four complete rotations will move the router cutter 5mm (approximately 3/16”) etc. It’s essential to remove the backlash from the adjuster rod thread when using the index lines.
Tip: Loosen both router fence rod knob and turn the micro adjuster in the desired direction so that both index lines line up. Retighten the router fence rod knob on the adjuster rod.
The router cutter can now be moved a measured distance accurately using the micro adjuster. Should the router cutter need to be adjusted in the opposite direction repeat the above step to remove the play.
OPERATION
Offset Baseplate
The offset baseplate function is designed to increase the router-base surface contact area to the work piece that’s being worked on, improving stability and reducing the chance of making an error during a routing pass.
Slide the router onto the CRB’s rods and lock the router in position using the router fence rod knobs. Ensure the router is positioned at the far end from the CRB bridge allowing the router cutter to sit safely within the baseplate ‘letterbox’. Fit the offset handle into bridge pinch-bolt hole and lock in position using the bridge pinch-bolt.
The CRB is now set up and ready for routing.
The handle/bridge end of the CRB should be centred over the work piece. Ensure component is clamped securely.To remove float or backlash on the adjuster rod and micro adjuster rotate micro adjuster a quarter to half clockwise turn. Always isolate router from power supply before making any adjustments. Before use ensure all router fence rod knobs are tightened onto the CRB guide rods.
Cutting Small Circles
- Radius 19mm to 224mm
- Routing out accurate circles that are smaller than the router base itself is a difficult operation. The CRB allows circles to be cut out easily from as small as 19mm radius up to 224mm radius.
- Use baseplate hole C for circle radius approx. 19mm – 125mm.
- Use baseplate hole B for circle radius approx. 115mm – 224mm.
- The CRB’s compass pivot pin is stored in a magnetic recess in the CRB’s bridge.
- Fit the pivot pin into the countersunk hole in the baseplate so that the pivot pin protrudes downwards from the baseplate.
- Mark out the desired dimensions of the circle/arc on the work piece.
- Drill a 6mm (1/4”) hole at least 6mm (1/4”) deep in the work piece at the geometric centre of the desired circle/arc.
- Place the CRB and router assembly onto the work piece, ensuring that the pivot pin is located in the drilled hole.
- Slide the router along the guide rods to align the router cutter with the marked circle/arc dimensions and lock the router fence rod knobs on either side of the router base.
- If necessary use the micro adjuster to align the router cutter precisely with the marked circle/arc dimensions (see micro adjuster section).
Ensure that one router fence rod knob is secured either side of the router base and the router depth stop is set appropriately.
Minimum Radius 19mm Hole C 
The pivot pin and screw are parked in the bridge.
Maximum Radius 125mm Hole C
Maximum Radius 224mm Hole B
- Proceed to cut out the circle by rotating the CRB and router around the pivot pin.
- Depending on the work piece material several shallow routing passes may be preferable.
- For difficult or heavy cuts, the pivot pin may be replaced with a countersunk No.6 woodscrew secured into the work piece. This No.6 woodscrew should be a snug fit in the baseplate to avoid ‘chatter’.
- Tip: If it’s desirable to avoid a central drilling in the work piece, use a 6.35mm (1/4”) thick overlay secured with double-sided adhesive tape or any similar method – e.g. cramps, screws etc – and drill a 6mm (1/4”) diameter hole in
- the overlay; then rout through the overlay and into the work piece beneath.
- Larger circles are possible with the CRB however this will require the extension rod kit accessory Ref. N/COMPASS/AEX (not included).
Using the CRB with a
Clamp Guide
Using a clamp guide and router to groove across the width of a work piece is a useful and common practice. However considerable time is taken to accurately set the clamp guide at right angles to the edge of the board simultaneously ensuring a precise distance from the desired position of the rebate. The CRB’s micro adjuster removes the need to set the distance between clamp guide and groove. Ensure the clamp guide is set at right angles to the board edge and within the range of the routers movement on the CRB’s rods. Slide the router to the approximate position of the required rebate and using the router fence rod knob on the router base lock the router onto the CRB’s adjuster rod. Plunge the cutter to the work piece surface (with the router turned off) and using the micro adjuster bring the edge of the cutter up to the line denoting the location of the rebate. Run the bridge end of the CRB’s baseplate up against the clamp guide and using an even pressure ensure the router moves smoothly down the length of the clamp guide. If a deep rebate or groove is needed several lighter cutting passes may result in a better finish. If two grooves are needed within 110mm centre to centre of each other, (using a 1/4” cutter) they can be routed without moving the clamp guide by simply sliding the router down the CRB’s rods to the next location.
Anti-tilt Support
- The CRB’s anti-tilt leg is designed specifically to aid stability when routing narrow sections of material. The leg is in two parts so its height if necessary can be reduced by unscrewing the rods.

- Slide the anti-tilt leg into the bridge pinch-bolt hole from the underside of the baseplate. Lock it in position with the plastic foot up against the underside of the baseplate. Slide the router onto the CRB’s rods and lock the router
- in position using the router fence rod knobs. Ensure that the router is positioned to allow the router cutter to sit safely within the baseplate ‘letterbox’.
- Maximum height = 80mm (3 1/8”)
- Minimum height = 8mm (5/16”)
- Set the depth of the cutter as usual and rest the router on the work piece as if to start a routing pass. Release the bridge pinch-bolt so the anti-tilt leg drops down and the foot rests on the bench top. Without moving the router or
- anti-tilt leg retighten the bridge pinch-bolt locking the anti-tilt leg at the height which will then support the previously unsupported side of the router.
- Before completing the routing pass check that the bench surrounding the work piece is smooth and even. Complete a couple of dry runs with the router around the work piece ensuring that the anti-tilt leg has a clear path and
- the router remains stable whilst the pass is completed.
Adjustable Offset Mortising
Providing stability and lateral adjustment when edge mortising usually involves a separate jig and set up however the CRB fitted with the mortise pillars saves time and gives a clean finish. For material widths between 50mm and 125mm. If the outer holes on the base are used the maximum material width is 200mm.
- Fit the mortise pillars to the underside of the baseplate in locations using the two x M4 screws provided.
- Mark out the required mortise dimensions onto
- he work piece.
- Ensure the router is unplugged during the set up phase.

- Fit the cutter to the router and refit the router onto the CRB.
- Place the CRB onto the section of wood to be mortised with a mortise pillar on either side of the work piece. Rotate the CRB clockwise until both mortise pillars are in contact with and tightened against the sides of the work piece.
- Position the router so that the router cutter sits between the mortise pillars and roughly lines up with the mortise markings, then fix the router in position by locking the router fence rod knobs on the both the fixed guide rod and
It’s important to ensure that the mortise pillars remain in contact with the work piece sides along the complete length of the mortise. If the position of the mortise is at the very end of the work piece then additional guide battens will need to be fitted to prevent the mortise pillars literally falling off the end of the work piece.
Clamp one guide batten on each side of the work piece, over lapping the ends. This will give a wider and longer platform to support the router. Depending on the depth of mortise and material being used, several cutting passes may be required in order to achieve the correct depth safely.
- Plug the router into the power supply.
- Twist the router and CRB in a clock-wise movement tightening the mortise pillars against the sides of the work piece.
- Switch on the router.
- Plunge the router cutter into the work piece and feed the machine forwards again ensuring that the mortise pillars are in contact with each side of the work piece.
- At the end of the mortise, turn off the router and release plunge.
- Reset the router cutter depth and repeat until the required mortise depth is achieved.
- Switch off router.
For material widths 125mm to 200mm, fit the mortise pillars to the underside of the baseplate using baseplate holes A and E. Secure pillars using the two M4 screws provided. Then follow the same instructions as above.
Adjustable False Panel
Groove Copier
- To repeat a routing pass a set distance from another pass or to produce a series of closely routed grooves or rebates can be efficiently achieved using the false panel copy tongue feature. The CRB can be set up easily for this purpose.

- Machine up a small section of copy batten min. 160mm length in timber or a solid plastic i.e. nylon or polyethylene. The copy batten should copy the size and profile of the router cutter that is to produce the groove. Test the finished copy batten in a sample groove to ensure a snug, but not tight fit, is achieved.
- Using a clamp guide or side fence set up, rout the first groove on the work piece. Then:
- Using three No.6 woodscrews line up the copy batten with the three countersunk holes located in the baseplate at the opposite end to the bridge and screw the copy batten to the underside of the baseplate.
- To avoid splitting the small section copy batten screw it in position by hand. Do not use a drill driver.
- Fit the CRB to the router. Check that the copy batten slides into the first groove and moves smoothly along its length. Set the required distance between the router cutter and copy batten by sliding the router along the CRB rods if necessary using the micro adjuster to finely adjust it’s position. Then lock the router in place using at least one router fence rod knob on each side of the router base.
- The second groove can now be routed. In order to maintain accuracy use a consistent pressure when holding the router in position during each pass of the router.
- Remove the swarf in the second groove and slot the copy batten into it to produce the third groove. Repeat as required.
Using the CRB with the Trend Varijig and Euro Style Guide Bush Fitting Routers
- The anti-tilt function of the CRB can be used as an alternative to the anti-tilt shoe included with the Trend Varijig, for self guided shank mounted cutters. For routers that can accept Euro style guide bushes, a longer spigot 40mm diameter guide bush is required Ref. GB40/B.

- The guide bush is fitted into the router guide bush recess. When routing out smaller rectangles narrower than 120mm, the increased size of the baseplate provides sufficient area across the Varijig frame and the anti-tilt leg is not required.
- In certain circumstances the router handle prevents setting the correct depth of the anti-tilt leg however, the anti-tilt leg can be shortened as it’s a two part component, simply unscrew the top section and use the remaining shorter section.
- A longer spigot guide bush must be used Ref. GB40/B.
- After use, remove the CRB from the router and store carefully.
ACCESSORIES
Please use only Trend original accessories.
Edge Trimming Base Kit
Ref. CRB/TB
An additional function of the CRB is a fast and accurate method of consistently trimming solid hardwood flipping and iron on edging flush with its core panel. Includes bearing copy guide.
For lipping 16mm wide by 6mm projection. Maximum cutter diameter 25mm.
Extension Rod Kit
Ref. N/COMPASS/AEX
Two pairs of 8mm x 220mm long rods to allow radius to be increased by 440mm.
Cranked Rods
Ref. CRB/CR
Pair of 7mm diameter rods to allow more precise levelling of bridge when using different routers. Allows for greater range of rod centre routers of 60.3mm to 174mm.
Side Fence
Ref. CRB/SF
Made from 15mm thick clear acrylic. Screws onto CRB baseplate. 270mm long with facility to accept false fence.
Guide Bush 40mmØ
Ref. GB40/B
40mmØ x 14mm spigot for Varijig.
SPARE PARTS
Please use only Trend original spare parts.
MAINTENANCE
Please use only Trend original spare parts and accessories.
The accessory has been designed to operate over a long period of time, with the minimum amount of maintenance. Continual satisfactory operation depends upon proper tool care and regular cleaning.
Cleaning
Regularly clean jig with a soft cloth.
Lubrication
Your accessory requires no additional
Storage
Accessory can be stored in its packaging, or can be hung on a wall hook.
ENVIRONMENTAL PROTECTION
- Recycle raw materials instead of disposing as waste.
- Packaging should be sorted for environmental-friendly recycling.
- The product and its accessories at the end of its life should be sorted for environmental-friendly recycling.
GUARANTEE
All Trend products are guaranteed against any defects in either workmanship or material, except products that have been damaged due to improper use or maintenance. Our policy of continuous improvements mean that specifications may change without notice. Trend Machinery & Cutting Tools Ltd. cannot be held liable for any material rendered unusable, or for any form of consequential loss.
Safety Points
- Disconnect power tool and attachment from power supply when not in use, before servicing, when making adjustments and when changing accessories such as cutters. Ensure switch is in “off” position and cutter has stopped rotating.
- Read and understand instructions supplied with power tool, attachment and cutter.
- Current Personal Protective Equipment (PPE) for eye, ear and respiratory protection must be worn. Keep hands, hair and clothes clear of the cutter.
- Before each use check cutter is sharp and free from damage. Do not use if cutter is dull, broken or cracked or if any damage is noticeable or suspected.
- The maximum speed (nmax) marked on tool or in instructions or on packaging shall not be exceeded. Where stated, the speed range should be adhered to.
- Insert the shank into the router collet at least all the way to the marked line indicated on the shank. This ensures at least 3/4 of shank length is held in collet. Ensure clamping surfaces are clean.
- Check all fixing and fastening nuts, bolts and screws on power tool, attachment and cutting tools are correctly assembled, tight and to correct torque setting before use.
- Ensure all visors, guards and dust extraction is fitted.
- The direction of routing must always be opposite to the cutter’s direction of rotation.
- Do not switch power tool on with the cutter touching the workpiece.
- Trial cuts should be made in waste material before starting any project.
- Repair of tools is only allowed according to tool manufacturers instructions.
- . Do not take deep cuts in one pass, take shallow passes to reduce the side load applied to the cutter. Visit www.trend-uk.com/safety for more safety advice.























