SATCO NUVO S39907 4 Foot LED Straight T8 Tube Light
INSTALLATION AND SAFETY INSTRUCTIONS
IMPORTANT:
Read before installing the fixture. Retain for future reference.
WARNING
- DANGER:
Risk of shock-disconnect power before installation. - WARNING:
Risk of fire or electric shock. LED Retrofit Kit installation requires knowledge of luminaire electrical systems. If not qualified, do not attempt installation. Contact a qualified electrician. - WARNING:
Product must be installed in accordance with the national electrical code or your local electrical code. If you are not familiar with these codes and requirements, contact a qualified electrician. - WARNING:
Install this kit only in luminaries that have the construction features and dimensions shown in the photographs and/or drawing and where the input rating of the retrofit kit does not exceed the input rating of the luminaire. - WARNING:
To prevent wiring damage or abrasion, do not expose wiring to edges of sheet metal or other sharp objects. - WARNING:
To avoid potential fire or shock hazard, do not use this retrofit kit in luminaries employing shunted bi-pin lamp holders. If implementing a single-ended-wiring option.NOTE: Shunted lamp holders are found only in fluorescent luminaires with instant-start ballasts.Instant-start ballasts can be identified by the words “Instant Start” or “I.S.” marked on the ballast.This designation may be in the form of a statement pertaining to the ballast itself, or may be combined with the marking for the lamps with which the ballast is intended to be used, for example F40T 12/IS, for more information contact the LED luminaire retrofit kit manufacturer. Do not make or alter any open holes in an enclosure of wiring or electrical components during kit installation. Installers should not disconnect the existing wire from lamp holder terminals to make new connections at lamp holder terminals. Instead, installers should cut existing lamp holder leads away from the lamp holder and make new electrical connections to lampholder lead wires by employing applicable connectors.
The units covered by this report were intended to retrofit surface mount, Type IC or non-IC recessed mount Listed fluorescent luminaires that use maximum 4 tubular lamps, the minimum lamp compartment dimensions are tabulated below. 
- WARNING:
Luminaire wiring and electrical parts may be damaged when installing retrofit kit hardware. Check for enclosed wiring and components. - WARNING:
Check the existing wiring for damage before installing upgrade kit. Do not install if existing wires are damaged. This retrofit kit is accepted as a component of a luminaire where the suitability of the combination shall be determined by authorities having jurisdiction. Type B LAMP – intended for operation in luminaires with traditional fluorescent-type lamp holders wired directly to the branch circuit. This includes both factory-wired luminaries as well as those converted for this purpose under a retrofit program. THIS RETROFIT KIT INCLUDES LED TUBE, OPERATING INSTRUCTIONS, AND FIXTURE LABEL FOR THE DOUBLE OR SINGLE-ENDED APPLICATION. - “This luminaire has been modified and can no longer operate the originally-intended lamp,” shall be marked on the retrofit luminaire where readily visible by the user during normal maintenance including lamping.
- Only use the control provided with or specified by these instructions to control this lamp. This lamp will not operate properly when connected to a standard (incandescent ) dimmer or dimming control. Only operate with specific dimmer manufactured by Lutron, type NTELV-300.
- Suitable for damp locations.
- Suitable for use in enclosed luminaires.
- Suitable for use with the following emergency equipment; SATCO Products, Inc., model SS000, 5W Emergency LED Driver and S8002, 1 OW Emergency LED driver.
- This device complies with Part 15 of the FCC rules. Operation is subject to the following two conditions:
- This device may not cause harmful interference, and
- This device must accept any interference received, including interference that may cause undesired operation.
FEATURES
c-UL-us classified and recognized.
Single Ended
APPLICATIONS
Widely used in residential buildings, offices, shopping malls, supermarkets, hospitals, assembly lines, warehouses, etc. for energy saving illumination.
Full glass housing: No aging, yellowing, bending
Double Ended
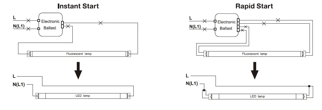
The below ballast wiring represents typical configuration. The actual ballast wiring varies according to ballast model. The socket shoold be non-shunted.
INSTALLATION: SINGLE ENDED
Single-Ended Retrofit Luminaire / 1 Lamp
Single-Ended Retrofit Luminaire / 2 Lamps instant Start
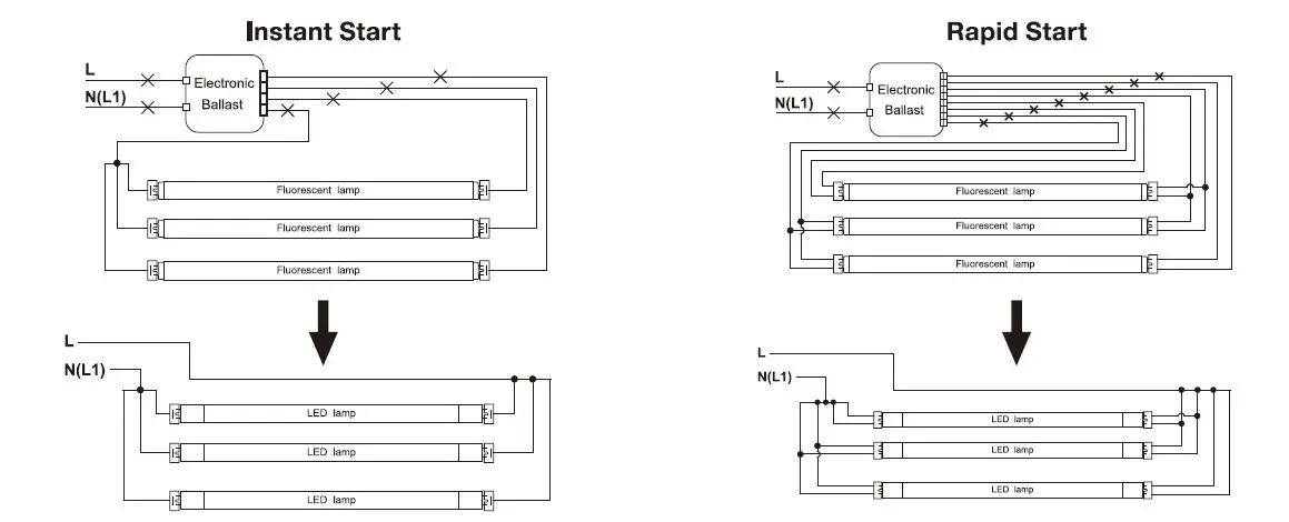
Single Ended Retrofit Luminaire / 3 Lamps 
Single-Ended Retrofit Luminaire / 3 Lamps 
The below ballast wiring represents typical configuration. The actual ballast wiring varies according ?lo ballast model. It is oot needed to change socket (if io good condition) to operate double ended lamps, regardless the type of sockets. Mako sure one side at fixture is connected to the Live (L) and the other side ta Noatral (N).
INSTALLATION: DOUBLE-ENDED
Double Ended Retrofit Luminaire / 1 Lamp
Double Ended Retrofit Luminaire / 2 Lamps 
Double Ended Retrofit Luminaire / 3 Lamps 
Double Ended Retrofit Luminaire / 3 Lamps 




















