Sunco T8 12W Super Hybrid LED Tube Instruction Manual
PLEASE FIND A QUALIFIED ELECTRICIAN FOR INSTALLATION.
Please read the instructions before you install and use the linear tube(s).
GENERAL: ALL ELECTRICAL CONNECTIONS MUST BE IN ACCORDANCE WITH LOCAL AND NATIONAL ELECTRICAL CODE (N.E.C.) STANDARDS. IF YOU ARE UNFAMILIAR WITH PROPER ELECTRICAL WIRING CONNECTIONS OBTAIN THE SERVICES OF A QUALIFIED ELECTRICIAN. REMOVE THE TRIM FROM THE BOX AND MAKE SURE THAT NO PARTS ARE MISSING
- WARNING – Risk of fire or electric shock. Install these tubes only in luminaires that have the construction features and dimensions shown in the photographs and/or drawings and where the input rating of the retrofit kit does not exceed the input rating of the luminaire.
- WARNING – To prevent wiring damage or abrasion, do not expose wiring to edges of sheet metal or other sharp objects.
- WARNING – Do not make or alter any open holes in an enclosure of wiring or electrical components during kit installation.
SAFETY INFORMATION
- Check the lamp before installation, if there is any damage caused during transportation, do not install.
- Maintenance should be carried out by technical personnel only.
- Do not stare and the light source with bare eyes or long periods of time, do not shine into others eyes.
- Do not place objects on the lamp.
- Keep lamp away from flames or high temperature objects.
- Risk of electrical shock – Only replace with same type of LED tube.
- Suitable for damp locations.
- This device is not intended for use with emergency exit fixtures or battery backups.
OPERATIONAL MODES
UL TYPE A – Direct replacement (Plug & Go™) compatible with select electronic ballasts
UL TYPE B – Direct Wire (Ballast Bypass) directly connects to the main: 120-277V • 50/60Hz, single or double ended
UL TYPE A – DIRECT REPLACEMENT (Plug & Go™) INSTALLATION

WARNING
DISCONNECT POWER BEFORE INSTALLING OR SERVICING
- WARNING – Risk of Shock: Disconnect power before installation.
- WARNING – Risk of Fire: Use only in place of fluorescent lamps specified on label.
- LED T8 lamp for use only with products described and installed in accordance with product specifications. LED T8 lamp to be operated with qualified T8 fluorescent electronic ballast; check ballast compatibility list before installation.
- Do not install this lamp in a pre-heat luminaire.
- This lamp only operates on electronic ballasts. If the lamp does not light when the luminaire us energized, remove lamp from luminaire and contact lamp manufacturer or qualified electrician.
- CAUTION – Risk of Fire: If the lamp or luminaire exhibits undesirable operation (buzzing, flickering, etc.) Immediately turn off power, remove lamp from luminaire and contact manufacturer.
- Make sure power is OFF.
- Remove lens or diffuser (if applicable).
- Remove existing fluorescent lamps from the luminaire. Note: Verify that the fluorescent tube type is listed on the LED lamp label. Check ballast compatibility list before installation, only use lamp with qualified T8 fluorescent ballast.
- Place LED lamp in luminaire and insert lamp pins into luminaire lampholders.
- Rotate LED lamp until lamp locks in place. Ensure that the LED lamp front points away from the back of the luminaire.
- Note: Install one LED T8 replacement lamp for each fluorescent lamp removed.
- Place lens or diffuser back in place (if applicable).
- Power On.
UL TYPE B – DIRECT WIRE (Ballast Bypass) DOUBLE ENDED INSTALLATION
WARNING
DISCONNECT POWER BEFORE INSTALLING OR SERVICING.
TYPE B LAMP – intended for operation in luminaires with traditional fluorescent-type lampholders wired directly to the branch circuit. This includes both factory-wired luminaries as well as those converted for this purpose under a retrofit program.
Read all WARNINGS before continuing this section.
This item is rated at 120-277VAC. Installer must determine whether line voltage 120-277V is available at the luminaire before installation
Make sure POWER IS TURNED OFF AT THE SOURCE. Do not simply switch off fixture.
- Remove existing covers from the light fixtures according to the light fixture manufacturer’s instructions. Carefully remove the existing fluorescent tubes and dispose of them according to federal, state and local laws.
- Cut off wires connected to ballast, and remove ballast (and starter if present). Dispose of removed ballast according to federal, state and local laws.
- Connect Line (L) from power source into lamp holder. This will be “Line In”.
- Connect Neutral (N) from power source into opposite end lamp holder. This will be “Neutral In”.
- If installing a single tube refer to typical wiring diagrams on the following page. If connecting multiple lamps, continue reading.
- Connect separate Line wire into “Line out” from primary source lamp holder and connect that wire into “Line in” on the adjacent tube.
- Connect separate neutral wire into “Neutral out” from primary source lamp holder and connect that wire into “Neutral in” on the adjacent tube. Refer to typical wiring diagrams on the following page.
- This fixture is now powered as double-ended, for use with bypass tubes where opposite ends are marked with L and N, respectively.
- Install double-ended bypass lamp into the wired lamp holders.
- Visibly affix “Modification Sticker” and reinstall housing cover and lens if applicable. CAUTION: “This luminaire has been modified to operate LED lamps.
Do not attempt to install or operate fluorescent lamps in this luminaire,” shall be marked on the retrofit luminaire where readily visible by the user during normal maintenance including re-lamping. - Return power back to source and installation is now completed
If dimming is required (Type B), only operate with specific dimmer manufactured by Lutron; NTELV 300, CTELV-303P, DVELV-303P, or SELV-300P. Dimmers only operates on 120V.
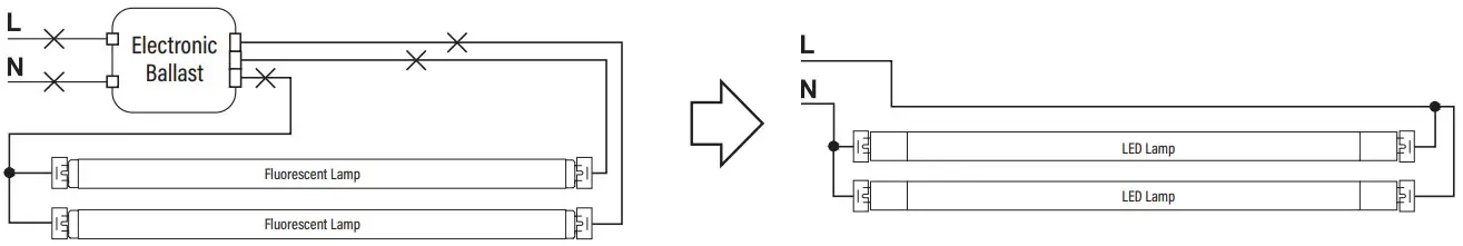
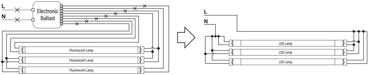
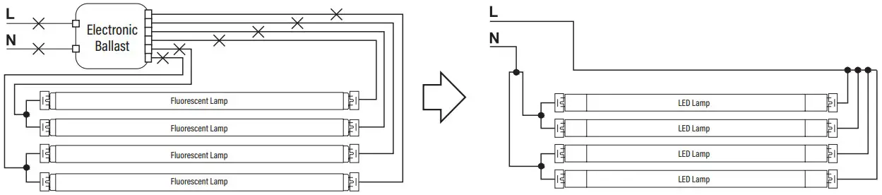
DOUBLE ENDED – The below ballast wiring represents typical configuration.
The actual ballast wiring varies according to the ballast model. It is not a requirement to change the sockets (if in good condition) to operate double ended tubes, regardless of the socket type. Please make sure one side of the fixture is connected to Line (L) and the other side to Neutral (N).
RETROFIT LUMINAIRE WITH ONE LAMP
INSTANT START
PROGRAM START OR RAPID START
RETROFIT LUMINAIRE WITH TWO LAMPS
INSTANT START
PROGRAM START OR RAPID START
RETROFIT LUMINAIRE WITH THREE LAMPS
INSTANT START
PROGRAM START OR RAPID START
RETROFIT LUMINAIRE WITH FOUR LAMPS
INSTANT START
PROGRAM START OR RAPID START
UL TYPE B – DIRECT WIRE (Ballast Bypass) SINGLE END INSTALLATION
WARNING
DISCONNECT POWER BEFORE INSTALLING OR SERVICING.
TYPE B LAMP – intended for operation in luminaires with traditional fluorescent-type lampholders wired directly to the branch circuit. This includes both factory-wired luminaries as well as those converted for this purpose under a retrofit program.
This wiring method requires NON-SHUNTED lampholders. (Fig. 1)
Read all WARNINGS before continuing this section.
This item is rated at 120-277VAC. Installer must determine whether line voltage 120-277V is available at the luminaire before installation.
Make sure POWER IS TURNED OFF AT THE SOURCE. Do not simply switch off fixture.
- Remove existing covers from the light fixtures according to the light fixture manufacturer’s instructions. Carefully remove the existing fluorescent tubes and dispose of them according to federal, state and local laws.
- Cut off wires connected to ballast, and remove ballast (and starter if present). Dispose of removed ballast according to federal, state and local laws.
- Connect Line (L) from power source into one side of the non-shunted lamp holder. This will be “Line In”.
- Connect Neutral (N) from power source into the other side of the non-shunted into lamp holder. This will be “Neutral In”.
- If installing a single tube refer to typical wiring diagrams on the following page. If connecting multiple lamps, continue reading.
- Connect separate Line wire into “Line out” from primary source lamp holder and connect that wire into “Line in” on the adjacent tube.
- Connect separate neutral wire into “Neutral out” from primary source lamp holder and connect that wire into “Neutral in” on the adjacent tube. Refer to typical wiring diagrams on the following page.
- This fixture is now powered at one end only, for use with bypass tubes where one end is marked with both L and N, for each pin respectively. (Fig. 2)

- Install lamp with the L and N markings into the wired lamp holder end.
- Visibly affix “Modification Sticker” and reinstall housing cover and lens if applicable.
CAUTION: “This luminaire has been modified to operate LED lamps. Do not attempt to install or operate fluorescent lamps in this luminaire,” shall be marked on the retrofit luminaire where readily visible by the user during normal maintenance including re-lamping. - Return power back to source and installation is now completed.


If dimming is required (Type B), only operate with specific dimmer manufactured by Lutron; NTELV-300, CTELV-303P, DVELV-303P, or SELV-300P. Dimmers only operates on 120V.





















