KENT 199716 Grand Wall Mounted RO Water Purifier
Dear Customer,
At the outset, allow us to thank you for your trust in a KENT water purifier. We take pride in our reputation for product quality and industry proven performance. We are certain that your decision to own KENT Grand+ Mineral RO™ Water Purifier will go a long way towards keeping you and your family in good health. We are confident that you will be satisfied with its performance and that it will serve your need for safer and cleaner drinking water without any compromise. This guide will help you in getting the best out of your water purifier. Please go through this booklet to familiarize yourself with its operation and maintenance. You can look forward to years of trouble free service. In case you need any further information, contact your nearest KENT dealer or branch. Best Wishes, KENT RO SYSTEMS LTD.
KENT TECHNOLOGY
Salient Features of KENT GRAND
Items in The Box
IMPORTANT INSTRUCTIONS
Reverse Osmosis Process
The Reverse Osmosis process, also known as hyper filtration, is the finest filtration process known till date. The process ensures reduction of particles as small as ions from a solution. Reverse Osmosis uses a semi-permeable membrane to reduce salts from potable/ brackish water. In Reverse Osmosis, water pressure applied to the concentrated side forces the process of osmosis into reverse. Under enough pressure, treated water is “squeezed” through the membrane from the concentrated side to the diluted side. Salts dissolved in water as charged ions are repelled by the RO membrane.The rejected impurities on the concentrated side of the membrane are washed away in a stream of rejected water and thus do not get accumulated 
UV Process
The UV light has shorter wavelength (higher energy) than the visible light. It is called ultra-violet because it is just beyond violet light in the light spectrum. Technically, the ultra-violet light is defined to be of any wavelength of light, which is shorter than 400 nanometer. UV rays, which penetrate into the micro-organisms, are absorbed by the DNA of the pathogen in the water. The DNA is altered in such a way that the pathogen cannot reproduce itself. Thus, it is essentially killed and cannot cause infection.This process of DNA modification is called inactivation.
Note:The purified water stored in tank is disinfected using UV LED, which automatically switches on for 30 minutes in a two hour cycle.
Auto-flushing System
The purpose of the Auto-flushing system is to help prevent scaling or fouling of the RO membrane by providing a rapid rinse which washes away impurities from the membrane’s surface and keeps the membrane clean. It offers the following benefits:
- Lowers rejected water outflow
- Improves “TDS” rejection rate i.e increases the RO membrane’s efficiency
- Extends the life of the RO membrane
Water Flow Diagram
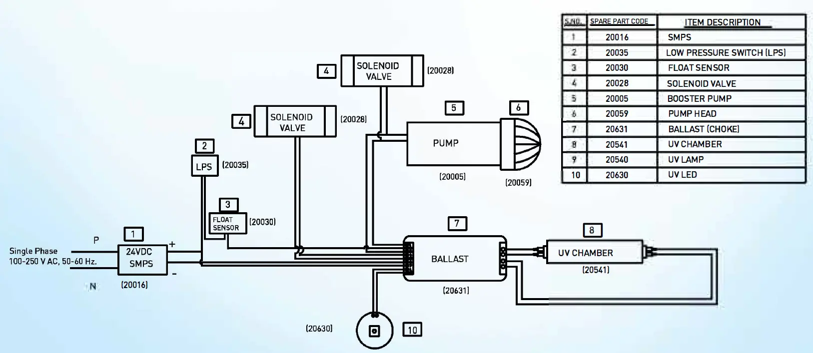
Electrical Circuit Diagram
Electrical Circuit Diagram
KENT Grand+ Mineral RO™ Water Purifier has an in-built feature that sounds an audible alarm if the UV lamp malfunctions.This feature is provided to ensure purity. This UV Fail Alarm will sound as follows:
Single short beeps after every two seconds. The purifier will stop its purification process in such a circumstance. 
Filter Change Alarm*
KENT Grand+ Mineral RO™ Water Purifier has an in-built feature that sounds an audible alarm to indicate replacement time for filters. This alarm will be audible after 700 hrs of use since the last filter change (or since the time of installation).The Filter Change Alarm will sound as follows: 4 short beeps after every two seconds;for 30 seconds.The alarm will repeat after every 2 hours of use. 
Computer Controlled Operation*
To ensure delivery of purer and healthier water, a micro-processor is installed in the purifier that performs the following functions:
UV Stabilization Delay: To ensure that the UV lamp is pre-heated and is working at its optimum level before it starts disinfecting water, the controller provides a two seconds delay to UV lamp when the purifier is switched on. During this period, only the UV lamp is switched on and other electrical devices of the purifier are switched off.
Purification Delay: To ensure that the idle water lying in the internal pipes and in the UV chamber is disinfected before being passed into the storage tank, the system provides 5 second delay when the purifier is switched on. During this time, the UV lamp kills all micro-organisms that may be in the water inside UV chamber. After this delay, all other electrical devices such as booster pump and solenoid valve are switched on to start normal purification process.
Audible Alarm: The controller also controls the timing of UV Fail Alarm and the Filter Change Alarm.
Automatic Operation
- The purifier automatically shuts off when the storage tanks are full
- The purifier automatically flushes & cleans the RO membrane on periodic intervals
- The purifier does not start if the inlet water supply pressure is below 0.3 kg/cm’
- The purifier automatically restarts when water level drops below the maximum
- The purifier does not allow any water rejection in absence of electricity /when tank is full
Installation Instructions
The KENT Grand+ Mineral RO ™ Water Purifier is a product of advanced technology, which ensures safe and clean drinking water. The purifier is easy and convenient to install.
Recommended Site Preparations:
- Single Phase 100-250 V AC, 50-60 Hz. connection not more than 3m away from the point of installation of purifier
- Raw water supply with½ inch nipple not more than 3m away
- Space as per dimensions of the purifier
- Wall plane surface for mounting two screws and holding the machine
- The system and installation must comply with state and local laws and regulations
Specific Instructions:
- KENT Grand+ Mineral RO™ Water Purifier is a wall mountable purifier. Make sure that it is only mounted on a wall. Avoid installation on wooden and metallic stands
- For optimum performance and minimum inlet pressure required, ensure that the raw water supply tank is at least 10 ft above the level at which the purifier is installed

- Paste the central drill sticker on wall at (3.6 Feet to 4.0 Feet from the ground) as per your convenience.
- Ensure that sticker is pasted straight on the wall, then drill holes as per the space provided on sticker.
- Now, insert the puff up with the help of a hammer.
- Screw in two 10X50 self-taping screws, 5.4 inches (138 mm) apart horizontally.
- Carefully hang the purifier on the wall with the help of wall-mounting slot holes provided on the back side of the purifier. Note: If the wall is not straight or the screws are not properly drilled in an even position, it will damage your purifier. Note: Keep the device away from heat or direct sunlight.

- First fix the SS ball valve (marked as no.4) to the 1/4 inch port of the 3-way connecter(marked as no.2) as shown in figure 2.
- Connect the 3-way connector to the raw water supply (marked as no. 1) as shown in the figure 3. The 3-way connector is fitted in line with the raw water supply.
- The other end of the 3-way connector can be connected to a tap (marked as no.3) as shown in figure 4. or can be plugged off if not required.

TDS ADJUSTMENT
Starting up the purifier
MAINTENENCE


Important safety instructions
WARNING
TECHNICAL SPECIFICATION
| PRODUCT KENT Grand+ |
| Product Code 11099 |
| Product Generic Name Water Purifier |
| Product Colour White |
| Applications Suitable for purification of Brackish/Tap/Municipal Corporation Water |
| Purification Production Rate Upto 20 L/hr.* |
| Body Material ABS Food Grade Plastic |
| Mounting Wall-mounting |
| Dimensions(mm) 400 (L) x 230 (W) x 540 (H) |
| Inlet Water Pressure/Temp (Min.) 0.3 kg/cm’/ 10°C |
| Inlet Water Pressure/Temp (Max.) 4 kg/cm’/40°C |
| Min./Max. Operating pH 6.5-8.0 |
| Filter Cartridge Sediment, Carbon Block Filter, UF and Post Carbon |
| Auto-Flushing System Yes |
| UV Lamp Wattage 11W |
| UV LED Wattage 0.7 W |
| Life of UV Lamp 5000 hrs. of operation |
| Net Weight 8.4 kg |
| Storage Capacity 9L |
| Maximum Duty Cycle 100 L/day |
| Membrane Type Thin Film Composite RO |
| Booster Pump Voltage 24 V DC |
| Total Power Consumption 60 W |
| Input Power Supply Single Phase 100-250 V AC, 50-60 Hz. lQJ |
| IP Rating IPX1 |
Testing Information
The System has been tested according to IS 10500:2012 (Standards for drinking water as per Bureau of Indian Standards) for reduction of the hazardous substances.
Performance Data Sheet-KENT Grand + Mineral RO™ Water Purifier
“This system has been tested according to NSF/ANSI 58 for reduction of the substances listed below. The concentration of the indicated substances in water entering the system was reduced to a concentration less than or equal to the permissible limit for water leaving the system.as specified in NSF/ANSI 58”.
| Substance | Influent challenge concentration mg/L | Maximum permissible product water concentration mg/L | Minimum % reduction |
| Total Dissolved Solids | 750±40mg/L | 187 | 86.8% |
“Do not use with water that is microbiologically unsafe or of unknown quality w/o adequate disinfection before or after the system”.
The replacement component, 20010 SP Inline Sediment Filter 8”, 20009 SP Inline Carbon Filter 8”, 20529 SP RO Membrane High Flow, 20015 SP Post Carbon Filter( Blue), 20003 SP Hollow Fibre Membrane, 20020 SP FRT 450, Can be purchased directly from the manufacturer KENT RO SYSTEMS LTD.





























