
Super Star for Mounting on Wall RO Water Purifier
Instruction Manual

PATENT NO. 199716
Welcome to KENT
Dear Customer,
At the outset, allow us to thank you for your trust in the KENT water purifier. We take pride in our reputation for product quality and industry-proven performance. We are certain that your decision to own KENT Super Star Mineral ROT” Water Purifier will go a long way towards keeping you and your family in good health. We are confident that you will be satisfied with its performance and that it will serve your need for safer and cleaner drinking water without any compromise.
This guide will help you in getting the best out of your water purifier. Please go through this booklet to familiarise yourself with its operation and maintenance.
You can look forward to years of trouble-free service. In case you need further information, contact your nearest KENT dealer/branch.
Best Wishes,
KENT RO SYSTEMS LTD.
KENT TECHNOLOGY – A Breakthrough in Water Purification*
Presenting KENT Super Star Mineral ROTS Water Purifier; it uses futuristic and state-of-the-art technology to provide purer and healthier drinking water.
At the heart of KENT Super Star Mineral ROTM, Water Purifier is a Reverse Osmosis membrane with capillaries as small as 0.0001 microns that reduce even dissolved impurities (salts and heavy metals) and even converts hard water to sweet and purer drinking water KENT Super Star Mineral ROlm Water Purifier allows the user to control the total Dissolved Solids (TDS) level of purified water.

Salient Features of KENT Super Star Mineral ROTM Water Purifier
- Double treatment by RO + UV. processes
- Inbuilt MS Controller that allows adjustment of TIM level of purified water
- Suitable for purification of Brackish/Tap Water/ MunicipalCorporationWater Supply
- Wall-mounted design; best suited for Indian homes and offices
- 8L storage tank with water level indicator
- Fully automatic operation, with auto-on and auto-off function
- Computer-controlled operations for enhanced purity and long life
- Filter Change Alarm’ to indicate filter replacement time
- UV FailAlarm* to indicate failure in UV system
- RO Membrane fused inside membrane housing to prevent tampering
- Vertically mounted SMPS for protection from water
- Use of push-fit fittings for leakage and maintenance-free performance
- An eye-appealing design
- ABS construction for corrosion-free use
Items in the Box
| 1. | KENT Super Star Mineral ROTmWater Purifier: | 01 N |
| 2. | 3-Way Connector: | 01 N |
| 3. | S.S. Ball Valve : | 01 N |
| 4. | Food Grade Pip 0.952 Cm (White): | 2.5 m |
| 5. | Food Grade Pipe 0.635 Cm (Blue): | 2.5 m |
| 6. | Screws & Plastic Insert: | 02 N each |
| 7. | Warranty Card: | 01 N |
| 8. | Sticker Center Drill: | 01 N |
” Tested & certified by TUV-SUD South Asia (P) Ltd.
important instruction

Reverse Osmosis Process
The Reverse Osmosis process, also known as hyperfiltration, is the finest filtration process known to date. The process ensures the reduction of particles as small as ions from a solution. Reverse Osmosis uses a semi-permeable membrane to reduce salts from potable/ brackish water. In Reverse Osmosis, water pressure applied to the concentrated side forces the process of osmosis into reverse. Under enough pressure, treated water is “squeezed” through the membrane from the concentrated side to the diluted side. Salts dissolved in water as charged ions are repelled by the RO membrane. The rejected impurities on the concentrated side of the membrane are washed away in a stream of wastewater and thus do not get accumulated, as in a traditional filter.

UV Process
The UV light has a shorter wavelength (higher energy) than visible light. It is called ultra-violet because it is just beyond violet light in the light spectrum. Technically, ultra-violet light is defined to be any wavelength of light, which is shorter than 400 nanometers.
UV rays, which penetrate into the micro-organisms, are absorbed by the DNA of the pathogen in the water. The DNA is altered in such a way that the pathogen cannot reproduce itself. Thus,it is essentially killed and cannot cause infection. This process of DNA modification is called inactivation.

Water Flow Diagram

| S. NO. | SPARE PART CODE | ITEM DESCRIPTION |
| 1 | 20035 | LOW-PRESSURE SWITCH |
| 2 | 20010 | SEDIMENT FILTER |
| 3 | 20028 | SOLENOID VALVE |
| 4 | 20005 | BOOSTER PUMP |
| 5 | 20009 | ACTIVATED CARBON FILTER |
| 6 | 20003 | OF FILTER |
| 7 | 20034 | TDS CONTROL VALVE |
| 8 | 20002 | RO MEMBRANE |
| 9 | 20018 | FLOW RESTRICTOR TUBE |
| 10 | 20541 | UV CHAMBER |
| 11 | 20015 | POST CARBON FILTER |
| 12 | 20058 | NON RETURN VALVE |
| 13 | 20148 | WATER STORAGE TANK |
| 14 | 20029 | FLOAT MICROSWITCH |
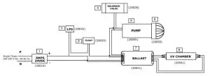
Electrical Circuit Diagram

| S.NO. | SPARE PART CODE | ITEM DESCRIPTION |
| 1 | 20016 | SMPS |
| 2 | 20035 | LOW-PRESSURE SWITCH (LPS) |
| 3 | 20029 | FLOAT MICROSWITCH |
| 4 | 20028 | SOLENOID VALVE |
| 5 | 20005 | BOOSTER PUMP |
| 6 | 20059 | PUMP HEAD |
| 7 | 20021 | BALLAST (CHOKE) |
| 8 | 20541 | UV CHAMBER |
| 9 | 20540 | UV LAMP |
UV Fail Alarm*
KENT Super Star Mineral ROT” Water Purifier has an in-built feature that sounds an audible alarm if the UV lamp malfunctions.This feature is provided to ensure purity. This UV Fail Alarm will sound as following:
One short beep after every two seconds.
In case such an alarm is audible, kindly switch off the purifier and call the service technician for help. The purifier will stop its purification process in such a circumstance.
Filter Change Alarm*
KENT Super Star Mineral ROm Water Purifier has an in-built feature that sounds an audible alarm to indicate replacement time for filters. This alarm will be audible after 700 hrs of use since the last filter change (or since the time of installation). The Filter Change Alarm will sound as following:
4 short beeps after every two seconds for 30 seconds. The alarm will repeat after every 2 hours of use.
In case such an alarm is audible, please call the service technician and request him to change the filters of the purifier. However, if the filters are not changed within the next 60 hours of operation, the purifier will stop functioning to ensure purity and hygiene. The following alarm will be audible after 60 Hrs. A continuous beep for an infinite time.![]()
In case, such an alarm is audible, kindly switch off the purifier and call the service technician to replace the filters. In such a circumstance, the purifier will not function unless the filters are changed
Computer Controlled Operation*
To ensure delivery of purer and healthier water, a microprocessor is installed in the purifier that performs the following functions:
UV Stabilisation Delay: To ensure that the UV lamp is pre-heated and is working at its optimum level before it starts disinfecting water, the controller provides a two seconds delay to the UV lamp when the purifier is switched on. During this period, only the UV lamp is switched on and other electrical devices of the purifier are switched off.
Purification Delay: To ensure that the idle water lying in the internal pipes and in the UV chamber is disinfected before being passed into the storage tank, the system provides a 5-second delay when the purifier is switched on. During this time, the UV lamp kills all micro-organisms that may be in the water inside the UV chamber. After this delay, all other electrical devices, such as the booster pump and solenoid valve are switched on to start the normal purification process.
Audible Alarm: The controller also controls the timing of the UV Fail Alarm and the Filter Change Alarm.
Automatic Operation
- The purifier automatically shuts off when the storage tank is full
- The purifier does not start when inlet water supply pressure falls below 0.3kg/cm’
- The purifier automatically restarts when the water level drops below the maximum
- The purifier does not allow any water rejection in absence of electricity/when the tank is full
Installation Instructions
The KENT Super Star Mineral RO™ Water Purifier is a product of advanced technology which ensures safe and clean drinking water. The purifier is easy and convenient to install.
Recommended Site Preparations:
- Single Phase Single Phase 100-250 V AC, 50-60 Hz. connection not more than 3m away from the point of installation of the purifier
- Raw water supply with% inch nipple not more than 3m away
- Drain for rejected water not more than 3m away
- Space as per dimensions of the purifier
- Wall/plane surface for mounting two screws and holding the machine
- The system and installation must comply with state and local laws and regulations
Specific Instructions:
- KENT Super Star Mineral RO”A Water Purifier is a wall-mountable purifier. Make sure that it is only mounted on a wall. Avoid installation on wooden and metallic stands
- For optimum performance and minimum inlet pressure required, ensure that the raw water supply tank is at least 10 ft above the level at which the purifier is installed
- It is preferable to install the purifier near a sink so that inlet and reject water lines are easily available
Installation Procedure:
Hall Hanging Diagram

- Paste the central drill sticker on the wall at (3.6 Feet to 4.0 Feet from the ground) as per your convenience.
- Ensure that the sticker is pasted straight on the wall, then drill holes as per the space provided on the sticker.
- Now, insert the puff up with the help of a hammer
- Screw-in two 10X50 self-tapping screws, 5.4 inches (138 mm) apart horizontally.
- Carefully hang the purifier on the wall with the help of the wall-mounting slot holes provided on the backside of the purifier.
Note:
- If the wall is not straight or the screws are not properly drilled in an even position, it will damage your purifier.
- Keep the device away from heat or direct sunlight.

- First fix the SS ball valve (marked as no.4) to the 1/4 inch port of the 3-way connecter (marked as no.2) as shown in figure 2.
- Connect the 3-way connector to the raw water supply (marked as no. 1) as shown in figure 3. The away connector is fitted in line with the raw water supply.
- The other end of the 3-way connector can be connected to a tap (marked as no.3) as shown in figure 4. or can be plugged off if not required.
Step-3
- Now connect one end of the white pipe to SS ball valve and another end to the upper push-fit elbow fitting to the left-hand side of the purifier labeled as WATER IN,as shown in fig 1.
- Similarly, connect one end of the white pipe to the lower elbow fitting connector in-tank labeled as REJECT WATER and leave the other end in the drain,asshown in fig 2.

Step–4
Before connecting the power supply, it is important that you perform the following functions:
- Open the SS ball valve (handle parallel to the ball valve) to start the flow of water into the purifier,as shown in the figure.
- Wait for 2-3 minutes to ensure that the filters are soaked in water.

Step–5
- Connect the power supply.
- Installation is complete.
TDS Adjustment*
A unique feature in KENT Super Star Mineral ROT” Water Purifier is the TDS control valve, which is not available in any other domestic water purifier to date. This feature allows the user to control the content of natural minerals (TDS) in purified water.
To increase the TDS level the user can turn the screw of the valve anticlockwise; it will result in more mineral content in treated water To reduce the TDS level, the user can turn the screw valve clockwise, it will result in less mineral content in treated water. We recommend the TDS of the purifier to be kept at the lowest but not below 50 mg&
Starting-up the Purifier
- Switch on the power supply
- Wait till the storage tank fully fills up”
- Switch off the power supply
- Drain the storage tank by opening the drain plug present at the bottom of the storage tank as to remove any dust particles present in the pipes and storage tank
- Close the drain plug & switch on the power supply
- The purifier is ready to use
Recommended Uses of Rejected Water
This rejected water usually goes down the drain but if required, can be used for gardening purposes. It has a high concentration of salts and minerals which accelerate plant growth. Rejected water can also be used for cleaning purposes, i.e. utensils cleaning, mopping, etc.
Maintenance
To ensure that the purifier operates at Its optimum level, routine maintenance must be performed. The frequency of the maintenance will greatly depend upon the raw water quality and consumption of treated water.
- The storage tank must be drained once in 2 To do so, switch off the power supply, open the drain plug at the bottom of the lank & allow the water to drain. Then screw back the plug and switch on the power supply
- Replace sediment, activated carbon & post carbon when the filter change alarm Is audible OR after every 12 months. It is recommended to change the FRT when the fillers are replaced
- Replace the RO membrane once in a year
- Replace the UV Lamp once a year
- If you are not going to use the purifier for a long time ( in case you are on a holiday, tour, or out of home), make sure that you disconnect the power supply, turn off the raw water supply, and drain the storage tank
**Tested or certified flushing time – 24hrs.
* Tested & Certified by TUV-SUD South Asia (P) Ltd.
The reverse osmosis system contains a replaceable treatment component critical for the effective reduction of total dissolved solids and that product water shall be tested periodically to verify that the system is performing properly
Replacement of spare parts are as under:-
| -20010 | SP InlIneSedIment Filter 8″ |
| -20009 | SP InlineCarbon Filter 8″ |
| -20002 | SP ROMembraneWelded 8″ Housing |
| -20015 | SP PostCarbonFilter(Blue) |
| -20003 | SP HollowFibreMembrane(RO) |
| -20018 | SP FRT550 |
Note: Filters and membranes are consumables. Their replacement time is dependent on the quality of raw water and water consumption. They are not covered under the warranty. However, if a filter chokes within six months and a membrane within a year, it will be cleaned/repaired/replaced free of cost. Changing the filters and system inspection is available on call. The treatment capacity of the RO membrane will reduce with time due to the clogging of pores of membranes. This reverse osmosis system contains a replaceable component critical to the efficiency of the system. Replacement of the reverse osmosis component should be with one of the identical specifications as defined by the manufacturer, to ensure the same efficiency and contaminant reduction performance?
Important Safety Instructions
- If the supply cord is damaged, it must be replaced by the manufacturer, its service agent, or similarly qualified persons in order to avoid a hazard.
- Children should be supervised to ensure that they do not play with the appliance.
- This appliance is not intended for use by persons (including children) with reduced physical, sensory or mental capabilities, or lack of experience and knowledge unless they have been given supervision or instruction concerning the use of the appliance by a person responsible for their safety
Warning
- Do not operate the UV-C emitter when it is removed from the appliance enclosure.
- Read the maintenance instructions before opening the appliance.
- The appliance must be disconnected from the supply before replacing the UV-C emitter
Technical Specifications
| PRODUCT | KENT SUPERSTAR |
| Product Code | 11011 |
| Product Generic Name | Water Purifier |
| Product Colour | White |
| Applications | Suitable for Purification of Brackish/Tap Water/Municipal Corporation Water. |
| Purification Production Rate | 15 Uhr* |
| Body Material | ABS Food Grade Plastic |
| Mounting | Wall-mounting |
| Dimensions (mm) | 380 (L) x 270 (W) x 505 (H) |
| Inlet Water Pressure/Temp (Min.) | 0.3 kg/cm /10°C |
| Inlet Water Pressure/Temp (Max.) | 4 kg/cm’ /40°C |
| Min./Max. Operating pH | 6.5-8.0 |
| Filter Cartridge | Sediment, Activated Carbon, OF, and Post Carbon. |
| UV Lamp Wattage | 11 W |
| Life of UV Lamp | 5000 hrs. of operation |
| Net Weight | 8.34 kg |
| Storage Capacity | 8L |
| Maximum Duty Cycle | 75 L/day |
| Membrane Type | Thin Film Composite RO |
| Booster Pump Voltage | 24 V DC |
| Total Power Consumption | 60 W |
| Input Power Supply | Single Phase 100-250 V AC, 50-60 Hz. |
| IP Rating | IPX1 |
*Purification capacity tested on Municipal Water/ Tap Water having TDS level of 750 ppm at room temperature.
Testing Information
The System has been tested according to IS 10500:2012 (Standards for drinking water as per Bureau of Indian Standards) for the reduction of the hazardous substances
Performance Data Sheet-KENT Super Star Mineral ROTM Water Purifier
This system has been tested according to NSF/ANSI 58 for the reduction of the substances listed below. The concentration of the indicated substances in water entering the system was reduced to a concentration less than or equal to the permissible limit for water leaving the system, as specified in NSF/ANSI 58″.
| Substance | Influent challenge concentration mg/L | Maximum permissible Minimum product water concentration mg/L | Minimum % reduction |
| Total Dissolved Solids | 750 ± 40 mg/L | 187 | 86.8% |
“Do not use with water that is microbiologically unsafe or of unknown quality w/o adequate disinfection before or after the system”.
The replacement component, 20010 SP Inline Sediment Filter 8″, 20009 SP Inline Carbon Filter 8″, 20002 SP RO Membrane Welded 8″ Housing, 20015 SP Post Carbon Filter (Blue), 20003 SP Hollow Fibre Membrane (RO), 20018 SP FRT 550, Can be purchased directly from the manufacturer KENT RO SYSTEMS LTD.
![]()
KENT RO SYSTEMS LTD.Marketed by:
E-6, 7 & 8, Sector-59, Noida, U.P.-201 309, India. E-mail: [email protected] I Website: www.kent.co.in
Manufactured by:
KENT RO SYSTEMS LTD.
- Khasra No. 93, Village-Bantakhedl, Tehsit-Roorkee, ❑ District-Haridwar, Uttarakhand-247 668, India.
- A-6, Sector-87, Noida-201305, U.P., India. ❑
For customer complaints, contact our Customer Care Officer at:
E-6, 7 & 8, Sector-59, Noida, U.P.-201 309, India. Call: 92-789-12345
E-mail: servicerakent.co.in or visit us at www.kent.co.in



















