legrand F03036EN-05 Connected Latching Relay

Requires prior installation of a “with Netatmo” connected starter pack or a Gateway module.
DESCRIPTION – USE
Use:
Enables to remotely control (ON / OFF) lightings previously controlled by push buttons (wireless and / or wired type) by smartphone with Home + Control app and / or by voice via a voice assistant. This connected version also offers functions such as:
– Energy consumption: automatically energy consumption information is available for the circuit to whom the latching relay is wired to.
– Scheduling: automatic opening and reclosing action scenarios based on a timeline. (daily/weekly/specific event such as “holidays”)
Technology:
- Connected latching relay with control by push buttons, via smartphone, voice assistants and / or by its own push button on the front.
- Integrated “Zero crossing” technology: allows contact wear to be kept to a minimum when switching under load.
Symbol :

RANGE
Noise level:
- Noiseless switch: <10bB.

Width:
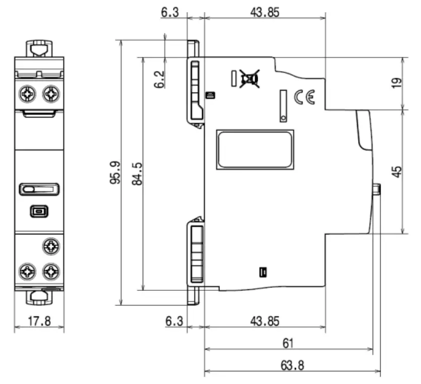
- 1 module. 17.8 mm wide.
Types of contact:
- Normally open contact type ” NO ”

Rated current:
- 16 A
Rated voltage:
- 100 to 240V AC
Rated frequency:
- 50 / 60 Hz
Poles:
- 1 pole « NO »
Configuration and use:
- Can be used as a ” standard ” latching relay not connected
And /Or
Can be used with: - Available for free on Google Play or App Store
OVERALL DIMENSIONS

PREPARATION – CONNECTION
Mounting:
- On symmetrical rail EN / IEC 60715 or DIN 35.
Operating position:
- Vertical, Horizontal, Flat.

Row positioning:
- The product shape and the positioning of the terminals allow the passage of single-line, three-lines and plug-in supply busbars in the upper part of the product. Then, it is possible to freely choose the position of the connected latching relay in the row and to connect by supply busbar the other devices put on the same DIN rail.

Module maintenance:
- It is possible to switch a connected latching relay in the middle of a row supplied with an upstream busbar without disconnecting the other devices on the same DIN rail.
- Unclip the clamp to put it in open position.

- Unscrew the terminals and pull the device forward in order to release it from the DIN rail.

- Pull the device downward in order to completely release it from the prongs of the busbar.

Wiring of the upstream terminals:

In case of a remote control done via a wired push button, the control is done either via C1 and C2 terminals.

Or via a push button through the phase line protected by a circuit breaker on terminal C1

Warning: Do not wire from Neutral to C1 or C2
Wiring of the power supply and the load (downstream terminals):

Electrical performance:
- Maximum loads incandescent lamps: 3840W
- Maximum loads with self-ballasted lamps (CFLi, LEDi…): 650W
- Maximum loads with externally ballasted lamps: 3000W
Wireless network:
- Maximum number of connected devices in the network: 100
Installation of push-buttons:
- Maximum wire length between connected latching relay and wired push-button: 250m
Wiring diagrams for new installation:

- Wired and wireless mixed installation:

- Wireless installation with several wireless push-buttons ” … with Netatmo ” controlling a connected latching relay:

- Wireless installation with one wireless push-button « … with Netatmo » controlling several connected latching relays:

Wiring diagrams for existing installation:
- Before: Installation « 4 wires » with neutral on the pushbuttons

OR
Installation « 4 wires » with line on the push-buttons
After: Installation « 4 wires » with line on the push-buttons
- Before: Installation « 3 wires » with neutral on the push-buttons

After: Installation with wireless push-buttons
OR
Installation « 4 wires » with line on the push-buttons
- Before: Installation « 3 wires » with line on the push-buttons

After: Installation « 3 wires » with line on the push-buttons
Recommended tools:
- For the terminals:
Screwdriver Pozidriv n°1 or flat-blade 4 mm. - For clamping:
Screwdriver flat-blade (5,5 mm or less) or Pozidriv n°1
Connection:
- Control and power screw terminals:
- Terminal type: cage
- Depth: 9 mm
- Stripping length recommended: 9 mm
- Screw head: Posidriv n°1 and slotted
- Type of screw: M3,5
- Minimum tightening torque: mini 0.8 Nm / maxi: 1.4 Nm advised: 1 Nm
Conductor type for remote control terminals (C1, C2):
- Copper cables
Without ferrule With ferrule Rigid cable 1x (0.75 to 2.5mm²)
2 x (0.75 to 1.5mm²)– Flexible cable 1x (0.75 to 2.5mm²)
2 x (0.75 to 1.5mm²)1 x (0.75 to 2.5mm²)
2 x (0.75 to 1.5mm²)
Conductor type for power terminals (N, L, LOAD):
- Copper cables
Without ferrule With ferrule Rigid cable 1x (0.75 to 6mm²)
2 x (0.75 to 2.5mm²)– Flexible cable 1x (0.75 to 6mm²)
2 x (0.75 to 2.5mm²)1 x (0.75 to 2.5mm²)
2 x (0.75 to 1.5mm²)
Remote control commands:
- Operation on-site, directly with the front face push-button of the device.

- Via on-wall push-button control wireless or standard ” wired ” ones (refer to # wiring diagrams)

- Via the Home / Away wireless master switch

- Via smartphone with the Home + Control smartphone app

- By voice through a vocal assistant.

Visualization of the operating mode of the device and contacts:
- Via the LED, on the push button command

| Color | Status | Meaning |
![]() | OFF | Manual mode and opened Contact (OFF) |
| Fixed | Manual mode and closed Contact (ON) |
Visualization of the setup:
- Via the LED on the settings button

| Color | Status | Meaning |
| Fixed | Temporary status. Device not connected to the radio network |
| Fixed | Temporary status. Device correctly paired to the radio network (when the radio network is still open) |
![]() | OFF | Normal status. Device paired to the radio network (when the radio network is closed) |
- Beforehand, to create a connected installation you must install:
Either a gateway module
Or a connected starter pack (drawing of principle, works with anykind of “with Netatmo” connected starter pack).
Or any kind of « with Netatmo » gateway - Beforehand, the general circuit breaker must be turned OFF. Then after wiring step done, installation controlled, refit the front plate so that no active live part is accessible. Then the general circuit breaker can be powered back ON to simultaneously power devices and allow them to be connected to the network.

- Finalize the installation in the Legrand Home + Control app
Download the Home + Control App and follow the instructions for adding the connected product in your setup.



You also have the option of controlling your installation via a voice assistant and can customize your scenarios via the Home + Control App.

Connected latching relay resetting to remove it from a connected installation
- Press and hold over 5 seconds on the setting button until the LED on the setting button be fixed red. It is no longer paired with the Gateway module / Gateway power outlet.

Other configurations & actions
- All other features and settings such as scenarios etc… are directly explained step by step in the smartphone app.
Labelling:
- Circuit identification by way of a label inserted in the label holder situated on the front of the product.

GENERAL CHARACTERISTICS
Marking of the connected latching relay:
Markings of the front side:

Sectioning distance:
- micro-gap construction contact according to the standard EN 60669-2-1
Rated insulation voltage (Ui) :
- Ui = 250 V~
Degree of pollution:
- 2
Rated impulse withstand voltage (Uimp):
- 4 kV
Influence of altitude:
- No influence up to 2 000 m
Assigned frequency:
- 50 / 60 Hz
Rated voltage of use (Ue):
- Ue = 100 to 240 V ~
Resistance to short-circuits:
- Presumed short circuit current 1500 A according to EN 60669-2-1
- Thermal stress: 15 000 A²s to EN 60669-2-1
Recommendations:
- For the latching relays protection against short circuits according to the conditional current, it is recommended to use a circuit breaker or fuse gG with rated current <16 A.
Endurance without load:
- 20 000 000 operations without load
Endurance with electrical load:
- 40 000 operations under load with incandescent lamps according to EN 60669-2-1
- 5 000 operations under load with externally ballasted lamps according to EN 60669-2-1
- 40 000 operations under load with self-ballasted lamps according to EN 60669-2-1
Characteristics of the radio interface:
- Standard IEEE 802.15.4
- Frequencies 2,4 à 2,4835Ghz
- Transmitter output power <100mW
- Distance max between 2 radio devices: 50m in open field
Dielectric resistance:
- 2000V between front face and rail.
- 750V between upstream and downstream.
Protection degree:
- Protection index of terminals against direct contacts: IP2X (wired device).
- Protection index of the front face against direct contacts: IP3XD.
- Class II, front panel with front plate.
- Class of protection against mechanical impacts IK04.
Vibrations and shaking resistance:
- vibrations: 10 to 55 to 10Hz single amplitude 0.75mm
- Shaking: 1000m / s ² (6 ± 1ms)
Plastic material:
- Self-extinguishing polycarbonate.
- Heat and fire resistant according to IEC/EN 60669-2-1, glow-wire test at 960°C
- Classification UL 94 V0 (≥1.5mm)
Ambient operating temperature:
- Min. = – 5 °C Max. = + 45 °C.
Ambient storage temperature:
- Min. = – 40 °C Max. = + 70 °C.
Average weight:
- 78g
Volume when packed:
- 0,62 dm3
Environmental profile:
- PEP document available
Installation software:
- XL PRO3
COMPLIANCE AND APPROVALS
Compliance to standards:
- NF EN 60669-2-1 / IEC 60669-2-1
Environment respect – Compliance with European Union Directives:
- Compliance with Directive 2002/95/EC of 27/01/03 known as “RoHS” which provides for a restriction on the use of dangerous substances such as lead, mercury, cadmium, hexavalent chromium and polybrominated biphenyl (PBB) and polybrominated diphenyl ether (PBDE) brominated flame retardants from 1st July 2006
- Compliance with the Directive 91/338/EEC of 18/06/91 and decree 94-647 of 27/07/04
- Compliant with regulation REACH
Conformity with electromagnetic interference (EMC):
- Compliant EN 301 489-1 , IEC 60669-2-5 , NF EN 60669-2-1
Immunity to shock waves
Radio transmission
Immunity to electrical transients in bursts.
Immunity to conducted disturbances induced by radio fields
Immunity to radiated fields
Electrostatic discharge immunity
Immunity to voltage dips and short break - Compliance radiated emission according to NF EN55032.
Plastic materials:
- Halogen-free plastics.
- Marking of parts according to ISO 11469 and ISO 1043.
- ISO 7000: 2004, Graphical symbols to be used on equipment – Index and synopsis
Packaging:
- Design and manufacture of packaging in accordance with Decree 98-638 of 20/07/98 and Directive 94/62 / EC.
AUXILIARIES AND ACCESSORIES
Beforehand, requires the installation of a ” connected starter pack ” or ” a “gateway module”.




























Green
Red






























