STIHL WP 900 Very High Flow Rate Water Transfer

Introduction
Dear Customer,
Thank you for choosing STIHL. We develop and manufacture our quality products to meet our customers’ requirements. The products are designed for reliability even under extreme con‐ditions.
STIHL also stands for premium service quality. Our dealers guarantee competent advice and instruction as well as comprehensive service support.
STIHL expressly commit themselves to a sus‐tainable and responsible handling of natural resources. This user manual is intended to help you use your STIHL product safely and in an environmentally friendly manner over a long service life.
We thank you for your confidence in us and hope you will enjoy working with your STIHL product.
Dr. Nikolas Stihl
IMPORTANT! READ BEFORE USING AND KEEP IN A SAFE PLACE FOR REFERENCE.
Guide to Using this Manual
Applicable Documents
This instruction manual constitutes original man‐ufacturer’s instructions in the sense of EC Direc‐tive 2006/42/EC. Local safety regulations apply.
- In addition to this instruction manual, read, understand and keep the following documents:
- Instruction manual and packaging of the hose used
- Instruction manual for the STIHL EHC 605.0/705.0 engine
Overview
Water Pump

- Spark plug socket
The spark plug socket connects the ignition lead to the spark plug. - Muffler
The muffler reduces the water pump’s noise level. - Frame
The frame is used to protect and transport the water pump. - Fuel tank cap
The fuel tank cap seals the fuel tank. - Starter handle
The starter handle is used to start the engine. - Throttle lever
The throttle lever is used to adjust the engine speed. - Choke lever
The choke lever is used for starting the engine. - Fuel cock
The fuel cock shuts off the fuel feed. - Screw plug
The screw plug seals the opening for adding water. - Screw plug
The screw plug seals the opening for draining water. - Front engine oil cap
The engine oil cap seals the opening for adding engine oil. - Rear engine oil cap
The engine oil cap seals the opening for checking the oil level. - Main switch
The main switch is used to switch on and stop the engine. - Suction opening
The suction opening is used to connect the suction hose. - Outlet opening
The outlet opening is used to connect the pressure hose.
Rating plate with machine number
Components for Connecting the Hoses

- Connecting piece
The connecting piece is used to connect a hose. - Seal
The seal seals the connecting piece. - Union nut
The union nut secures the connecting piece to the water pump. - Clamp
The clamp secures a hose to the connecting piece. - Suction strainer
The suction strainer filters the water taken in.
Safety Precautions
Intended Use
The STIHL WP 900.0 water pump is used for pumping fresh water to a maximum height of 34 m and from a maximum depth of 6.5 m. The water pump may only be used as a stand-alone unit. The STIHL WP 900.0 water pump is not intended for the following applications:
- Pumping petrol, oil, thinner, solvent and simi‐lar materials
- Pumping acids, alkalis, bases and similar materials
- Pumping liquid food products
- Pumping salt water
- Pumping water with a temperature above 40 °C.
NOTICE
Local regulations and instructions govern the extraction of water from above-ground bodies of water. Observe and comply with local regulations.
WARNING
Failure to use the water pump as intended may result in serious or fatal injury to people and damage to property Use the water pump as described in this instruction manual.
The Operator
WARNING
- Users without adequate training or instruction cannot recognize or assess the risks involved in using the water pump. The user or other persons may sustain serious or fatal injuries.
- Read, understand and save the instruction manual.
- If the water pump is passed on to another person: Always give them the instruction manual.
- Make sure the user meets the following requirements:
- The user must be rested.
- The user must be in good physical con‐dition and mental health to operate and work with the water pump. If the user’s physical, sensory or mental ability is restricted, he or she may work only under the supervision of or as instructed by a responsible person.
- The user is able to recognize and assess the risks involved in using the water pump.
- The user must be of legal age or is being trained in a trade under supervi‐sion in accordance with national rules and regulations.
- The user has received instruction from a STIHL servicing dealer or other experi‐enced user before working with the water pump for the first time.
- The user must not be under the influ‐ence of alcohol, medication or drugs.
- If you have any queries: Contact a STIHL servicing dealer for assistance.
- The water pump’s ignition system produces an electromagnetic field. This field may interfere with some pacemakers. This can result in seri‐ous or fatal injuries.
- If the user has a pacemaker: Make sure the pacemaker is not affected.
Clothing and Equipment
WARNING
- Long hair may be pulled into the water pump when working. This may result in serious injury to the user.
- Tie up long hair securely so that it is above the shoulders.
- The user may come into contact with contami‐nated water or water may spray from the water pump or hoses when working. This may result in injury to the user.
- Wear close-fitting safety glasses. Suitable safety glasses are tested in accordance with EN 166 or national regulations and available commercially with the correspond‐ing marking.
- Noise is produced while working. Noise may damage the hearing.
- Wear hearing protection.
- Unsuitable clothing may get caught in the water pump. This may result in serious injury to the user.
- Wear close-fitting clothing.
- Remove scarves and jewellery.
- Wearing unsuitable footwear may cause the user to slip. This may result in injury to the user.
- Wear sturdy, closed-toed footwear with high-grip soles.
Work Area and Surroundings
WARNING
- Bystanders, children and animals cannot rec‐ognize or assess the dangers of the water pump. Innocent bystanders, children and ani‐mals may be seriously injured and damage to property may occur.
- Keep bystanders, children and animals away from the work area.
- Do not leave the water pump unattended.
- Make sure that children cannot play with the water pump.
- Hot exhaust gas is emitted through the muffler while the engine is running. Hot exhaust gas can ignite easily flammable materials and cause a fire.
- Keep exhaust gas well away from easily flammable materials.
Safe condition
The water pump is in a safe condition if the fol‐lowing points are observed:
- The water pump is not damaged.
- There is no fuel leaking from the water pump.
- The fuel tank cap is closed.
- The water pump is clean.
- The controls function properly and have not been modified.
- Hoses suitable for use with water pumps are fitted.
- The hoses are properly fitted.
- Only genuine STIHL accessories designed for this water pump model are fitted.
- The accessories are correctly attached.
WARNING
- If not in safe condition, components may no longer operate correctly, safety devices may be disabled and fuel leakage may occur. There is a risk of serious or fatal injury.
- Work only with an undamaged water pump.
- If fuel is leaking from the water pump: Do not use the water pump and contact a STIHL dealer for assistance.
- Close the fuel tank cap.
- If the water pump is dirty: Clean the water pump.
- Do not modify the water pump.
- If the controls do not function properly: Do not use your water pump.
- Only fit hoses that are suitable for use with water pumps.
- Only fit genuine STIHL accessories designed for this water pump model.
- Mount hoses and accessories as described in this instruction manual or the instructions supplied with the accessory.
- Never insert objects in the water pump’s openings.
- Replace worn or damaged labels.
- If you have any doubts, be sure to consult a STIHL dealer.
Fuel and Refuelling
WARNING
- The fuel used for this water pump is petrol. Petrol is extremely inflammable. If petrol comes into contact with an open flame or hot objects, it may cause fires or explosions. This may result in serious or fatal injury to people and damage to property.
- Protect petrol from heat and fire.
- Do not spill petrol.
- If petrol is spilled: wipe up the petrol with a cloth and do not attempt to start the engine until all parts of the water pump and the area around the water pump are dry.
- Do not smoke.
- Do not refuel in the vicinity of flames.
- Before refuelling, stop the engine and allow it to cool.
- If the tank needs to be emptied: do this out of doors.
- Start the engine at least 3 m away from the refuelling site.
- Never store the water pump with petrol in the tank inside closed rooms.
- Breathing in petrol fumes may result in poison‐ing.
- Do not breathe in petrol fumes.
- Refuel in a well-ventilated place.
- The water pump warms up while working. The petrol expands and overpressure may occur in the fuel tank. Petrol may gush out when the fuel tank cap is opened. The gushing petrol may ignite. This may result in serious injury to the user.
- Allow the water pump to cool down before opening the fuel tank cap.
- Clothing that comes into contact with petrol is highly inflammable. This may result in serious or fatal injury to people and damage to prop‐erty.
- If clothing comes into contact with petrol: change clothing.
- Petrol poses a risk to the environment.
- Do not spill fuel.
- Dispose of petrol in accordance with regula‐tions and in an environmentally acceptable way.
- If petrol comes into contact with the skin or eyes, this may cause irritation.
- Avoid contact with petrol.
- In the event of contact with the skin: wash the affected areas with plenty of soap and water.
- In the event of contact with the eyes: rinse the eyes with plenty of water for at least 15 minutes and seek medical attention.
- The water pump’s ignition system generates sparks. Sparks may escape and cause fires and explosions in highly inflammable or explo‐sive environments. This may result in serious or fatal injury to people and damage to prop‐erty.
- Use the spark plugs described in this instruction manual.
- Screw in the spark plug and tighten firmly.
- Press on the spark plug socket firmly.
- The water pump may be damaged if it is refu‐elled with petrol that is not suitable for the engine.
- Use fresh, good-quality unleaded petrol.
- Observe the specifications in the engine instruction manual.
Working
WARNING
- The user may lose control of the water pump if they do not start the engine correctly. This may result in serious injury to the user.
- Start the engine as described in this instruc‐tion manual.
- If the water pump is operated without the hoses attached, the user’s hands may get caught in the suction and outlet openings. This may result in serious injury to the user.
- Only operate the water pump with the hoses attached.
- Do not put your hands in the suction or out‐let openings.
- Exhaust fumes are produced when the engine is running. Breathing in exhaust fumes may result in poisoning.
- Do not breathe in exhaust fumes.
- Use the water pump in a well-ventilated place.
- Do not work in a well with the water pump.
- If nausea, headaches, vision problems, hearing problems or dizziness occur: stop working and consult a doctor.
- If the user is wearing hearing protection and the engine is running, their perception and assessment of noise may be limited.
- Work calmly and carefully.
- If the water pump changes or starts to behave differently when working, it may not be in safe condition. This may result in serious injury to people and damage to property.
- Stop working and consult a STIHL special‐ist dealer.
- Water can freeze on the floor and in compo‐nents of the water pump at temperatures below 0 °C. This may result in the user slip‐ping, falling and becoming seriously injured. It may also result in damage to property.
- Do not use the water pump at temperatures below 0 °C.
- If the suction hose or pressure hose is pulled, the water pump may move and fall over. This may result in damage to property.
- Do not pull on the suction hose or pressure hose.
- If the water pump is placed on a sloping, uneven or unpaved surface, it may move and fall over. This may result in damage to prop‐erty.
- Place the water pump on a horizontal, level and paved surface.
- Secure the water pump so it cannot move.
- Taking in highly inflammable and explosive liq‐uids may cause fires and explosions. This may result in serious or fatal injury to people and damage to property.
- Do not take in or discharge highly inflam‐mable or explosive liquids.
- Taking in irritating, corrosive and toxic liquids may endanger health and damage compo‐nents of the water pump. This may result in serious or fatal injury to people and damage to property.
- Do not take in or discharge irritating, corro‐sive or toxic liquids.
- The water pump is not sterile or food-safe. If liquid food products are taken in, they will be contaminated.
- Do not take in or discharge liquid food prod‐ucts.
- If the water pump is not filled with water before starting the engine, this may result in damage to the water pump.
- Fill the water pump with water before start‐ing the engine.
- If the suction strainer is not attached, objects may be sucked into the water pump. The water pump may become clogged or dam‐aged.
- Attach the suction strainer.
- The engine of the water pump is not water‐proof. If the water pump is placed in water, the engine may be damaged.
- Operate the water pump on a dry surface.
- Badly routed hoses may become damaged and people may trip over them. This may result in injury to people and damage to the hoses.
- Route and mark the hoses so people can‐not trip over them.
- Route the hoses so they are not stretched or tangled.
- Route the hoses so they do not become damaged, kinked or crushed or chafe.
- Protect the hoses from heat, oil and chemi‐cals.
- If people sit or stand on the water pump, they may come into contact with hot components and be seriously injured. If objects are placed on the water pump, they may fall down and cause serious injury to people.
- Do not sit or stand on the water pump.
- Do not place any objects on the water pump.
Transporting
WARNING
- The water pump may tip over or move during transport. This may result in injury to people and damage to property.
- Stop the engine.
- Secure the water pump with lashing straps, belts or a net so it cannot tip over and move.
- The muffler and engine may be hot after the engine has been running. This may result in the user burning themselves.
- Carry the water pump by the frame with the muffler pointing away from the body.
- Water can freeze in components of the water pump at temperatures below 0 °C. This may result in damage to the water pump.
- Drain the water pump.
Storing
WARNING
- Children are not aware of and cannot assess the dangers of a water pump and can be seri‐ously injured.
- Shut off the engine.
- Store the water pump out of the reach of children.
- Dampness can corrode the electrical contacts on the water pump and metal components. This can damage the water pump.
- Store your water pump in a clean and dry condition.
- Water can freeze in water pump components at temperatures below 0°C. This can damage the water pump.
- Drain the water pump.
Cleaning, Maintenance and Repair
WARNING
- The water pump may inadvertently start if the engine is running during cleaning, mainte‐nance or repair. This may result in serious injury to people and damage to property.
- Stop the engine.
- The muffler and engine may be hot after the engine has been running. This may result in people burning themselves.
- Wait until the muffler and engine have cooled down.
- Abrasive cleaning agents or using a water jet or sharp objects for cleaning may result in damage to the water pump or hoses. If the water pump or hoses are not cleaned cor‐rectly, components may no longer operate cor‐rectly and safety devices may be disabled. This may result in serious injury to people.
- Clean the water pump as described in this instruction manual.
- Clean the hoses as described in this instruction manual.
- If the water pump or hoses are not maintained or repaired as described in this instruction manual, components may no longer operate correctly and safety devices may be disabled. This may result in serious or fatal injury to people.
- Maintain or repair the water pump as described in this instruction manual.
- Maintain hoses as described in the instruc‐tion manual for the hoses used.
Preparing Water Pump for Operation
The following steps must be performed before commencing work:
- Remove packaging material and transport locks.
- Make sure that the water pump is in safe condition, 4.6.
- Clean the water pump, 14.1.
- Connect the water pump to a water source, 6.1.
- Fill the water pump housing with water, 6.2.
- Refuel the water pump, 7.1.
- Add engine oil, 7.2.
- Check the controls, 9.1.
- If the steps cannot be performed: do not use the water pump and consult a STIHL specialist dealer.
Connecting to a water source
The water pump can take in water from rain barrels, cisterns and from flowing or standing water.

In order for the water to be taken in, the difference in height between the water pump and the water source must not exceed the maximum suction head (a), 18.1. The suction hose must be inherently stable to prevent collapse in the event of negative pressure. The suction strainer must be used.
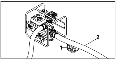
Attaching the hose connections
- Stop the engine.

- Screw on union nut (1) together with connect‐ing piece (2) and seal (3). Do this at both openings.
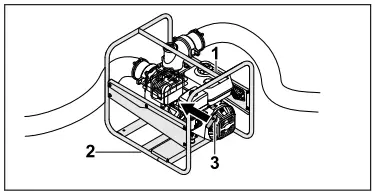
Attaching the hoses

- Push clamps (1) onto pressure hose (2) and suction hose (3).
- Push pressure hose (2) over connecting piece (4).
- Push suction hose (3) over connecting piece (5).

- Align clamps (1) centrally over the resistance ribs of connecting pieces (2 and 3).
- Tighten the screws of clamps (1) firmly. Pressure hose (4) and suction hose (5) are firmly connected to the water pump.
- Place upper part of suction strainer (6) on lower part of suction strainer (7) and turn it anti-clockwise until markings (8) on upper part (6) and lower part (7) are in line.
Upper part (6) and lower part (7) of the suction strainer are firmly connected to each other. - Push clamp (9) onto the other end of suction hose (5).
- Push this end of suction hose (5) over the con‐necting piece of suction strainer (10).
- Align clamp (9) centrally on the connecting piece of suction strainer (10).
- Tighten the screw of clamp (10) firmly. Suction strainer (10) is firmly connected to suction hose (5).
- Suspend suction strainer (10) in the water source so that it does not touch the bottom.
WARNING
Do not disconnect the water pump from the water source during operation and allow it to run empty. Operating the water pump without the housing completely filled can cause severe damage to the pump.
Filling the Water Pump Hous‐ing with Water
- The water pump housing does not contain any water on delivery. In order for water to be taken in and pumped through the hoses, the water pump must be filled with water. Starting the engine with no or too little water in the water pump housing may damage the water pump.
- Add water to the water pump housing before starting the pump.

- Turn screw plug (1) anti-clockwise until it can be removed.
- Fill the water pump housing with at least 3 litres of water.
- Replace screw plug (1).
- Turn screw plug (1) clockwise and tighten firmly by hand.
Refuelling the Water Pump and Adding Engine Oil
Refuelling the Water Pump
- The water pump may be damaged if the cor‐rect fuel is not used.
- See the engine instruction manual.
- Stop the engine.
- Place the water pump on a flat surface with the fuel tank cap facing up.
- Clean the area around the fuel tank cap with a damp cloth.

- Turn fuel tank cap (1) anti-clockwise until it can be removed.
- Remove fuel tank cap (1).
- Add fuel without spilling any and stop at least 15 mm short of the fuel tank brim.

- Place fuel tank cap (1) on the fuel tank.
- Turn fuel tank cap (1) clockwise and tighten firmly by hand. The fuel tank is sealed.
Adding Engine Oil
The engine oil lubricates and cools the engine. The engine oil specification and capacity can be found in the engine instruction manual.
NOTICE
- The water pump does not contain any engine oil on delivery. Starting the engine with no or too little engine oil may damage the water pump.
- Always check the engine oil level before starting and if necessary top up.
- Add the engine oil as described in the engine instruction manual.
Starting and Stopping the Engine
Starting the Engine
- Place the water pump on a level surface.

- Turn main switch (1) to .
- Push fuel cock (2) in the direction of the arrow.
- Push choke lever (3) in the direction of the arrow.
- Push throttle lever (4) in the direction of the arrow.

- Press the water pump to the ground with the left hand on upper frame (1) and place the right foot on lower frame (2).
- Slowly pull out starter handle (3) with the right hand to the point of noticeable resistance.
- Keep quickly pulling out and returning starter handle (3) until the engine is running.
- Push the choke lever back so the engine does not stall.
Stopping the Engine

Turn main switch (1) to 0. The engine stops.
Checking the Water Pump
Checking the Controls
- Start the engine.
- Turn the main switch to 0. The engine stops.
- If the engine does not cut out:
- Close the fuel cock and do not use the water pump; consult a STIHL dealer. The main switch is defective.
Working with the Water Pump
Securing the Water Pump
Secure the water pump so it cannot move.
Routing the Suction Hose
To prevent excessive strain on the threaded connection of the suction opening and to prevent the seal from being crushed or moved, place a suitable object under the suction hose.

- Place a suitable object (1) under the suction hose (2) so that it runs as straight as possible and has no kinks.
Operating the Pump

The pump delivery rate can be adjusted by moving the throttle lever.
- Move the throttle lever to position: the pump delivery rate decreases.
- Move the throttle lever to position: the pump delivery rate increases.
After Finishing Work
- Connect the water pump to a water source in such a way that no sand or dirt can be taken in.
- Start the engine. Sand and dirt are flushed out of the water pump and hoses.
- Stop the engine.
- Allow the water pump to cool down.

- Unscrew union nuts (1). The hoses are detached.
- Turn screw plug (2) anti-clockwise until it can be removed. Water flows out of the water pump.
- Tilt the water pump forwards to drain it com‐pletely.
- Replace screw plug (2).
- Turn screw plug (2) clockwise and tighten firmly by hand.
- If the water pump is wet: allow the water pump to dry.
- Clean the water pump.
Transporting
Transporting the Water Pump
- Stop the engine. Carrying the water pump
- Carry the water pump by the frame with the muffler pointing away from the body.
Transporting the water pump in a vehicle
- Secure the water pump in an upright position so it cannot tip over or move.
Storing
Storing the Water Pump
- Stop the engine.
- Store the water pump in accordance with the following conditions:
- The water pump is out of reach of children.
- The water pump is clean and dry.
- The storage temperature is -20 °C to + 60 °C.
- If the water pump is to be stored for more than 30 days:
- Open the fuel tank cap.
- Drain the fuel tank.
- Seal the fuel tank.
Cleaning
Cleaning the Water Pump
- Shut off the engine.
- Allow water pump to cool down.
- Clean the water pump with a damp cloth or STIHL resin solvent.
- Clean cooling air slots with a soft brush.
Cleaning the Suction Strainer
- Stop the engine.
- Rinse the suction strainer under running water.

- For coarser soiling, detach lower part of suc‐tion strainer (1) from upper part of suction strainer (2) by turning it anti-clockwise and remove. Rinse the inside of the suction strainer under running water.
Cleaning the Hoses
- Shut off the engine.
- Clean the hoses with a damp cloth.
- Rinse the hoses with water.
Maintenance
Maintenance intervals are dependent on the ambient conditions and the working conditions. STIHL recommends the following maintenance intervals:
- Engine
- Maintain the engine as described in the engine instruction manual.
- Water pump
- Have the water pump inspected annually by a STIHL specialist dealer.
Repairing
Repairing the Water Pump
The water pump cannot be repaired by the user.
- If the water pump is damaged: Do not use your water pump and contact your STIHL servicing dealer for assistance.
Troubleshooting
Remedying Water Pump Faults
| Fault | Cause | Remedy |
| Engine cannot be started. | Insufficient fuel in fuel tank. | ► Refuel water pump. |
| Carburettor overheat‐ ing. | ► Allow water pump to cool down. | |
| Carburettor iced up. | ► Allow water pump to warm up. | |
| Main switch set to position 0. | ► Press main switch. | |
| Inferior, dirty or old fuel in tank. | ► Use fresh, good quality fuel (unleaded petrol). ► Clean carburettor. ► Clean fuel line. | |
| Spark plug socket is detached from spark plug or ignition lead is not properly fastened to socket. | ► Clean or replace spark plug. ► Check connection between ignition lead and plug. | |
| Spark plug is dirty, damaged or elec‐ trode gap is incorrect. | ► Clean or replace spark plug. ► Adjust electrode gap. | |
| Engine flooded. | ► Remove spark plug and dry; set main switch to 0 and pull starter rope repeatedly with spark plug removed. | |
| Air filter dirty. | ► Clean or replace air filter. | |
| Oil level in engine too low. | ► Add engine oil. |
| Fault | Cause | Remedy |
| Engine difficult to start or engine power deteriorating. | Water in fuel tank and carburettor or carburettor is blocked. | ► Empty fuel tank, clean fuel line and carburettor. |
| Fuel tank contamina‐ ted. | ► Clean fuel tank. | |
| Spark plug dirty. | ► Clean or replace spark plug. | |
| Incorrect fuel used. | ► Check fuel. | |
| Air filter dirty. | ► Clean or replace air filter. | |
| Engine overheating. | Cooling ribs dirty. | ► Clean cooling ribs. |
| Engine running roughly. | Incorrect fuel used. | ► Check fuel. |
| Insufficient fuel in fuel tank. | ► Refuel water pump. | |
| Air filter dirty. | ► Clean or replace air filter. | |
| Engine stops during operation. | Oil level in engine is too low and oil pres‐ sure sensor stops engine. | ► Top up engine oil. |
| Insufficient fuel in fuel tank. | ► Refuel water pump. | |
| Heavy smoke forma‐ tion. | Oil level in engine is too high. | ► Drain engine oil. |
| Air filter dirty. | ► Clean or replace air filter. | |
| Excessive vibration during operation. | Vibration dampers worn. | ► Replace vibration dampers. |
| Water pump not pumping water. | Suction strainer or hoses are clogged. | ► Clean suction strainer and hoses. |
| Insufficient water. | ► Ensure that a sufficient amount of water is available. | |
| No water in water pump. | ► Connect water pump to a water source. ► Fill water pump with water. | |
| Maximum delivery head or maximum suction head has been exceeded. | ► Observe maximum delivery head or maximum suction head. 18.1 | |
| Suction hose col‐ lapsed on itself. | ► Use an inherently stable suction hose. | |
| Suction hose leaking or not connected properly. | ► Check suction hose and connection. |
Specifications
STIHL WP 900 Water Pump
- Displacement: 252 cc
- Power to ISO 8893: 5.2 kW at 3600 rpm
- Maximum idling speed: 4000 rpm
- Weight with empty fuel tank: 38 kg
- Maximum fuel tank capacity: 4 l
- Connecting piece diameter: 102 mm (4 inches)
- Maximum delivery head: 34 m
- Maximum suction head: 6.5 m

A = Delivery head B = Suction head
– Maximum delivery rate: 94 m³/h
The delivery rate depends on the delivery head:

A = Delivery head
B = Delivery rate
Sound Values
The K value for the sound pressure level is 3 dB(A). The K value for the sound power level is 3.0 dB(A).
- Sound pressure level LpA measured in accordance with ISO 20361: 89 dB(A)
- Sound power level LwA measured in accordance with 2000/14/EC: 102.4 dB(A)
- Sound power level LwA guaranteed in accordance with 2000/14/EC: 105 dB(A)
Exhaust Emissions
The CO2 value measured in the EU type approval procedure is specified at www.stihl.com/co2 in the product-specific technical data. The measured CO2 value was determined on a representative engine in accordance with a standardised test procedure under laboratory conditions and does not represent either an explicit or implied guarantee of the performance of a specific engine. The applicable exhaust emission requirements are fulfilled by the intended usage and mainte‐nance described in this instruction manual. The type approval expires if the engine is modified in any way.
REACH
REACH is an EC regulation and stands for the Registration, Evaluation, Authorisation and Restriction of Chemical substances. For information on compliance with the REACH regulation see www.stihl.com/reach.
Spare Parts and Accessories
These symbols indicate original STIHL spare parts and original STIHL accessories. STIHL recommends the use of original STIHL spare parts and accessories. Despite ongoing market observation, STIHL is unable to judge the reliability, safety and suitability of other manufacturers’ spare parts and accessories; accordingly, STIHL cannot warrant for the use of those parts. Original STIHL spare parts and original STIHL accessories are available from STIHL dealers.
Disposal
Disposing of the Water Pump
Information on disposal is available from your local authority or from a STIHL dealer. Improper disposal may be harmful to health and pollute the environment
- Take STIHL products including packaging to a suitable collection point for recycling in accord‐ance with local regulations.
- Do not dispose of the product with domestic waste.
EC Declaration of Conformity
STIHL WP 900.0 Water Pump
STIHL Tirol GmbH
Hans Peter Stihl-Strasse 5
6336 Langkampfen
Austria
declares under our sole responsibility that
- design: water pump
- nominal output: 5.2 kW
- manufacturer’s brand: STIHL
- type: WP 900.0
- serial number: VB05
complies with the relevant provisions of Directives 2000/14/EU, 2006/42/EC, 2011/65/EU and 2014/30/EU and has been developed and manufactured in accordance with the versions of the following standards valid on the date of manufacture: EN 809 and EN 55012. The measured and guaranteed sound power lev‐els were determined in accordance with Directive 2000/14/EC, Appendix V.
- Measured sound power level: 102.4 dB(A)
- Guaranteed sound power level: 105 dB(A)
The technical documents are stored at STIHL Tirol GmbH.
The year of manufacture and machine number are indicated on the water pump.
Langkampfen, 08.10.2021
STIHL Tirol GmbH
p.p.
Matthias Fleischer, Head of Research and Development Division
p.p.
Sven Zimmermann, Head of Quality Department





























