PowerShield Maintenance Bypass Switch
PSMBSW10K for 6KVA or 10KVA UPS
www.powershield.com.au
Introduction
The PSMBSW10K is used as an external maintenance bypass switch module to provide uninterrupted power to the connected loads during UPS scheduled maintenance, battery
replacement and or UPS replacement. It is suited for use with the 6kVA or 10kVA UPS.
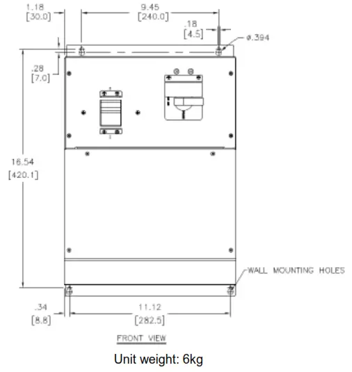
Wall-mounting the Unit
Please see the PSMBSW10K physical dimensions below for wall-mount installations.

Product Overview

- UPS input breaker
- Maintenance bypass switch
- Control output signal connector
- Output terminals
- Utility input terminals
- UPS output terminals
- UPS input terminals
- Grounding terminal
Installation and Operation
Inspection
Unpack the PSMBSW10K carton and check the contents for the following items:
- PSMBSW10K PowerShield Maintenance Bypass Switch module x 1
- Quick guide x 1
- Gland M25 x 3
- Gland M19 x 1
NOTE: Before installation, please inspect the unit and check for damage during transportation. If there is any evidence of damage or missing parts, do not apply power to the unit and immediately notify the carrier and or dealer.
Initial Setup and Connection of the UPS and PSMBSW10K switch module The Installation and wiring must be performed in accordance with the local electrical laws/regulations and must be carried out only by qualified and certified personnel.
- The cable for 6K/6KL should be rated to carry up to 40A current.
- The cable for 10K/10KL should be rated to carry up to 63A current.
- Connect Utility Input to Utility Input Terminals of PSMBSW10K switch module.
- Connect UPS input terminals of PSMBSW10K switch module to input terminals of UPS.
- Connect output terminals of UPS to UPS output terminal of PSMBSW10K switch module.
- Connect output terminals of PSMBSW10K switch module to load.
- Connect UPS EMBS terminals to PSMBSW10K EMBS terminals
Connection of UPS and External Maintenance Bypass Switch Module
Refer to the illustration below for wiring connections:
WARNING: It is essential to connect the EMBS (C1, C2) terminals on the UPS to the EMBS (C1, C2) terminal on the Maintenance Bypass Switch module. Failure to do so will cause damage to the UPS and void the warranty. Check the UPS model User manual for the Rear Panel Terminal Block Pin assignment.
Operation
Transfer to Maintenance Bypass
To transfer from UPS mode to maintenance “Bypass”, follow the steps below:
Step 1:
To transfer the UPS to static bypass mode automatically, unscrew the two fasteners and remove the maintenance switch front cover plate above the switch. This will automatically release the micro-switch located behind the maintenance cover plate (and will connect C1 to C2 on the normally opened micro switch contacts across the EMBS terminals).
Important: Verify the UPS has switched to static bypass mode on the LCD located on the front panel of the UPS. If this does not happen then do NOT proceed any further.
NOTE: EMBS terminals on the module must be correctly connected to EMBS terminals on UPS.
Step 2:
- For Bypass and Test mode – rotate the switch to the “BYPASS” position. In this position, the UPS will still receive mains power however the load will be fed from the mains. Testing can now be performed on the UPS.
- For Bypass and Isolate mode – switch off the PSMBSW10K input breaker on the module. In this position, the UPS will receive no power whatsoever and the load will be supplied from mains. After confirming there is no voltage present on the terminals the UPS can be safely removed from the circuit.
All load devices will now be powered directly by the utility and not through the UPS. After disconnecting the batteries from the UPS, the service and maintenance of the equipment may commence.
Transfer back to UPS mode
To transfer from maintenance “Bypass” to UPS mode, follow the steps below:
Important: Ensure the PSMBSW10K maintenance switch front cover plate is off.
Step 1: Reconnect the Battery system and switch the UPS input breaker and switch on the PSMBSW10K input breaker. The UPS will then enter static bypass mode.
Important: Verify the UPS has switched on and is in static bypass mode on the LCD located on the front panel of the UPS. If this does not happen then do NOT proceed any further.
Step 2: Rotate the switch to the “UPS” position. All load devices will now be powered by the utility through the UPS operating in static bypass mode.
Step 3: Replace and secure the PSMBSW10K maintenance switch cover plate.
Step 4: Press the “ON” button located on the front panel of the UPS unit. Confirm UPS output is operating through the inverter on LCD. All the Load devices will now be fully protected by the UPS.
Specification of Critical Components
| Parameter | Max. | |
| Input breaker | Current | 63 A |
| Voltage | 240 V | |
| Bypass switch | Current | 63 A |
| Voltage | 690 V | |
| Input/Output terminal | Current | 60 A |
| Voltage | 600 V | |


















