Applied Motion Products SSDC EtherCAT

Product Information SSDC EtherCAT Drive
The SSDC EtherCAT Drive is a motor drive designed for use with StepSERVO Motors. It has an input voltage range of 24-70 VDC and is compatible with the Step-Servo Quick Tuner software.
Requirements
- Step-Servo Quick Tuner software
- RS232 configuration cable
- Proper earth ground connection
- Optional motor extension cable and encoder extension cable
- A 24-70 VDC power supply
- A compatible StepSERVO motor
- A small flat blade screwdriver for tightening the connectors (included)
- A PC running Windows XP/ Vista / Windows: 7/8/10/11 (32-bit or 64-bit) system
- RS232 cable is required for configuration (included)
- Software: Step-Servo Quick Tuner, version 3.0.16.0725 or later
- A CAT5 cable for EtherCAT master or daisy chain connection (included)
- Motor extension cable p/n 3004-408 for NEMA11 size motor or p/n 3004-403 for NEMA17/23/24/34 motor (recommended)
- Encoder extension cable p/n 3004-336 for NEMA11 size motor or p/n 3004-338 for NEMA17/23/24/34 size motor (recommended)
- I/O cable, p/n 3004-340 (optional)
Step 1: Installing the Software
- Visit www.applied-motion.com/products/software to download the Step-Servo Quick Tuner software.
- Install the Step-Servo Quick Tuner software on your PC.
- Connect the drive to the PC with RS232 configuration cable.
Step 2: Connecting the Power Supply
- Connect the Main Power Supply. Connect the power supply’s + terminal to the drive’s V+ terminal. Connect the power supply’s – terminal to the drive’s V- terminal.
- Ensure a proper earth ground connection to the drive’s chassis.
Note: Be careful not to reverse the “+” and “-” wires.
Reversing the connection may blow the internal fuse and void the warranty.- SSDC03: 12 – 48VDC
- SSDC06: 24 – 70VDC
- SSDC10: 24 – 70VDC

- Ensure a proper earth ground connection to the drive’s chassis.
Step 3: Connecting the Motor
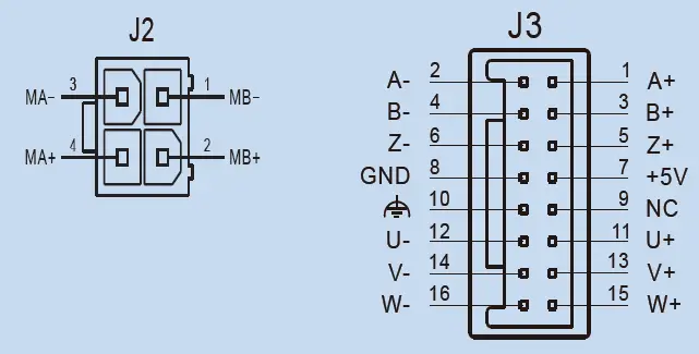
Use the optional motor extension cable and encoder extension cable or make the extension cables using connector housings and crimps included in package. Connect the motor power wires: black, green, red and blue wires to drive’s A+, A-, B+ and B- respectively. Plug the encoder feedback cable into the encoder feedback connector on the drive.

- Use the optional motor extension cable and encoder extension cable or make the extension cables using connector housings and crimps included in package.
- Connect the motor power wires: black, green, red and blue wires to drive’s A+, A-, B+ and B- respectively.
- Plug the encoder feedback cable into the encoder feedback connector on the drive.
Step 4: Configuring the Drive
- Run the Step-Servo Quick Tuner software and select the right COM port in the software.
- Apply power to the drive.
- The software will recognize the drive & display the model & firmware version.
- Click Yes to upload the drive configuration.

- Ensure the model number displayed matches the actual StepSERVO motor connected to the drive.
- Configure the control mode setting, I/O function and tuning parameters, etc.

- When ready to test your configuration, click Download All to Drive.
Step 5: Connecting the EtherCAT
For information on connecting the EtherCAT, please refer to the product manual or contact Applied Motion Products Customer Support. Dual RJ-45 connectors (connection CN3) accept standard Ethernet cables and are categorized as 100BASE-TX (100 Mb/sec) ports. CAT5 or CAT5e (or higher) cables should be used. The IN port connects to a master, or to the OUT port of an upstream node. The OUT port connects to a downstream node. If the drive is the last node on a network, only the IN port is used. No terminator is required on the OUT port. For connection with a master controller, please refer to connection guide on the Applied Motion Products website.
If you have any questions or comments, please call Applied Motion Products Customer Support: (800) 525-1609, or visit us online at applied-motion.com.
18645 Madrone Pkwy Morgan Hill, CA 95037
- Tel: 800-525-1609
- applied-motion.com






















