Applied Motion Products SSDC-R-C-IP Motion Drives

Requirements
- A 12-70 VDC power supply
- A compatible Step SERVO motor
- A small flat blade screwdriver for tightening the connectors (included)
- A PC running Windows XP/ Vista / Windows: 7/8/10/11 (32-bit or 64-bit) system
- Software: Step-Servo Quick Tuner
- A Communication cable for drive configuration and network communication (included)
- Communication converter might be required for RS232 or RS485 network (p/n. 8500-003 recommended)
- Motor extension cable p/n 3004-408 for NEMA11 size motor or p/n 3004-403 for NEMA17/23/24/34 motor (recommended)
- Encoder extension cable p/n 3004-336 for NEMA11 size motor or p/n 3004-338 for NEMA17/23/24/34 size motor (recommended)
- I/O cable, p/n 3004-340 (optional)
Installing the Software
- Visit www.applied-motion.com/products/software to download the Step-Servo Quick Tuner software.
- Install the Step-Servo Quick Tuner software on your PC.
- Connect the drive to the PC with configuration cable
Connecting the Power Supply
- Connect the Main Power Supply.
Connect the power supply’s “+” terminal to the drive’s red wire
Connect the power supply’s “-” terminal to the drive’s black wire
Note: Be careful not to reverse the “+” and “-” wires. Reversing the connection may blow the internal fuse and void the warranty.
SSDC03: 12 – 48VDC; SSDC06: 24 – 70VDC; SSDC10: 24 – 70VDC
- Ensure a proper earth ground connection to the drive’s chassis.
Connecting the Motor
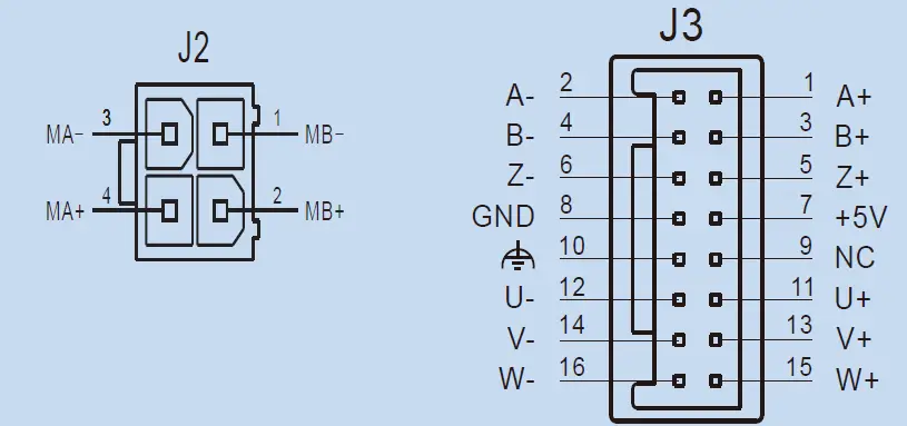
Use the optional motor extension cable and encoder extension cable or make the extension cables using connector housings and crimps included in package. Connect the motor power wires: black, green, red and blue wires to drive’s A+, A-, B+ and B- respectively.
Plug the encoder feedback cable into the encoder feedback connector on the drive.
Configuring the Drive
- Run the Step SERVO Quick Tuner software and select the COM port in the software.
- Apply power to the drive.
- The software will recognize the drive & display the model & firmware version.
For Ethernet Drives, enter your drive’s IP address and Ping to ensure a response before click on connect. - Click “Yes” to upload the drive configuration.
- Config your Step SERVO motor, you can choose from the drop down list


- Configure the control mode setting, I/O function and etc.
- When ready to test your configuration, click “Download all
RJ45 communication connector is used on all SSDC models
Ethernet Communication.
Shielded twisted pair cable (CAT5e or CAT6) is recommended. Set drive’s IP address by rotary switch S1.
CANopen Communication
Use COM1 with RS-232 programming cable for drive configuration. cable is included, use COM2 for daisy chain connection
Set drive’s CANopen address by rotary switch S1.
Set drive’s CANopen baud rate and Termination resistor with dip switch S2.
| PIN | COM1 Signal | COM2 Signal | Wire Color |
| 1 | CAN_H | CAN_H | ORG/WHT |
| 2 | CAN_L | CAN_L | ORG |
| 3,7,8 | GND | GND | GRN/WHT, BRN/WHT, BRN |
| 4 | RS-232_TX | NC | BLU |
| 5 | RS-232_RX | NC | BLU/WHT |
RS-485 Communication
Part no. 8500-003 is a recommended USB to RS-422/485 converter.
It supports either the half-duplex (2-wire) RS-485 network, or the full-duplex (4-wire) RS-422 network.
Set drive’s RS-485 address by rotary switch S1.
Set drive’s RS-485 baud rate and termination resistor by dip switch S2.
S1 is used to set drive’s RS-485 address, and the range is 0~F (0~15 in decimal). If you want to set the drive’s RS-485 address range to 10~1F (16~31 in decimal), you need to configure it in Step SERVO Quick Tuner software.
| PIN | Signal | Wire Color |
| 1 | RX+ | ORN/WHT |
| 2 | RX- | ORN |
| 3 | TX+ | GRN/WHT |
| 4.5 | NC | BLU, BLU/WHT |
| 6 | TX- | GRN |























