insportline IN 20067 Indoor Spinning Bike Drakkaris

SAFETY INSTRUCTIONS
- To ensure the best safety of the exerciser, regularly check it on damages and worn parts.
- If you pass on this exerciser to another person or if you allow another person to use it, make sure that that person is familiar with the content and instructions in these instructions.
- Only one person should use the exerciser at a time.
- Before the first use and regularly make sure that all screws, bolts and other joints are properly tightened and firmly seated.
- Before you start your work-out, remove all sharp-edged objects around the exerciser.
- Only use the exercise for your work-out if it works flawlessly.
- Any broken, worn or defective part must immediately be replaced and/or the exerciser must no longer be used until it has been properly maintained and repaired.
- Parents and other supervisory persons should be aware of their responsibility, due to situations which may arise for which the exerciser has not been designed and which may occur due to children’s natural play instinct and interest in experimenting.
- If you do allow children to use this exerciser, be sure to take into consideration and assess their mental and physical condition and development, and above all their temperament. Children should use the exerciser only under adult supervision and be instructed on the correct and proper use of the exerciser. The exerciser is not a toy.
- Make sure there is sufficient free space around the exerciser when you set it up at least 0.6 m.
- To avoid possible accidents, do not allow children to approach the exerciser without supervision, since they may use it in a way for which it is not intended due to their natural play instinct and interest in experimenting.
- Please note that an improper and excessive work-out may be harmful to your health.
- Please note that levers and other adjustment mechanisms are not projecting into the area of movement during the work-out.
- When setting up the exerciser, please make sure that the exerciser is standing in a stable way and that any possible unevenness of the floor is evened out.
- Always wear appropriate clothing and shoes which are suitable for your work-out on the exerciser. The clothes must be designed in a way so that they will not get caught in any part of the exerciser during the work-out due to their form (for example, length). Be sure to wear appropriate shoes which are suitable for the work-out, firmly support the feet and which are provided with a non-slip sole.
- Be sure to consult a physician before you start any exercise program. He may give you proper hints and advice with respect to the individual intensity of stress for you as well as to your work-out and sensible eating habits.
- The spinning bike has no freewheel. The pedals will move if the flywheel is spinning.
- If you do not use the spinning bike, increase the resistance to the maximum to prevent the flywheel from moving.
- Maximal weight limit: 130 kg
- Category: HC for home use according to EN 957
- Meets standards: EN ISO 20957-1:2013, EN 957-10:2005
IMPORTANT NOTES
- Assemble the exerciser as per assembly instructions and be sure to only use the structural parts provided with the exerciser and designed for it. Prior to the assembly, make sure the contents of the delivery are complete by referring to the parts list of the assembly and operating instructions.
- Be sure to set up the exerciser in a dry and even place and always protect it from humidity. If you wish to protect the place particularly against pressure points, contamination, etc., it is recommended to put a suitable, non-slip mat under the exerciser.
- The general rule is that exercisers and training devices are no toys. Therefore, they must only be used by properly informed or instructed persons.
- Stop your work-out immediately in case of dizziness, nausea, chest pain or any other physical symptoms. In case of doubt, consult your physician immediately.
- Children, disabled and handicapped persons should use the exercise only under supervision and in presence of another person who may give support and useful instructions.
- Be sure that your body parts and those of other persons are never close to any moving parts of the exerciser during its use.
- When adjusting the adjustable parts, make sure they are adjusted properly and note the marked, maximum adjusting position, for example of the saddle-support, respectively.
- Do not work out immediately after meals!
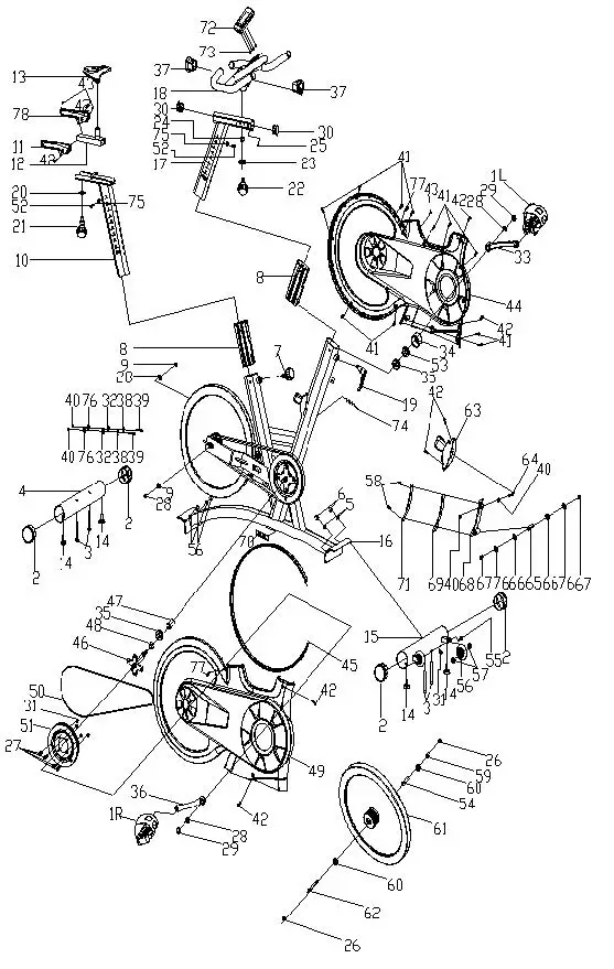
PARTS LIST

| NO. | Name | QTY | Specification |
| 1 L/R | Pedals (L – left, R – right) | 1 | |
| 2 | End cap 1 | 4 | Φ76 |
| 3 | Screw | 4 | M10*90 |
| 4 | Rear stabilizer | 1 | |
| 5 | Washer | 4 | Φ10 |
| 6 | Nut | 4 | M10 |
| 7 | Knob with spring | 1 | Φ50*82 (M16*1,5) |
| 8 | Plastic sleeve 1 | 2 | 70*30*1,5 |
| 9 | Washer | 2 | GB/T 95-2002 12 |
| 10 | Seat post | 1 | |
| 11 | Seat post cover | 1 | 255*33*77 |
| 12 | Seat holder | 1 | |
| 13 | Seat | 1 | DD-2681 |
| 14 | Stopper | 4 | Φ70*36 |
| 15 | Front stabilizer | 1 | |
| 16 | Main frame | 1 | |
| 17 | Handlebar post | 1 | |
| 18 | Handlebar | 1 | |
| 19 | L shaped knob | 1 | M16*1,5×20 mm |
| 20 | Washer 1 | 1 | Φ32* Φ8,2*2 |
| 21 | Knob | 1 | M8*15 |
| 22 | Knob 2 | 1 | Φ50*76,5 |
| 23 | Nut | 1 | 32*12 (M16x1,5) |
| 24 | Fixing shaft | 1 | Φ22*20 |
| 25 | Screw 3 | 1 | M6*12 |
| 26 | Nut 2 | 2 | M12*1,25 |
| 27 | Screw | 4 | M8*16 |
| 28 | Nut 1 | 4 | M12,1,25 |
| 29 | Crank end cap | 2 | Φ28*6,5 |
| 30 | End cap 2 | 2 | 38*38*2,0 |
| 31 | Nut | 6 | M8 |
| 32 | Gasket | 2 | Φ16* Φ6 |
| 33 | Left crank | 1 | 170*15 |
| 34 | Crank cover | 1 | Φ58*28 |
| 35 | Bearing | 2 | 6004ZZ |
| 36 | Right crank | 1 | 170*15 |
| 37 | Plastic sleeve | 2 | 38*38*3,0 |
| 38 | Washer | 2 | |
| 39 | Screw | 2 | M6*54 |
| 40 | Nut | 4 | M6 |
| 41 | Screw 1 | 11 | ST4,2*19 |
| 42 | Screw 2 | 8 | ST4,2*19 |
| 43 | Screw 4 | 3 | ST2,9*12 |
| 44 | Outer chain cover | 1 | 872*507*95 |
| 45 | Little chain cover | 1 | 15*8,2*1320 mm |
| 46 | Axis | 1 | Φ20*162 |
| 47 | Long fixing tube | 1 | Φ25* Φ20,2 Φ41,2 |
| 48 | Short fixing tube | 1 | Φ25* Φ20,5*7,5 |
| 49 | Inner chain cover | 1 | 872*507*116 |
| 50 | Belt | 1 | 5PK54 |
| 51 | Belt wheel | 1 | Φ200*24 |
| 52 | Screw 5 | 2 | ST4,8*13 |
| 53 | Nut | 1 | M20*1,0 |
| 54 | Fixing tube | 1 | Φ16* Φ12,2*56,2 |
| 55 | Screw | 2 | M8*40 |
| 56 | Transport wheel | 2 | Φ69*23 |
| 57 | Bearing | 4 | 608ZZ |
| 58 | Screw 2 | 2 | M6*16 |
| 59 | Fixing tube | 1 | Φ16* Φ12,1*35 |
| 60 | Bearing | 2 | 6001ZZ |
| 61 | Flywheel | 1 | HT250/ Φ453*72 |
| 62 | Flywheel shaft | 1 | Φ12*160 |
| 63 | Breaking pad | 1 | |
| 64 | Screw | 1 | M6*41 |
| 65 | Spacer | 1 | Φ10*M6*42 |
| 66 | Washer 2 | 2 | M6 |
| 67 | Screw 2 | 2 | M6*12 |
| 68 | Breaking system | 1 | |
| 69 | Rubber washer | 1 | 95*16*9 |
| 70 | End cap 2 | 1 | 80*40*1,5 |
| 71 | ??? | 1 | 110*16*4 |
| 72 | Console | 1 | ST-6521 |
| 73 | Screw 3 | 4 | M5*10 |
| 74 | Sensor | 1 | SR-202 |
| 75 | Nut | 2 | M5 |
| 76 | Nut | 4 | M6 |
| 77 | Screw 3 | 2 | ST4,8*13 |
| 78 | Left seat cover | 1 | 255*33*77 |
ASSEMBLY
Make sure you have enough space before folding.
Make sure no part is missing.
STEP 1
Secure the front stabilizer (15) to the main frame (16) with 2 washers (5), nuts (6) and screws (3). Secure the rear stabilizer (4) to the main frame (16) with 2 washers (5), nuts (6) and screws (3).
STEP 2
Attach the seat post (10) to the main frame (16) and secure with the knob (7) To adjust the desired height, loosen the knob (7) and then tighten it again.
Then attach the seat (13) to the seat post (10) and screw it in with the screws located under the seat.
STEP 3
Attach the handlebar post (17) to the main frame (16). Secure with the knob (19) and adjust to the desired height. Attach the handles (18) with the knob (22) and screw (25).
Attach the console (72) to the handles (17) with 4 screws (73).
STEP 4
The pedals are marked L – left, R – right.
Attach the left pedal counterclockwise to the left crank. Attach the right pedal to the right crank clockwise.
Use the brake (63) to increase the load.
CONSOLE
| MODE/RESET | Confirm the setting Hold for 2 seconds to reset all data |
| SET | Sets TIME, DISTANCE, CALORIES, PULSE Hold down to increase values faster (Console cannot be use) |
FUNCTIONS
| SCAN | Displays TIME – DISTANCE – CALORIES – PULS – RPM / SPEED in sequence |
| RPM | Displays revolutions per minute and speed, functions are displayed every 6 seconds |
| SPEED | Displays speed |
| TIME | You can set the time from 0:00 to 99:00 to count down You can set the count the training time |
| DISTANCE | You can set the distance from 0:00 to 99:50 to count down You can set the counting the distance |
| CALORIES | You can set calories from 0:00 to 99:50 to count down You can set for calorie counting |
| PULSE | Displays the user’s pulse. An audible signal sounds when the target is reached. |
- To use the console, you must insert 1x CR2032 3 V battery Pic. A and you will hear a sound signal, set the calendar (year, month, day and time). Press MODE to confirm. Then is displayed, Pic. B.

- You can then set TIME / DISTANCE / CALORIES / PULS. The adjustable value flashes. Press SET to adjust the value, MODE to confirm the value.
- After receiving any signal, the values begin to be added Pic. C. If the training target is set, the value will be counted down. When you reach your destination, you will hear a sound signal for 8 seconds.
- When SCAN is on, the displayed function changes every 6 seconds in the order TIME /DISTANCE / CALORIES / PULS / RMP (SPEED)

- Use MODE to select the displayed function except RPM (SPEED)
If the console does not receive a signal for 4 minutes, it will automatically turn off. If you remove the battery, the values are reset.
If the display is difficult to read, replace the battery.
Battery: 3V CR2032 – 1 pc
- Remove the screw from the battery cover
- Remove the cover
- Insert the battery
- Attach the cover
USE
Exercise on the spinning bike is based on very simple movements, but you will surely fall in love with them. Thanks to simplicity of the exercise on the spinning bike in can be done by elderly people. Prior to exercise, it is necessary to adjust the height of the saddle. It is important that you sit comfortably. The bicycle saddle must be set so that you can hold the ergonomically shaped handles when sitting. You should not have fully extended hands. You can damage your muscles.
To ensure a comfortable and comfortable exercise, put your feet on the pedal. Nowadays, all modern pedals are equipped with straps for fastening and stabilizing of the foot. It is important for your foot to be firmly and safely positioned during exercise.
The basis of exercising on a bicycle is that the legs are moving on a specific elliptical path. This movement is very similar to cycling. When doing exercise on a bicycle, you just sit on the saddle with the right height, keep your feet firmly in the pedals, hold the ergonomically shaped handles and exercise.
It is advisable at the beginning to choose a lower load. If you exercise at regular intervals on an spinning bike, you can gradually increase the load. You can increase the load gradually over a week or two weeks. Selecting a high load during the start of training can lead to rapid fatigue and muscle damage.
When exercising, it’s important to choose the right load and the right tempo. Try to keep it throughout the exercise. It is not recommended to choose a high pace right from the start. Increase tempo after about a week of regular exercise. The high pace is not equal to the faster burning of calories. Correct calorie burning is reflected in an appropriate and regular exercise. At the beginning of the exercise, the number of burned calories may seem low, but regular and appropriate exercise is the key to achieving the best results.
Exercise on the spinning bike also leads to the formation of muscles. It is mainly used to strengthen the thigh and calf muscles. While exercising on a bicycle, you also move your buttocks.
If you want to exercise right, you should not forget to breathe properly. Proper and regular breathing is recommended in any exercise. It is important to keep regular deep inhales and exhales. Regular and proper breathing during exercises on the spinning bike involves intense exercise of the abdominal muscles. It is advisable to practice 30-35 after consuming food. Failure to do so may result in less calories burned, and in older age even lead to digestive problems.
For best results, you should also consider your diet. It is recommended to start a day of eating sweet food and pastries or muesli with milk. For lunch is recommended to eat a caloric richer meal. Do not forget about the soup. In the evening, light meals are recommended. If you want to improve your health, it’s not just a regular exercise but a whole diet.
Bicycle exercise is an effective exercise for all busy people. Exercise on the spinning bike is effective in strengthening muscles, especially thighs, calves and buttocks. Regular exercise can lead to a slimmer figure. Exercise is recommended not only as a winter training for cyclists but also for people who want to burn excess calories. Regular breathing, regular exercise, reasonable tempo, and balanced diet can lead to your desired results.
CORRECT BODY POSTURE
When training, keep your body upright, or you can learn your hand on your forearms. During pedaling, you should not have your legs fully extended. Your knees should be slightly bent when fully pressing down the pedal. Keep your head straight with your spine to minimize the pain of the cervical muscles and upper back muscles. Always exercise fluently and rhythmically.
EXERCISE INSTRUCTIONS
A successful workout begins with warm-up exercises and ends with cool-down (relaxing) exercises. The warm-up exercises should make your body ready for the main workout. The cool-down phase should protect your muscles from injuries and cramps. Do warm-up and cool-down exercises as shown in the chart below.
- Touching your toes
Slowly bend your back from hips. Keep your back and arms relaxed while stretching downwards to your toes. Do it as far as you are able and hold the position for 15 seconds. Bend your knees slightly - Upper thigh
Lean against a wall with one hand. Reach down and behind you. Lift up your right or left foot to your buttock as high as possible. Keep for 30 seconds and repeat twice for each leg. - Hamstring stretched
Sit and outstretch your right leg. Rest the sole of your left foot against the inside of your right tight. Stretch out your right arm along your right leg as far as you can. Hold for 15 seconds and relax. Repeat all with your left leg and left arm - Inside upper thigh
Sit on the floor and place your feet together. Knees are pointed outwards. Pull your feet as close as possible to your groin. Press your knees carefully downwards. Keep this position for 30-40 seconds if possible. - Calves and Achilles tendon
Lean against a wall with your left leg in front of the right one and your arms forward. Stretch out your right leg and keep your left foot on the floor. Bend your left leg and lean forwards by moving your right hip in the direction of the wall. Hold for 15 seconds. Keep your leg stretched and repeat exercise with other legs.
Exercise Stage. Regular exercise will make your muscles stronger. Keep the pace according to the chart during the training. Training should take at least 12 minutes. 
Then let the muscles calm down by reducing the pace for approx. 5 min. Then do the warm-up exercises. Train regularly at least 3 times a week.
MAINTENANCE
• When assembling, tighten all screws and adjust the bike to the horizontal position.
• Check the screws after 10 hours of use.
• Wipe the sweat after the exercise. Clean the device with a cloth and gentle cleanser. Do not use solvents or aggressive cleaners on the plastic parts.
• When noise is increased, it is necessary to check that all joints are tightened properly.
• Place the product in a clean, ventilated and dry room.
• Do not expose the device to direct sunlight.
STORAGE
Keep the spinning bike in a clean and dry environment. Make sure the power switch is turned off and the spinning bike is not plugged into the power socket.
IMPORTANT NOTICE
- This spinning bike comes with standard safety regulations and is only suitable for home use. Any other use is prohibited and may be dangerous to users. We are not responsible for any injury caused by improper and forbidden use of the machine.
- Consult your doctor before starting training on the spinning bike. Your doctor should evaluate whether you are physically fit to use the machine and how much effort you are able to undergo. Incorrect exercise or switching of the body can harm your health.
- Carefully read the following tips and exercises. If you experience pain, nausea, breathing, or other health problems during exercise, immediately stop the exercise. If the pain persists, contact your doctor immediately.
- This spinning bike is not suitable as a professional or medical purpose. It can also not be used for healing purposes.
- The heart rate monitor is not a medical device. It provides only approximate information about your average heart rate, and any suggested pulse rate is not medically binding. Accumulated data may not always be accurate regarding uncontrollable human and environmental factors.
ENVIRONMENT PROTECTION
After the product lifespan expired or if the possible repairing is uneconomic, dispose it according to the local laws and environmentally friendly in the nearest scrapyard.
By proper disposal you will protect the environment and natural sources. Moreover, you can help protect human health. If you are not sure in correct disposing, ask local authorities to avoid law violation or sanctions.
Don’t put the batteries among house waste but hand them in to the recycling place.
TERMS AND CONDITIONS OF WARRANTY, WARRANTY CLAIMS
General Conditions of Warranty and Definition of Terms
All Warranty Conditions stated hereunder determine Warranty Coverage and Warranty Claim Procedure. Conditions of Warranty and Warranty Claims are governed by Act No. 89/2012 Coll. Civil Code, and Act No. 634/1992 Coll., Consumer Protection, as amended, also in cases that are not specified by these Warranty rules.
The seller is SEVEN SPORT s.r.o. with its registered office in Borivojova Street 35/878, Prague 13000, Company Registration Number: 26847264, registered in the Trade Register at Regional Court in Prague, Section C, Insert No. 116888.
According to valid legal regulations it depends whether the Buyer is the End Customer or not.
“The Buyer who is the End Customer” or simply the “End Customer” is the legal entity that does not conclude and execute the Contract in order to run or promote his own trade or business activities.
“The Buyer who is not the End Customer” is a Businessman that buys Goods or uses services for the purpose of using the Goods or services for his own business activities. The Buyer conforms to the General Purchase Agreement and business conditions.
These Conditions of Warranty and Warranty Claims are an integral part of every Purchase Agreement made between the Seller and the Buyer. All Warranty Conditions are valid and binding, unless otherwise specified in the Purchase Agreement, in the Amendment to this Contract or in another written agreement.
Warranty Conditions
Warranty Period
The Seller provides the Buyer a 24 months Warranty for Goods Quality, unless otherwise specified in the Certificate of Warranty, Invoice, Bill of Delivery or other documents related to the Goods. The legal warranty period provided to the Consumer is not affected.
By the Warranty for Goods Quality, the Seller guarantees that the delivered Goods shall be, for a certain period of time, suitable for regular or contracted use, and that the Goods shall maintain its regular or contracted features.
The Warranty does not cover defects resulting from (if applicable):
• User’s fault, i.e. product damage caused by unqualified repair work, improper assembly, insufficient insertion of seat post into frame, insufficient tightening of pedals and cranks
• Improper maintenance
• Mechanical damages
• Regular use (e.g. wearing out of rubber and plastic parts, moving mechanisms, joints etc.)
• Unavoidable event, natural disaster
• Adjustments made by unqualified person
• Improper maintenance, improper placement, damages caused by low or high temperature, water, inappropriate pressure, shocks, intentional changes in design or construction etc.
Warranty Claim Procedure
The Buyer is obliged to check the Goods delivered by the Seller immediately after taking the responsibility for the Goods and its damages, i.e. immediately after its delivery. The Buyer must check the Goods so that he discovers all the defects that can be discovered by such check.
When making a Warranty Claim the Buyer is obliged, on request of the Seller, to prove the purchase and validity of the claim by the Invoice or Bill of Delivery that includes the product’s serial number, or eventually by the documents without the serial number. If the Buyer does not prove the validity of the Warranty Claim by these documents, the Seller has the right to reject the Warranty Claim.
If the Buyer gives notice of a defect that is not covered by the Warranty (e.g. in the case that the Warranty Conditions were not fulfilled or in the case of reporting the defect by mistake etc.), the Seller is eligible to require a compensation for all the costs arising from the repair. The cost shall be calculated according to the valid price list of services and transport costs.
If the Seller finds out (by testing) that the product is not damaged, the Warranty Claim is not accepted. The Seller reserves the right to claim a compensation for costs arising from the false Warranty Claim.
In case the Buyer makes a claim about the Goods that is legally covered by the Warranty provided by the Seller, the Seller shall fix the reported defects by means of repair or by the exchange of the damaged part or product for a new one. Based on the agreement of the Buyer, the Seller has the right to exchange the defected Goods for a fully compatible Goods of the same or better technical characteristics. The Seller is entitled to choose the form of the Warranty Claim Procedures described in this paragraph.
The Seller shall settle the Warranty Claim within 30 days after the delivery of the defective Goods, unless a longer period has been agreed upon. The day when the repaired or exchanged Goods is handed over to the Buyer is considered to be the day of the Warranty Claim settlement. When the Seller is not able to settle the Warranty Claim within the agreed period due to the specific nature of the Goods defect, he and the Buyer shall make an agreement about an alternative solution. In case such agreement is not made, the Seller is obliged to provide the Buyer with a financial compensation in the form of a refund.






















