FuelTech PS300 Electronic Pressure Sensor

Product introduction
BSP3050 series electronic pressure sensor is an intelligent digital pressure measurement and control product integrating pressure measurement, display, output, and control. This product is an all-electronic structure, the output signal is amplified and processed by A high-precision, low-temperature drift amplifier, which is fed into A high-precision A/D converter and converted into A digital signal that can be processed by the microprocessor. Flexible use, simple operation, easy to debug, safe, and reliable. Widely used in pneumatic, hydropower, tap water, petroleum, chemical, machinery, hydraulic and other industries, the fluid medium pressure measurement display and control.
Safety instructions
- Before installing the equipment, please read this document to ensure that the product is suitable for your application range and not subject to any restrictions;
- Failure to comply with operating instructions or technical information may result in personal injury or property loss;
- Check the compatibility of the product material with the medium to be tested in all applications;
- The equipment is only used as the medium to be tested, so it must only be used correctly to ensure long-term stable operation, so as to ensure that the tested medium will not damage the testing part of the product.
- The responsibility for determining the suitability of the measuring sensor for the appropriate application rests with the operator, and the manufacturer assumes no responsibility for the consequences of operator misuse. Improper installation and use of the sensor result in invalid warranty claims. Pressure sensors monitor the system pressure of mechanical equipment and devices
- Take appropriate measures to prevent static and dynamic pressures from exceeding the specified overload pressure. Do not exceed the indicated burst pressure. Exceeding the burst pressure even for a short period of time can damage the sensor.
Functional specifications
- 4-digit display current pressure value
- High and low voltage protection
- Remote pressure detection
- Zero correction
- Delay/window mode switching
- Switch the normally open/normally closed setting
- The product parameters can be modified according to the operation mode
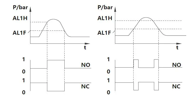
Hysteresis model
The hysteresis function is mainly to keep the output of the switch stable when the pressure value fluctuates around the set point. In the process of pressure rise, when the pressure value is greater than AL1H, the output of the switch will be released when the pressure value is less than AL1F in the process of pressure drop.
Window mode
The window function enables the product to monitor whether the pressure value exceeds a specific pressure range. The switch outputs the action when the pressure value is in AL1H and AL1F, and the output released when the pressure value is outside this range.
Installation instructions
Make sure the system is under any pressure before installing and removing the sensor.
- Connect the sensor device to the optional process interface
- Tightening torque range recommended: 25 to 35Nm
- In critical applications (such as severe shock or shock), pressure pipe connections Mechanical decoupling can be achieved through miniature hoses.


Electrical connections
The products must be wired by qualified electricians and must comply with the electrical equipment Install relevant national and international specifications. The supply voltage shall comply with EN 50178, SELV, and PELV standards
- Cut off the power supply
- Wire the product according to the corresponding wiring method in the figure below



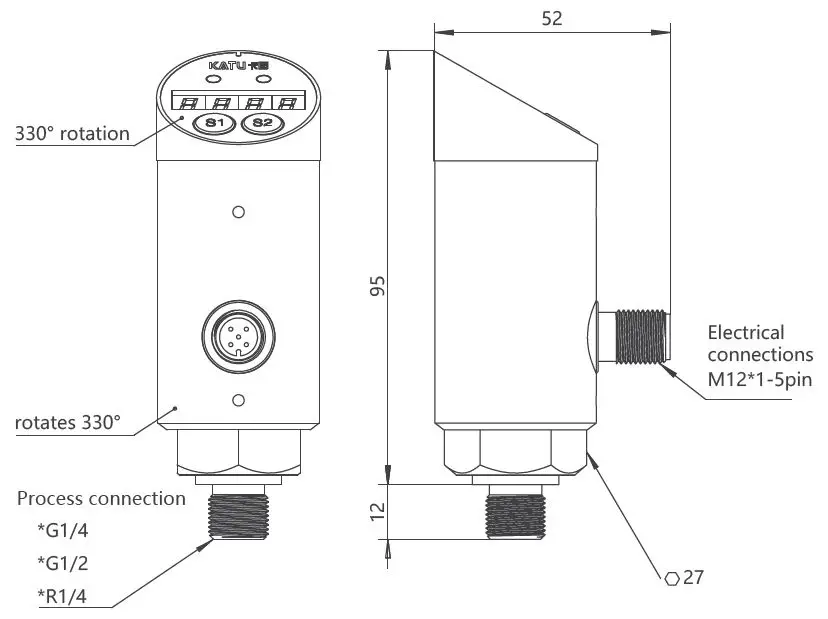
Panel shows

- S1 Look up the menu/add numeric keys
- S2 looks down menu/reduce numeric keys
- S1+S2 click to enter/exit menu at the same time
- S2 long press 5s reset (confirm no pressure before reset)
Operation process:
Click S1+S2 to enter the LOCK password channel and change the password through S1 Enter the menu, click S1+S2 to enter the menu setting, and then click S1+S2 to exit the menu setting After setting parameters, click S1+S2 to save the END channel and exit.
| 0001 Switch value setting menu | |
| AL1H | Switch 1 pull-in value (signal is given when the pressure reaches this point) |
| AL1F | Release value of switch 1 (signal disappears when the pressure returns to this point) |
| AL1D | Switch 1 action delay (resolution: 0.1 seconds) |
| OUT1 | Switch 1 Normally open/normally closed switch (NO/NC) |
| AL2H | Switch 2 pull-in value (signal is given when the pressure reaches this point) |
| AL2F | Release value of switch 2 (signal disappears when the pressure returns to this point) |
| AL2D | Switch 2 action delay (resolution 0.1s) |
| OUT2 | Switch 2 Normally open/normally closed switch (NO/NC) |
| END | Confirm exit after setting (no confirmation will not be saved after exit) |
Note: hysteresis model (switch factory default hysteresis/normally open): the switch point is made up of and value and release, and value is greater than the release often open function (while AL1H for value, AL1F reset values), and value is less than the release often closed function (while AL1F for value, AL1H reset value), the release and absorption value point of difference to switch back to the poor.
| 0066Top menu | |
| DSAL | The default value of 0,1 represents the over range prompt and the display value of 120% of the over range flashes. 0 means turn off the prompt |
| BS-L | 4mA corresponds to the output value, the default minimum range value |
| BS-H | 20mA corresponds to the output value, the default maximum range value |
| OFST | Display value compensation, default 0, increase and decrease value, The actual display value increases or decreases the corresponding value |
| FILT | The filter coefficient is adjustable from 0 to 4, and the default is 1. The larger the filter value, the more stable the display, the lower the display rate |
| SPDL | Display value reaction rate accelerated/decreased |
| A-04 | 4mA output calibration |
| A-20 | 20mA output calibration |
| AL1P | Switch 1 output delay/window mode switch |
| AL1C | Switch 1 output window mode return difference is set to prevent window mode operation pressure from fluctuating at the zero boundary point of the switch. The output of the switch is unstable, and the shock can be eliminated by the window return difference |
| AL2P | Switch 2 output delay/window mode switch |
|
AL2C | Switch 2 output window mode return difference is set to prevent the window mode operation pressure value from fluctuating at the zero boundary point of the switch. The output of the switch is unstable, and the shock can be eliminated through the window return difference |
| BACK | Restore factory Settings |
| END | Set completion to exit |


| Fault code and handling | |
| EREP | EEPROM data check error, mainly in the boot read data detection. Manual viewing is required, and the error can be restored by resetting. |
| ERo1 | Switch 1 output short circuit. Error output turned off and out of control. Measure: eliminate short circuit and power up again |
| Ero2 | Switch 2 output short circuit. Error output turned off and out of control. Measure: eliminate short circuits and power up again |
| ER12 | Switch 1/2 output shorted simultaneously. Error output turned off and out of control. Measure: eliminate the short circuit and power up again. |
When the product is in the running state, the device will carry out the measurement according to the set parameters and send out the output signal. The product has a number of self-diagnosis options and can automatically conduct self-monitoring during operation.
Katu Electronic (Kunshan)Co., Ltd:
- PHONE: 400-150-8815
- website: www.katusensor.com.
- factory 1: No. 1120 East Jinyang Road, Kunshan, Suzhou
Sensors and controllers
- Flow
- pressure
- temperature
- level
- location

























