ENFORCER RINS1903-1 Security and Alarm System Product Range

PIEZO WARNING
The Enforcer system contains a 100dBA siren, please be aware of this after an activation
Introduction
The Enforcer is a wireless alarm system that has been designed to enable easy installation and minimal maintenance. The Enforcer protects the property (domestic or commercial) with a multitude of unique features:
- Two Way Wireless Protection
- Signal Strength Indicator (SSI)
- Instant Two Way Device Control
- Pyronix High Security Wireless Protocol Encryption
- Programmable Wireless Supervision Time
- Intelligent Wireless Jamming Detection
System Overview
- Areas: 4 (4 Levels/Areas)
- Wireless Inputs (max): 64 (32 x onboard, 1 x EURO-ZEM32-WE )
- Wired Inputs (max): 34 (2 x inputs on I/O board (Inputs 33-34) and 4 x ZEMs (Inputs 35-66)
- Total Inputs: 66
- Outputs (max): 38 (1 x output module and 3 x outputs on I/O board, 4 on each ZEM if EURO-ZEM8+ or EURO-ZEM8+PSU are used, 1 on each RKP)
- User / Manager Codes: 80 (Max 32 x wireless keyfobs)
- Duress / Guard Codes: 10
- Code Combinations: 4294967295 (fully encrypted rolling code)
- Communications: DIGI-GPRS, DIGI-LAN, DIGI-WI-FI, DIGI-GSM, DIGI-PSTN, DIGIPSTN/VOICE
- Arming Devices (max): 4 wired keypads (EURO-LCDPZ) and/or 4 wireless keypads (LEDRKP-WE). Internal or External Tag Readers.
- Sirens: 2 Wireless Sirens or 2 Wired Sirens (in SCB mode)
- Logs: 750
- Memory Type: EEPROM
- Compliant to EN Grade*: 2
- Environmental Class: II
NOTE : All wireless learning is performed in the ‘WIRELESS DEVICE CONTROL’ menu, refer to the programming manual for more details. Compliance labelling should be removed or adjusted if non-compliant configurations are used. Please note that technical functions for example fire, gas and flooding are not security graded as they are outside the scope of EN50131-1 and EN50131-3.
Specification and Warranty
Technical Specification
| Enforcer Mains Inputs | |
| European rated voltage | 230V AC -15/+10% |
| European rated current | 83mA |
| Capable operating voltage | 90 – 264V AC |
| Current | 222mA – 75mA |
| Rated Frequency | 50 / 60Hz |
| Input Fuse Rating | T 2A (cannot replace) |
| PSU | Type A |
| Radio Frequency | 868MHz, FM Transceiver Narrow Band |
| Enforcer Battery | |
| Output instant voltage | 12.71V (with no mains and battery fully charged) |
| Peak to peak ripple voltage | 10mVpk |
| Battery low voltage cut off value | 8.5V |
| Type | NiMH 8 cell 2200mAh rechargeable battery |
| CIE current when operating on battery backup | 90mA |
| Environment | |
| Physical Dims | 220 x 160 x 50mm |
| Weight | 1025g |
| Operating Temp | -10°C to +40°C |
| Nominal Temp | -10°C to +50°C |
| Storage Temp | -20°C to +60°C |
| I/O Board (If Connected) | |
| Inputs | 2 Wired (DEOL, SEOL) |
| Output Voltage | 13.2 VDC (nominal) |
| Max Current for PGM Output | 70mA |
| SAB Outputs | 250mA Continuous Load |
| Bus Fuse | F500mA 250V Bus Fuse |
| Aux Fuse | F500mA 250V Aux Fuse |
| Systems Analysis: Inputs (Max 66) | |
| On Board | 32 Wireless |
| I/O Board | 2 Wired |
| Input Modules | 4 Wired (8 wired input each): EURO-ZEM8, EURO-ZEM8+ or EURO-ZEM8+PSU 1 Wireless (32 wireless inputs): EURO-ZEM32-WE |
| Systems Analysis: Outputs (Max 40) | |
| I/O Board | 3 Wired |
| Keypads/Readers | 3 Wired: EURO-LCDPZ, EUR-107 |
| Input Module | 16 Wired: EURO-ZEM8+ |
| Output Module | 1 Wired: EURO-OEM8R8T or EURO-OEM16R+PSU 1 Wireless: EURO-ZEM32-WE |
| 2 x Fuses | F500mA 250V |
| System Analysis: Additional Devices | |
| Keypads | Up to 3 |
| Readers | Up to 3 |
| Bell Boxes | 2 |
| Wireless Arming Stations | 4 |
Installation Guide
NOTE 1: It is recommended that the Engineer menu is accessed prior to opening a powered Enforcer.
NOTE 2: If any new peripheral is installed (i.e. Modem, I/O board, Expander) it is recommended that the Enforcer is powered down (mains and battery).
- Slightly unscrew the two screws located at the bottom.
NOTE: Do not fully unscrew at these can be used as a ‘hanger’ to the rear casing as shown in Step 3.
- Unhinge the Enforcer from the top and pull down to disconnect.
NOTE: Take extra care when removing the front of the Enforcer as modems, I/O boards etc may be connected to the front.
- Hang the front of the Enforcer on the opening screws at the bottom if required. Shown below.

Mains and Earth Wiring

It is important that the electrical earth connection is connected when connecting the 240V mains supply to the Enforcer.
- NOTE 1: Do not locate the mains cables next to internal cabling.
- NOTE 2: Ensure that the Enforcer is not mounted on any metal surfaces.
- NOTE 3: That the mains cables should not be internally ‘looped’ as shown. This may interfere with the wireless antenna’s. Where possible it is recommended that all mains cables should be installed through the area nearest the mains terminals as shown above.
- NOTE 4: If cable management is an issue, a spacer is available: ENF/SPACER-WE
Inside of the Enforcer: Rear

- Terminals for Earth and Mains Supply.
- If a modem is required (DIGI-PSTN, DIGI-PSTN/VOICE, DIGI-GPRS, DIGI-LAN or DIGI-WI-FI) then this space is used to install them.
- The transformer is situated in a housing.
- The rear tamper adjustment screw is used if the tamper from the front of the Enforcer isn’t sitting flush to the back plate – this may happen if the Enforcer is installed on an uneven surface.
- If an I/O board is installed, then this space is used to install it.
Inside of the Enforcer: Front

- RS232 connection for Up/downloading to the InSite software.
- Where the control panel battery is located.
- The power connection for a communications module if connected.
- The connection for an I/O board if connected.
- The connection for a communication module to be installed.
- The power connection (+15V DC) for the Enforcer.
Connecting / Replacing the Control Panel Battery
- Unscrew the battery compartment
- Connect the battery pack
- Close the battery compartment masking sure no battery cable is trapped underneath.

NOTE: The Enforcer back up battery must be replaced by the manufacturer’s recommendation. The part code for this battery is BATT9V6/2Ah1-WE. The battery is NiMH 8 cell 2200mAh rechargeable. Install the batteries in the space provided and connect the battery connector to the two pins as shown above. Reinstall the battery holder cover and dispose of the batteries in accordance with the local regulations.
Important Installation Notes
- Ensure wiring is done to the national wiring regulations in the country where the installation is taking place. In the UK, this is BS 7671 Requirements for electrical installations; IET Wiring Regulations (17th edition). If in doubt, consult a local qualified electrician.
- Ensure that a readily accessible disconnect device incorporated in the premises installation wiring shall be provided external to the equipment with a contact separation of at least 3,0mm and connected as closely as possible to the supply.
- Ensure that the Input and Output Board (I/O Board) used to connect wired keypads, readers, inputs and outputs to the Enforcer, and is only connected to circuits operating at SELV voltage.
- When securing external wires, ensure that means are provided in the installation to prevent the SELV or signal circuits from coming into contact with live parts of the power supply circuit. Wires should be fixed near their terminal blocks.
- The end of stranded conductor shall not be consolidated by soft soldering at places where the conductor is subjected to contact pressure.
- On completion of wiring use tie-wraps to prevent any loose wires causing a safety hazard (material of cables tie shall be rated at least HB or better).
- Cables ties and hoses shall be separate for power supply cable and SELV wirings.
- Size of protective bonding conductors: minimum section 1.5mm².
RS232 Connection / Uploading and Downloading Software
The Enforcer PC software (InSite) can be downloaded from http://www.pyronix.com/pyronix-downloads.php. To enable the Enforcer to receive upload/download commands, refer to the function ‘SET UP DOWNLOAD’ in the programming manual.
Serial Connection (RS232)
- Open up InSite.
- Click on Roving Dial Customer.
- Enter the panels’ Engineer code.
- Enter the site name.
- (This can be found in SYSTEM OPTIONS->SYSTEM DISPLAYS in the panel on site).
- Enter the Name.
- The little green box which displays RS232 in the bottom left of the Insite screen should turn yellow when connecting and when connected switch to blue.
Cloud Connection
- Open up InSite.
- Click on ‘Roving Dial Customer.’
- Set ‘Dial Out Mode’ to ‘Cloud’.
- Enter the ‘System ID’
- Enter the panels’ ‘System Password.’
- Enter the ‘Site Name.’ (This can be found in SYSTEM OPTIONS->SYSTEM DISPLAYS in the panel on site).
- Enter a Name. (Enter Customer in Database As)
- Click dial.
- The little green box which displays Cloud at the bottom of the Insite screen should turn yellow when connecting and when connected switch to blue.
Input / Output Board
The Input/output (I/O) board contains the RS485 terminals that are used to connect additional wired keypads, readers, input expanders and output expanders .

Terminals:
- D1-: RS485 0V
- D2+: RS485 +12V
- D3: RS485 ‘A’ Bus
- D4: RS485 ‘B’ Bus
- PGM1: Programmable Output
- BELL: Bell output for a wired external sounder
- STRB: Strobe output for a wired external sounder
- Z33: Wired Input 33
- COM: Common terminal for Z33 and Z34
- +12V: +12V auxiliary supply
- Z34: Wired Input 34
The maximum devices the I/O board can have on the RS485 bus are as follows:
- 4 x Input Expanders: EURO-ZEM8, EURO-ZEM8+, EURO-ZEM8+PSU or ZEM32-WE
- 1 x Output Expander: EURO-OEM8R8T or EURO-OEM16R+PSU
- 3 x Keypads/Readers (same bus): EURO-LCDPZ, EUR-107 or EUR-108
Connecting Peripherals to the I/O Board
Connecting Keypads (EURO-LCDPZ)

Up to 3 additional keypads can be connected to the Enforcer. These will be addressed individually and also addressed in the Engineer function ‘‘Assign Keypads / Readers’.
Addressing at the keypad
Each keypad will also need to be addressed individually, press and hold the D key until ‘SECURITY CODE’ is displayed. Enter ‘2000’ and select the desired address (the first keypad that is connected should be addressed as ‘1’). Press the a key to save the data and exit.
Connecting Internal Tag Readers (EUR-107)

Up to 3 readers can be connected to the Enforcer. Each keypad or reader need to be addressed as described below. These will also need assigning in the Engineer function ‘‘Assign Keypads / Readers’.
Addressing at the Reader
- Address 1 = SWITCH 1 ON.
- Address 2 = SWITCH 2 ON.
- Address 3 = SWITCH 1: ON, SWITCH 2: ON.
NOTE: If using the EUR-107 as access control/entry control please refer to the peripheral instructions for connection details
Connecting External Tag Readers (EUR-108)

If an additional external reader is connected, this will need to be assigned in the programming, ‘Assign Keypads/ Readers’. Each reader will also need to be addressed individually via connecting certain wires to ground.
Addressing at the Reader
- Address 1: Brown, Orange to GND
- Address 2: Brown, Green to GND
- Address 3: Brown to GND
NOTE: If using the EUR-108 as access control/entry control please refer to the peripheral instructions for connection details
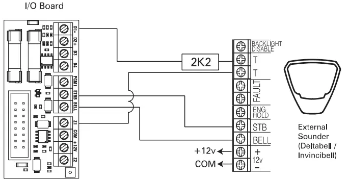
Wiring a Wired External Sounder

To create the bell tamper circuit, a resistor is required across 0V supply and tamper circuit of the bell box. Note that the input must be programmed as ‘tamper’. The resistor value will correspond to the value selected in ‘WIRING CHOICE’.
IMPORTANT: THE BELL BOX CONNECTED WILL NEED TO BE IN SCB MODE. Unless the bell box is a Pyronix Deltabell.
Wiring Wired Inputs

The End of Line value for all wired inputs is programmed in ‘CHOOSE MODE’. At default they are set to DEOL and the resistor values are 4K7 for Alarm and 2k2 for tamper.
Connecting a Wired Input Expander
Up to 4 x Remote Input Expanders can be connected to the Enforcer.

NOTE: The above shows the I/O board connected to a EURO-ZEM8+, the connections for a EURO-ZEM8 are done in the same way. NOTE: If using a EURO-
- ZEM8+PSU, the D2+ MUST NOT be connected.
- ZEM Address 0 (Inputs 35-42), ZEM Address 1 (Inputs 43-50),
- ZEM Address 2 (Inputs 51-58), ZEM Address 3 (Inputs 59-66).
Connecting a Wireless Input Expander
1 x Wireless Input Expander can be connected to the Enforcer.

The HomeControl+ panel now supports the addition of 1 wireless ZEM to expand the number of wireless inputs available. The wireless ZEM allows 32 wireless inputs to be learnt. These 32 inputs are programmed as 4 different ZEMs (addresses), and each having 8 Wireless Inputs assigned. Here is an example:
Wired ZEMs and Wireless ZEMs can be installed together on a system and as long as they are addressed uniquely, they will work alongside each other. For example, if you wish to use 24 wireless inputs and 8 wired inputs, you can address the Wireless ZEM as ZEM 0, 1 and 2 in the programming function ‘Install ZEM’ and learn 24 inputs to the system using the ‘Wireless Device Control’ menu (see the Programming Manual for further information). Then address a wired ZEM as ZEM 3.
Wireless ZEM input Addressing:
| Wireless ZEM | Address | Inputs |
| ZEM32-WE | ZEM Address 0 | 35-42 |
| ZEM Address 1 | 43-50 | |
| ZEM Address 2 | 51-58 | |
| ZEM Address 3 | 59-66 |
Wireless ZEM Header Addressing:
| Wireless ZEM | Address | 0-3 | 4-7 | 8-11 |
| ZEM32-WE | ZEM Address 0 | OFF | ON | OFF |
| ZEM Address 1 | OFF | ON | OFF | |
| ZEM Address 2 | OFF | ON | OFF | |
| ZEM Address 3 | OFF | ON | OFF |
Connecting an Output Expander
1 x Remote Output Expander can be connected to the Enforcer. Each output expander allows 16 additional outputs.

NOTE: The above shows the I/O board connected to a EURO-OEM8R8T. If using a EURO-OEM16R+PSU, the D2+ MUST NOT be connected.
Digi Wi-Fi (Wi-Fi Module).

Manual Setup (On control panel):
- Enter the Engineers menu on the control panel and then go to: “COMMUNICATIONS? -> Data Network Set-up? – > Program WiFi” and press and then
- Enter your router SSID
NOTE: DO NOT USE SSIDs or passwords with spaces between letters and numbers. If this is necessary – see below for setup using smart devices. - Press and then again to enter your router Password and then exit the Engineer’s menu.
NOTE: 32 Characters MAX for SSID and Password entry.
Other Module Options
The Enforcer has other options of , LAN, GPRS, GSM, VOICE or PSTN modules for communication. In order to communicate with the cloud and with an ARC simultaneously, the Enforcer is also compatible with CSL DigiAir Pyronix modules. These come in three variants of Wi-Fi, LAN and GPRS. Please referto the ‘Modem and Communication Guide’ for more information on signalling options and programming. Please refer to the manual provided with these modules for installation instructions.
Product Information
For electrical products sold within the European Community. At the end of the electrical products useful life, it should not be disposed of with household waste. Please recycle where facilities exist. Check with your Local Authority or retailer for recycling advice in your country. When disposing of the product the batteries must be removed and disposed of separately in accordance with the local regulations
Warranty
This product is sold subject to our standard warranty against defects in workmanship for a period of two years. In the interest of continuing improvement of quality, customer care and design, Pyronix Ltd reserve the right to amend specifications without giving prior notice.
Customer Support line (UK Only):
+44(0)845 6434 999 (local rate) or +44(0)1709 535225
Hours: 8:00am – 6:30pm, Monday to Friday
- Email: [email protected]
- Website: www.pyronix.com





















