NAPCO ISECHUB I-Secure Kit 2 Complete Cellular Alarm System
Cold Start, Test, and Reset Processes
Your iSecure Go-Anywhere Smart Hub and 900 MHz Keypads, Siren and take Over module can be reset back to their original “default” conditions, i.e. the state each was in when they first left the factory. Proceed as follows:
Cold Start the Go-Anywhere Hub (Factory Default)
The Go-Anywhere Smart Hub can be reset back to its original “default” condition, clearing all programming and settings, including all zones and keypads, and re-loading its factory default program.
- Remove AC power from the Go-Anywhere Hub.
- Separate the Go-Anywhere Hub front and rear housing by pushing in the two tabs at the bottom with a flat head screwdriver until the tabs unhook. Battery power is removed upon separation of the housing.
- Add a jumper to the two (2) pins of JP2 (located at the top left of the PC board).
- Wait 60 seconds, or until error code E09-00 appears on the keypad or touchpad display.
- Remove the jumper from JP2.
- Reassemble the front and rear housing and reconnect AC power.
- Perform a Full Download of the Hub programming.
Factory Reset the ISEC-WL-SIREN
- Remove power.
- Place jumper on J1.
- Power up siren. The siren will blink once with a strobe flash.
- Remove jumper J1.
- If the default process is successful, upon power up the LED will blink three times.
- If unsuccessful, the LED will blink only once.
Test the ISEC-WL-SIREN (Strobe/Sounder Test)
Use hearing protection before testing! The siren is rated at 85dBA.
- Remove AC and batteries.
- The jumper pins on the siren PCB are marked “2 1” (see image at right). With the unit oriented with the wall outlet AC prongs at the top, the factory storage position for the jumper is across the top two pins.
- Place the jumper across the two bottom pins as shown to begin the test process.
- Install batteries, observing polarity.
- Upon the insertion of the 4th battery, the siren will sound and the strobe will flash.
- Remove jumper and store in the top two pins for future use.
- Remove batteries to silence; replace batteries and restore AC (if necessary).
Factory Reset the ISEC-WL-MODULE Takeover Module
- Remove power.
- Place jumper on J1.
- Power up the module.
- Wait 10 seconds and remove the jumper from J1.
- If the default process is successful, upon power up the LED will slowly blink.
Factory Reset the ISEC-WL-KEYPAD Wireless Battery-Powered Standard Keypad
- Press and hold the AREA (
) button until “LF” appears on the display. - Press 0, 2, ENTER.
- If the default process is successful, the “dot” in the left bottom corner of the display and the word READY will appear. If unsuccessful, only the “dot” in the left bottom corner of the display will appear. Note: This reset procedure can only be initiated either within 1 minute after power-up, or when the keypad flashes “o#” (where # is the keypad address).
Factory Reset the ISEC-WL-TOUCH Wireless 4.3″ Full-Color Security Touchscreen Keypad
- From the Home screen, press the System Settings (“gears”) icon (shown at right).
- Enter the Master Security Code (refer to the OI404LF card), then press ENTER.
- In the System Settings screen that opens, press the Dealer KP Config button.
- Press the LearnOff button. The LearnStatus will change from ON to OFF.
- Press Exit twice to save and exit.
Note: To verify the LearnStatus, re-enter the System Settings screen and press the Dealer KP Config button.
Common Error Codes / Troubles
E01 AC — Power Failure
- This trouble will occur if AC power is not present. Make sure system transformer is plugged into AC receptacle and check the circuit breaker, otherwise call installing company for service.
- E01-89, E01-90, E01-91 and E01-92: AC loss for the ISEC-WLSIREN (#1 through #4)
- E01-93, E01-94, E01-95, and E01-96: AC loss for ISEC-WLMODULE Takeover modules (#1 through #4).
E02 — Low Battery
- If there has been a recent power failure, the battery may be partially depleted and must be recharged by the Go-Anywhere
Smart Hub. - The Go-Anywhere Smart Hub performs an automatic test of the battery every 24 hours, at which time the trouble will clear if the battery has been recharged. If the trouble does not go away in 24 hours, call installing company for service.
E03 — Communication Failure
The system was not able to report to the central station. If this is due to a temporary interruption in the radio or Internet (or both) service, the trouble can be cleared when the service is restored by performing a Communication Test:
- While disarmed, enter your User Code followed by entering.
- Answer NO until “15” (Telephone Test) appears in the window.
- Press YES to send a test signal to the central station.
- If the trouble continues, call installing company for service.
E04-NN — Wireless Transmitter Supervisory Failure
- A problem has been detected with a wireless transmitter. Call installing company for service
E04-(83-88) — Wireless Keypad Trouble Supervisory
- A problem has been detected with a wireless keypad. Call installing company for service.
E04-(89-92) — Wireless Siren Trouble Supervisory
- A problem has been detected with a wireless siren. Call installing company for service.
E04-(93-96) — Wireless Takeover Module Trouble Supervisory
- A problem has been detected with a takeover module. Call installing company for service.
E05-(83-88) — Wireless Keypad Trouble Low Battery
E05-(89-92) — Wireless Siren Trouble Low Battery
E05-(93-96) — Wireless Takeover Module Trouble Low Battery
The battery in a wireless device is low and should be replaced. The replacement battery for the ISEC-WL-KEYPAD is CR123A (use one for standard battery life, use two for extended battery life). The siren requires 4 alkaline C-size batteries. If a low battery is indicated for a takeover module, check the battery or power supply that is providing power to the module.
Warning
- Replace batteries only with the same type as specified above.
- The use of other types may present a risk of fire or explosion. Never recharge or disassemble a battery, or dispose of in fire.
E06-NN — Receiver Response Failure Call installing company for service.
E09-00 — System Cold Start
- For installer use only. (This indication always appears when a system “Cold Start” is performed.
- “Cold Starting” the Go Anywhere Smart Hub resets it back to its original “default” condition, i.e. the state it was in when it left the factory).
E10-NNN — Keypad Response Failure Call installing company for service.
E11-NNN — Keypad Tamper
- The Go-Anywhere Smart Hub has been opened, or a wall-mounted keypad has been opened and/or removed from the wall. Call installing company for service if the problem cannot be repaired.
E15-NNN — RF Transmitter Tamper
- Wireless transmitter cover removed (NN = transmitter number). Call installing company for service.
E16-NNN — Wireless Receiver Jam
- A problem has been detected with the wireless receiver. Call installing company for service.
E17-NNN — Receiver Tamper Condition Call installing company for service.
E18-NNN — Keyfob Transmitter Low Battery
A keyfob transmitter has indicated its power cell(s) are weak and should be replaced. The 4-button ISEC-KEYFOB uses a 3V Lithium coin cell battery (replace with type CR2032 or Duracell DL2032 only). The 1-button ISEC-PANIC uses two Energizer 386 1.5V silver-oxide cells (the unit will also flash its LED to warn of a low-battery).
Warning: Replace batteries only with the same type as specified above. The use of another battery may present a risk of fire or explosion. Do not recharge or disassemble battery, or dispose of in fire.
E40-NNN — RF Self-Test Failure
- A wireless motion sensor on the zone indicated has failed its automatic self-test routine. Call installing company for service.
E41-NNN — Fire Trouble
- A problem has been detected on the fire zone indicated. Call installing company for service.
E42-NNN — CO Zone trouble
- A problem has been detected on the carbon monoxide zone indicated. Call installing company for service.
E51 — Bell/Siren Trouble
- There is a problem with the bell or siren. Call installing company for service.
E59-03 — Ethernet failed to communicate Call installing company for service.
E59-04 — Ethernet poll/check-in failure Call installing company for service.
E59-07 — Wi-Fi failed to communicate Call installing company for service.
E59-08 — Wi-Fi poll/check-in fail Call installing company for service.
E60-03 — Radio failed to communicate Call installing company for service.
E60-05 — Radio Poll or Check-in failure (RF only) Call installing company for service.
ISEC-WL-KEYPAD “Local Functions”.
The ISEC-WL-KEYPAD includes internal keypad ” local functions” that display certain keypad attributes as well as allowfor the adjustment of some internal settings.
Keypad Attributes
This function displays certain keypad attributes that may be helpful when installing and configuring the system.
- Press and hold the keypad AREA (
) button until “LF” appears in the Window. - Press the keypad AREA button once (
), then press ENTER.
Data appears in the following order
Keypad Address
Displays the address assigned by the iSecure Cloud Web Portal when the keypad was added into the system. Up to 6 keypads may be installed in each iSecure system, and each must be assigned a unique Keypad Address number (that is, no two keypads may be numbered alike). Keypads must be numbered consecutively (missing numbers are permitted after keypad delete). Keypads are added to the iSecure Cloud Web Portal in the KEYPADS screen starting at Address number 3, and with up to 6 keypads allowed per system, the Keypad Address numbers, therefore, run from 3 through 8. ]
Note: If the keypad is “out of the system” (no wireless connection to the Hub), the Keypad Address will appear after a lowercase “o” (to signify “out of the system”).
Keypad Firmware Version
The full version number is displayed in the iSecure Cloud Web Portal SECURE DEVICE VERSIONS & STATUS screen, but the keypad displays only partial version numbers after the letters “rE” , and in several segments. For example, if the full version number is “00.02.38 / 00.09”, the (partial) version will appear in the keypad window as “rE, 02, d, 38” (the letter “d” signifies “dot”).
Keypad Battery Voltage Level
The keypad requires one 3V battery. A second 3V battery can be installed and is used only to extend the time between battery replacements, not to increase the voltage. The total battery level is always displayed in two digits with a decimal in between. For example, if the level is 3.0 volts, “30” is displayed; if the level is 2.9 volts, “29” is displayed.
Keypad “Learn” Status
Indicates whether the keypad is or is not currently paired with a Hub. Displayed after the letters “Lr” as either “00” (currently not paired) or “01” (currently paired).
Radio Frequency (RF) Channel
Displayed after the letters “CH”, the RF Channel is a number between 0 and 32, and is assigned by the iSecure Cloud Web Portal or randomly by the Hub when the keypad was paired (zero assigned when the keypad is not yet paired).
Walk Test Mode
Use this function to verify that sufficient wireless signal strength exists between the keypad and the Go-Anywhere Hub, and is useful when selecting suitable (or optimal) keypad mounting and Hub installation locations. Increase the distance between the Hub and the keypad and the radio signal will grow weaker with a corresponding slowing of data rates and throughput. The keypad must be learned into the Hub for this test mode to function.
- Press and hold the keypad AREA (
) button until “LF” appears in the Window. - Press 4 and “F4” appears in the Window, then press ENTER.

When the test is initiated, data is transferred back and forth between the keypad and Hub. When finished, the signal levels of both the keypad and Hub are displayed and a beep is heard in the sequence listed below.
The descriptions below use the following characters as an example result:
- “LL, 10, 36, PL, 10, 45, (beep)”.
LL
- The numbers that follow correspond to the RF signal strength received by the (LCD) keypad sent from the Hub. Note: LL = “LCD Level” .
10
- Signal strength received by the keypad is expressed on a scale from 1 (weaker) through 10 (stronger).
36
- Signal strength received by the keypad expressed indBm units (signal level relative to 1 milliwatt), provided for those more familiar with signal readings expressed usingstandard radio communication terminology. Normally, dBm units are expressed in negative numbers, but this keypad omits the minus (“-“) sign and only displays the two right digits.
- Therefore, with this keypad only, a “lower” number reflects a stronger signal.
- For example, a reading of “30” is stronger (“better”) than “55”. If the reading is -102dBm, the keypad will display the two right digits (“02”). If the reading is -99dBm, “99” will be displayed. Numbers in dBm scale are from -30dbm to – 105dbm, with -30dbm as the strongest reading.
HL
- The numbers that follow correspond to the RF signal strength received by the Hub. Note: HL = Hub Level.
10
- Signal strength received by the Hub is expressed on a scale from 1 (weaker) through 10 (stronger).
45
- Signal strength received by the Hub is expressed in dBm units (see “36”, above).
Beep
- If the current data transfer was successful, the beep will sound. The beep failing to sound indicates a loss in the keypad/Hub wireless connection; thus theM readings subsequently displayed without a beep will reflect the readings from the last time the keypad/Hub had a wireless connection.
After the beep, the test will repeat. If the subsequent test completes successfully, the keypad Window will display updated numbers. This test mode will keep repeating until RESET is pressed or until the mode automatically times out after four minutes.
Display Keypad RF Attributes
This feature displays the radio frequency (RF) characteristics of the keypad, for reference. Note: The keypad must be learned into the Hub for this test mode to function.
- Press and hold the keypad AREA (
) button until “LF”, appears in the Window. - Press “0” and all keypad icons will briefly turn on at the same time (this is a test of the Window display).
- Press ENTER.
All signal strength readings in this function are expressed in dBm units (signal level relative to 1 milliwatt), provided for those more familiar with signal readings expressed using standard radio communication terminology. Normally, dBm units are expressed in negative numbers, but this keypad omits the minus (“–”) sign and only displays the two right digits. Therefore, with this keypad only, a “lower” number reflects a stronger signal. For example, a reading of “30” is stronger (“better”) than “55”. If the reading is -102dBm, the keypad will display the two right digits (“02”). If the reading is -99dBm, “99” will be displayed. Numbers in the dBm scale are from -30dbm to -105dbm, with -30dbm as the strongest reading.
Note: Unless otherwise noted, all readings displayed in this function reflect the latest sample readings that were automatically retrieved by the keypad every 15 minutes.
The signal strength readings always follow two letters, as follows:
FL
- The numbers that follow correspond to the weakest
RF
- the signal received by the (LCD) keypad from any device in the system (FL = “Floor Level”).
LL
- Same as the “LL” description in the previous function, “Walk Test Mode”, described earlier in this section.
OL
- In one of several efforts to save keypad battery power, the sensitivity level of the keypad is adjusted as needed, depending upon calculations based upon the “LL” signal (above), and is displayed here for reference.
- Depending on the “LL” signal level, if the keypad is adjudged to be in “close” proximity to its connected Hub and also to another, separate secure system, the keypad sensitivity threshold is adjusted to save battery power and to also prevent the other, separate iSecure system from needlessly waking up the keypad when in an idle state.
HL
- Same as the “HL” description in the previous function, “Walk Test Mode”, described earlier in this section.
LP
- Similar to “OL”, above, this reading exists as a result of another effort to save keypad battery power.
- The transmission level of the keypad is adjusted as needed, depending upon calculations based upon the “HL” signal (above), and is displayed here for reference.
Operating Frequency
- Displays the radio operating frequency of the secured system, in MHz. For example, a frequency of 928.75MHz is displayed as “Fr, 92, 87, 50”.
Reset Microcontroller
Performing this feature is equivalent to removing the keypad battery power and then restoring battery power. All keypad settings are retained.
- Press and hold the keypad AREA (
) button until “LF” appears in the Window. - Press RESET, then press ENTER.
Keypad Window Backlight
- The keypad face contains a Room Light Sensor that automatically measures the ambient light level to determine if the keypad Window backlight needs to be turned on for a few seconds after a keypad button press. A lit backlight ensures the Window contents are displayed clearly in a dark room.
- In a bright room, the backlight is not needed and thus remains off to save battery power.
- This Room Light Sensor threshold can be adjusted as well as enabled/disabled, as described in the Operating Guide for the ISEC-WL-KEYPAD Wireless Battery-Powered Keypad (OI400), in the section “KEYPAD WINDOW BACKLIGHT”.
ISEC-WL-TOUCH “System Diagnostics”
The ISEC-WL-TOUCH “System Diagnostics” screen shown below is exclusive to the ISEC-WL-TOUCH 4.3-inch 900MHz Color Touchscreen Wireless Keypad. It is designed to help you find the optimum mounting location for your ISEC-WL-TOUCH keypad by displaying the signal strength of the 900MHz radio signal link between the Go-Anywhere Hub and the ISEC-WL-TOUCH keypad within the installation environment. This screen is accessed by tapping the Settings (“gears”) icon, then tapping the DIAG button.

Each button and field in this screen is described below:
Learned
- Checked when the status of the ISEC-WL-TOUCH keypad is paired into the iSecure system; otherwise unchecked.
RF Channel #
- Displays the frequency of the channel used for communications between the Go-Anywhere Hub and the ISEC-WLTOUCH keypad.
RSSI_kp (dBm)
- RSSI (Received Signal Strength Indicator) is a measurement of the power present in a received radio signal. This field
displays the 900MHz radio signal that the ISEC-WL-TOUCH keypad received from the Go-Anywhere Hub.
RSSI_xcvr (dBm)
The RSSI value that the Go-Anywhere Hub received from this ISEC-WL-TOUCH Keypad.
Operating Freq (MHz)
- Displays the wavelength, in megahertz, of the radio frequency used in communications between the Go-Anywhere Hub and the ISEC-WL-TOUCH keypad.
Out of System in (sec)
- Displays the number of seconds the communication link between the Hub and the ISEC-WL-TOUCH keypad was interrupted.
- If Out of System, this field will count down.
The keypad can provide a wide assortment of utility functions as summarized in the Function Menu. The , functions are displayed in a prompting “YES/NO” format.The complete Function Menu list is provided here in its normal displayed sequence. However, since not all functions are designed for all systems (or intended for all users), only functions that are applicable and active are displayed (e.g. if no zones are bypassed, “DISPLAY ZN BYPASSED” will not appear). Furthermore, functions that are intended for use by the installer or servicer will not be displayed unless a valid Dealer Code is entered. To return to normal keypad operation, press RESET (the keypad will automatically return to its normal operating mode if no activity is detected for longer than one minute). Note: Consult the keypad User Guide to determine which buttons allow for scrolling through the selections. For the IBR-TOUCH-WL Smart 7″ Wireless IoT Touchscreen, see OI413. For the ISEC-WLTOUCH Wireless 4.3″ Full-Color Security Touchscreen Keypad, see OI401. For the ISEC-WL-KEYPAD WirelessBattery-Powered Standard Keypad, see OI400.
DISPLAY ZN FAULTS
- Displays all unsecured zones within the keypad’s Area while disarmed. Zones may be bypassed in this mode by pressing BYPASS; manually bypassed zones will be indicated when displaying status.
DISPLAY ZN BYPASSED
- Displays zones that have been deactivated (“bypassed”).
DISPLAY ZN DIRECTORY
- Displays a list of all programmed zone descriptions in the selected Area. To return to normal system operation, press RESET at any time.
ACTIVATE BELL (SIREN) TEST
- Activates the alarm sounder (while disarmed) for about 2 seconds and performs a battery test. If the alarm does not sound, it may be defective. If the battery is low, “E02-00” will appear on the display indicating a low battery condition. Allow 24 hours for the battery to recharge.
DISPLAY SYS TRIAL
- Displays all system error codes/troubles (LOW BATTERY, AC POWER LOSS, etc.). Wait for the display to scroll through multiple system troubles.
DISPLAY FIRE ALARM
(AFTER PERMISSION TO RE-ENTER THE PREMISES BY EMERGENCY RESPONDERS) Displays Fire Zone(s) in alarm. Correct the cause of the alarm condition, then press RESET to restore the “SYSTEM READY” condition.
DISPLAY FIRE TABLE
- Displays Fire Zone(s) in trouble. Correct the problem, then press RESET to restore the “SYSTEM READY” condition.
ACTIVATE CHIME
- Sounds a tone at the keypad when the selected zone is violated (faulted) while disarmed. The duration of the tone is programmable. To turn off the Chime Mode, re-enter this Function Menu and select DEACTIVATE CHIME.
RESET SMOKE
- If the unit is in alarm due to a smoke condition, it will stop sounding when the smoke condition has cleared. Press RESET to reset the system after a smoke alarm; “SYSTEM READY” will be displayed.
RESET SYSTEM TO
System troubles normally latch and display and sound at the keypad. Pressing RESET will silence the sounder and “SYSTEM READY” will be displayed. Correcting the trouble will clear most system trouble indications, however, a keypad tamper system trouble requires a Level-2 or -3 code for manual reset (enter code and access RESET SYS TRBL).
Note: (1) If system trouble is not corrected, it will re-display after 5 minutes. (2) If one or more of the above-listed system troubles appear during the first 5 minutes after power-up, they will be cleared automatically.
FAULT FIND
This troubleshooting aid helps you locate “swingers” (a swinger is a fault on a communicator zone usually attributed to a malfunctioning device or relay that ultimately causes a large number of the same signals to be transmitted to the central station; i.e. a nuisance alarm). When this menu selection is accessed, two things occur:
- The loop response of each zone is set for the fastest response time.
- Causing or repairing a fault activates the sounder for about 7 seconds.
Tapping and poking at suspect points, the installer can easily locate swingers by listening for the beep. This eliminates the need of returning to the keypad to visually check after each attempt. Press RESET to restore normal operation (arming the system automatically cancels the Fault Find mode).
Note: When testing wireless systems, the keypad will not beep if the signal strength is less than 3, but the strength will still be displayed.
ACTIVATE LOCATE
Helps you find zone troubles and indicates when they are repaired. When this feature is accessed, the sounder will turn on and the keypad display will read “LOCATE”, then scroll through the zones in trouble. As each zone is corrected, the sounder will stop momentarily, signaling its repair, and the display will indicate the remaining zones in trouble. The sounder and display will continue in this manner until all zones are repaired, or until RESET is pressed.
Note: This feature will only operate with Zone Expansion Module(s); see the documentation for model GEM-EZM8 (eight point expansion module) in the Technical Library at: https://tech.napcosecurity.com/.
DISPLAY ALARM LOG
- Displays most recent alarm events. Includes the event, date, time, Area and zone.
DISPLAY TOTAL LOG
- Displays most recent events of all types. Includes the event, date, time and, if applicable, Area and zone or user.
DISPLAY SYSTEM LOG
- Displays most recent system events. Includes the event, date, time, and other pertinent information, where necessary, depending upon the event.
TO ARM IN 1-4 HRS.
- Use this function to (a) delay programmed auto arming up to 4 hours, 15 minutes or (b) initiate auto arming in 4 hours, 15 minutes.
- Fifteen minutes prior to arming, the siren will sound a 2-second warning and the keypad will begin a 15-\ minute countdown with the sounder pulsing (the sounder may be silenced by pressing RESET, but it will turn back on one minute before arming). Within this countdown window, arming may be delayed an additional 1 to 4 hours, as above, or auto-arming may be canceled by arming and disarming the Go- Anywhere Hub.
DISPLAY RF XMITTER STAT
Checks the status of up to 60 transmitters. The keypad will display:
- zone number (Z01-Z96)
- transmitter ID code number (6 digits)
- point number (PT1-PT4; “9” for unsupervised)
status of transmitter:
- NODATA: Transmission not yet received
- NORMAL: Transmitter’s zone normal;
- FAULT: Transmitter’s zone open;
- LABATT: Transmitter battery low;
- TAMPER: Transmitter case open;
- S.FAIL: Supervisory failure (test transmission not received within programmed time);
- the relative signal strength of the last transmission, on a scale of 1-10 (10 being the strongest). (“SS—” indicates transmission not yet received).
Note: A signal strength of 3 or less is an indication that reception may be unreliable. In such cases, the use of an additional receiver located closer to the transmitter is recommended. If two receivers are connected to the Go-Anywhere Hub, only the higher signal strength of the two will be displayed.
- This “System Settings” button can display either a list of “user only” selections (adapted for home/business owners), or a list of “dealer-only” selections (customized for installers), depending on the how this button is tapped and pressed:
- Dealer Settings: To display the list of ” dealer-only” selections, press and hold this button (password required)
User Settings
- To display the list of ” user-only” selections, simply tap this button once (see OI413)
- When accessing the Dealer Settings, (again, by pressing and holding this button), a popup appears requesting a password.
- This password request signifies that the Dealer Settings menu will be displayed. Type the dealer password (default is “admin”) and tap OK. Tap Yes to the warning popup that appears, and the Dealer Settings menu opens.
For Z-Wave menu selections, see the Using your iBridge App to Program your Z-Wave Home Automation System (OI414).
DEALER SETTINGS
Setup Wizard
Tap to restart the Setup Wizard to configure how the IBRTOUCH WL will be used, its Wi-Fi connection settings to the customer’s Wi-Fi network and iBridge radio, and optionally the NAPCO StarLink account(s). See page 13 for step-by-step instructions to help guide you through the Wizard.
Run Diagnostics
Tap to run a system diagnostics test for components selected the last time the Setup Wizard was run (typically when the touchscreen was first powered). Functional components are marked with a check; items not configured or not enabled are marked with an “x”. Selections are blank when the Wizard is run for the first time. If you wish to continue through the Setup Wizard (described below), tap Configure; otherwise tap Continue to App to return to the Home Screen (or Test Again to repeat the test). See page 13 for step-by-step instructions to help guide you through the Wizard.
Security
EZ-ARM: Check to enable Easy Arming (ability to arm the alarm system quickly by simply tapping ENTER or ON/OFF, Night, Away or Stay). Each touchscreen may be individually programmed for Easy Arming. Disarming still requires entry of a valid user code.
Note: The Hub must be programmed to support this feature.
EASY EXIT: Check to enable Easy Exit. While armed in the Interior Bypass/Stay Mode, Easy Exit can be initiated by pressing and holding the Disarm “pie wedge” button. Easy Exit restarts the Exit delay (the top banner on the touchscreen changes to read “ARMING STAY…”) allowing a User to exit armed premises without disarming and rearming the system.
Note: The Hub must be programmed to support this feature.
A number of Zone Areas: Some systems may be divided, or partitioned, into smaller independent subsystems, which are referred to as Areas. Tap to select the number of Areas in the alarm system.
Note: Each Area may be controlled by its own touchscreen or by a touchscreen of a different Area through Managers Mode (a low-security operating mode that allows arming by Area).
Connection Settings
- Displays the network communication and automatic identification settings used between the IBR-TOUCH-WL and the customer’s router.
Serial Interface
- Reserved for future use.
IP Address
- Displays the private TCP/IP protocol address used for communications between the IBRTOUCH- WL and the customer’s router.
Port No
- Displays the port number used for network activities.
Autodiscovery Options
- ” Enabled” allows for the ongoing automatic recognition of and connection between the IBR-TOUCH-WL and the customer’s router. Includes discovery and ports established during the initial handshake process.
Time interval to request status: Displays the duration between autodiscovery process activations.
Connect using Wi-Fi Only
- This selection MUST be checked (enabled).
Tablet
Connection
Change/Create CUSTOM BRIDGE ISEE-WAP Wi-Fi Name and KEY
- Select this feature to modify the factory default network settings of the touchscreen.
- The Preferred Network dialog appears, allowing a new Wi-Fi Name (SSID) and a new secret key to be entered. Note that this information can be changed at any time by re-running this feature.
Note: All wireless cameras in the system must be unlocked before using this feature.
Configure Wireless Camera
- When wireless cameras are first powered, they (by default) automatically attempt to connect with the first access point that answers using the default SSID of “PUBLIC”.
- This feature requests all cameras within range to attempt to connect with a wireless router using the custom SSID and secret Key previously created in the menu item named “
- Change/Create CUSTOM BRIDGE ISEE-WAP SSID and KEY” described above.
Note: All wireless cameras in the system must be unlocked before using this feature (will read “Camera is unlocked” in a popup).
Lock Down BRIDGE ISEE-WAP
- Tap to protect the wireless router/touchscreen connection by a “lock down” process, ensuring a fixed connection between the wireless router/touchscreen device pairs.
- This selection disables the automatic connection process that attempts to connect the touchscreen with the first wireless router that answers using the default SSID of “PUBLIC”.
Unlock BRIDGE ISEE-WAP
- To reverse the “Lock Down” process described in the previous menu selection.
Restart Wi-Fi
- Tap to perform a “warm boot”] restart operation of the Wi-Fi, where the power is] not turned off and back on, and with the app running.
Minutes to check connection integrity
- Tap to set the number of minutes the touchscreen will automatically attempt a restoration of the wireless connection between the touchscreen and the wireless router should this connection be interrupted. Selectable durations are: 1, 3, 5, 7, 10, 15 and 20 (minutes).
BSSID used to LOCKDOWN BRIDGE
- Tap to enter a new “broadcast” SSID (named “BSSID” in this menu) to be stored in the touchscreen’s memory, to be used by default when the touchscreen is rebooted, powered off/on or emerges from Screen lock.
Factory Default
- Tap to remove all user data and restore the IBRTOUCH- WL back to its original out-of-box factory condition.
iBridge Updater
Update Server Address
- Displays the IP Address and Port number used by the network server when the menu selection Check For Updates (described below) is tapped.
Check for Updates
- Tap to automatically check to see if a newer version of the touchscreen firmware is available from the location specified in the “Source” menu item (described above).
- If a newer version is available, follow the on-screen prompts to load the firmware update files, as necessary.
Current Version
- Displays the current version number of the IBR-TOUCH-WL firmware.
Update iBridge Application from USB
- Select if the new firmware update is located on USB memory (such as a thumb drive, portable hard drive, memory stick, etc.), and you wish to use the USB socket located on the side of the IBR-TOUCH-WL to re-install the firmware.
Note: The update file must be placed in a folder named “Napco” (case sensitive) located in the top root directory.
Update Logo
- Insert a USB thumb drive to add your logo image to the Home Screen and “Keypad Skin”. The logo must be named “logo.png” (case sensitive) and must be located in a folder named “dealer logo” (case sensitive) located at the top root directory of the thumb drive.
- When this logo is added successfully and later the logo is tapped, the touchscreen opens its default browser to the webpage specified in the Update Info page menu selection, detailed below.
Note: Although the touchscreen searches for the specific file name “logo.png”, the image file itself may be a .png, .bmp, or .jpeg format. However, the file must be renamed “logo.png”
Update Info page
- Insert a USB thumb drive to add an image that will display the website or other corporate information. The file must be named “dealer.png” (case sensitive) and must be located in a folder named “dealer logo” (case sensitive) located at the top root directory of the thumb drive.
- When a logo is added to the Home Screen and “Keypad Skin” using the Update Logo menu selection (see above) and this logo is later tapped, the “dealer.png” image file will appear enlarged on the touchscreen.
Update Android OS via USB
- Select to update the Android operating system. Be sure the update .zip file (WinZip) is located in the top root directory of the USB drive (such as a thumb drive, portable hard drive, memory stick, etc.).
- Use the USB socket located on the side of the IBR-TOUCH-WL to install the OS. Once inserted into the USB socket, tap this selection (if already inserted, remove and re-insert).
- Allow up to 15 seconds for the update process to begin; once started, DO NOT remove the USB drive!.
Password Configuration
- Allows you to change the password used to access the Dealer Settings menu. In] the Change Settings password popup that appears, press the empty field with the flashing cursor to open\ an onscreen keyboard, allowing you to type the new password.
- Check the optional “Show password” checkbox to view the populated characters. Press “Change Password” to enter or ” Cancel” to exit without changing.
Video
- Allows changes to the video data settings received by the IBR-TOUCH-WL.
Note: This Video menu selection appears (and all of the selections below) only if “ISEE Series Cameras” is selected in the Setup Wizard (see page 13 for more information about the Setup Wizard).
Camera List
Camera Auto-Discovery: Check to allow the touchscreen to automatically attempt to capture and display video stream data found within the network to which the touchscreen is connected. This feature is designed to operate within the iSeeVideo system. See http://www.napcosecurity.com/video.html for more information.
Configure Wireless Camera: This allows the touchscreen to remotely change the wireless settings of the selected camera. When this feature is selected, be aware that the network path from the touchscreen to the camera may take several seconds to be established.
Note: When selected, a popup appears, that reads:
“Please make sure to first connect an Ethernet cable to the router and then connect power to the camera. Do you wish to proceed with Wireless Camera Configuration?”
- The camera must be powered and wirelessly connected to the network before proceeding.
- Tap Yes to proceed or No to exit without saving any changes. If you tap Yes, the touchscreen will scan the network and all available cameras will be listed (by IP address) in the Camera List that appears. Tap to select a camera in the list, and a Configure Wireless Camera popup appears, allowing you to either Lock or Unlock the selected camera. Locking the camera will ensure a permanent connection between the camera and the touchscreen.
- Select either the Lock or Unlock radio button, and tap Configure to proceed or tap Cancel to exit without saving changes.
Camera Manual Discovery: This allows you to browse for and select to use a specific camera attached to the iBridge network using the touchscreen. The following two steps (“Select…” and “Discover…” shown below are required:
- Select camera to discover: (Step 1): Tap to select the camera you wish to discover and capture its video stream data.
- Discover IP Camera: (Step 2): Tap to initiate the network scanning process to discover the selected camera. Upon discovery, the video will be available for display from the touchscreen Home Screen (Video button).
Launcher
- (Reserved for NAPCO use only)
Home
Show Clock
- Check to display the current time on the Home Screen.
Weather Options
- Local weather reports can be displayed on the Home Screen.
Refresh Frequency: Tap to set how often to automatically update the weather report feed. Selections include 5, 10, 15, 20, 30, 40, 50, 70, 80, 90 and 100 minutes. More frequent updates increase data useand slightly decrease battery life between charges.
Weather Feed: Check to display a weather report feed on the Home Screen. Uncheck to remove the weather feed from the Home Screen. Note: To customize the weather report feed to a particular Zip Code, see the following menu entries below.
Zip code entry: Check to associate the weather report feed to the area of the United States specified by the Zip Code entered in the field below. Uncheck to disassociate the weather feed from this Zip Code.
Zip Code: Tap to set the Zip Code to which the Weather Feed is associated.
Update Automation Clock: Synchronizes the clock within the customer’s router at the same time as the IBR-TOUCH-WL touchscreen.
Lock Display on Keypad View: Enabled (checked) when “Keypad Only” is selected in the Setup Wizard (see below). When enabled, pressing Security in the Home Screen immediately displays the virtual security system Gemini keypad, and not the intermediary “pie wedges” that are displayed when “Full Functionality” is selected in the Setup Wizard.
Set Keypad as the Only View: When enabled, pressing the Home button immediately and continually displays the virtual security system Gemini keypad.
Note: The User Setting ” Enable KeySwitch Arming” (detailed above) must first be disabled.
Modify Z-Wave Settings
For dealers who wish to disallow customer changes to the home automation Z-Wave system, unchecking (disabling) this setting disables the User Settings menu feature named “Automation Management (z-wave)”. Conversely, check this setting to enable the User Settings menu feature named “Automation Management (z-wave)”, allowing control of the Z-Wave home automation components within the system using the “User Settings” menu (where a touchscreen Dealer Settings password is not required).
Automation Management (z-wave)
Opens the Automation Management screen, allowing the configuration of Z-Wave devices, including the assignment of devices to Groups, the creation of Z-Wave Events, etc. See the Using your iBridge App to Program your Z-Wave Home Automation System (OI414) for more information.
Emergency Button
Check to enable the “E” (Emergency) button on the IBRTOUCH- WL Home Screen. If unchecked, although the “E” (Emergency) button will appear on the Home Screen, it will be disabled and the message, “Permission Denied. Please Contact Dealer.” will appear when tapped.
Change Login URL
- Not Used; do not change this selection.
Standby-Battery Calculation Worksheet
Use the procedure given below to determine the required standby battery capacity in Ampere-Hours (AH).
Note: It is not totally accurate to merely multiply the combined standby current (in amperes) by the standby time (in hours) to obtain the battery capacity (in ampere-hours), since other factors (Go-Anywhere Hub charging capabilities, temperature, battery condition, etc.) affect battery operation. The following calculations will yield the theoretical minimum required capacity:
STANDBY CURRENT
| DEVICE | QTY | STANDBY CURRENT (Amps) | |||
| EACH | TOTAL | ||||
| secure Kit 1* | 1 | X | 0.146 | = | |
| secure Kit 2* | 1 | X | 0.155 | = | |
| secure Kit 3* | 1 | X | 0.200 | = | |
| Network | 1 | X | 0.006 | = | |
| GEMWV-RECV | X | 0.025 | = | ||
| ISEC-WIFI1 | X | 0.050 | = | ||
| ISEC-ZWAVE2 | X | 0.010 | = | ||
| X | = | ||||
| X | = | ||||
| X | = | ||||
| TOTAL STANDBY CURRENT |
Amps | ||||
| X | = |
| Hours | AH. |
ALARM CURRENT
| DEVICE | QTY | ALARM CURRENT (Amps) | |||
| EACH | TOTAL | ||||
| TOTAL STANDBY CURRENT (from Box 1, above) | |||||
| HUB INTEGRAL SIREN | X | 0.200 | = | ||
| BELLS | X | = | |||
| STROBES | X | = | |||
| HORNS / STROBES | X | = | |||
| SMK DETECTORS with sounders | X | = | |||
| TOTAL ALARM CURRENT |
Amps | ||||
| X | = |
| Hours | AH. |
MINIMUM REQUIRED BATTERY CAPACITY = BOX 2 + BOX 3
Actual standby time will vary with Kit, system components, and network use. For components included in each kit and other details, see Ordering Information on page 73.
- secure Kit 1 and Kit 2 only, if added.
- secure Kit 1, if added.
Ordering Information
Complete Professional System Kits
Kit 1 (ISEC-KIT1) with ISEC-WL-KEYPAD Wireless Battery-Powered Standard Keypad: All-Inclusive system includes a Go-Anywhere Smart Hub with up to 80 zones, siren and integral dual-path cell/IP LTE reporting, wireless LCD keypad (lithium battery-powered), security and notifications from consumer app, 50′ wireless PIR and two wireless window/door contact transmitters. Provision for a 4AH or 5AH backup battery (not supplied) for power outage protection. 1-hour installation, dealer programming via cellphone or tablet.
Kit 2 (ISEC-KIT2) with ISEC-WL-TOUCH Wireless 4.3″ Full Color Security Touchscreen Keypad: All-Inclusive system includes a Go- Anywhere Smart Hub with up to 80 zones, siren, and integral dual-path cell/IP LTE reporting, wireless security touchscreen, integral Z-Wave control from consumer app, virtual keypad and SMS text notifications, 50′ wireless PIR and two wireless window/door contacts. Provision for a 4AH or 5AH backup battery (not supplied) for power outage protection. 1-hour installation, dealer programming via cellphone or tablet.
Kit 3 (ISEC-KIT3) with Connected Home/Video/ Security IBR-TOUCH-WL Smart 7″ Wireless IoT Touchscreen: All-Inclusive system includes a Go-Anywhere Smart Hub with up to 80 zones/ points, siren, and integral dual-path cell/IP LTE reporting, integral Z-Wave control from touchscreen or app. Wireless multifunction 7″ TFT security touchscreen controls smart automation, video-viewing and security functions. One 50′ wireless PIR and two wireless window/door contact transmitters. Provision for a 4AH or 5AH backup battery (not supplied) for power outage protection. 1-hour installation, dealer programming via cellphone or tablet.
System Components
ISECURE GO-ANYWHERE SMART HUB: Includes up to 80 wireless zones, in 1 or 2 discrete Areas, with a keypad bus and other optional connections. Kits with the suffix “-V” use the Verizon network, “A” use the AT&T network.
IBR-TOUCH-WL Smart 7″ Wireless IoT Touchscreen: Wireless interface touchscreen with 7″ color display. Requires 120VAC electrical wall outlet for power supply. Dimensions (WxHxD): 7⅞ x 5⅜ x ⅞ in. (13.7 x 20 x 2.2 cm).
ISEC-WL-TOUCH Wireless 4.3″ Full-Color Security Touchscreen Keypad: 900MHz wireless interface touchscreen with 4.3″ color display. Requires 120VAC electrical wall outlet for power supply. Dimensions (WxHxD): 5⅜ x 3¾ x 1⅜ inches (13.7 x 9.5 x 3.5 cm).
ISEC-WL-KEYPAD Wireless Battery-Powered Standard Keypad: 900MHz wireless interface with multi-line wide viewing angle ICON display for system status, “K Style” (STAY/AWAY) keypad buttons, battery-powered by one CR123 Lithium battery, optional 2nd battery for extended life. Dimensions (WxHxD): 5⅜ x 3¾ x 1⅜ inches (13.7 x 9.5 x 3.5 cm).
Optional ISEC-2WF-MOD 2: Wire Fire Sensor Module that supports 2 Fire zones (connect to Fire Power [+], Zone 7 [‒], and Zone 8 [‒] terminals).
Optional StarLink: Extended Range Antenna to increase LTE cellular transmission signal strength.
ISEC-CARBON MON Supervised Wireless Carbon Monoxide Sensor: A high-quality carbon monoxide (CO) sensor with a built-in supervised digitally-coded radio transmitter. It is compatible with Napco’s iSecure series supervised receivers that monitor alarms, restores, low battery, tamper, and status.
ISEC-DW-XMITTER Low Profile Window/Door Transmitter: A 1-point low profile window/door transmitter specially designed for use in iSecure series wireless systems. When used with the supplied magnet, the transmitter functions as a window/door sensor.
ISEC-GLASSBREAK Wireless Glass-Break] Sensor: An advanced Commercial/ Residential wireless acoustic glass-break sensor designed for use with Napco iSecure series RECV wireless receivers. Equipped with a combination normally-closed (NC) cover and wall tamper, each unit is shipped with the cover tamper operational, and the wall tamper disabled.
ISEC-HEAT Wireless Heat Detector with Rate of Rising: A high-quality 135°F (57°C) fixed temperature detector with a Rate of Rising and a built-in supervised digitally-coded radio transmitter. It is compatible with Napco’s iSecure RECV series supervised receivers that monitor alarms, restores, low battery, tamper, and status.
ISEC-KEYFOB 4-Button Pendant/Keychain Transmitter: This multifunction transmitter serves as an Area arm / disarm device with two auxiliary functions, and may be used as a police panic and/or auxiliary emergency transmitter.
ISEC-WL-MODULE Wireless 8-Zone Takeover Module: Designed to make use of the wiring and power supply of an existing wired security system, the ISEC-WL-MODULE is designed to convert 8 hardwired zones into eight supervised wireless burglary, 4-wire Fire, or CO zones, thus simplifying installation, including the ability to work with existing 12-volt power supplies. The module is commonly mounted next to the existing control panel, in close proximity to the existing hardwired zone connections. The wireless frequency is 900MHz.
ISEC-MOTION Passive Infrared Motion Sensor: An advanced PIR sensor designed for use with Napco’s iSecure RECV series wireless receivers. The ISEC-MOTION is powered by two supplied 3-volt lithium batteries (estimated battery life 3 years). When the battery voltage drops below normal, a low-battery report will be sent to the receiver.
ISEC-PANIC Single Button Waterproof Panic: A single-function pendant/keychain transmitter that serves as an emergency device for use as a police panic and/or auxiliary emergency transmitter. Two replaceable 1.5V silver-oxide cells power this portable transmitter (it includes a flashing LED to warn when low batteries require replacement). To operate, simply press the button momentarily.
ISEC-WL-SIREN Wireless Siren: Output provides 85dBA sound level at 10 feet, supports Siren, Temporal Fire and CO alarm audible cadences, with optional bright LED strobe. Operable] from 110VAC with battery backup, or by battery power alone; mountable on a flat wall or by AC outlet plug; for indoor or outdoor operation. The iSecure system can accommodate up to 4 wireless sirens. The wireless frequency is 900MHz.
ISEC-SMOKE Supervised Wireless Digital Smoke Sensor: A high-quality photoelectric smoke sensor with a built-in supervised digitally coded radio transmitter. It is compatible with Napco’s iSecure RECV series supervised receivers that monitor alarms, restores, low battery, tamper, and status.
Optional ISEC: WIFI Internet Module for backup central station communication and notifications. Supplied in KIT 3 (see above).
Optional ISEC: ZWAVE Z-Wave Module for programming/ control of Z-Wave home automation controls such as Z-Wave-enabled lights, outlets, thermostats, garage door operators, and door locks.
ISEC-WL-SIREN Wireless Siren Mounting Template
For Wall Outlets With a Center Cover Plate Screw
ISEC-WL-SIREN Wireless Siren Mounting Template
For Wall Outlets Without a Center Cover Plate Screw
- This template shows the unit plugged into the bottom receptacle, but either can be used (or invert the unit as required).
- Remove the two screws from the siren housing and replace the screws with the bracket in place, as shown.
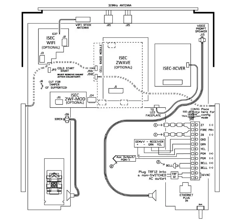
iSecure Hub Wiring Diagram
NOTES
- REQUIRES ISEC-2WF-MOD USE ONLY LISTED 2 WIRE SMOKE DETECTORS, USE 2.2K EOLR
- REFER TO WI224O FOR MAX CURRENT AND BATTERY STANDBY. BELL CAN BE PROGRAMMED AND WREDFOR SUPERVISION.
- REFER TO WI244OLF FOR ADDITIONAL INFORMATION.
NAPCO LIMITED WARRANTY
NAPCO SECURITY TECHNOLOGIES, INC. (NAPCO) warrants its products to be free from manufacturing defects in materials and workmanship for thirty-six months following the date of manufacture. NAPCO will, within the said period, at its option, repair or replace any product failing to operate correctly without charge to the original purchaser or user. This warranty shall not apply to any equipment, or any part thereof, which has been repaired by others, improperly installed, improperly used, abused, altered, damaged, subjected to acts of God, or on which any serial numbers have been altered, defaced or removed. The seller will not be responsible for any dismantling or reinstallation charges. THERE ARE NO WARRANTIES, EXPRESS OR IMPLIED, WHICH EXTEND BEYOND THE DESCRIPTION ON THE FACE HEREOF. THERE IS NO EXPRESS OR IMPLIED WARRANTY OF MERCHANTABILITY OR A WARRANTY OF FITNESS FOR A PARTICULAR PURPOSE. ADDITIONALLY, THIS WARRANTY IS IN LIEU OF ALL OTHER OBLIGATIONS OR LIABILITIES ON THE PART OF NAPCO. Any action for breach of warranty, including but not limited to any implied warranty of merchantability, must be brought within the six months following the end of the warranty period. IN NO CASE SHALL NAPCO BE LIABLE TO ANYONE FOR ANY CONSEQUENTIAL OR INCIDENTAL DAMAGES FOR BREACH OF THIS OR ANY OTHER WARRANTY, EXPRESS OR IMPLIED, EVEN IF THE LOSS OR DAMAGE IS CAUSED BY THE SELLER’S OWN NEGLIGENCE OR FAULT. In case of a defect, contact the security professional who installed and maintains your security system. In order to exercise the warranty, the product must be returned by the security professional, shipping costs prepaid, and insured to NAPCO. After repair or replacement, NAPCO assumes the cost of returning products under warranty. NAPCO shall have no obligation under this warranty, or otherwise, if the product has been repaired by others, improperly installed, improperly used, abused, altered, damaged, subjected to accident, nuisance, flood, fire or acts of God, or on which any serial numbers have been altered, defaced or removed. NAPCO will not be responsible for any dismantling, reassembly or reinstallation charges. This warranty contains the entire warranty. It is the sole warranty and any prior agreements or representations, whether oral or written, are either merged herein or are expressly canceled. NAPCO neither assumes, nor authorizes any other person purporting to act on its behalf to modify, to change, or to assume for it, any other warranty or liability concerning its products. In no event shall NAPCO be liable for an amount in excess of NAPCO’s original selling price of the product, for any loss or damage, whether direct, indirect, incidental, consequential or otherwise arising out of any failure of the product. Seller’s warranty, as hereinabove set forth, shall not be enlarged, diminished, or affected by and no obligation or liability shall arise or grow out of Seller’s rendering of technical advice or service in connection with Buyer’s order of the goods furnished hereunder. NAPCO RECOMMENDS THAT THE ENTIRE SYSTEM BE COMPLETELY TESTED WEEKLY.
Warning: Despite frequent testing, and due to, but not limited to, any or all of the following; criminal tampering, electrical or communications disruption, it is possible for the system to fail to perform as expected. NAPCO does not represent that the product/system may not be compromised or circumvented; or that the product or system will prevent any personal injury or property loss by burglary, robbery, fire or otherwise; nor that the product or system will in all cases provide adequate warning or protection. A properly installed and maintained alarm may only reduce risk of burglary, robbery, fire or otherwise but it is not insurance or a guarantee that these events will not occur.
CONSEQUENTLY, THE SELLER SHALL HAVE NO LIABILITY FOR ANY PERSONAL INJURY, PROPERTY DAMAGE, OR OTHER LOSS BASED ON A CLAIM THE PRODUCT FAILED TO GIVE A WARNING. Therefore, the installer should in turn advise the consumer to take any and all precautions for his or her safety including, but not limited to, fleeing the premises and calling the police or fire department, in order to mitigate the possibilities of harm and/or damage. NAPCO is not an insurer of either the property or safety of the user’s family or employees and limits its liability for any loss or damage including incidental or consequential damages to NAPCO’s original selling price of the product regardless of the cause of such loss or damage. Some states do not allow limitations on how long an implied warranty lasts or do not allow the exclusion or limitation of incidental or consequential damages, or differentiate in their treatment of limitations of liability for ordinary or gross negligence, so the above limitations or exclusions may not apply to you. This Warranty gives you specific legal rights and you may also have other rights which vary from state to state.
FCC EXPOSURE GUIDE
The iSecure internal LTE radio has been tested to FCC Section 15.247(i) and requires a minimum spacing of 20cm from the user to comply with both the Occupational/Controlled Exposure and the General Population/Uncontrolled Exposure requirements of FCC Part 1.1310.
RADIO AND TELEVISION INTERFERENCE
CAUTION
Changes or modifications not expressly approved by the manufacturer could void the user’s authority to operate the equipment. This equipment has been tested and found to comply with the limits pursuant to Part 15 of the FCC rules. This device complies with part 15 of the FCC Rules. Operation is subject to the following two conditions: (1) This device may not cause harmful interference, and (2) this device must accept any interference received, including interference that may cause undesired operation.

























