LENNOX Economizer Enthalpy Sensor Kit
Shipping and Packing List
Package 1 of 1 contains:
- 1- Sensor
- 4- #6‐32 X 7/8” Screws
- 1- P104/P105 to A7/A62 Sensor harness 1- J104/J105 to A6 Controller harness 1- Bracket (used on 092-150 units only) 1- Wire tie
- 1- #10-16 X 5/8” SMS screw
- 1- Patch plate
IMPORTANT – Two kits must be installed if differential enthalpy sensing is specified. Check packaging for shipping damage. Contact the last carrier immediately if any shipping damage is found.
Application
This kit is used on KG/KC/KH 024-300 units equipped with a high performance economizer using a Siemens controller.
Sensors provide input to determine free cooling suitability. The enthalpy sensor provided in this kit senses both sensible temperature and humidity. See table 1 for usage.
Refer to economizer installation instructions.
Note – Differential sensor applications must use the same two sensors.
TABLE 1
| No. Of Sensors | Outdoor Air Is Enabled For Free Cooling When: |
| 1 | OA enthalpy, A7, is less than free cooling set point (single enthalpy). |
| 2 | OA enthalpy, A7, is less than RA enthalpy, A62 (differential enthalpy).* |
WARNING
To prevent serious injury or death:
- Lock-out/tag-out before performing maintenance.
- If system power is required (e.g., smoke detector maintenance), disable power to blower, remove fan belt where applicable, and ensure all controllers and thermostats are set to the “OFF” position before performing maintenance.
- Always keep hands, hair, clothing, jewelry, tools, etc., away from moving parts.
Install Patch Plate
- Install patch plate over opening in side panel used by J104 and P104/P105 connectors. See figure 1. Patch plate location is shown on the inside of the side panel in figure 3 for 024-090 units and figure 4 for 092-150 units. Secure with #6-32 screws.
- Differential Sensing Only –
Install patch plate from 2nd kit over opening in side panel used by J105 and P104/P105 connectors. Refer to the same figures as the previous step.
Install Sensors
NOTE – Install the return air sensor before installing optional power exhaust dampers and gravity exhaust dampers. If gravity exhaust, power exhaust, or hoods are already installed, remove from unit.
- Disconnect all power to unit.
- Remove unit top back panel and retain screws. If economizer is already installed, remove hood.

- Disconnect and discard factory-installed single sensible sensor RT26 and wires routed to terminals OAT/OAH on A6 controller. See figure 2.
- Install sensors as shown in the following figures:
NOTE – A62 sensor from the 2nd kit is installed in differential sensing applications only.
| KG/KC/KH 024-090 | Figure 3 |
| KG/KC/KH 092-150 | Figure 4 |
| KG/KC/KH 156-300 | Figure 5 |

Wire A7 Sensor
Identify harnesses by markings on wires. Refer to figure 6 and 7.
- Insert controller harness J104 jack into the patch plate. Location is shown in figure 3 for 024-090 units, figure 4 for 092-150 units, and figure 5 for 156-300S units.
- Connect J104/J105 controller harness wire marked AUX-A1 to P4 economizer plug lead marked P4-4/AUX-A1.
- Connect other end of J104 controller harness into A6 economizer control as shown in figure 6.
- Connect P104/P105 sensor plug into J104 previously installed in side wall. See figure 3 for 024- 090 units, figure 4 for 092-150 units, and figure 5 for 156-300S units.
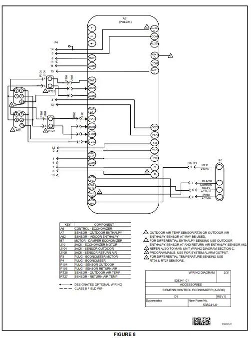
Note – Wiring is shown on economizer wiring diagram. See figure 8. - Connect other end of P104/P105 sensor harness into A7 enthalpy control as shown in figure 6.
- Reinstall gravity exhaust damper, power exhaust, and outdoor air hood when applicable.


Wire A62 Sensor
Note – Two kits must be ordered for differential sensing.
Identify harnesses by markings on wires. Refer to figure 7.
Note – The A6 controller harness is used in both single and differential sensing applications. When purchasing two kits for differential enthalpy, discard the A6 controller harness provided in the 2nd kit.
- Insert controller harness J105 jack into the patch plate. Location is shown in figure 3 for 024-090 units, figure 4 for 092-150 units, and figure 5 for 156-300S units.
- Connect J104/J105 controller harness wire marked AUX-A1 to P4 economizer plug lead marked P4-4/AUX-A1.
- Connect other end of J105 controller harness into A6 economizer control as shown in figure 7.
- Connect P104/P105 sensor harness plug into J105 previously installed in side wall. See figure 3 for 024-090 units, figure 4 for 092-150 units, and figure 5 for 156-300S units.
Note – Wiring is shown on economizer wiring diagram. See figure 8. - Connect other end of P104/P105 sensor harness into A7 enthalpy control as shown in figure 6.
- Reinstall gravity exhaust damper, power exhaust, and outdoor air hood when applicable.
Operation
Refer to Unit Controller manual for start-up and operation.

























