i42 VSD Air Conditioning Chiller Unit
Instruction Manual
INTRODUCTION
The unit you have purchased has been designed and manufactured following high quality standards, in order to achieve the best performances over the time. Parts and materials have been selected to give the highest reliability. Every single unit has been checked and tested after production, verifying performances in heating and cooling mode, acoustic levels and electrical safety, EN 60204-1.
EQUIPMENT INSPECTION
Inspect all cartons and packages for damages during transport. Remove shipping cartons and boxes and check for concealed damages.
IMPORTANT! the unit must be always kept upright.
Inspect refrigerant circuits for fractures or breaks. The presence of refrigerant oil usually indicates a rupture in the refrigerant circuit.
WARNING! The chiller heat pump unit is factory charged with refrigerant fluid R410A, having ODP=0
and GWP=1890 kg. The circuit is completely sealed by soldering therefore a gas leakage is very
unlikely to happen. However the R410A hazard identification is the following: Colorless, volatile liquid
with ethereal and faint sweet odor. Non-flammable material. Overexposure may cause dizziness and loss of concentration. At higher levels CNS depression and cardiac arrhythmia may result from exposure. Vapour displaces air and can cause asphyxiation in confined spaces. At higher temperatures (>250°C) decomposition products may include Hydrofluoric Acid (HF) and carbonyl halides.
Units that have been turned upside down or on their sides may have concealed damage to the compressor, other parts or to the refrigerant system. If the unit is not upright when you receive it, immediately file a claim with the freight carrier for concealed damages and follow these steps: Set unit upright and allow to stand 24h on rest.
Attempt to start the unit after 24h. If the unit does not start or makes excessive noise, return it to the freight carrier.
WARNING! If the information in these instructions are not followed exactly, a fire, carbon monoxide poisoning or explosion may result causing property damage, personal injury or loss of life. Read all the instruction carefully prior to beginning the installation. Do not begin installation if you do not understand any of the instructions. Improper installation, adjustment, alteration, service or maintenance can cause property damage, personal injury or loss of life. Installation and service must be performed by a qualified installer, service agency in accordance with these instructions and in compliance with all codes and requirements of authorities having jurisdiction.
INSTALLATION AND MAINTENANCE
ATTENTION! Do not stress hydraulic connections. To lift or move the unit use the wooden base.
3.1 Electrical requirements and wiring
- WARNING! Failure to follow safety warnings exactly could result in serious injury, death and property damage. Turn off electrical power at fuse box or service panel before making any electrical connections and ensure a proper ground connection is made before connecting line voltage.
- WARNING! All electrical work can be performed only by qualified personnel, in conformity with low and regulations of the country where the system is being mounted. The electrical connections must be done following the wiring diagrams, supplied with the unit.
- WARNING! Wires must be sized for the maximum input power following indications on wiring diagrams.
- WARNING! Use only copper conductors having sufficient size to carry the required amount of current.
- WARNING! A properly sized circuit breaker must be used, taking into account the water pumps and chillers.
- WARNING! Power supply must be within allowable range of ±6% of rated voltage, with proper phase and frequency.
- WARNING! The unit must be properly grounded to reduce the risk of shock or electrocution.
- WARNING! The electrical connections must be made to the switchboard located inside the unit and proper external electrical circuit breaker must be used.
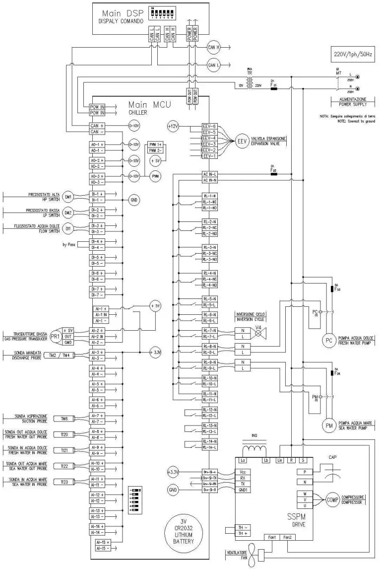
Wiring diagrams: 
Terminal board connection: 
| Max. input power | Circuit pump fuse | Sea water pump fuse | |
| Chiller i42VSD | 2.2 kW | 5:00 AM | 5:00 AM |
| Chiller i62VSD | 3.5 kW | 5:00 AM | 5:00 AM |
3.2 Mounting
- The unit shall not be installed above an electronic or electrical panel, circuit breakers or anything electrical.
- Installation and servicing of this system can be hazardous due to system pressure and electrical components. When working on this equipment, always observe precautions described in literature, tags and attached labels.
- Select a location for noise considerations. In some location, acoustic baffles may be required.
- The unit must be installed in a space with sufficient clearance on all sides for proper air circulation and for services. Sufficient airflow is critical to the proper operation of the units. Air temperature shall be below 45°C with relative humidity below 90% without condensing.
- The chilling unit is equipped with a cupronickel heat exchanger between refrigerant fluid and seawater. To prevent corrosion due to stray electrical current or voltage, all metallic parts in contact with seawater must be connected to the ship’s bonding system. A zinc anode is mounted at the inlet of cupronickel heat exchanger: it must be replaced periodically depending on the degree of wearing. Failure to properly ground and bond the system will void the warranty.
- The axial fan help the system to cool the inverter drive during operation. Be careful the air intake is not covered or obstructed during operation.
3.3 Remote control (DRY CONTACT)
Dry contacts available:
| O = ON/OFF remote input | (open contact = Compressor OFF) |
| S = Seasonal remote input | (open contact = HEATING / close contact = COOLING) |
| E = ECO function | (close contact = ECO function activated) |
| A = Alarm output | (open contact = General ALARM) |
3.4 Hydraulic connections
Recommended water pipe sizes (circulation and seawater):
| FLOW RATE m3/h0.9 – 1.5 | PUMP INLET PIPE | PUMP DISCHARGE PIPE |
| 1.5 – 2.5 | 3/4” | 5/8” |
| 2.5 – 3.4 | 1” | 3/4” |
| 1” | 1” |
If two or more units are connected in parallel a manifold with balancing valves is required. It is mandatory when using a manifold to assure the correct water flow to each unit, as follows:
| Chiller / Heat | Fresh water flow (m3/h) | Pipe inner | Sea water flow (m3/h) | Pipe inner | ||
| Pump unit | min | MAX | Ø mm | min | MAX | Ø mm |
| Chiller i42VSD | 1.5 | 2.5 | 25 | 1.2 | 1.8 | 20 |
| Chiller i62VSD | 2 | 3 | 25 | 2.4 | 3.6 | 25 |
| Chiller / Heat | Fresh water flow | Pressure drop | Sea water flow | Pressure drop |
| (m3/h)- (l/min) | Fresh water (kPa) | (m3/h) – (l/min) | Sea water (kPa) | |
| Chiller i42VSD | 1.5 – 25 | 30 | 1.3 – 22 | 60 |
| Chiller i62VSD | 2.0 – 33 | 38 | 2.5 – 42 | 50 |
Installation example with Unflex pumps:
| Water Pump | Q min | H max | Q max | H min | Input power | Weight |
| Pump unit | (l/min) | (m) | (l/min) | (m) | (W) | (Kg) |
| UB-CE 20 | 25 | 12,3 | 80 | 9 | 650 | 9 |
| UB-CE 22 | 25 | 20,5 | 110 | 12 | 1050 | 10 |
| UB-CE 41/1A | 60 | 19 | 250 | 13 | 1350 | 17 |
| Chiller / Heat | Best choice for 1 chillingunit | Best choice for 2 chilling unit | Best choice for 3 chilling unit | |||
| Pump unit | Fresh water | Sea water | Fresh water | Sea water | Fresh water | Sea water |
| Chiller i42VSD | UB-CE 20 | UB-CE 20 | UB-CE 22 | UB-CE 22 | UB-CE 22 | UB-CE 22 |
| Chiller i62VSD | UB-CE 22 | UB-CE 22 | UB-CE 22 | UB-CE 22 | UB-CE 25/12 | UB-CE 25/12 |
- Sea water circulation. Before starting the unit check that the water flow is correct, without any air bubble inside the circuit; pumps shall be located below the water line at all times, as they0 are not self-priming. Operation with poor water circulation can damage the compressor due to abnormal working pressure. Check weekly the sea water flow, considering the flow requirements indicated in the above table.
- Clean your strainer weekly or more, depending on the region, due to the presence of jellyfish, seaweed, sand, and anything else that can clog strainers very quickly. Pump is not self-priming and it has to be installed below the water line with the outlet pointed upward so that if air enters the system it can pass through the pump. Damage incurred due to a pump running dry is not covered under warranty.
- Sea water pump must be sized so that medium water velocity inside the coil is between 2 m/s and 3 m/s. Higher velocity may cause metal erosion while lower velocity may cause coil clogging.
WARNING! Air conditioning unit must be overseen (also through suitable protection devices) as any eventual breaking of fittings or pipes carrying seawater may have disastrous effects on the boat (from room engine flooding to boat sinking, considering the seawater flow through the unit ranges from 2 to 4 m3/h).
- Fresh water to fan coils. Filling the system for the 1st time, a 10-20% percentage of glycol must be added to the fresh water, and then this proportion must be maintained along the system’s life. Assure the fresh water circuit is clean before filling it. Should water contain parts bigger than 0.8 mm a 16-20 mesh filter must be installed upstream the exchanger inlet, before the fresh water inlet. Check regularly that the filter is not clogged.
- Before starting the unit check that water circulation is correct. After a shut-down you are advised before starting the pumps to rotate manually the pump shaft (2-3 rounds).
- Air-conditioning system shall not be used during navigation as long as seawater conditions or boat high speed could unprimed the pump.
- All the hydraulic lines, including the unit, must be kept free from water following system shut- down, whenever the ambient temperature could go below 0°C
3.5 Maintenance (Only qualified technicians can perform maintenance)
- Check at least once a year, after shutting off the main breaker, the state of all the electrical connections and circuit breakers of the air conditioning system, cleaning and repairing as necessary. These devices are exposed to salty air and suffer over time from corrosion and general wear. High resistance caused by corroded, bent or worn connectors results in high resistance which causes overheating, which further amplifies the power drop. This is not only creates conditions for a potential fire, but causes electrical equipment to work harder, resulting in reduced life span of equipment’s. We recommend that you buy only the highest quality power cord and connectors.
- If applied to the Cupronickel condenser check the zinc anode condition at least every three months or more frequently depending on its rate of wear. It shall be replaced as wearing is more than 50%. If the anode metal surface is shining that means the wearing is very fast maybe due to electrolysis problem.
- Check seasonally that the flow switch is working properly. In every chilling unit there is a flow switch at the fresh water inlet. As water volume decreases below 1- 0.8 m3/h the compressor must stop within 10 s. This test has to be carried out in every chilling unit, checking that without water flow the compressor does not start and the relevant alarm code is displayed. Should compressor start working in this situation, stop it immediately and contact the closest authorized Uflex Service.
- Clean at least once a season the Cupronickel heat exchanger on seawater side. Do not use any chemicals that might corrode the inner pipes.
3.6 Fan coil: safety rules
- Do not install fan coil (air suction) in engine room or any other place where vapour from fuel, battery, bilge and any other toxic or harmful substance could be introduced in occupied areas.
- Do not install fan coil in rooms where there are flammable fluids.
- The condensate drain pipe must end in an environment free from any toxic or harmful substance.
- Keep the condensate drain pipe end at least 3 m away from the engines exhausts.
- Do not install the fan coil above any electrical and electronic equipment or device, as water could accidentally drop to it.
- Check and clean monthly the draining system efficiency, as well as condensate pan and pipe.
- Check and clean monthly the air suction filters. If they are clogged also the finned heat exchanger must be cleaned with a vacuum cleaner.
- Make sure air flows correctly through the fan coil; fan coil’s suction and discharge shall be free from any obstructions. Any eventual obstructions may cause fan motor overheating.
OPERATING
CAUTION! Under both heating and cooling modes of operation, certain components will run at fairly high temperatures. Exercise care in working around operating equipment. Do not touch operating machinery without the aid of qualified personnel.
4.1 Electronic control
The unit you have purchased has been factory tested and it has overcome the safety electrical tests EN60204-1. Electronic control of the unit has been developed in order to obtain a product complying with the best quality standards.
The units is equipped with an inverter drive card SSPM and control card MAIN MCU with its display MAIN DSP, as shown in the following wiring diagrams. Seawater and circulation water pumps are also managed through the control card. Operation control and system configuration can be achieved from a display panel as shown in the following diagrams. 
All the following operation parameters are continuously checked:
- Discharge compressor gas temperature (analogical input TM2).
- Compressor head temperature (analogical input TM4).
- Suction compressor gas temperature (analogical input TM6).
- Circulation water inlet temperature (analogical input TI21).
- Circulation water outlet temperature (analogical input TI20).
- Seawater condenser inlet (analogical input TI23).
- Seawater condenser outlet (analogical input TI22).
- Suction compressor gas pressure (analogical input PR1).
- Circulation fan coils water flow (digital input DI1).
- Gas discharge pressure (digital input DM1).
- Gas suction pressure (digital input DM2).
- Driver SSPM temperature (analogical input SSPM).
Through the parameters analysis and by algorithms the controller manages the operation in cooling and heating mode.
Abnormal operations (values out from the defined ranges) are immediately detected and displayed, and the unit modifies the operation or stops working under defined conditions. It is possible to verify and reset the alarm from the display panel.
4.2 Digital display control panel
ECO function can be selected to reduce power consumption whenever other electrical appliances are being used simultaneously.
Cooling mode (summer operation)
Heating mode (winter operation)
Compressor activation either in cooling or heating mode
Starting:
Select operating mode: cooling/heating/OFF
Parameter reading sequences:
| Normal set Menu | Menu | |
| Press DOWN | ||
| Running status | Press OK | (EEV step, Plant temp need, Saint temp need, Comp in press, …) |
| Press DOWN | ||
| T status | Press OK | HPump1 (TI20) |
| Press DOWN | ||
| HPump1 (TI21) |
From page “T status” all the following parameters can be displayed by pressing “OK” and “DOWN” step by step: 
- Circulation water outlet temperature (analogical input TI20).
- Circulation water inlet temperature (analogical input TI21).
- Seawater condenser outlet (analogical input TI22).
- Seawater condenser inlet (analogical input TI23).
- Discharge compressor gas temperature (analogical input TM2).
- Suction compressor gas temperature (analogical input TM6).
- Suction compressor gas pressure (analogical input PR1).
- Gas discharge pressure (digital input DM1).
- Gas suction pressure (digital input DM2).
- Circulation fan coils water flow (digital input DI1).
4.3 Alarm table
From page “Saved Alarm show” all the following alarms can be displayed by pressing “OK” and “RIGHT/LEFT” step by step:
| ALARM | DESCRIPTION | TROUBLESHOOTING |
| AL 1 | TXX (description) probe disconnected or broken | Sensor to be replaced – call authorized service |
| AL 2 | Refrigerant low pressure | Check if seawater flow and fresh water flow are correct |
| AL 3 | Refrigerant high pressure | Check if seawater flow and fresh water flow are correct |
| AL 4 | Compressor Driver high temperature | Check cooling fan and heat sink cleanliness |
| AL 5 | Compressor shell high temperature | Check if seawater flow and fresh water flow are correct |
| AL 6 | SSPM driver alarm | Call authorized service |
| AL 7 | Compressor low temperature | Check if seawater flow and fresh water flow are correct |
| AL 8 | High compressor discharge temperature | Check if seawater flow and fresh water flow are correct |
| AL 17 | Fresh water flow switch | Check if fresh water flow is correct/air bubbles presence |
WORKING LIMITS
The unit operates correctly within the following ranges:
- Summer cooling mode: 15°C < sea water temperature < 40°C
- Winter heating mode: 5°C < sea water temperature < 20°C
Should working conditions be out of these ranges, in your particular application, please contact Unflex before installation in order to find a suitable solution.
- Localized situations: in some regions, it is common to experience a tremendous presence of jellyfish or seaweed concentrated in back bay marinas for some periods of time. This can clog strainers, water pumps and heat exchangers in a little while, causing shut-down faults and sometimes equipment damage. In such particular conditions, please seek the advice of a local Uflex service representative. Any possible modification to the overall system (chiller, pumps, strainers, etc) that could overtake the problem must be approved by Uflex, otherwise warranty coverage will decline.
- The pump is not self-priming: any damage incurred due to a pump running dry is not covered under warranty. Air conditioning system must be switched off, as well as pumps, whenever there is a risk of pump unframing, due to particular seawater conditions related to the boat type and its speed. The compressor could be damaged if the seawater flow through the heat exchanger is considerably reduced.
- This air conditioning system is designed to work under normal operation conditions. Where failure or malfunctions could lead to an abnormal operating condition that could cause injury or damage to any equipment or other property, additional precautions must be designed into the control system. Other devices (limit or safety control) or systems intended to warn of, or protect against failure or malfunction, must be incorporated into and maintained as part of the system.
WARRANTY
The Unflex warranty policy is extended to cover the Unflex Marine Air Conditioning products manufactured or supplied by Unflex sol.
Unflex warrants that products are free from defects in material or workmanship for their normal use for a period of two (2) years, starting from the date of installation, however with a maximum of three (3) years after date of production.
This limited warranty is to be administered and serviced through a Unflex Authorized Dealer/Service in accordance with the Unflex warranty policy.
As alternative, the defective product should be returned freight prepaid to the Unflex facility and must be accompanied by an Unflex issued Return Goods Authorization number. Upon receipt, the product will be examined to determine the cause of defect. If the product is determined to have a defect in workmanship or material, it will be repaired or replaced at the Unflex discretion. And then shipped back ex works.
This guarantee does not cover labor, nor installation/deinstallation time.
All parts repaired or replaced under warranty condition are guaranteed to be free from defects for 90 days after repair/replace or the remainder of the original warranty, whichever is longer.
To locate the nearest Unflex Authorized Dealer/Service please call:
➢ Europe: Unflex at +39-010-9620.239 /300
➢ USA: Unflex USA at (941) 351-2628
➢ Rest of the World: Unflex at +39-010-9620.239 /300
or visit our web site at: www.Ultraflexgroup.com and www.uflexusa.com
8.1.1 Installation / Validation & Commissioning
The Unflex Marine Air Conditioning Products have to be installed by authorized installers or the installation has to be reviewed and approved by an authorized installer.
All installation/application releases should be commissioned, validated and documented. In case of OEM installations this applies only for the first released representative application.
For commissioning and validating procedure refer to the Unflex Technical Team ([email protected])
8.1.2 Limitations and Exclusions
This warranty is limited to repair & replacement only. It does not cover:
✓ Claims for direct or indirect Damages
✓ Failure of the Unflex equipment due to normal wear, accident, misuse, abuse, lack of reasonable and necessary maintenance, unauthorized installation or repair by the end-
customer
✓ Transportation damages. This should be claimed directly with the forwarding company.
✓ Repair costs due to failure of Unflex equipment due to negligence, improper installation or non- respecting the installation guidelines (installer fault) will not be funded
✓ Limited warranty is extended only to the original application and is not transferable.
✓ Any intervention by a third part not specifically and previously authorized by Unflex to repair, will void the Unflex warranty and it will not be reimbursed.
8.1.3 Owners Responsibilities
The responsibility of the owner of the equipment includes the following:
- Operate the equipment according to the manufacturer’s instructions.
- Perform regularly maintenance.
- Provide easy accessibility for service.
- Check and reset circuit breakers and fuses before calling for service.
- Keep the unit clean and free of dirt.
- Keep the condenser coil free of sediment and scale.
- Keep clean the air filter on heat exchanger.
- Proof of purchase is required for all units.
- Ask the installer of your Unflex air conditioning system or your Unflex dealer for a copy of the Validation Report.
UFLEX S.r.l. reserves the right to make changes to products as it deems necessary or useful, without affecting their main features.
The technical data presented in this document are not binding. We reserve the right to make any changes at any time deemed necessary to the improvement of the product.
Tel. +39 (0) 10 9620 300
Fax +39 (0) 10 9620 333
Web site: www.uflex.it
email: [email protected]














