RiTTO RGE2057100 REG Power Supply

For your safety
DANGER HAZARD OF ELECTRIC SHOCK, OR ARC FLASH
The safe electrical installation must be carried out only by skilled professionals. Skilled professionals must prove profound knowledge in the following areas:
- Connecting to installation networks
- Connecting several electrical devices
- Laying electric cables
- Safety standards, local wiring rules, and regulations
Failure to follow these instructions will result in death or serious injury.
About this document
In this document, you will find all information for safe installation. For further product information, follow the QR Code.
https://www.merten.de/profibereich/service/downloads.html
Scope of supply
REG Power supply, installation guide
Introduction to the TwinBus IP REG Power Supply
The TwinBus IP REG Power Supply (hereinafter referred to as the power supply) serves as the power supply for the TwinBus IP System. The power supply can also be used to supply additional TwinBus IP system components.
Device overview

- A Setting output voltage 24 V … 28 V
- B Port output +, –
- C LED DC=ON
- D Port input L, N
- E Disassembly clip
The green LED DC=ON indicates that the output voltage is present.
The right place to install
The power supply is mounted on a TH 35/7.5 or TH 35/15 standard DIN rail.
- Do not cover ventilation holes
- Do not exceed the maximum cable length (see table below) between the components of the system The following table shows the maximum cable length between the power supply, the REG bus filter, and the system components.
Group 0.8 mm Cable Group 0.6 mm Cable Group 0.5 mm Cable
- Power supply – REG Bus filter < 1 m < 1 m < 1 m
- REG Bus filter – Door station 80 m 60 m 50 m
- REG Bus filter – Video indoor station 80 m 80 m 50 m
If the power supply is used to supply additional system components, the following maximum cable lengths shall be considered.
Group 0.8 mm Cable Group 0.6 mm Cable Group 0.5 mm Cable
- Power supply – additional Video indoor station 50 m 50 m 50 m
- Power supply -Door station 50 m 50 m 50 m
- Power supply – REG IP converter < 1 m < 1 m < 1 m
Group 0.8 mm cable: YR 2×0.8 mm, J-Y(ST)Y 2x2x0.8 mm, A-2Y(L)2Y 2x2x0.8 mm, CAT5e / CAT6 0.8 mm
Group 0.6 mm cable: A-2Y(L)2Y 2x2x0.6 mm, J-Y(ST)Y 2x2x0.6 mm, CAT5e / CAT6 0.8 mm
Group 0.5 mm cable: CAT5e / CAT6 0.5 mm
When using a shielded cable, the shield must not be connected.
Installation
WARNUNG DANGER TO LIFE DUE TO ELECTRIC SHOCK. THE DEVICE CAN BE DAMAGED.
- The safety distance according to IEC 60664-1 must be guaranteed. Keep a distance of at least 4 mm between the individual wires of the 230 V line and the 24 V SELV wire A.

- Failure to comply with this instruction may result in death or serious injury.

- Fix the cables input L, N with a cable tie.
Wiring diagrams
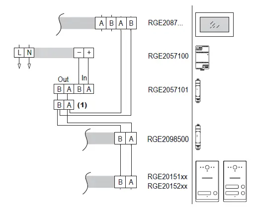
As the system voltage supply
- Terminal strip As a power supply for additional video indoor station

- Terminal strip As a power supply for additional video indoor station
Derating curve

Technical data
Performance data
- Input voltage AC 100 V … 240 V
- Frequency 50 Hz / 60 Hz
- Output voltage SELV DC 24 V … 28 V
- Rated current 2.5 A
- Rated power 60 W
Environmental conditions
- Ambient temperature -10 °C … 50 °C
- Humidity (max) 95 %
- Maximum height above NN 2000 m
Dimensions and weight
- Dimensions (W x H x D) 54 x 95 x 68.5 mm
- Space requirement on the DIN rail 3 modules
- Weight 210 g
Connection terminal
- Clamping range output (conductor diameter) 1x 0.5 mm … 0.8 mm solid 1x AWG 24 … AWG 20 solid Copper-clad aluminum conductors must not be used.
- Nominal torque 0.5 Nm
- Housing insulation Basic insulation to neighboring DIN rail devices
- Protection class The device complies with the IP30 protection class if it is installed in a distribution cabinet with at least IP30.
WERE
Dispose of the device separately from household waste at an official collection point. Professional recycling protects people and the environment against potential negative effects.
Schneider Electric GmbH c/o Ritto
Gothaer Straße 29, 40880 Ratingen
Customer Service
- Telephone: +49 2102 – 404 6000
- www.ritto.de
- 2021 Schneider Electric, all rights reserved






















