YAMAHA PC 9501N Power Amplifier

FCC INFORMATION (U.S.A.)
IMPORTANT NOTICE: DO NOT MODIFY THIS UNIT!
This product, when installed as indicated in the instructions contained in this manual, meets FCC requirements. Modifications not expressly approved by Yamaha may void your authority, granted by the FCC, to use the product.
IMPORTANT:
When connecting this product to accessories and/or another product use only high-quality shielded cables. Cable/s supplied with this product MUST be used. Follow all installation instructions. Failure to follow instructions could void your FCC authorization to use this product in the USA.
NOTE:
This product has been tested and found to comply with the requirements listed in FCC Regulations, Part 15 for Class “B” digital devices. Compliance with these requirements provides a reasonable level of assurance that your use of this product in a residential environment will not result in harmful interference with other electronic devices. This equipment generates/uses radio frequencies and, if not installed and used according to the instructions found in the user’s manual, may cause interference harmful to the operation of other electronic devices. Compliance with FCC regulations does not guarantee that interference will not occur in all installations. If this product is found to be the source of interference, which can be determined by turning the unit “OFF” and “ON”, please try to eliminate the problem by using one of the following measures:
Relocate either this product or the device that is being affected by the interference. Utilize power outlets that are on different branch (circuit breaker or fuse) circuits or install AC line filter/s. In the case of radio or TV interference, relocate/reorient the antenna. If the antenna lead-in is 300-ohm ribbon lead, change the lead-in to a co-axial type cable.
If these corrective measures do not produce satisfactory results, please contact the local retailer authorized to distribute this type of product. If you can not locate the appropriate retailer, please contact Yamaha Corporation of America, Electronic Service Division, 6600 Orangethorpe Ave, Buena Park, CA90620
The above statements apply ONLY to those products distributed by Yamaha Corporation of America or its subsidiaries.
This applies only to products distributed by YAMAHA CORPORATION OF AMERICA.
CAUTION
RISK OF ELECTRIC SHOCK DO NOT OPEN
CAUTION:
TO REDUCE THE RISK OF ELECTRIC SHOCK, DO NOT REMOVE THE COVER (OR BACK). NO USER-SERVICEABLE PARTS INSIDE. REFER SERVICING TO QUALIFIED SERVICE PERSONNEL.
Explanation of Graphical Symbols
- The lightning flash with arrowhead symbol within an equilateral triangle is intended to alert the user to the presence of uninsulated “dangerous voltage” within the product’s enclosure that may be of sufficient magnitude to constitute a risk of electric shock to persons.
- The exclamation point within an equilateral triangle is intended to alert the user to the presence of important operating and maintenance (servicing) instructions in the literature accompanying the product.
The above warning is located on the top of the unit.
IMPORTANT SAFETY INSTRUCTIONS
- Read these instructions.
- Keep these instructions.
- Heed all warnings.
- Follow all instructions.
- Do not use this apparatus near water.
- Clean only with dry cloth.
- Do not block any ventilation openings. Install in accordance with the manufacturer’s instructions.
- Do not install near any heat sources such as radiators, heat registers, stoves, or other apparatus (including amplifiers) that produce heat.
- Do not defeat the safety purpose of the polarized or grounding-type plug. A polarized plug has two blades with one wider than the other. A grounding-type plug has two blades and a third grounding prong. The wide blade or the third prong are provided for your safety. If the provided plug does not fit into your outlet, consult an electrician for the replacement of the obsolete outlet.
- Protect the power cord from being walked on or pinched particularly at plugs, convenience receptacles, and the point where they exit from the apparatus.
- Only use attachments/accessories specified by the manufacturer.
- Use only with the cart, stand, tripod, bracket, or table specified by the manufacturer, or sold with the apparatus. When a cart is used, use caution when moving the cart/apparatus combination to avoid injury from tip-over.
- Unplug this apparatus during lightning storms or when unused for long periods of time.
- Refer all servicing to qualified service personnel. Servicing is required when the apparatus has been damaged in any way, such as power-supply cord or plug is damaged, liquid has been spilled or objects have fallen into the apparatus, the apparatus has been exposed to rain or moisture, does not operate normally, or has been dropped.
WARNING
TO REDUCE THE RISK OF FIRE OR ELECTRIC SHOCK, DO NOT EXPOSE THIS APPARATUS TO RAIN OR MOISTURE.
PRECAUTIONS
PLEASE READ CAREFULLY BEFORE PROCEEDING
Please keep this manual in a safe place for future reference.
WARNING
Always follow the basic precautions listed below to avoid the possibility of serious injury or even death from electrical shock, short-circuiting, damages, fire or other hazards. These precautions include, but are not limited to, the following:
Power supply/Power cord
- Only use the voltage specified as correct for the device. The required voltage is printed on the nameplate of the device.
- Use only the included power cord.
- Do not place the power cord near heat sources such as heaters or radiators, and do not excessively bend or otherwise damage the cord, place heavy objects on it, or place it in a position where anyone could walk on, trip over, or roll anything over it.
- Be sure to connect to an appropriate outlet with a protective grounding connection. Improper grounding can result in electrical shock.
Do not open
- Do not open the device or attempt to disassemble the internal parts or modify them in any way. The device contains no user-serviceable parts. If it should appear to be malfunctioning, discontinue use immediately and have it inspected by qualified Yamaha service personnel.
Water warning
- Do not expose the device to rain, use it near water or in damp or wet conditions, or place containers on it containing liquids that might spill into any openings.
- Never insert or remove an electric plug with wet hands.
If you notice any abnormality
- If the power cord or plug becomes frayed or damaged, or if there is a sudden loss of sound during use of the device, or if any unusual smells or smoke should appear to be caused by it, immediately turn off the power switch, disconnect the electric plug from the outlet, and have the device inspected by qualified Yamaha service personnel.
- If this device should be dropped or damaged, immediately turn off the power switch, disconnect the electric plug from the outlet, and have the device inspected by qualified Yamaha service personnel.
CAUTION
Always follow the basic precautions listed below to avoid the possibility of physical injury to you or others, or damage to the device or other property. These precautions include, but are not limited to, the following:
Power supply/Power cord
- Remove the electric plug from the outlet when the device is not to be used for extended periods of time, or during electrical storms.
- When removing the electric plug from the device or an outlet, always hold the plug itself and not the cord. Pulling by the cord can damage it.
Location
- Before moving the device, remove all connected cables.
- When setting up the product, make sure that the AC outlet you are using is easily accessible. If some trouble or malfunction occurs, immediately turn off the power switch and disconnect the plug from the outlet. Even when the power switch is turned off, electricity is still flowing to the product at the minimum level. When you are not using the product for a long time, make sure to unplug the power cord from the wall AC outlet.
- If several of the devices are mounted in an EIA-compliant rack, carefully read the section “Rack Mounting” on page 10.
- Do not use the device in a confined, poorly-ventilated location. If this device is to be used in a small space other than an EIA-standard rack, make sure that there is adequate space between the device and surrounding walls or other devices: at least 10cm at the sides, 20cm behind and 20cm above. Inadequate ventilation can result in overheating, possibly causing damage to the device(s), or even fire.
- Do not expose the device to excessive dust or vibrations, or extreme cold or heat (such as in direct sunlight, near a heater, or in a car during the day) to prevent the possibility of panel disfiguration or damage to the internal components.
- Do not place the device in an unstable position where it might accidentally fall over.
- Do not block the vents. This device has ventilation holes at the front and rear to prevent the internal temperature from becoming too high. In particular, do not place the device on its side or upside down. Inadequate ventilation can result in overheating, possibly causing damage to the device(s), or even fire.
- Do not use the device in the vicinity of a TV, radio, stereo equipment, mobile phone, or other electric devices. Doing so may result in noise, both in the device itself and in the TV or radio next to it.
- Do not place the device in a location where it may come into contact with corrosive gases or salt air. Doing so may result in malfunction.
Connections
- Before connecting the device to other devices, turn off the power for all devices. Before turning the power on or off for all devices, set all volume levels to a minimum.
- Use only speaker cables for connecting speakers to the speaker jacks. Use of other types of cables may result in fire.
- Be sure to connect to a properly grounded power source. A ground screw is provided on the rear panel of this device for maximum safety and shock prevention. If the mains outlet is not grounded, be sure to connect the ground screw to a confirmed ground point before plugging the device into the mains. Improper grounding can result in electrical shock.
Handling caution
- When turning on the AC power in your audio system, always turn on the device LAST, to avoid speaker damage. When turning the power off, the device should be turned off FIRST for the same reason.
- Do not insert your fingers or hands in any gaps or openings on the device (vents, etc.).
- Avoid inserting or dropping foreign objects (paper, plastic, metal, etc.) into any gaps or openings on the device (vents, etc.) If this happens, turn off the power immediately and unplug the power cord from the AC outlet. Then have the device inspected by qualified Yamaha service personnel.
- Do not use the device for a long period of time at a high or uncomfortable volume level, since this can cause permanent hearing loss. If you experience any hearing loss or ringing in the ears, consult a physician.
- Do not rest your weight on the device or place heavy objects on it, and avoid use excessive force on the buttons, switches or connectors.
- Do not use this device for any purpose other than driving loudspeakers.
Use only Neutrik NL4FC plugs for connecting Speakon connectors.
- Yamaha cannot be held responsible for damage caused by improper use or modifications to the device.
- Always turn the power off when the device is not in use.
- The performance of components with moving contacts, such as switches, volume controls, and connectors, deteriorates over time. Consult qualified
- Yamaha service personnel about replacing defective components.
- Illustrations in this manual are for explanatory purposes only, and may not match the actual appearance of the product during operation.
- Company names and product names used in this Owner’s Manual are trademarks or registered trademarks of their respective owners.
Introduction
Thank you for purchasing a Yamaha PC9501N, PC6501N, PC4801N, PC3301N, or PC2001N Series Power Amplifier. The PC Series of power amplifiers was developed from Yamaha’s wealth of experience in building PA equipment and its tradition of careful attention to every detail of circuit design. These power amplifiers feature high power and superb quality together with superior reliability and stability, guaranteeing the highest possible audio performance.
Main features include
- Three modes are provided to support a broad range of applications: STEREO mode which can be driven by two independent sources, PARALLEL mode in which a monaural source drives both channels, and BRIDGE mode in which the two internal amps function as a single mono amp.
- Balanced XLR connector and Euroblock connector inputs, and Speakon connector and five-way binding post outputs are provided.
- A high pass filter switch that cuts frequencies below 20 Hz, and detented attenuators and level meters for channels A and B are provided.
- Metering and indicators include easily visible two-channel level meters, a PROTECTION indicator that shows the state of various protection systems (power on/off detection, output protection, DC detection), a TEMP indicator that indicates heat sink overheating, and a REMOTE indicator that indicates the external remote status.
- Variable-speed low-noise fans ensure high reliability.
- The PC3301N enables parallel connection of multiple high-impedance speakers that support 100 V line output.
- An optional external amp control device, such as the ACD1 or ACU16-C, enables you to monitor or control the amplifier via a network. For the latest information about amp control devices, please visit our website: http://www.yamahaproaudio.com/.
This Owner’s Manual applies to the PC9501N, PC6501N, PC4801N, PC3301N, and PC2001N power amplifier. In order to take full advantage of your power amplifier and enjoy long and trouble-free operation, please read this Owner’s Manual carefully before using your Power Amplifier.
Controls and Functions
Front Panel

- POWER/STAND-BY switch and indicator
This turns the power of the amplifier on/off. When you press the switch to turn on the power, the indicator will light green. If the amplifier is connected to an amp control device ACD1 or ACU16-C and the amplifier has been commanded to enter STAND-BY mode, this indicator will light orange. - REMOTE indicator
This indicator will light green if the amplifier is being controlled from an external device connected to the DATA port located on the rear panel. - PROTECTION indicator
This indicator lights up red when the protection circuit is operating. During this time, the amp will be disconnected from the speaker system, and no sound will be output from the speaker.
The protection system activates in the following situations:- When the amplifier is turned on
The protection system activates for approximately ten seconds when the amplifier is turned on. After ten seconds, the protection system deactivates automatically and the amplifier is ready for normal operation. - If a DC voltage is detected at the amplifier’s outputs
Turn off the power, and then turn the power back on again. - If the amplifier overheats
When this occurs, the TEMP indicator will be lit. You should turn off the amplifier and allow it time to cool down. See the Precautions section of this Owner’s Manual for ways to prevent the amplifier from overheating.
- When the amplifier is turned on
- TEMP indicator
This indicator will light red if the heat sink temperature exceeds 85 degrees Celsius. - Level meters
These are nine-segment level meters that indicate the output level of output jacks A and B. If the distortion of the output signal exceeds 1%, the red CLIP indicator will light. - Volume knobs
These are detented volume knobs that attenuate the input signals of channels A and B over a range of – ∞ – 0 dB.
In BRIDGE mode, only the channel A knob is used. - Air intakes
The amplifier has a forced-air cooling fan that takes in air from the front and exhausts it from the rear. You must make sure that these intakes are not obstructed. - Security cover
If you want to keep the volume settings from being modified, attach the included security cover using the screw holes shown below so that the volume controls are inaccessible.
Rear Panel

- XLR inputs
These balanced XLR-3-31 type connectors are used to connect input signals. They are wired pin 1–ground, pin 2–hot (+), and pin 3–cold (–).
In Bridge mode, only the XLR input of channel A is active. - MODE switch
- STEREO mode
Channels A and B will operate independently. - PARALLEL mode
In PARALLEL mode, the channel A input signal will be sent to the channel A power amp and to the channel B power amp. The channel B input jack is not used. - BRIDGE mode
In BRIDGE mode, channels A and B will operate simultaneously, functioning as a single mono amp.
- STEREO mode
- HPF 20 switches
These switches are used to turn on and off the HPF (High Pass Filter) for each channel. When set to ON, frequencies below 20 Hz are filtered using a 12 dB/ octave high pass filter. - SPEAKERS jacks
- These are Speakon-type output jacks. Speakon-type cable plugs can be connected here.
- These are five-way binding post-output jacks.
- DATA PORT jack
An amp control device, such as the ACD1 or ACU16-C, can be connected to the DATA PORT jack for monitoring or controlling the amplifier from the external device. - AMP ID switch
When an amp control device, such as the ACD1 or ACU16-C, is connected to the DATA PORT jack 5, the AMP ID switch can be used to set the amplifier’s ID. - Euroblock connector
This is a balanced input jack. The included Euroblock connector can be used to make connections here. - AC inlet
Connect the socket of the included AC cable to this inlet. Connect the plug of the AC cable to an AC outlet that meets the power supply conditions printed below this inlet. - GROUND Screw terminal
If you are having a problem with hum or noise, use this terminal to connect to the ground or to connect to the chassis of the mixer, preamp, or another device in your system.
Speaker connections
Speakers can be connected to the amplifier as shown below. Note that speaker impedance will vary according to the connection method and the number of speakers. Please be sure that your speaker’s impedance is not less than the relevant minimum value indicated below.
Connection configurations for STEREO and PARALLEL modes
When using 5-way binding post-output jacks
When using the Speakon connector

Connection configurations for BRIDGE mode
When using 5-way binding post-output jacks

When using the Speakon connector
When connecting high-impedance speakers in parallel (PC3301N only)
The number of speakers that can be connected varies depending on the rated input of the speakers. The PC3301N can be connected to speakers with a total rated input of up to 625 W. For example, if you connect five speakers with a rated input of 5 W (25 W), thirty speakers with a rated input of 10 W (300 W) and twenty speakers with a rated input of 15 W (300 W), the amplifier can be used with a total rated speaker input of 625 W as shown below:
CAUTION
Be sure to use speakers that support the PC3301N’s line-out voltage of 100 V.
Connection
Using a Euroblock connector
If cables will be frequently connected and disconnected, as in the case of a portable installation, we recommend that you use ferrules with insulation sleeves. Use a ferrule whose conductor portion has an external diameter of 1.6 mm or less, and a length of approximately 7 mm (such as the AI0,5-6WH made by the Phoenix Contact corporation).
- If the wire insertion ports are closed, turn the screws on top of the connector counterclockwise to open the ports.
- Insert the wires into the appropriate ports, following the indication of the pole on the input terminal, and turn the screws on top of the connector clockwise to fix the wires.
- Attach the Euroblock connector to the input terminal on the unit.
Speaker Connection
5-way binding post
- Turn off the POWER switch.
- Remove the cover attachment screws and remove the protective cover from the speaker terminals.

- Remove about 15 mm of insulation from the end of each speaker cable, and pass the bare wire through the holes in the appropriate speaker terminals. Tighten the terminals to securely clamp the wires. Refer to page 8 for speaker polarities.


Be sure that the bare wire ends do not jut out from the terminals and touch the chassis. The following shows how the cable should look when correctly attached.
- Note to users in the USA:
- Please use Class 3 wiring. (PC9501N, PC6501N, PC4801N)
- Please use Class 2 wiring. (PC3301N, PC2001N)
- Reattach the protective cover over the speaker terminals.
Speakon connector
- Turn off the POWER switch.
- Insert the Neutrik NL4FC plugs into the Speakon connector on the rear of the amplifier, and turn clockwise to lock.
Neutrik NL4FC plugs

CHANNEL A
STEREO or PARALLEL
| Neutrik | Amplifier |
| 1+ | A+ |
| 1– | A– |
| 2+ | B+ |
| 2– | B– |
BRIDGE
| Neutrik | Amplifier |
| 1+ | + |
| 1– | |
| 2+ | – |
| 2– |
CHANNEL B
| Neutrik | Amplifier |
| 1+ | B+ |
| 1– | B– |
Air Flow
This unit uses a forced cooling system in which air comes in through the front opening and goes out the rear.
Side View

Rear View

Rack Mounting
If multiple high-power amp units are mounted in a rack with poor ventilation, the heat from the amps will cause the interior of the amp to become very hot, causing the performance of the amps to be impaired. In particular, when mounting in a rack whose back can not be left open, mount according to the following instructions.
- Rack: Leave a gap of 10 cm or more between the rear panel of the rack and the rear panel of the amplifier.
- Fan: Use a fan with 1.5 m3/min or more maximum wind and 5 mmH2O or more maximum static pressure.
- Mounting: Install the fan kit on the top slot or the top panel of the rack and install a blanking panel between two amps.
If the unit is rack mounted and transported frequently, we recommend that the rear of the unit be supported by fitting a pair of metal brackets, one each side.
Example of mounting
The top figure shows an example of a fan kit (panels and two fans) on the top slot of the rack. The fans are Minebea 3115PS-12T-B30 (with 0.9 m3/min maximum wind and 5 mmH2O maximum static pressure). The bottom figure is a dimensional diagram of a panel on which two 3115PS-12T-B30 are installed.
Specifications
General Specifications
| PC9501N | PC6501N | PC4801N | PC3301N | PC2001N | |||||||||
| Output Power 1 kHz, THD+N= 1% 8 W/STEREO 4 W/STEREO 8 W/BRIDGE |
MIN | 120V/240V | 230V | 120V/240V | 230V | 120V/240V | 230V | 120V/240V | 230V | 120V/240V | 230V | ||
| 1000 W x 2 | 1050 W x 2 | 700 W x 2 | 750 W x 2 | 550 W x 2 | 500 W x 2 | 350 W x 2 | 400 W x 2 | 230 W x 2 | 250 W x 2 | ||||
| 1600 W x 2 | 1650 W x 2 | 1100 W x 2 | 1150 W x 2 | 850 W x 2 | 800 W x 2 | 600 W x 2 | 700 W x 2 | 400 W x 2 | 450 W x 2 | ||||
| 3200 W | 3300 W | 2200 W | 2300 W | 1700 W | 1600 W | 1200 W | 1400 W | 800 W | 900 W | ||||
| 20 Hz–20 kHz 8 W/STEREO THD+N= 0.1% 4 W/STEREO 8 W/BRIDGE 16 W/BRIDGE(100V) |
MIN | 925 W x 2 | 950 W x 2 | 650 W x 2 | 650 W x 2 | 475 W x 2 | 450 W x 2 | 330 W x 2 | 350 W x 2 | 200 W x 2 | 230 W x 2 | ||
| 1400 W x 2 | 1500 W x 2 | 930 W x 2 | 930 W x 2 | 725 W x 2 | 700 W x 2 | 525 W x 2 | 550 W x 2 | 325 W x 2 | 400 W x 2 | ||||
| 2800 W | 3000 W | 1860 W | 1860 W | 1450 W | 1400 W | 1050 W | 1100 W | 650 W | 800 W | ||||
| – | – | – | – | – | – | 625 W | 625 W | – | – | ||||
| 1 kHz 2 W/STEREO 20ms nonclip 4 W/BRIDGE | MIN | 2300 W x 2 | 2300 W x 2 | 1500 W x 2 | 1600 W x 2 | 1200 W x 2 | 1200 W x 2 | 800 W x 2 | 900 W x 2 | 500 W x 2 | 600 W x 2 | ||
| 4600 W | 4600 W | 3000 W | 3200 W | 2400 W | 2400 W | 1600 W | 1800 W | 1000 W | 1200 W | ||||
| Power Bandwidth Half Power | MIN | 10 Hz–40 kHz (THD+N= 0.5%) | |||||||||||
| Total Harmonic Distortion (THD + N) 20 Hz–20 kHz, Half Power | MAX | 0.1% | |||||||||||
| Frequency Response RL= 8 W, Po= 1 W f=20 Hz–50 kHz | MAX | 0 dB | |||||||||||
| TYP | 0 dB | ||||||||||||
| MIN | –1 dB | ||||||||||||
| Intermodulation Distortion (IMD) 60 Hz:7 kHz, 4:1, Half Power | MAX | 0.1% | |||||||||||
| Channel Separation Half Power, RL= 8 W, 1 kHz, Vol. max., input 600 W shunt | MIN | 70 dB | |||||||||||
| Residual Noise Vol. min., 20 Hz–20 kHz (DIN AUDIO) | MAX | –70 dB | |||||||||||
| SN Ratio 20 Hz–20 kHz (DIN AUDIO) | MIN | 106 dB | 105 dB | 103 dB | 101 dB | 100 dB | |||||||
| Damping Factor RL=8 W, f= 1 kHz | MIN | 800 | 500 | ||||||||||
| Input Sensitivity RL=8W (20Hz–20kHz, THD+N = 0.1%) | TYP | +9.2dBu | +9.5dBu | +7.7dBu | +8.0dBu | +6.7dBu | +6.2dBu | +4.7dBu | +5.3dBu | +2.9dBu | +3.2dBu | ||
| Voltage Gain (RL=8W) | TYP | 32 dB | |||||||||||
| Maximum Input Voltage | MIN | 22 dB | |||||||||||
| Input Impedance | TYP | 20 kW/Balanced, 10 kW/Unbalanced | |||||||||||
| Controls | Front Panel | POWER switch (ON/OFF) Two 31-step Volume knobs (one per ch) | |||||||||||
| Rear Panel | MODE switch (STEREO/BRIDGE/PARALLEL) HPF switch (ON/OFF) fc=20 Hz 12 dB/octave DIP switch (6P) | ||||||||||||
| Connectors | Input | XLR–3–31 type/ch Euroblock connector/ch | |||||||||||
| Output | SPEAKON/ch, 5-way binding posts | ||||||||||||
| Network | RJ45 x 2 | ||||||||||||
| Power | AC inlet | ||||||||||||
| Indicators | POWER/STANDBY | Green/Orange | |||||||||||
| PROTECTION | Red | ||||||||||||
| TEMP | Red (heatsink temp. 85 ˚C) | ||||||||||||
| REMOTE | Green | ||||||||||||
| Level Meters | 10 points LED meter/ch | ||||||||||||
| Load protection | POWER switch ON muting, DC detection | ||||||||||||
| Amp. Protection | Temp. detection (heatsink temp. 90 ˚C), VI limiter (RL 1W) | ||||||||||||
| Limiter | Comp. : THD | 0.5% | |||||||||||
| Cooling | Dual Variable-speed fan | ||||||||||||
| Power Consumption | Idling | 55 W | 40 W | ||||||||||
| Output power, 4 W | 750 W/ 1000 W | 1100 W | 700 W/ 800 W | 800 W | 450 W/ 600 W | 600 W | 450 W/ 500 W | 500 W | 350 W | ||||
| Power Requirements | 120 V, 220 V–240 V; 50 Hz/60 Hz | ||||||||||||
| Dimensions (W x H x D) | 480 x 88 x 456 mm (18-7/8″ x 3-7/16″ x 17-15/16″) | ||||||||||||
| Weight | 13.0 kg (28.6 lbs) | 12.5 kg (27.6 lbs) | |||||||||||
| Included accessories | Power cord, Security cover, Owner’s Manual, 3-pin Euroblock connector x 2 | ||||||||||||
0 dB=0.775 Vrms, Half Power=1/2 Output Power (3 dB below rated power) Specifications and descriptions in this owner’s manual are for information purposes only. Yamaha Corp. reserves the right to change or modify products or specifications at any time without prior notice. Since specifications, equipment or options may not be the same in every locale, please check with your Yamaha dealer.
European models
Purchaser/User Information specified in EN55103-1 and EN55103-2.
Inrush Current: 16A (PC9501N), 23A (PC6501N, PC4801N, PC3301N, PC2001N) Conforms to Environments: E1, E2, E3 and E4.
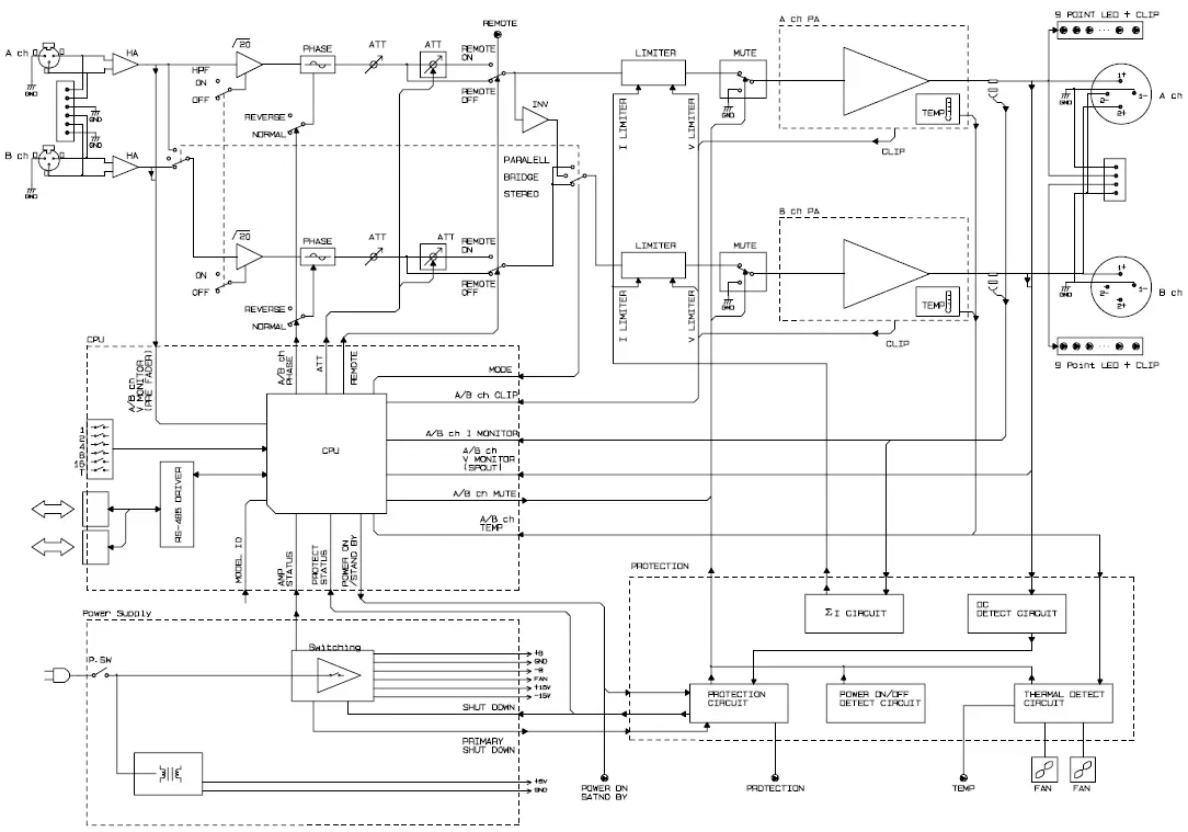
Block Diagram

Dimensions

Troubleshooting
The following table lists the main causes of abnormal operation and the corrective measures required as well as the protective circuit operation in each case.
| Indicator | Possible Cause | Remedy | Protection Circuit |
|
CLIP indicator lights up | There is a short at the amplifier’s speaker outputs, the speaker’s inputs, or in the wiring. | Locate and remove the short. |
The PC limiter circuit activates to protect the power transistors. |
| The impedance of the connected speaker is too low. | Use a speaker with a minimum impedance of 4W (8W in Bridge mode). | ||
|
The PROTECTION indicator lights up | The heat sink temperature has exceeded 90°C. | Check the ventilation around the amplifier and improve the airflow if necessary. | The thermal protection circuit activates to protect the power transistors. |
| A DC voltage of ±2 V or greater was detected in the amplifier’s output circuit. | Consult your dealer or a Yamaha service center. | The output relay activates to protect the speaker system. |
Current Draw.
PC9501N
| Line Current (A) | Power (W) | Thermal Dissipation | ||||||
| 100/120V | 230/240V | In | Out | Dissipated | Btu/h | kcal/h | ||
| standby | 0.08 | 0.04 | 5 | 0 | 5 | 17 | 4 | |
| idle | 1.0 | 0.5 | 55 | 0 | 55 | 188 | 47 | |
| 1/8 power | 8 W/ch | 8.2 | 4.5 | 500 | 250 | 250 | 853 | 215 |
| 4 W/ch | 10.5 | 5.8 | 682 | 375 | 307 | 1050 | 264 | |
| 1/3 power | 8 W/ch | 16.8 | 9.2 | 1093 | 667 | 426 | 1450 | 367 |
| 4 W/ch | 23.7 | 13.0 | 1613 | 1000 | 613 | 2090 | 527 | |
PC6501N
| Line Current (A) | Power (W) | Thermal Dissipation | ||||||
| 100/120V | 230/240V | In | Out | Dissipated | Btu/h | kcal/h | ||
| standby | 0.08 | 0.04 | 5 | 0 | 5 | 17 | 4 | |
| idle | 1.0 | 0.5 | 40 | 0 | 40 | 137 | 34 | |
| 1/8 power | 8 W/ch | 5.4 | 2.9 | 375 | 188 | 188 | 640 | 161 |
| 4 W/ch | 6.9 | 3.8 | 500 | 275 | 225 | 768 | 194 | |
| 1/3 power | 8 W/ch | 11.4 | 6.3 | 820 | 500 | 320 | 1090 | 275 |
| 4 W/ch | 16.4 | 9.0 | 1183 | 733 | 449 | 1530 | 387 | |
PC4801N
| Line Current (A) | Power (W) | Thermal Dissipation | ||||||
| 100/120V | 230/240V | In | Out | Dissipated | Btu/h | kcal/h | ||
| standby | 0.08 | 0.04 | 5 | 0 | 5 | 17 | 4 | |
| idle | 1.0 | 0.5 | 40 | 0 | 40 | 137 | 34 | |
| 1/8 power | 8 W/ch | 3.6 | 2.0 | 253 | 125 | 128 | 435 | 110 |
| 4 W/ch | 6.2 | 3.4 | 444 | 200 | 244 | 834 | 210 | |
| 1/3 power | 8 W/ch | 8.5 | 4.7 | 612 | 333 | 279 | 952 | 240 |
| 4 W/ch | 15.0 | 8.2 | 1077 | 533 | 544 | 1860 | 468 | |
PC3301N
| Line Current (A) | Power (W) | Thermal Dissipation | ||||||
| 100/120V | 230/240V | In | Out | Dissipated | Btu/h | kcal/h | ||
| standby | 0.08 | 0.04 | 5 | 0 | 5 | 17 | 4 | |
| idle | 1.0 | 0.5 | 40 | 0 | 40 | 137 | 34 | |
| 1/8 power | 8 W/ch | 2.7 | 1.5 | 189 | 88 | 102 | 348 | 88 |
| 4 W/ch | 5.0 | 2.7 | 357 | 150 | 207 | 707 | 178 | |
| 1/3 power | 8 W/ch | 6.4 | 3.5 | 459 | 233 | 226 | 771 | 194 |
| 4 W/ch | 12.0 | 6.6 | 866 | 400 | 466 | 1590 | 401 | |
PC2001N
| Line Current (A) | Power (W) | Thermal Dissipation | ||||||
| 100/120V | 230/240V | In | Out | Dissipated | Btu/h | kcal/h | ||
| standby | 0.08 | 0.04 | 5 | 0 | 5 | 17 | 4 | |
| idle | 1.0 | 0.5 | 40 | 0 | 40 | 137 | 34 | |
| 1/8 power | 8 W/ch | 1.9 | 1.1 | 134 | 58 | 77 | 261 | 66 |
| 4 W/ch | 3.1 | 1.7 | 224 | 88 | 137 | 467 | 118 | |
| 1/3 power | 8 W/ch | 4.5 | 2.5 | 325 | 153 | 172 | 586 | 148 |
| 4 W/ch | 7.6 | 4.2 | 544 | 233 | 311 | 1060 | 267 | |
- 1/8 power is typical of program material with occasional clipping. Refer to these figures for most applications.
- 1/3 power represents program material with extremely heavy clipping.
- Test signal: Pink Noise, bandwidth limited from 22Hz to 22kHz
- 1W = 0.860kcal/h, 1BTU = 0.252kcal
- Note that Line Voltage [V] x Line Current [A] = [VA], not equal to [W].
Inrush current
- PC9501N: 7A (100V), 8A (120V), 16A (240V)
- PC6501N, PC4801N, PC3301N, PC2001N: 10A (100V), 12A (120V), 23A (240V)
IMPORTANT NOTICE FOR THE UNITED KINGDOM
Connecting the Plug and Cord
WARNING:
THIS APPARATUS MUST BE EARTHED IMPORTANT. The wires in this mains lead are colored in accordance with the following code:
- GREEN-AND-YELLOW: EARTH
- BLUE: NEUTRAL
- BROWN: LIVE
As the colors of the wires in the mains lead of this apparatus may not correspond with the coloured markings identifying the terminals in your plug proceed as follows:
The wire which is coloured GREEN-and-YELLOW must be connected to the terminal in the plug which is marked by the letter E or by the safety earth symbol or colored GREEN or GREEN-and-YELLOW. The wire which is coloured BLUE must be connected to the terminal which is marked with the letter N or coloured BLACK. The wire which is coloured BROWN must be connected to the terminal which is marked with the letter L or coloured RED.
This applies only to products distributed by Yamaha-Kemble Music (U.K.) Ltd. (3 wires)
This mark indicates a dangerous electrically live terminal. When connecting an external wire to this terminal, it is necessary either to have “a person who has received appropriate guidance on handling” make the connection or to use leads or a cord that has been manufactured in such a way that the connection can be made simply and without a problem.
NORTH AMERICA
CANADA
Yamaha Canada Music Ltd. 135 Milner Avenue, Scarborough, Ontario, MIS 3Rl, Canada
Tel: 416-298-1311
U.S.A.
Yamaha Corporation of America 6600 Orangethorpe Ave., Buena Park, Calif. 90620, U.S.A.
Tel: 714-522-9011
CENTRAL & SOUTH AMERICA
MEXICO
Yamaha De Mo\xico, S.A. de C.V.
Av. Insurgentes Sur 1647 “Prisma Insurgentes”, Col. San Jose Insurgentes, Del. Benito Juarez, 03900, Mexico, D.F.
Tel: 55-5804-0600
BRAZIL
Yamaha Musical do Brasil Ltda.
Rua Joaquim Floriano, 913 – 4′ andar, Itaitn Bibi, CEP 04534-013 Sao Paulo, SP. BRAZIL
Tel: 011-3704-1377
ARGENTINA
Yamaha Music Latin America, S.A. Sucursal de Argentina
Olga Cossettini 1553, Piso 4 Norte Madero Este-Cll07CEK Buenos Aires, Argentina
Tel: 011-4119-7000
PANAMA AND OTHER LATIN AMERICAN COUNTRIES/CARIBBEAN COUNTRIES
Yamaha Music Latin America, S.A.
Torre Banco General, Piso 7, Urbanizaci6n Marbella, Calle 4 7 y Aquilino de la Guardia, Ciudad de Panama, Panama
Tel: +507-269-5311
EUROPE
THE UNITED KINGDOM/IRELAND
Yamaha Music Europe GmbH (UK)
Sherbourne Drive, Tilbrook, Milton Keynes,
MK7 SBL, England
Tel: 01908-366700
GERMANY
Yamaha Music Europe GmbH
SiernensstraBe 22-34, 25462 Rellingen, Germany
Tel: 04101-3030
SWITZERLAND/LIECHTENSTEIN
Yamaha Music Europe GmbH
Branch Switzerland in Ziirich
Seefeldstrasse 94, 8008 Ziirich, Switzerland
Tel: 044-387-8080
AUSTRIA/BULGARIA
Yamaha Music Europe GmbH Branch Austria
Schleiergasse 20, A-1100 Wien, Austria
Tel: 01-60203900
CZECH REPUBLIC/HUNGARY/ROMANIA/SLOVAKIA/SLOVENIA
Yamaha Music Europe GmbH
Branch Austria (Central Eastern Europe Office)
Schleiergasse 20, A-1100 Wien, Austria
Tel: 01-602039025
POLAND/LITHUANIA/LATVIA/ESTONIA
Yamaha Music Europe GmbH
Branch Poland Office
ul. Wrotkowa 14 02-553 Warsaw, Poland
Tel: 022-500-2925
AFRICA
Yamaha Corporation, Asia-Pacific Sales & Marketing Group
Nakazawa-cho 10-1, Naka-ku, Hamamatsu,
Japan 430-8650
Tel: +81-53-460-2303
HEAD OFFICE Yamaha Corporation, Pro Audio Division
Nakazawa-cho 10-1, Naka-ku, Harnarnatsu, Japan 430-8650
Yamaha Pro Audio global website
http://www.yamahaproaudio.com/
Yamaha Manual Library
http://www.yamaha.co.jp/manual/.
C.S.G., Pro Audio Division
© 2004 Yamaha Corporation 305APTO-D0 Printed in Japan.


























