YAMAHA XDA-QS5400RK Multi-Room Amplifiers Owner's Manual

BEFORE USING THE UNIT
Accessories
Confirm that all the following items are included in the package.

- Power cord
- Owner’s Manual
- Safety Brochure
Note: Screws for rack mounting are not included.
About this manual
- This OWNER’S MANUAL explains preparations and operations for installers of the unit. Make sure to deliver this OWNER’S MANUAL to the user after the placement, connection and setup of the unit.
- Read the supplied booklet “Safety Brochure” before installing and using the unit.
- In this manual, iOS and Android mobile devices are collectively referred to as “mobile devices”. The specific type of mobile device is noted in explanations as needed.
- Due to product improvements, specifications and appearance are subject to change without notice.
- Updates offering improved functionality of the dedicated “MusicCast CONTROLLER” app for mobile devices may become available without prior notice.
- The illustrations in this manual are for instructional purposes only.
- Access the Yamaha Downloads site to download the latest Owner’s Manual and Safety Brochure. http://download.yamaha.com/
Notice: Indicates precautions for use to avoid the possibility of malfunction/damage to the unit.
Note: Indicates instructions and supplementary explanations for optimum use.
PART NAMES AND FUNCTIONS
Front panel

- MAIN STATUS indicator Indicates the unit status depending on its color and whether it is lit or flashing.
Note
• When flashing green or red, the corresponding ZONE’s STATUS indicator also flashes.
• The Cut / Fade function means that the audio signals that are input to CUT IN : IN (SENSING) jacks “cut in” or fade in the playback in each ZONE. - RESET key Resets the unit. The unit is restarted forcibly by holding down RESET key for over 10 seconds.
- STATUS indicators Indicate the ZONE1 – ZONE4 status depending on whether they are lit or flashing.

- STANDBY keys Turn ZONE1 – ZONE4 to on / standby. The unit consumes a small power even in standby mode. The unit’s standby power consumption depends on the standby configuration.
- CONNECT keys Add ZONE1 – ZONE4 to the MusicCast network using the MusicCast CONTROLLER app. The 4 ZONEs are independent of each other, so make sure to connect the mobile device with the MusicCast CONTROLLER app installed to the operating ZONE individually.
- USB jacks
• Connection: USB Type-A
• File format system: FAT16, FAT32
• Voltage / current supply capacity: 5 V / 0.5 A For connecting a USB storage device. You can play back music files stored on a USB storage device when you select “USB” as the input source.
Rear panel

- GND screw terminal Connecting the source device chassis to the GND terminal of the unit may reduce noise in the signal.
Note
The ground is not a safety ground. - ETHERNET jacks Connection: RJ-45 For a wired connection to a network. Using an ETHERNET jack, connect the unit to your router with an Ethernet cable. Using another ETHERNET jack, you can connect the unit to another network device (such as another XDA-QS5400) in cascade.
Notice
The unit is equipped with an Ethernet hub (Layer-2 Ethernet switch) internally. Do not connect both ETHERNET jacks to the same router. In that case, a routing loop might interfere with communication of the whole network. - IR IN/OUT jack Connection: 3.5 mm monaural mini-plug For connecting to an external remote control device and inputting/outputting remote control signals. The output with passthrough function is enabled even in standby mode.
- CUT IN : IN (SENSING)/THRU. OUT jacks Connection: stereo RCA plug (L/R) IN (SENSING): For connecting to a paging system or another audio device. The audio signals cut in or fade in the playback in each ZONE. THRU. OUT: For outputting analog audio signals input in IN (SENSING) jacks by pass-through function. The output is enabled even in standby mode.
- AUX : IN/THRU. OUT jacks Connection: stereo RCA plug (L/R) IN: For connecting to an audio playback device such as a CD player (analog out jack) and inputting audio signals. You can play back music from an audio playback device when you select “AUX” as the input source. THRU. OUT: For outputting analog audio signals input in AUX : IN jacks by pass-through function. The output is enabled even in standby mode.
- PRE OUT/ZONE1 4 jacks Connection: stereo RCA plug (L/R) For connecting to external power amplifiers and outputting audio signals in ZONE1 – ZONE4.
- CHIME (CONTACT CLOSURE) 1 4 jacks Connection: 3.5 mm monaural mini-plug (Tip: + / Sleeve: -) For connecting to contact closures such as door bells. When the contact closure is closed (+ and – of the jack is shorted), the preset chime sounds in the selected ZONE.
- TRIGGER OUT 1 4 jacks Connection: 3.5 mm monaural mini-plug (Tip: + / Sleeve: -) For outputting trigger signals (DC 12 V). In general, the output level is “High” when the unit is powered on or “Low” in standby mode.
- NORMAL/BRIDGE switch Selects NORMAL/BRIDGE connection of speakers. This switch is normally set to NORMAL. Change the setting to BRIDGE only when the speaker is used in bridge connection.
Note
Unplug the unit’s power cord from the AC wall outlet before changing the NORMAL/BRIDGE switch setting. - SPEAKERS terminals Connection: Euroblock connectors (supplied) Speaker impedance: 4 or over (NORMAL), 8 or over (BRIDGE) For connecting to speakers with supplied Euroblock connectors.
- AC IN jack For connecting the supplied power cord.
PLACEMENT AND CONNECTION
Placing the unit
Mounting the unit on a rack
Use the supplied brackets to mount the unit on an EIA standard rack. Screw the brackets to the unit horizontally.
Notice
- Do not use the brackets for devices other than the XDAQS5400.
- When installing brackets, use the included screws.
- Tighten the screws until the brackets are securely fixed.
Note
Screws for rack mounting are not included.
Precautions for rack mounting
If the unit is mounted together with additional units and/or other devices in an EIA standard equipment rack, the internal temperature can rise due to heat generated from the devices, resulting in impaired performance. If the unit is mounted in a rack, always observe the following requirements to avoid heat buildup:
- If the unit is mounted in a rack with other devices that generate a significant amount of heat, such as a power amplifier, leave more than 1U of space between the unit and other devices (both above and below). Also, make sure to either leave any open spaces uncovered or install appropriate ventilating panels to minimize the possibility of heat buildup.
- To ensure sufficient airflow, leave the rear of the rack open and position it at least 10 cm from walls or other surfaces.
Placing the unit without a rack
Affix the supplied non-skid pads at the four corners on the bottom of the unit, and then place the unit on a shelf or rack.

Note Allow ventilation space of at least 10 cm (4 in.) on the top, either side and back of the unit.
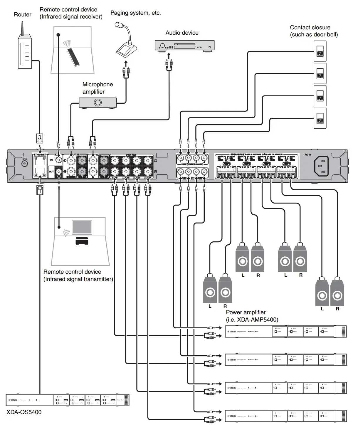
Connecting devices
The following is an example of connecting the devices. Unplug the unit’s power cord from the AC wall outlet before connecting the devices.

Connecting speakers
Connect the speakers to the unit with the supplied Euroblock plug and commercially-available speaker cables.

- Loosen terminal screws.
- Insert cables.
- Securely tighten terminal screws.
- Insert the Euroblock plug into the SPEAKERS terminals of the unit.
Note
- You must use the supplied Euroblock plugs. If the plugs have been lost, please contact your Yamaha dealer.
- Recommended cable gauges for the Euroblock plug: AWG26 (0.13 mm2) to AWG16 (1.3 mm2)
- To prepare the cable for attachment to a Euroblock connector, strip the wire as shown in the illustration using stranded wire to make connections. With a Euroblock connection, stranded wires may be prone to breakage because of metal fatigue due to the weight of the cable or due to vibration. When rack mounting your device, use a lacing bar when possible to bundle and fasten the cables.
- Do not tin (solder) the exposed end.
Connecting speakers in bridge mode
Connect the speakers to the unit with the supplied Euroblock plug and commercially-available speaker cables, and set the NORMAL/BRIDGE switch to “BRIDGE”.
Note
Unplug the unit’s power cord from the AC wall outlet before changing the NORMAL/BRIDGE switch setting.

Connecting to a wired network
Connect the unit to your router with a commercially-available STP network cable (CAT-5 or higher straight cable). Using another ETHERNET jack, you can connect the unit to another network device (such as another XDA-QS5400) in cascade.
Notice
Do not connect both ETHERNET jacks to the same router. In that case, a routing loop might interfere with communication of the whole network.
Connecting external devices
For a power amplifier
Use a commercially-available analog stereo pin cable (stereo audio RCA cable). You can connect a power amplifier to each ZONE.
Note To prevent loud sound or unexpected noise, before connecting a power amplifier, be sure to unplug the unit’s power cord from the AC wall outlet and turn off the power amplifier.
For an external device with analog stereo audio output Use a commercially-available analog stereo pin cable (stereo audio RCA cable).
For a paging system with the Cut/Fade function Use a commercially-available analog stereo pin cable (stereo audio RCA cable). The audio signals from a paging system cut in or fade in the playback in each ZONE.
Note Control the Cut/Fade function using the Web Control screen. For details, see the following: · “Setting menu items” (p.12)
For a contact closure (such as a door bell) with the ON/ OFF switch
Use a commercially-available 3.5 mm monaural mini-plug cable. When the contact closure is closed, the preset chime sounds in the selected ZONE.
Note Control the chime function using the Web Control screen. For details, see the following: · “Setting menu items” (p.12)
For a remote control device Use a commercially-available 3.5 mm monaural mini-plug cable. For connecting to an infrared signal receiver/emitter that allows you to operate the unit and other devices from another room.
For a device compatible with the trigger function Use a commercially-available 3.5 mm monaural mini-plug cable. The trigger function can control external devices (such as XDAAMP5400) in conjunction with powering on/off the unit.
Note Control the trigger function using the Web Control screen. For details, see the following: · “Setting menu items” (p.12)
Connecting the power cord
After all the connections are complete, plug the supplied power cord into the AC IN jack on the rear panel, and then plug the power cord to an AC wall outlet.
MusicCast
What is MusicCast?
MusicCast allows you to share music among all of your rooms with a variety of Yamaha MusicCast compatible devices. Yamaha offers the free dedicated mobile app “MusicCast CONTROLLER”. This app allows the users of this unit to control the unit and other MusicCast compatible devices easily. Users can also enjoy music from their mobile device, media servers (PCs/NAS), and music streaming services. For more details and a lineup of MusicCast compatible products, refer to the following site: http://www.yamaha.com/musiccast/
Note Some streaming services may be asked to login from MusicCast CONTROLLER app.
Installing MusicCast CONTROLLER
To use the network features on the MusicCast compatible device, you need the dedicated application “MusicCast CONTROLLER”. Search for the free application “MusicCast CONTROLLER” on the App Store or Google Play and install it to your device.
Adding the unit to the MusicCast network
Perform the following procedure to add each ZONE to the MusicCast network.
- Tap the “MusicCast CONTROLLER” application
icon on your mobile device and tap “Setup”.
Note If you want to add the the unit to the MusicCast network in the next ZONE, tap “Add New Device” in the “Settings”. - Operate the “MusicCast CONTROLLER” application
following the on-screen instructions, and then hold down CONNECT on the front panel of the unit for 5 seconds.
- Operate the “MusicCast CONTROLLER” application following the onscreen instructions to set up the network.
This completes adding the unit to the MusicCast network.
SETTING THE UNIT
Setting from a web browser
Web Setup screen
You can modify the various unit settings with the Web Setup screen displayed in a web browser on your mobile device (such as a tablet) or PC.

The Web Setup screen appears when you type the IP address of the unit followed by “/Setup” into the address field of a web browser. You can configure the various settings in ZONE1 to ZONE4 all together.
Confirming the IP Address of the unit
Follow the procedure below to confirm the IP Address of the unit after setting up MusicCast.
- Hold down the room name (or the unit name) on the
MusicCast CONTROLLER screen.
- Tap “Room Settings”.

- Tap “Information”, and check the IP Address of the unit.

Displaying the Web Setup screen
Using the IP Address of the unit, you can display the Web Setup screen. Type the IP Address of the unit followed by “/Setup” into the address field of a web browser on your mobile device (such as a tablet) or PC, and press ENTER. The Web Setup screen for the unit appears. For example: http://192.168.1.70/Setup
Note
Be sure not to type only the IP address of the unit into the address field of a web browser. The Web Setup screen does not appear without “/Setup”.

The following items can be displayed and configured on the Web Setup Screen.






FIRMWARE UPDATING
Updating the firmware with USB memory devices
You can update the firmware using USB memory devices. Download the firmware update file from the Yamaha website to a PC, and copy it to 4 USB memory devices in advance.
Note
- Each ZONE needs the firmware update.
- Use 4 USB memory devices to update the firmware of the 4
Zones at once.
- Turn each ZONE to standby and disconnect the
power cord from the AC wall outlet. - Connect the USB memory devices to the USB jacks of ZONE1 to ZONE4 on the front panel.
- While holding down CONNECT1 and CONNECT3 on the front panel, plug the power cord into the AC wall outlet. The firmware update starts. The STATUS indicator of each ZONE flashes during the update and the MAIN STATUS indicator lights up in sky blue.
- When the update is finished, press STANDBY1 to reset all of the ZONEs.
When updating is finished, the STATUS indicator on each ZONE is turned off and the MAIN STATUS indicator lights up in white.
INITIALIZING THE UNIT
Restoring it to the factory preset settings
To initialize the unit, select “Factory Preset” from the “Web setup” screen, or set all Zones to standby and then hold down the CONNECT1 and CONNECT2 keys simultaneously for 5 seconds or longer. When it becomes initialized, the power of ZONE1 will also turn on.
SPECIFICATIONS
Specifications
The specifications of the unit are as follows.
Input jacks
Analog Audio
- Stereo Audio (RCA) x 2 (CUT IN, AUX)
Output jacks
Analog Audio
- Speaker Out x 4 (L/R)
- Stereo Audio (RCA) x 4 (PRE OUT)
- Stereo Audio (RCA) x 2 (CUT IN, AUX)
Other jacks
- USB x 4 (USB2.0)
- Network (Wired) x 2 (Internal speed: 100Base-TX/10Base-T, External speed: 1000Base-T/100Base-TX/10Base-T)
- Trigger Out x 4
- Remote In x 1
- Remote Out x 1
- Chime x 4
USB
Device Capability: Mass Storage Class USB Memory Current Supply Capacity: 0.5 A
Network
PC Client Function AirPlay supported Internet Radio Streaming Service
Audio Section
Rated Output Power
- (2-channel driven, 1 kHz, 0.9% THD, NORMAL, 4/8 ) 90/50 W
- (2-channel driven, 1 kHz, 0.9% THD, BRIDGE, 8 ) 100 W
- (1-channel driven, 1 kHz, 0.9% THD, NORMAL, 4/8 ) 100/50 W
- (1-channel driven, 1 kHz, 0.9% THD, BRIDGE, 8 ) 200 W
Dynamic Power
- (2-channel driven, 20 Hz to 20 kHz, 0.08% THD, 20ms Burst, NORMAL, 4/8 ) 80/40 W
- (2-channel driven, 20 Hz to 20 kHz, 0.08% THD, 20ms Burst, BRIDGE, 8 ) 150 W
- (2-channel driven, 1 kHz, 0.9% THD, 20ms Burst, NORMAL, 4/8 ) 100/50 W
- (2-channel driven, 1 kHz, 0.9% THD, 20ms Burst, BRIDGE, 8 ) 200 W
- (All channel driven, 1 kHz, 0.9% THD, 20ms Burst, NORMAL(8-ch), 4/8 ) 80/50 W
- (All channel driven, 1 kHz, 0.9% THD, 20ms Burst, BRIDGE(4-ch), 8 ) 170 W
Maximum Effective Output Power (JEITA)
- (1-channel driven, 1 kHz, 10% THD, NORMAL, 4/8 ) 130/65 W
- (1-channel driven, 1 kHz, 10% THD, BRIDGE, 8 ) 260 W
Total Harmonic Distortion (THD)
- (20 Hz to 20 kHz, SP OUT, 25 W, 8 )
- (20 Hz to 20 kHz, PRE OUT, 1 V) 0.04% THD 0.005% THD
Frequency Response (+0/-3 dB)
- PRE OUT (NET/USB IN) 10 Hz to 22 kHz
- PRE OUT (AUX IN) 10 Hz to 22 kHz
- SP OUT (NET/USB IN) 10 Hz to 22 kHz
- SP OUT (AUX IN) 10 Hz to 22 kHz
Signal to Noise Ratio (IHF-A)
- PRE OUT (NET/USB IN) 114 dB
- PRE OUT (AUX IN) 108 dB
- SP OUT (NET/USB IN) 106 dB
- SP OUT (AUX IN) 104 dB
Rated Output Level / Output Impedance
- PRE OUT (L/R, 1 kHz) 2.0 V/470 Ω
Maximum Output Level
- PRE OUT (L/R, 0.9% THD) 4.0 V
Gain
- SP OUT (1 V INPUT) 25.8 dB
Input Sensitivity
- 1 W power (1 W/8 Ω output) 150 mV
- MAX power (50 W/8 Ω output) 1.0 V
Volume Control
- PRE OUT/SP OUT Mute, -80 dB to 0.0 dB (0.5 dB Step)
EQ Characteristics
- Bass Variable width -6.0 dB to +6.0 dB (0.5 dB Step)
- Bass Turnover Frequency 350 Hz
- Mid Variable width -6.0 dB to +6.0 dB (0.5 dB Step)
- Mid Center Frequency 1.1 kHz
- Treble Variable width -6.0 dB to +6.0 dB (0.5 dB Step)
- Treble Turnover Frequency 3.5 kHz
Maximum Input Signal
- AUX IN (1 kHz, 0.9% THD) 2.4 V
General
Power Supply
- [U.S.A. model] AC 120 V, 60 Hz
- [Other models] AC 220 to 240 V, 50/60 Hz
Power Consumption 130 W
- All Zone On, No Signal Condition 40 W
- All Zone Off, Chime On 18.2 W
- All Zone Off, CUT IN On, CUT IN Power On Enable 18.2 W
Standby Power Consumption
- Network Standby Off 0.2 W
- Network Standby On (1 Zone) 3.2 W
- Network Standby On (4 Zones) 6.0 W
Dimensions (W x H x D) 437 x 46 x 443 mm (17-1/4″ x 1-3/4″ x 17-3/8″)
Weight 6.3 kg (13.9 lbs)
Reference Dimensions
- Brackets with front cover
481 x 44 x 453 mm (18-7/8″ x 1-3/4″ x 17-7/8″)

- Table Top Mount-with front cover
437 x 46 x 453 mm (17-1/4″ x 1-3/4″ x 17-7/8″)

- Brackets
481 x 44 x 443 mm (18-7/8″ x 1-3/4″ x 17-3/8″)

* The contents of this manual apply to the latest specifications as of the publishing date. To obtain the latest manual, access the Yamaha website then download the manual file.
Supported devices and file formats
Supported USB devices
The following USB devices can be used by the unit.
- The unit is compatible with USB memory devices that are in FAT16 or FAT32 format. Do not connect any other type of USB devices.
- USB devices with encryption cannot be used.
- Operation of all USB devices cannot be guaranteed.
Supported AirPlay devices
Made for (as of September 2018): iPhone X, iPhone 8 Plus, iPhone 8, iPhone 7 Plus, iPhone 7, iPhone SE, iPhone 6s Plus, iPhone 6s, iPhone 6 Plus, iPhone 6, iPhone 5s, iPhone 5c, iPhone 5, iPhone 4s iPad Pro (10.5″), iPad Pro (12.9″) 2nd Generation, iPad Pro (12.9″) 1st Generation, iPad Pro (9.7″), iPad mini 4, iPad Air 2, iPad mini 3, iPad Air, iPad mini 2, iPad mini, iPad (6th generation), iPad (5th generation), iPad (4th generation), iPad (3rd generation), iPad 2 iPod touch (6th generation), iPod touch (5th generation)
Supported file formats
The following file formats can be used by the unit.

- Linear PCM format only. 32 bit-float files cannot be played back.
- The playable file formats differ depending on the software installed on media servers (PCs/NAS). Refer to the instruction manual of the server software for details.
- Digital Rights Management (DRM) content cannot be played back.
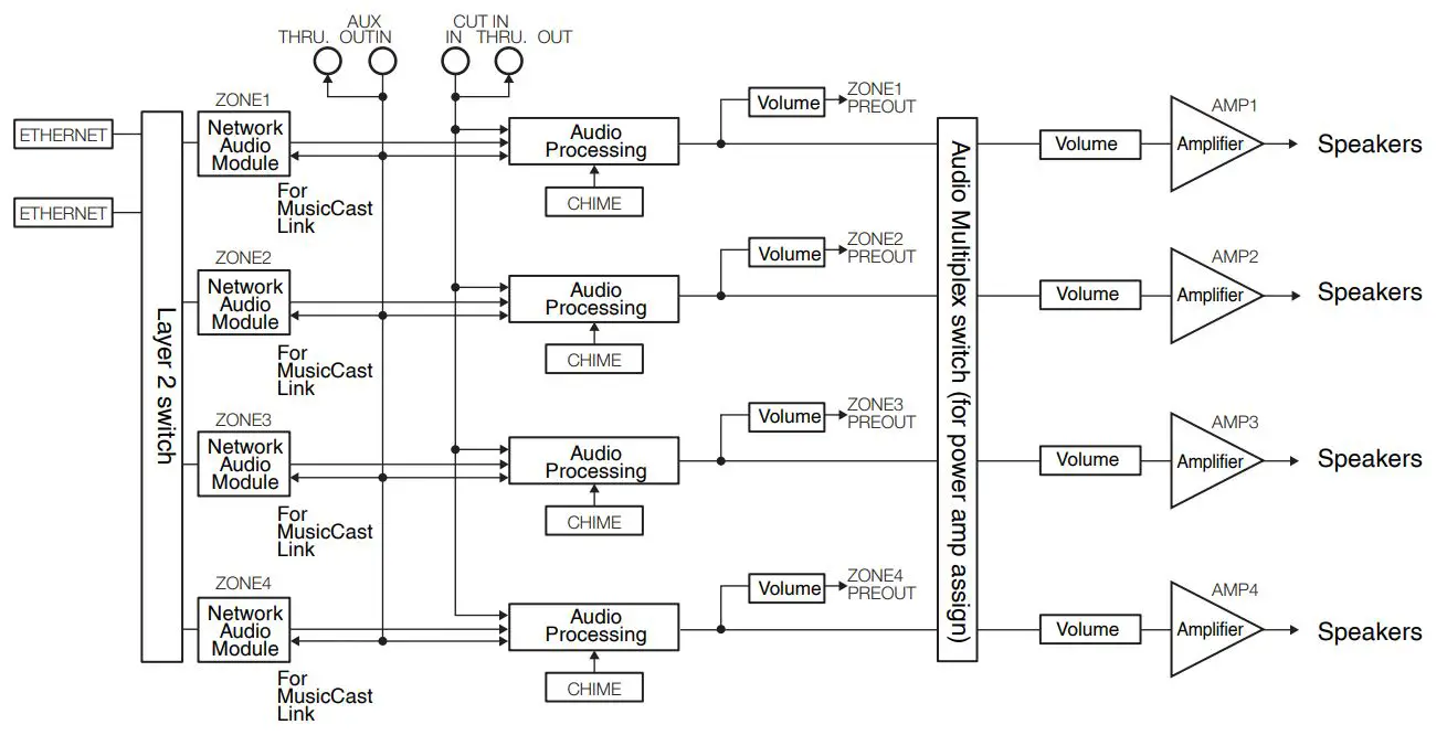
Block diagram

TRADEMARKS
Use of the Works with Apple badge means that an accessory has been designed to work specifically with the technology identified in the badge and has been certified by the developer to meet Apple performance standards.
Apple, iPad, iPad Air, iPad Pro, and iPhone are trademarks of Apple Inc., registered in the U.S. and other countries. App Store is a service mark of Apple Inc.
Android™ Google Play™ Android and Google Play are trademarks of Google LLC.
MusicCast is a trademark or registered trademark of Yamaha Corporation.
Explanations regarding GPL
This product utilizes GPL/LGPL open-source software in some sections. You have the right to obtain, duplicate, modify, and redistribute this open-source code only. For information on GPL/ LGPL open source software, how to obtain it, and the GPL/LGPL license, refer to the Yamaha Corporation website. http://download.yamaha.com/sourcecodes/musiccast/
Licenses
For information on the licenses of the third-party software in this product, refer to the following. http://(IP address of this product*)/licenses.html * IP address of this product can be found with MusicCast
CONTROLLER.
Yamaha Global Site https://www.yamaha.com/
Yamaha Downloads https://download.yamaha.com/
Manual Development Group © 2018 Yamaha Corporation Published 12/2018 NVEM-C0
VCM9300
Note






















