
PA15 Portable Amplifier System
Instruction Manual
Portable Amplifier System
PA15 OPERATING INSTRUCTION
To customers:
Congratulations on your purchase of the highest-performance portable Bluetooth speaker/amplifier system available
Our design goal was to build something that could be heard over a noisy gathering or environment while sounding great.
As well as being completely portable, without the need for nearby electricity. We used the highest quality materials for each intended purpose.
Your DiamondBoxx was hand-built, and if cared for properly should provide you with years of listening pleasure. To clean use a water-dampened cloth only.
Product Features
- Support USB drive input, volume support: 128m/ 256m/ 1GB/ 2GB/ 4GB/ 8GB/ 16 GB.
- Support TF card input, volume support: 128m/ 256m/ 1GB/ 2GB/ 4GB/ 8GB/ 16 GB.
- Support MP3, WMA, WAV, and lossless music format.
- Use high-end Bluetooth chips, and support playing Hi-Fi music over long distances.
- Support Karaoke function and priority to the microphone.
- Built-in high fidelity wireless microphone receiver.
- Built-in high capacity and long-life battery with well-established technology for protecting battery
- Support AUX input can be connected with DVD, mobile phone, MP3, tablet, TV, etc.
- Support infrared remote control function.
- Support high fidelity record.
- Support automatic charge when shutdown, charging indication, full-charging indication, low voltage indication, low-voltage protection, and full-charging protection.
- We used high-fidelity speaker driver units, to reproduce the original voicing.
- Use high-end imported components, which have stable and reliable quality
Ok! Let’s Play!
Remote Control

- MUTE
- PLAY/ STOP, long press to change the language
- Play USB/ SD
- FM MODE
- Switch input channel
- AUX IN
- Change echo effect
- Record
- Single/ ALL CIRCLE
- Play recorded file
- Switch input channel
- Single/ ALL CIRCLE
- Previous song
- Increase volume
- Decrease volume
- Next song
- Record
- PLAY/ STOP, long press to change the language
- Play recorded file
- Choose songs
- Downward press and slide to open or lid the battery cover
Handheld/Headset Microphone
- Operating indicator Display: When the microphone is in a working state, the display will light up, and the strength of the signal emitted by the microphone, the battery status, and the frequency will be displayed in the display.
- Operation switch: Long press for 2-3 seconds to turn on the microphone, when the microphone is working, long press for 2-3 seconds the microphone will turn off.
- Battery cover: Unscrew this cover to access the battery holder. Use two batteries type LR6-AA, preferably alkaline. When inserting the batteries, make sure that the polarity is correct.
Note:
- In order to achieve the best singing performance, the mouth and the microphone should be kept at a proper distance. Too far will affect the bass effect, and too close will have the air impact sound
- If the microphone is not used for a long time, please remove the battery to prevent battery leakage from damaging the microphone accessories.
- Temporarily stop using, you can turn off the microphone to extend the battery life.
- After using the microphone for a long time, if the displayed battery is insufficient, in order not to affect the use effect, the battery should be replaced in time.
- When using the microphone, please do not toss, drop, throw, or fling to avoid serious damage.
- Do not use solvent, diluent, or other chemical liquids to clean the product, otherwise, the surface protective layer will be injured. You can clean the product with a soft cloth or glass cleaner.
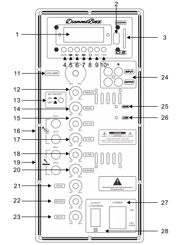
Panel/rear plate/MP3 function and operation

- Information screen
- Connection port of USB storage devices.
- Connection port of SD memory cards
- MODE: Allows you to select between different audio sources: a USB storage device, SD memory card, Line input or
Bluetooth receiver.
Play the previous song.
Start and pause in playback.
Play the next song.
Set the loop mode of the songs to repeat one or repeat all.- Record: Long press to start recording; short press playback the recording files. The recording function only works when the U-disk is inserted.
- TWS: This controls the TWS (True Wireless Stereo) system, is used to connect two DiamondBoxx together wirelessly
in a split stereo pair for an amazing, headphone-like stereo experience. Operation steps:- Open two DiamondBoxx PA15, switch their mode both to Bluetooth mode, two speakers’ Bluetooth icons will flash;
- Set one of them as the main speaker, and press the TWS button on the rear control panel(when two speakers are successfully connected, there will have a prompt voice, and the slave speaker will stop flashing after connection) ;
- Open the Bluetooth function of your phone, search and connect with the “PA 15” speaker (only one speaker Bluetooth the device will appear on your mobile phone Bluetooth search page, when Bluetooth successfully connected then main speaker Bluetooth icon will stop flashing), TWS function will be implemented.
- VOLUME: General volume control.
- TREBLE: Adjust the treble of the music.
- MIC PRI: Enable or disable the microphone priority function. When it is in the ON position, the rest of the inputs will be attenuated automatically when a signal is detected in the wireless microphone or the mic input.
- BASS: Adjust the bass of the music.
- GT. VOL: Volume control for the guitar input.
- GT. IN: Input for guitar connection, connector jack 1/4″
- MIC VOL: Volume control for the handheld microphone.
- M. TRE: Adjust the treble of the microphone.
- MIC IN: Microphone level input, 1/4″ jack connector.
- M. BASS: Adjust the bass of the microphone.
- ECHO: Decrease or enhance the echo effect.
- REPEAT: Adjust the effect of the number of microphone delays
- DELAY: Enhance microphone sound delay effect. 24.- AUX INPUT: Line level auxiliary input, 2 x RCA connector, can convert RCA to 3.5mm jack by audio convert cable.
- OUTPUT: Line level output, 2 x RCA connector, can convert RCA to 3.5mm jack by audio convert cable.
- CHAR: The indicator will glow when the speaker is charging.
- LOW: This indicator will glow when the battery level is low. Please charge the speaker immediately.
- POWER: On/Off switch of the portable amplifier.
- AC 110V: Power input for the 110V/60Hz power supply.
Product Specifications
Type: Active portable speaker
Speaker Size: 30 x 16.5 x 15.5 inches
Material of Speaker: Wooden case + Steel grille
HF unit: Horn tweeter 80 mm magnet
MF unit: 6.5″ midrange driver
LF unit: 15″ woofer
Frequency Response: 40Hz – 20kHz
RMS Power: 250W
Built-in Battery: 12V/20Ah lead-acid battery
Play Time on Full Charge: 5-40 hours
Battery Life: Over 2,000 recharge cycles
Audio input: Bluetooth, USB, SD card, Aux in (RCA or 3.5mm stereo), Microphone input 2, Guitar input Features: Support TWS function, Aux output, 10 knobs sound adjustment, microphone priority, etc.
Power Supply: 110V/60Hz
Troubleshooting Guide
| Malfunction | Reason | Solution |
| No electricity | The power is off The battery runs out | Turn on the power Charge the battery or use an external AC power supply |
| No sound | No audio input The signal cable is not connected The main volume was turned to minimum No songs in the USB drive The external signal source is wrong Poor contact or the signal line is broken | Change signal source |
| Make sure input is plugged in properly Make sure the USB drive contains music Make sure the volume is turned up via remote | ||
| No sound in wired mic | The microphone line donor inserts the port completely The MIC.VOL is off | Turn on the microphone Turn MIC VOL up Check the correct cable is used 1/4″ mono |
| wireless mic not working | No batteries in the microphone The sound of the microphone was distorted | Open the wireless mic Install batteries into microphone Change batteries |
The DiamondBoxx Enclosure
The enclosure is made from Medium Density Fiberboard (MDF). This is what the greatest sounds are made from. No plastic. As such, it is difficult to manufacture any crazy curvy shapes as possible, but it SOUNDS better. Isn’t that the point? The DiamondBoxx enclosure is sealed using a DURATEC speaker coating that will provide years of protection. If it should ever get damaged beyond your liking by knocking it into things, dropping it, scratching it, and such, all is not lost. You can send it to us in the ORIGINAL PACKING or equivalent and we can replace the enclosure for a small fee. As they are all hand-built and rolled it is normal for there to be slight inconsistencies in the finish. Consider them like beauty marks, specific to your DiamondBoxx. To clean just wipe down with a water-dampened cloth.
Happy Listening!
Tony D’Amore+ CEO DiamondBoxx
Limited Warranty
DiamondBoxx warranties this product to be free of defects in materials and workmanship for a period of two years from the original purchase date. This warranty is not transferrable and applies only to the original purchaser from an authorized DiamondBoxx dealer. Should service be necessary under this warranty for any reason due to manufacturing defect or malfunction, DiamondBoxx will (at its discretion) repair or replace the defective product with the new or remanufactured product at no charge. Damage caused by the following is not covered under warranty: accident, misuse, abuse, product modification or neglect, unauthorized repair attempts, misrepresentations by the seller. This warranty does not cover incidental or consequential damages. Cosmetic damage due to accident or normal wear and tear is not covered under warranty.
Any applicable implied warranties are limited in duration to the period of one year beginning with the date of the original purchase. No warranties shall apply to this product thereafter. Some states do not allow limitations on implied warranties; therefore, these exclusions may not apply to you. This warranty gives you specific legal rights, and you may also have other rights which vary from state to state.
If you need service on your DiamondBoxx:
All warranty returns should be sent to DiamondBoxx in the original packaging (so it doesn’t get more damaged on its way to us) accompanied by proof of purchase (a copy of the original sales receipt). Warranty expiration on products returned without proof of purchase will be determined from the manufacturing date code. Non-defective items received will be returned to COD. The customer is responsible for shipping charges and insurance in sending the product to DiamondBoxx. Shipping damage on returns is not covered under warranty, USE ORIGINAL PACKAGING
To obtain service worldwide please e-mail DiamondBoxx at
[email protected]


















