
HamiltonBuhl VENU100A Portable PA Amplifier System Instruction Manual

VENU100A
Product Registration:
Visit www.HamiltonBuhl.com
- Click on Customer Care
- Click on Product Registration Icon
- Please fill out all fields marked with * to register
Warranty:

Warranty begins the date item ships from our warehouse.
All products have a one year warranty from original date of shipment, unless otherwise noted.
BO Little Falls Road, Fairfield, NJ 07004
1-800-631-0868
www.HamiltonBuhl.com
Introduction and Product Specifications
1.1 Introduction
Thank you for choosing the HamiltonBuhl VENU100A PA Amplifier System. Please read this manual carefully before using and retain for future reference.
Please recharge this unit every month to achieve the best performance.
1.2 Product Specifications

2. Important Safety Information
When a failure or problem occurs, please contact the manufacturer for further troubleshooting, evaluation and/or repair. One receiver cannot receive a signal from two of the same frequency microphones simultaneously. Other brand microphones with different frequencies cannot be used with this receiver.


3. Parts Description
3.1 Main Unit

(1) Handle
(2) Telescopic Trolley
(3) Metal Shield
(4) Battery Compartment
(5) Wheels
(6) Pole Mount
(7) Control Panel
(8) Cabinet
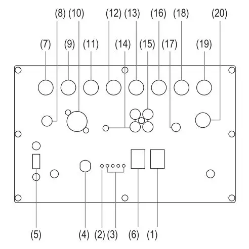
3.2 Control Panel

- Wireless MIC A Volume
- Wireless MIC A RF LED Indicator
- Wireless MIC B Volume
- Wireless MIC B RF LED Indicator
- Antenna A
- Antenna B
- DVD Player


3.3 Main – Operations Guide
This unit uses DC power. When inputting DC 15V, current cannot be less than 5A, or the system will not work properly.
Note: Before using this device, please charge fully for approximately 10-12 hours.
- (A) When using DC power, insert one end of DC cord into DC power input jack (4), the other end into AC power outlet. Switch Power on (1) and the LED indicator (2) lights in green to indicate normal condition. (B) When using built-in rechargeable battery, the power LED indicator light (2) is green and indicates a normal battery. When power LED indicator light (3) is red, it indicates the battery power is low and you should recharge or replace it.
(C) If battery power is failing, the main unit will power off automatically.
(D) If you insert the power cord into DC input jack (4), the machine charges automatically. - Turn on handheld microphone or body pack transmitter power switch, the RF LED indicator (2) I (4) on the top plastic panel and the receiver will light. This indicates signal has been received properly.
- If wired microphone is used, insert plug into into a 3.5mm input MIC 1 (8) or a XLR input MIC 2 (10) jack and adjust the volume control (7 for MIC 1 and 8 for MIC 2), as desired.
- To amplify external sound source, insert signal cable into LINE OUT (15). Volume can be adjusted by LINE IN VOL (13).
- To use an external amplifier, insert one end of signal cable into LINE OUT jack (15), and the other end to the external amplifier.
- This unit has TONE (11), REVERB (12), BASS (18) and TREBLE controls (19).
- Press playback on the DISC I MP3/ BT Player to play the music. The volume can be controlled controlled by volume knob (16) on control-board.
- When connecting with video, you can insert one end of video-out connection to VIDEO OUT jack (17).
- Voice Priority: Turn on Voice Priority Switch (6). When using microphone, music will be cut off automatically to hear voice. When you stop using the microphone, the music will start again.
- Voice levels can be controlled by using the general volume key (20).
Note: Please recharge the built-in rechargeable battery fully before operation.
Switch off the power and plug in the DC cord to start charging. Charging time is approximately
10-12 hours. Please recharge the unit every month.
If this system is not going to be used for a long period of time, charge the battery at least once
per month. Pull out the power plug and turn the Power Switch to the OFF position.
4. Wireless Microphone – Parts Description and Specifications
Wireless Transmitter Wireless Handheld Microphone (UHF 3V) Parts Description
4.1

- Open battery cover (6) and insert batteries (insert carefully paying attention to positive and negative poles). Close the battery cover.
- Tum on microphone power switch (4) and the power LED indicator (2) will flash on once then off. When indicator (2) stays red, it indicates battery power is low. Please change the battery.
- When switching on microphone power, please operate the switch step-by-step.
When the switch moves to the center, please wait for at least 0.2 seconds or it may cause noise. Then only – move to on position.
4.2 Wireless Handheld Microphone Specifications
- Microphone Type: Dynamic Handheld
- Frequency: 902MHz-928MHz
- Spurious Emissions: >55dBm
- Power Source: 2 x “AA” 1.5V Batteries (included)
- Operating Time: Approx. >6 Hours
- On-board Indicators: Power Status/On/Off Switch
- Dimensions:
0 2″, L-10.2″ - Weight: 0.36 lbs.
5. Optional Wireless Body Pack Transmitter
5.1 Optional Wireless Body Pack Transmitter (UHF 3V) Parts Description

- Open the battery cover (6) and insert 2 x ‘AA’ batteries according to the polarity indicated
with+ or -. - Turn ON POWER switch (1 ). The POWER LED indicator (2) will tum green, indicating
good battery voltage. - Plug in headset microphone into MIC IN (1 ).
5.2 Optional Wireless Body Pack Transmitter Specifications
- Frequency: UHF 902MHz-928MHz
- Spurious Emissions: >55dBm
- Power Source: 2 x “AA” 1.5V Batteries (included)
- Operating Time: Approx. >6 Hours
- On-board Indicators: Power Status/On/Off Switch
- Dimensions: 2.7″ × 1.0″ * × 4.3″
- Weight: 0.22 lbs.
5.3 Headset Microphone Specifications
- Microphone Type: Condenser
- Frequency Range: 50Hz-16KHz
- Directional Characteristic: Uni-Directional
- Sensitivity: -46dB±3dB (1V I PA@1 KHz)
- Output Connector Cable:
0.14″XLR - Material: Black Shield Cover
- Dimensions: 0.08″x40″
- Weight: 0.161bs
6. Multi-Format Player
6.1 Multi-Format Player Parts Description


6.2 Multi-Format Player Parts Description (continued)
- DISC Slot
- Power Switch
- Power/Mode Button
- Short Press: Skip Previous/Chapter;
Long Press: Rewind;
Scanning on Radio - Short Press: Skip Next/Chapter;
Long Press: Fast Forward;
Scanning on Radio - Function Mode
- Band Mode
- Play I Pause
- Eject
- USB Port
- SD Card Slot
- Infrared Sensor
- LCD Display
- Mute
- VOL+
- VOL-
- Tone Up
- Tone Down
- Default
- Loud
- Audio/ST
- Zoom
- Arrow Buttons
- Menu Enter
- Setup I AMS
- Key for Angle
- Sub I Title I Language Setting
- Repeat
- PROG
- Slow
- Key for Title of DISC
- Key for DSP-Off, Loud on,
Volume I Function Selection - Menu
- Stop I Back
- Number Keys
- GOTO Playing Time Setting
- Display Time
6.3 Guide to Operations – Multi-Format Player
- Press Power switch (2) I (3) to tum on the multi-format player, press again to turn off.
- Press· MODE” (3) on front panel. It will be in BLUETOOTH mode, and the LCD will display “NO LINK”. Turn on the Bluetooth function on smart phone and search until smart phone displays “PA S YSTEM”. The LCD will display “LINK OK” a few seconds later. This means bluetooth connecting is successful, and the music playing on the smart phone will transfer to you PA System.
- The built-in DVD player uses high quality DVD movement, and can play in multiple formats: DVD I DVD-9 / VCD I DVCD I MP3/CD-RI RW and others.
- While the player is working, if there is no disc in (1), the LCD display (13) will display “No Disc”. If a disc has not been inserted correctly, the LCD display (13) will also display “No Disc•; If the disc has been inserted correctly, the LCD display (13) will display TITLE and Playing Time.
a. While the DVD disc is playing, the LCD (13) will display the current title and playing time.
b. While V CD I SVCD I CD is playing, the external LCD display on the player will display the total titles and the current title; PBC, the current title and the playing time. - While the file is playing:
a. Press PLAY I PAUSE (8) on player or the remote control to stop playing. It will display
PAUSE on the LCD display. Press again to resume playing.
b. Press STOP (3) on the player or the remote control to stop playing. The LCD display (13)
will display STOP.
• While stopped, press PLAY I PAUSE (8) on the player or the remote control,
and the current file will be resume playing.
• While stopped, pressing STOP I BACK (34) on the remote control, then pressing
PLAY I PAUSE (8) on the player or the remote control will play the first file. - Press EJECT (9) on the player or the remote control and the disc will be ejected automatically.
It may take about 30 seconds to re-insert the disc automatically again.To select music I fast
forward I backward, press (4) I (5) to search up or down on the radio. In SD I USB can be read, upper/ lower selections, long press fast forward I rewind. - Press FUNC (6) on the remote control to select function I palyback of USB I SD.
- Press BAND for switching between NTSC I PAL/ AUTO while the video disc is playing.
- For video or audio output, press VOL+ (15) I VOL- (16) on the remote control to adjust the volume. Press VOL + (15) to increase or VOL- (16) to decrease the volume.
- Press# (17) I b (18) on the remote control to adjust tone up or down. Press the MUTE key (14) on the remote control to mute the audio and the LCD will display MUTE. Press again to resume audio; Press (19) to resume original audio.
- When playing CD I VCD, press LOUD (20) on the remote control to increase the bass.
- When playing a CD I VCD, press (21) on the remote control to select left channel, right
channel and stereo. Please note: When selecting voice mode for various types of discs, some
may have only one voice mode that will be appear on the LCD display. - When playing in DVD I VCD mode, Press (22) on the remote control to zoom in or zoom out image, Press (30) for slow play.
- While playing a VCD, Press MENU on the remote control to set up main menu (33), then the PBC can be played. From the menu, and press Number (35) to select a song. Press again to cancel playing. While playing a DVD, press (33) once to set up the main menu, or to return to the main menu, then press (35) to select the chapter, press again to enter into title menu, press three times to switch off; Press (26) on the remote control to select the angle of viewing the image.
- Pressing (27) on the remote control while the multi-format player is working will allow you to change language if supported by the specific disc. Some discs only provide one language.
When the language has been selected, it will appear on the LCD display. Subtitles can be
selected under DVD mode only. - Set up a sequence of files while the multi-format player is under DVD I VCD I CD mode. Press (29) on the remote control, and P00:00 will appear on the LCD display. T hen, press (35) to select the playing sequence of the files. When it is programmed, press (23) to play (Arrow buttons are workable only when you enter into main menu).
- While the player has a DVD I VCD I CD inserted, you can setup the menu by pressing (23)
and (24) on the remote control to confirm an operation. - Press (25) on the remote control to enter the main menu, then press (23) to setup the a TV
system, audio, media, television system code, etc. (You can keep current settings without
changing). - Press (28) to repeat the single file or all the files.
- Repeatedly pressing (32) on the remote control will allow you to select the acoustic function.
- Press (37) to view the total lead time and time left for the files to play.
7. Remote Control Battery
7.1 Battery Installation
First, open the battery cover and remove the protective PVC plastic film from the contacts before using the remote control.

7.2 Changing the Battery
Battery life is approximately one year, depending on usage frequency and operation. If the remote control does not work when it is near the unit, please change the battery.
7.3 Remote Control Range of Operation
- Remote control operation range: With in 12feetfromfrontpanel:S45°.
- Effective distance of remote control may be different according to differences in the
environment. - Use remote control to read the date you need.
- When using for karaoke, the remote can be used for tone adjustments and controlling/
eliminating the original sound.
8. Optional Accessories – Valve Regulated Sealed Lead Acid Battery
Valve Regulated Sealed Lead Acid Battery
- Please follow these instructions to use and maintain the battery:
When the battery is fully depleted, charge it fully within 72 hours, to avoid battery damage.
Charging the battery in a timely manner will help prevent an internal short circuit, outer case distortion, plate corruption, or a voltage drop. - Sealed lead acid battery features:
a. The battery can be charged at anytime.
b. Battery efficiency can be affected by environmental factors (temperature, humidity).
(The optimal temperature is 68 – 78 F.)
c. To avoid a dead battery, charge once a month when not in use.
d. The normal lifespan of a battery is one year. - IMPORTANT NOTE:
a. Be sure to charge for 24 hours the first time charging.
b. Recharge the battery once per month when not in use.
c. Charge the battery fully before each use.
9. Basic Set

Labelling requirements.
This device complies with part 15 of the FCC Rules. Operation is subject to the following two
conditions: (1) This device may not cause harmful interference, and (2) this device must accept
any interference received, including interference that may cause undesired operation.
Information to user.
Any Changes or modifications not expressly approved by the party responsible for compliance
could void the user’s authority to operate the equipment.
Information to the user.
Note: This equipment has been tested and found to comply with the limits for a Class B digital
device, pursuant to part 15 of the FCC Rules. These limits are designed to provide reasonable
protection against harmful interference in a residential installation.
This equipment generates uses and can radiate radio frequency energy and, if not installed and used in accordance with the instructions, may cause harmful interference to radio communications. However, there is no guarantee that interference will not occur in a particular installation.
If this equipment does cause harmful interference to radio or television reception, which can be determined by turning the equipment off and on, the user is encouraged to try to correct the interference by one or more of the following measures:
- Reorient or relocate the receiving antenna.
- Increase the separation between the equipment and receiver.
- Connect the equipment into an outlet on a circuit different from that to which the receiver is connected.
- Consult the dealer or an experienced radio/TV technician for help.
Read More About This Manual & Download PDF:


















