DIAMOND AUDIO MICRO8 Amplifier
Introduction
Diamond Audio Amplifiers
Thank you for purchasing a Diamond Audio amplifier for your car audio system. You have chosen Diamond Audio because you deserve the best! Diamond Audio amplifiers are designed and engineered to the highest quality standards in the industry to create the ultimate listening experience in your vehicle. For optimal performance of this product, it is highly recommended that you have your new amplifier installed by an authorized Diamond Audio dealer. Our authorized dealers have the necessary experience and installation equipment to ensure that your amplifier will deliver maximum performance and explain all the details pertaining to our warranty coverage as well. If you decide to install the amplifier by yourself, please thoroughly read through this manual before getting started. This manual will help familiarize yourself with this amplifier and guide you through the installation process and procedures. Please contact your local authorized Diamond Audio dealer if you have any questions regarding the instructions in this manual or the amplifier’s operation capabilities. If you require additional assistance, please contact the Diamond Audio Technical Support Department during business hours at 213-212-3187 (Pacific Standard Time)
FEATURES
- Full Range Class D IR Chipset
- DirectFET Power Mosfet Output Stage
- • SMD Technology on 4 layer Glass PC Board
- Conformal Coated PCB assembly for added water resistance
- ICAD circuit provides superior overload protection
- Frequency response 10 Hz – 30kHz (Mono Block 10 Hz- 350Hz)
- Variable 12db crossovers
- MICRO Bass boost +12DB@45HZ
- Premium 8 guage power connections
- Multi channels / Mono channel
- Remote Bass Knob (Included with MICRO81 U/MICRO82U)
- 5 Channel has separate Front/Rear/Sub input – Perfect for DSP
WARNING: Prolonged exposure to sound pressure levels in excess of 100dB can cause permanent hearing loss. Diamond Audio amplifiers can exceed that level so please exercise restraint when listening and enjoying your new amplifier.
GENERAL PRECAUTIONS
- This unit is designed for negative ground 12V DC operation only.
- Total system impedance must not be less than 2 ohms stereo, or 1 ohm bridged for MICRO81U. MICRO85U is minimum 2 ohms bridged on sub-channel (Ch5), and the MICRO84U/MICRO85U (Ch 1, 2, 3, 4) is 4 ohms bridged
- Avoid installing the unit where:
- It would be subject to high temperatures, such as from direct sunlight or hot air from the heater.
- It would be exposed to rain or moisture.
- It would be subject to dust or dirt.
- Do not cover the unit with carpet or wires.
- Do not use the unit with a weak auto battery. Optimum performance depends on a normal battery supply voltage.
- For safety reasons, keep the volume of your car audio system moderate while driving your vehicle so that you can still hear normal traffic sounds outside your car.
- There is NO speaker level input connector, you can cut RCA’s and solder the wires and connect directly thru low-level input (RCA) or purchase the “optional” RCA Adaptor cable to make a cleaner install, model – CHHILVL
MOUNTING PRECAUTIONS
Although Diamond Audio amplifiers incorporate heat sinks and protection circuits, mounting the amplifier in a tight space without any air movement can still damage internal circuitry over time. Choose a location that provides adequate ventilation around the amplifier. For easy system set-up, mount the amplifier so the side panel controls will be accessible after installation. To increase thermal run times on low impedance loads, an additional fan is recommended, remember any moving air across the amplifier will reduce heat. In addition, observe the following precautions:
- Using a felt pen mark the mounting hole locations.
- Mounting the amplifier on carpet will significantly reduce airflow, resulting in reduced thermal run times.
- Mount the amplifier on a solid surface. Avoid mounting to sub-woofer enclosures or areas prone to vibration. Do not install the amplifier on plastic or other combustible materials.
- Prior to mounting the amplifier, make sure not to cut or drill into the fuel tank, fuel lines, brake lines (under chassis) or electrical wiring.
WIRING PRECAUTIONS
- Before installation, make sure the source unit power switch is in the OFF position.
- Disconnect the negative(·) lead of the battery before making any power connections.
- When making connections, be sure that each one is clean and secure. Insulate all of your connections. Failure to do so may damage your equipment.
- A secure clean ground connection is critical to the performance of your amplifier. Connect the ground directly to the car chassis to minimize resistance and avoid any noise problems.
- Add an external fuse on the amplifier’s positive(+) power lead and connect it as close as possible to the vehicle’s(+) battery terminal. Use a rating that equals the total current consumption at full output of all amplifiers in the system. This external fuse will protect the vehicle from short circuits that can cause a fire.
FEATURES
Status LED’s -This light indicates when the amplifier is powered up normal~ and when there is a protection fault. The Protect LED is illuminated when there is a problem with your amplifier. Please contact your authorize Diamond Audio dealer or call Diamaond Audio’s technical support.
sensitivity (Input Gain Adjustment) -This control matches the preamp stoge of the Diamond Audio amplifier to your source unit. This is NOT a volume control. The range is between approx. 200mV to l OV. It can AlSO handle speaker inputs of less than 25 watts RMS (typical OEM head units are LESS than 25 W RMS … but NOT all)
TURN-ON OPTIONS– The MICRO series of amplifiers can be switched on and off using one of three methods, determined by the position of the amplifier: Turn-On Mode’ switch. Please read the “Set-Up’ portion of this guide and determine which is best suited far your specific system. NOTE: DC and VOX turn-on settings ONLY work with speaker level input.
crossover Selection Switch -This switch allows you to select the crossover Type. Use High Pass (HP) for mid-range or high-frequency speakers. Use Low Pass (LP) for subwoofers. In the FLAT position, crossover adjustment knob has no affect and all speakers will receive the full frequency range.
LP /FULVHP– Use this adjustment to ADJUST the crossover type. Remember that you must select the High Pass position (HP) or the Low Pass (LP) or FULL range position of the crossover adjustment switch first. The range of adjustment is limited between 40-400 Hz (MICR081 U/MICR084Ul and 70 Hz front and rear FIXED on MICR085U. Or FULL which passes ALL frequencies.
Bass Boost -This control adds O to+ l 2dB of boost at 45Hz. Be cautious when adding boost to some subwoofer systems as they may not be able to handle the additional low-frequency boost. In the OdB position, no bass boost is added.
RCA Input Harness -The RCA jacks allow far a normal Left and Right channel signal input. Simp~ connect to the source unit using RCA-type audio cables, keeping them away from power wiring wherever possible to reduce risk of noise.
2/ 4 channel Input Config. – (MICR084U ONLY) Use this switch when you are using a stereo input ONLY and would like all 4 output channels on the MICR084U to have signal/power output. Or when bridging stereo the MICR084U to make a BIG 2 channel high pass or a stereo subwoofer amplifier ( 4 Ohms only, stereo OR bridged).
3/5 Channel Input Config. -(MICR085U ONLY) Use this switch when you are bridging stereo the front 4 channels to be a big 3 channel amplifier. Use the Front positive(+) and the Rear negative(·) for the bridged output (4/2 ohms ONLY!).
speaker Output Harness -Connect your speakers to these terminals. Stereo connections are connected as labeled. Bridged connections use the LEFT+ and RIGHT -as the two connections. The 2 and 4 channel amplifiers will perform into 2 Ohm stereo loads or 4 Ohm bridged loads. DO NOT run 2 Ohm bridged loads on MICR082U/MICR084U amplifiers! The MICR081 U mono block l Ohm mono, MICR085U sub-channel 2 Ohms minimum.
Remote Level Control -MICR081 U/MICR082U amplifier have this port and is far the remote level control (included). The control is intended to allow the user to control the level of gain up to the maximum adjustment level set on the amplifier. The control does not add additional boost, it only attenuates the setting that is fixed at the amplifier’s control panel.
sub-Sonic Adjustment -This control is ONLY on the MICR081 U and allows you to remove the unwanted sub-sonic frequencies below the tuning frequency of a ported enclosure. This helps to protect the woofer from over-excursion.
Power Input Connections -These connections are for input power, chassis ground, and remote turn-on. Use a minimum of 8 gauge wiring far power and ground connections. 4 Gauge is recommended far the monoblock. The terminals will handle up to 8 gauge wiring with no problem whatsoever (4 gauge on the mono block). Be sure any wiring that passes through metal has a grommet!
INSTALLATION
VEHICLE ELECTRICAL SYSTEM:
Amplifiers (regardless of brand name) will put an increased load on the vehicle’s battery and charging system. Diamond Audio recommends checking your alternator and battery condition to ensure that the electrical system has enough capacity to handle the increased load of your stereo system. Original equipment electrical systems, which are in good condition, should be able to handle the extra load of any Diamond Audio amplifier without problems, although battery and alternator life can be reduced depending on your individual listening habits.
WARNING:
Avoid running power wires near the low-level input cables, antenna, sensitive equipment or harnesses. The power wires carry substantial current and could radiate noise into the audio system through the audio cables.
INSTALLATION:
- Plan the wire routing. Keep RCA cables close together but isolated from the amplifier’s power cables and any high-power auto accessories, especially electric motors. This is done to prevent coupling the noise from radiated electrical fields into the audio signal. When feeding the wires through the firewall or any metal barrier, protect them with plastic or rubber grommets to prevent short circuits. Leave the wires long at this point to adjust for a precise fit at a later time.
- Prepare the power wire for attachment to the amplifier by stripping 5/8 inch (15.9mm) of insulation from the end of the wire. Insert the bare wire into the B+ terminal and tighten the set screw to secure the cable in place.

WARNING:
The B+ cable MUST be fused 18″ or less from the vehicle’s positive battery post. Choose a location to install a waterproof fuse holder under the hood and ensure connections are watertight. If you do not use the appropriate fuse holder, the connection will eventually suffer corrosion from moisture and heat. - Trim the power cable within 18 inches (45.7mm) of the positive battery post and splice in an in-line fuse holder. DO NOT install the fuse at this time.
- Strip 1/2 inch (12.7mm) from the battery end of the power cable. Crimp and soldier a large ring terminal to the cable. Connect the ring terminal tothe positive ( +) battery post.
- Prepare the ground wire for attachment to the amplifier by stripping 5/8″ of insulation from the end of the wire. Always use a wire of the same gauge as the power connection, never smaller. Insert the bare wire into the GND terminal and tighten the set screw to secure the cable in place. Prepare the chassis ground by scraping any paint from the metal surface and thoroughly clean the area of all dirt and grease. Strip the other end of the wire, crimp and soldier a ring connector. Fasten the cable to the chassis using a non-anodized screw with a star washer and a nut.

- Prepare the REMOTE turn-on wire for attachment to the amplifier by stripping 5/8 inch (15.9mm) of insulation from the end of the wire. Insert the bare wire into the REM terminal and tighten the set screw to secure the wire in place. Connect the other end of the REM wire to a switched 12 volt positive source. The switched voltage is usually taken from the source unit’s remote amp turn on lead. If the source unit does not have this output available, the recommended solution is to wire to an accessory terminal in the car’s fuse block using a relay to isolate the amplifer from the vehicles accessory circuit. This however will turn the amplifier on and off with the ignition key, regardless of whether the car stereo is on or off (NOTE: this can casue tum-on/off thumps/bangs.pops).
- Securely mount the amplifier to the vehicle or amp rack. Be careful not to mount the amplifier on cardboard or plastic panels. Doing so may enable the screws to pull out from the panel due to road vibration or sudden vehicle stops.
- Connect from source signal by connecting the RCA audio cables to the input jacks at the amplifier.

- Connect the car speakers. Speakers impedance should never be less than 2 Ohms stereo, 4 Ohms bridged (the mono block is stable into 2 ohms). For most applications 18 gauge wire is adequate for the speaker leads. For leads in excess of ten feet, 16 gauge wire is recommended. When wiring the speakers, pay careful attention to the polarity of the terminals on the speakers and make certain they correspond to the polarity on the amplifier. DO NOT chassis ground any of the speaker leads as unstable operation or damage to the amplifier and/or speaker may result.
SETUP
Placing the x-over switch in the FULL position (MICRO82U/MICRO84U) sets the amplifier to Full Range. This setting allows ALL frequencies to pass to the speakers. With the MICRO82U/MICRO84U, Placing the switch in the HP or LP position activates the 12dB crossover, adjustable from 40Hz -400Hz .. The MICRO81 U mono r is dedicated for Low Pass (LP) only with an adjustable frequency from 40Hz – 400Hz. The MICRO85U (5 channel) amplifier offers full range (FULL) or high pass (HP) subwoofers only but offers an adjustable (LP) crossover from 25Hz – 250Hz.
Placing the switch in the HP position sets the amplifier to the High Pass Filter mode, enabling frequencies above the cutoff point to pass. Placing the switch in the LP position sets the amplifier to the Low Pass Filter mode, enabling frequencies below the cutoff point to pass. For system tuning begin with the frequency set at approximately 80Hz and fine tune up or down based on music choice and input level. To adjust the gain setting, turn the amplifier gains all the way down (counterclockwise). If using a remote level control (MICRO81 U/MICRO82U), plug the level control into the amplifier and turn it to about “HALF-WAY” (approx. the 12 O’clock position) this setups the bass boost so you can turn it UP … OR … turn it UP or DOWN when playing different music styles. Next turn the source unit volume up to almost full volume (usually about 2/3rds of the way up) or until the output starts to distort on an oscilloscope. This will be NEARLY full volume on some source units, perhaps one or two “clicks” down from maximum volume. Next, increase the amplifier gain setting until adequate volume is achieved, or until distortion is audible and then turn it down a bit until the distortion is inaudible.
NOTE: Ideal signal to noise and dynamic range are achieved with the gain at minimum. Most users find adequate gain and volume is achieved at less than halfway in the adjustment range. Avoid setting the amplifier gain very high as noise and distortion will increase significantly. For a more in-depth level setting (gain adjustment) procedure, visit the Diamond Audio website. The HP or LP crossover adjustment can now be fine-tuned. If you are using the amplifier in a HP configuration and would like the system to be a little bit louder you can increase the HP Filter frequency and reset the “Gain” of the amplifier. Raising the HP frequency up to high however will cause a loss of mid-range and bass. If you are using the amplifier in a LP filter configuration and you hear voice or vocals coming from your subwoofer system you can turn the LP Filter frequency down (lower). After setting the input gain adjustment and crossover, you may choose to add a small amount of “Bass Boost” (MICRO81 U) in the low-frequency region. Remember that the Bass Boost feature will not fix a poorly designed subwoofer enclosure or subwoofers that didn’t sound good to begin with.
- Make sure any bass EQ or low frequency equalization from the source unit is set to OFF or FLAT.
- While playing the same musical selections used during the gain setting process, slowly increase the level of the Bass EQ. You should be able to notice a change between O and +12dB. If you do not notice much difference, then it will not serve any benefit to increase the boost further.
- If the boost has audible benefits without adding appreciable distortion, find a level that suits your taste. Remember: it’s much easier to construct the right subwoofer enclosure for your listening preferences than relying on a bass boost control to do the job!
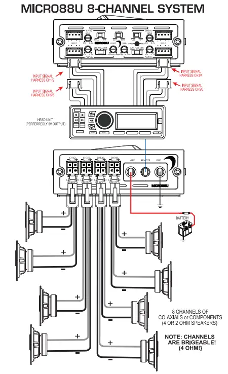
SYSTEM CONFIGURATIONS
TURN-ON OPTIONS – configure the “Turn-On Mode” switch for desired turn-on trigger. There are 3 modes available on the MICRO series amplifier, REM, DC and VOX. (REM) is the standard 12V trigger wire (DC) or DC offset (when connected high level in, this will sense differences in ground in your wiring through the speaker leads and turn on amplifier), VOX (signal sensing) will sense any kind of signal input into the amplifier RCA turning on the amplifier. The most preferred and reliable method is using the REM setting with a 12V trigger wire connected to the vehicles headunit switch ouput and will provide instant on and off for the amplifier. VOX and DC will provide turn on capabilities for the amplifier when a 12V trigger wire is not available. These methods will have some delay in turning the amplifier on and off .
OPTIONAL SOURCE· BLUETOOTH RECEIVER {BTR9/10/12) SETUP
The BTR will pair to your phone (or any selected Bluetooth device) and will allow playback through the amplifier to speakers giving you unlimited install options. The DAT line of BTR’s have 7 functions – Play, Pause, Volume up/down, Track up/down, Pairing and Power on/off of Bluetooth audio through this one solution. Once paired, the BTR will auto pair the last person paired to the controller when it was powered down. The unit will remember up to 9 users and have memory without battery for up to 30 days.

SYSTEM CONFIGURATIONS




SPECIFICATIONS
PRODUCT SPECIFICATIONS

Warranty
Thank you for purchasing a Diamond Audio product and we hope to provide you with countless hours of listening enjoyment. Diamond Audio warrants all of our amplifiers and speakers to be free to defects in materials and workmanship for a period of one (1) year. This warranty is non-transferable and applied only to the original purchaser from an authorized Diamond Audio dealer. If service is required and necessary under this warranty due to manufacturing defect or malfunction, then Diamond Audio will repair and/or replace defective product with either new or remanufactured like product at no charge at our discretion. Damage to product cause by the following will not be covered under this warranty: abuse, accident, misuse, neglect, modifications, repairing attempts, seller/installer misrepresentation. This warranty does not cover any incidental, consequential, or cosmetic damage due to accidents or normal wear and tear, nor does it cover the cost of removing or reinstallation of the product. Warranty is void if the products serial number has been removed, defaced, and/or tampered with.
Warranty Procedure: We recomment that you contact your Diamond Audio authorized dealer where your original purchase was made to initiate all warranty claims. Our authorized dealers can guide you through the warranty procedure to ensure that your claim will be processed in a timely manner. All warranty returns must be accompanied with a proof of purchase (a copy of the original sales recipt) and be shipped freight prepaid to our facility with an RA (Return Authorization) number clearly marked on the outside of the package. Direct returns from consumers or non-authorized dealers will be refused if shipped without a valid RA number authorized by Diamond Audio beforehand.
INTERNATIONAL
Products purchased outside of the U.S.A. are covered only by that country’s distributor and not by Diamond Audio U.S.A. Please Ship All Warranty ClaimsWith Pre-Authorized RA Number
To:
CV&DA Holdings, Inc.
ATTN: Customer Service Department
3761 S. Hill St.
Los Angeles, CA 90007 USA
Please Contact Customer Service for Further Warranty Information: U.S.A.
Tel: 213-261-4161 /Tech Support 213-212-3187 / Fax: 213-246-2423






















