PE30000RC Series 80 Amp Variable Speed and Two-Speed Control Systems
Instruction Manual
PE30000RC Series 80 Amp Variable Speed and Two-Speed Control Systems
http://waterheatertimer.org/Digital-control-centers-and-manuals.html#PE30000RC
PE30000RC Series 80 Amp Variable Speed & Two-Speed Control Systems
![]() | ![]() |
PE30000RC Series Kits
Wireless 5-Circuit Pool/Spa Control System with 80
Amp Breaker Base, Actuator Control & Two Actuators
Some heat pumps can consume between 40 and 60 Amps worth of power; therefore, it may be necessary to have a higher amperage breaker base to accommodate heat pumps. Combine the features of the PE653RC Multi-Wave Control System with the convenience of the PE30000 80 Amp Intermatic Panel and create a powerful PE30065RC wireless control system kit for any pool or spa installation. The PE30000 Series Panel includes an eight position 80 Amp breaker base to accommodate a vast array of mechanisms Intermatic has to offer. In addition, there is a low voltage raceway for low voltage control lines (i.e. actuators, sensors, etc…), four décor knockouts for GFCIs and switches, and a convenient side knockout for an outdoor receptacle.
and remotely control any pool and spa combination. With this addition, you can now switch both water valves and heater thermostat settings between your pool and spa with a click on your wireless control. These are by far the most affordable and versatile control systems offered today.
Included in Kits:
- Multi-Wave Control System (PE653RC)
- Three AA Batteries
- Equipment Labels
- Water Sensor (PAl22) with Hose Clamp
- Owner’s Manual
- Small Flat Head Screwdriver
- Hand Held (PE953) Transmitter
- PE30000 Enclosure w/80 Amp Base
- P4043ME Actuator Controller (PE34065RC only)
- (2) PE24VA Water Valve Actuators (PE34065RC only)
Specifications:
Enclosure & Control: NEMA 3R rated for Indoor/Outdoor installations 0.048 in. steel with light beige finish 22 in. (55.9 cm) H x 141/4 in. (37.5 cm) W x 41/4 in. (10.8 cm) D
Enclosure Knockouts: Two 1.09 in. diameter through holes, six combination 1/2 – 3/4 in. knockouts, 2 combination 3/4, 1, 11/4 in. knockouts, four 1/2 in. knockouts on the bottom. Two combination 1/2- 3/4 in. knockouts on the left side and four combination 1/2 – 3/4 in. knockouts, two combination 3/4 – 1 in. on the back. One knockout 11/4 x 21/4 in. on the right side for mounting switches or GFCI.
Panel Rating: 80 Amp 120, 240 VAC or 120, 208 VAC single phase
Shipping Weight: 5.4 lbs (2.3 kg)
Agency Approval: CSA/C-US
Ratings:
Control Supply: 120, 240 VAC, 50/60 Hz, 5-Watts Maximum
Circuit #1: 20 Amp Resistive (17 FLA, 80 LRA) 120, 240 VAC 50/60 Hz
Circuits #2 thru #5: 15 Amp Resistive (10 FLA, 60 LRA) 120, 240 VAC 50/60 Hz
Note: The following page refers to only a fraction of the most common applications of the Multi-Wave Control System. Contact your lntermatic sales representative or visit www.intermatic.com and visit the Pool & Spa section of our website for more application ideas and details.
Common PE30000RC Applications
PE30065RC Applications
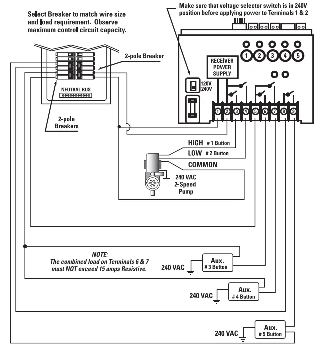
240 V 2-Speed Pump + any three 240 VAC Auxiliary Equipment
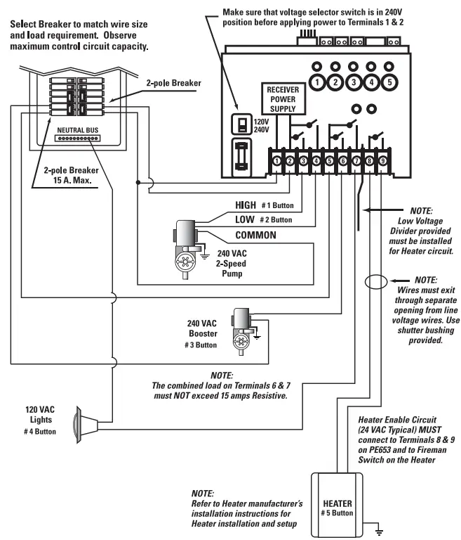
240 V 2-Speed Pump + Booster Pump + 120 V Light +Heater 
PE34065RC Applications
240 V 2-Speed Pump + 240 V Booster Pump + 240 V Actuator + Heater
240 V 2-Speed Pump + 240 V Blower + 240 V Actuator +Heater




















