
ARS-DG01 ECULess 79GHz Radar
ALPHA
ARS-DG01
ARS-DG01 ECULess
79GHz mmWave Radar Sensor
Data Sheet
(For RCW Application)
Version: 1.2
Approved by | Checked by | Department | Prepared by |
| MES |
Revision History
| Date | Release | Author | Description |
| 2020/07/03 | 0.1 | Vic Wu | Initial Draft |
| 2020/11/23 | 0.2 | Vic Wu | Modified to the new spec. |
| 2020/12/01 | 0.3 | Vic Wu | Modified to the product dimension. |
| 2021/01/28 | 0.4 | Vic Wu | Modified to the scenario and pin define. |
| 2021/02/04 | 0.5 | Vic Wu | Modified to the scenario |
| 2021/02/09 | 0.6 | Vic Wu | Modified to the product dimension. |
| 2021/07/07 | 0.7 | Vic Wu | Modified to the scenario |
| 2021/12/16 | 0.8 | Vic Wu | Modified to the 8+6NC pin spec. |
| 2022/04/08 | 0.9 | William Lee | Add Cable Pin Define |
| 2022/04/08 | 1.0 | Kent Huang | Modified housing dimension. |
| 2022/07/13 | 1.1 | Dean Chiu | Modified Application and remove Pin Define |
| 2022/11/02 | 1.2 | Evan Dang | Delete System Block Diagram and modification operating frequency |
1. Product Description
The ARS-DG01 product is an integrated FMCW radar sensor capable of operation in the 79GHz band. The radar sensor’s main task is to detect objects and measure their speed and position relative to the movement of the vehicle in which it is fitted. When driving on the road, the motorcycle’s blind spot the area just behind the motorcycle is a constant source of danger and often the cause of serious accidents. Alpha has developed the Rear Collision Warning (RCW) solution – the RCW system product. The RCW system product is a cost-effective and all in one solution suited to all motorcycle segments. It consists of one mid-range Radar. The Rear Spot Detection works by using one mid-range radar sensors on the motorcycle. Powerful control software collates the sensor information to create a complete picture of all traffic in the area behind the motorcycle. Whenever another vehicle approaches at speed from behind or is already present in the blind spot, a warning LED light in the side mirror alerts the driver to the hazard. With Alpha’s Blind Spot Detection solution, accidents that happen while changing lanes can be prevented.
2. Features
- 79 GHz Short Range Radar suited to Rear Collision Warning (RCW) applications
- Detects approaching objects
- Simultaneous Doppler and FMCW processing whilst fast-scanning (no mode change required)
- Self- calibration function reduces fitting cost
- Low power consumption and high reliability
- Small size for easy integration into the motorcycle
- Capable of detection of rearward vehicles up to 25m for RCW.
- Programmable alert zones for different motorcycle types, models, and functions
- ARS-DG01 operates in 12 volts
3. Specification
| Parameter | Value | Unit |
| Radar Characteristics | ||
| Operating frequency | 78.1~78.58G | GHz |
| Power Supply | 12 | V DC |
| Power Supply (A)@12V | 0.126 | A |
| Peak Power Supply (A)@12V | 0.367 | A |
| Distance measurement | RCW : 25 | m |
| Speed measurement | -5…+70 | kph |
| FOV | 100 | deg |
| Distance measurement accuracy | 0.5 | m |
| Speed measurement accuracy | 2 | kph |
| Angle measurement accuracy | 1.5 | deg |
| Object separation capability – Distance | 0.37 | m |
| Object separation capability – Speed | 1 | kph |
| Object separation capability – Angle | 10.87 | deg |
| Emitted radar power (EIRP) | 22.3 | dBm |
| Update time | 100 | ms |
| Normal Power consumption | 1.1512 | W |
| Voltage surge power consumption | 4.404 | W |
| Mechanical size (with connector) | 49(L) x 53(W) x 38.75(H) | mm |
| Mounting area | vertically : between 60~80cm above road surface level | |
| Temperature range | operating : -40~ +85 | °C |
| storage: -40~ +90 | °C | |
| Shock | ISO 16750-4.2.2 | |
| Vibration | ISO 16750-3.4.1.3.1.5 ISO 16750-3.4.1.3.2.3 | |
| Protection rating (Mating connector) | IP67 | |
4. Application
- RCW radar system start conditions:
ACC ON - LED warning mode:
Lighting
No light - Radar update time:
100ms - 79GHz RCW radar detection behavior:

1. BSD Start condition:
a. When the target enters between A and B segments
b. When the target enters between D and E segments
c. The target is approaching at a relative speed of 4km / hr
2. LCA Start condition:
a. When the target enters between B and C segments
b. When the target enters between D and E segments
c, TTC is less than 3 seconds
4. Warning distance
a. Relative velocity≤6 km/h: 5m
b. 30 km/h > Relative velocity > 6 km/h : 5~25m
Warning distanc = Relative velocity ÷ 3.6 × 3
Relative velocity | Warning distance (m) |
6 | 5 |
| 12 | 10 |
18 | 15 |
| 24 | 20 |
| 30 | 25 |
c. Relative velocity≥30 km/h: 25m
5. Product Dimension
The ARS-DG01 product dimension is 49(L) x 53(W) x 38.75(H) mm (with connector). Radar weight: 62.8 g/ per pcs


6. Radar Setup
In order for the radar evaluation, the system needs to be setup properly. To fulfill the Rear Collision Warning (RCW) application, we recommend the radar product to behind the motorcycle, and mounted between 60~80cm above the road surface level, vertically, at a certain squint angel.
When installing the radar sensor on the rear of the motorcycle, the indicator should face down.

7. Test Environment


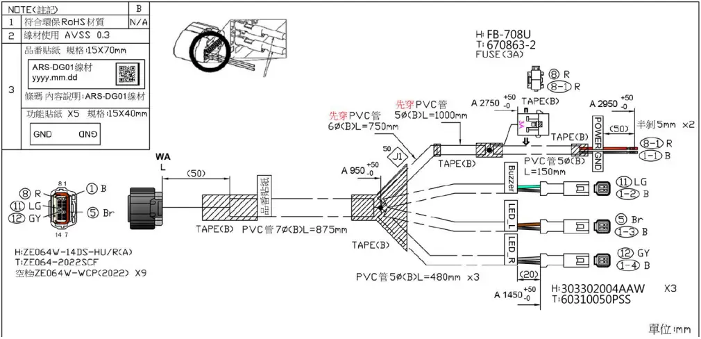
8. Cable Pin Define
| NO. | Function/ARS-DG01 | Description | Color |
| Pin1 | GND | Bare Wire | |
| Pin2 | UART_RX | NC | |
| Pin3 | UART_TX | NC | |
| Pin4 | DL | NC | |
| Pin5 | LED_L | Connector | |
| Pin6 | SPEED | NC | |
| Pin7 | PARK | NC | |
| Pin8 | PWR | Bare Wire | |
| Pin9 | TRIG_R | NC | |
| Pin10 | TRIG_L | NC | |
| Pin11 | BUZZER | Connector | |
| Pin12 | LED_R | Connector | |
| Pin13 | REV | NC | |
| Pin14 | ACC | NC |

IMPORTANT NOTE:
FCC Radiation Exposure Statement:
This equipment complies with FCC radiation exposure limits set forth for an uncontrolled environment. This equipment should be installed and operated with minimum distance 20cm between the radiator & your body.
This device complies with part 15 of the FCC Rules. Operation is subject to the following two conditions: (1) This device may not cause harmful interference, and (2) this device must accept any interference received, including interference that may cause undesired operation.
FCC Caution: Any changes or modifications not expressly approved by the party responsible for compliance could void the user’s authority to operate this equipment.



















