VENTIS Stream, Stream EC Inline Mixed Flow Fans

This user’s manual is a main operating document intended for technical, maintenance, and operating staff.
The manual contains information about purpose, technical details, operating principle, design, and installation of the Stream (EC) unit and all its modifications.
Technical and maintenance staff must have theoretical and practical training in the field of ventilation systems and should be able to work in accordance with workplace safety rules as well as construction norms and standards applicable in the territory of the country.
INSTRUCTION
This unit is not intended for use by persons (including children) with reduced physical, sensory or mental capabilities, or lack of experience and knowledge, unless they have been given supervision or instruction concerning use of the unit by a person responsible for their safety.
Children should be supervised to ensure that they do not play with the unit.
This appliance can be used by children aged from 8 years and above and persons with reduced physical, sensory or mental capabilities or lack of experience and knowledge if they have been given supervision or instruction concerning use of the appliance in a safe way and understand the hazards involved.
Cleaning and user maintenance shall not be made by children without supervision.
Children shall not play with the appliance.
Connection to the mains must be made through a disconnecting device, which is integrated into the fixed wiring system in accordance with the wiring rules for design of electrical units, and has a contact separation in all poles that allows for full disconnection under overvoltage category III conditions.
If the supply cord is damaged, it must be replaced by the manufacturer, its service agent, or similarly qualified persons in order to avoid a safety hazard.
Ensure that the unit is switched off from the supply mains before removing the guard.
Precautions must be taken to avoid the back-flow of gases into the room from the open flue of gas or other fuel-burning appliances.
Do not attach the product to the support using glue or adhesives. Use only the fastening method specified in the «User’s manual».
All operations described in this manual must be performed by qualified personnel only, properly trained and qualified to install, make electrical connections and maintain ventilation units.
Do not attempt to install the product, connect it to the mains, or perform maintenance yourself.
This is unsafe and impossible without special knowledge. Disconnect the power supply prior to any operations with the unit. All user’s manual requirements as well as the provisions of all the applicable local and national construction, electrical, and technical norms and standards must be observed when installing and operating the unit.
Disconnect the unit from the power supply prior to any connection, servicing, maintenance, and repair operations.
Only qualified electricians with a work permit for electrical units up to 1000 V are allowed for installation. The present user’s manual should be carefully read before beginning works. Check the unit for any visible damage of the impeller, the casing, and the grille before starting installation. The casing internals must be free of any foreign objects that can damage the impeller blades.
While mounting the unit, avoid compression of the casing! Deformation of the casing may result in motor jam and excessive noise.
Misuse of the unit and any unauthorised modifications are not allowed.
Do not expose the unit to adverse atmospheric agents (rain, sun, etc.). Transported air must not contain any dust or other solid impurities, sticky substances, or fibrous materials.
Do not use the unit in a hazardous or explosive environment containing spirits, gasoline, insecticides, etc.
Do not close or block the intake or extract vents in order to ensure the efficient air flow.
Do not sit on the unit and do not put objects on it.
The information in this user’s manual was correct at the time of the document’s preparation.
The Company reserves the right to modify the technical characteristics, design, or configuration of its products at any time in order to incorporate the latest technological developments. Never touch the unit with wet or damp hands.
Never touch the unit when barefoot.
BEFORE INSTALLING ADDITIONAL EXTERNAL DEVICES, READ THE RELEVANT USER MANUALS.
OVERVIEW

DELIVERY SET
- Fan – 1 pc.
- Screws and dowels – 4 pcs.
- User’s manual – 1 pc.
- Packing box – 1 pc.
- Rubber seal (for the Stream 150/160 model) – 2 pcs.
BRIEF DESCRIPTION
The product described herein is a mixed-flow inline fan for supply or extract ventilation of premises. The fan is connected to the ø 100, 125, 150 and 160 mm air ducts.
OPERATION GUIDELINES
The fan is rated for connection to single-phase AC 220-240 V/50 Hz power mains.
The fan is rated for continuous operation.
Air motion direction in the system must match the pointer on the fan casing.
According to the type of protection against electric shock, the Stream product belongs to class II devices, Stream EC – to class I.
Ingress protection rating against access to hazardous parts and water ingress is IPХ4.
The fan is rated for operation at the ambient temperature ranging from +1 °C up to +40 °C.
DESIGNATION KEY

TECHNICAL DATA
MOUNTING
The fan is suitable both for horizontal or vertical mounting on the floor, on the wall or on the ceiling. The fan can be installed independently or as part of a set with parallel or in-series connection.

The diameter of the spigots in the Stream 100/125 model can be changed using adapters, and in the Stream 150/160 model using the rubber seal.
On outlet (discharge) spigot side it is necessary to install:
- in case of horizontal installation – a duct with a length of at least 1 m;
- in case of vertical installation – a canopy preventing moisture from getting into the fan. The outlet spigot must always be connected to the air duct.


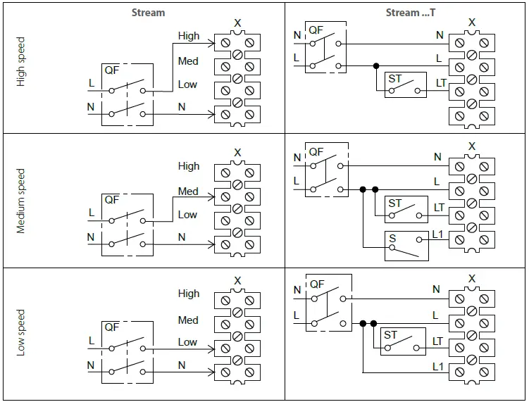
The fan wiring diagrams

Designations on diagrams:
L – line; N – neutral; LT – external switch terminal; L1 – minimum speed terminal;
High – maximum speed terminal; Med – medium speed terminal; Low – minimum speed terminal;
QF – automatic circuit breaker; S – external speed controller; ST – external switch (for example, a light switch); X – input terminal.

Designations on diagrams:
N — neutral
L — line
— grounding
R1 — internal speed controller
R2 — external speed controller
SW — DIP switch

ELECTRONICS OPERATION ALGORITHM

The fan speed without options can be controlled by voltage, as well as by thyristor controllers.
A speed controller can be purchased separately.
Warning! When adjusting the voltage, ensure that there is no unusual noise or vibration at reduced motor speed. When adjusting the voltage, the motor current may exceed the rated current.
The fan is equipped with a thermal switch without self-reset.
To reset the thermostat:
- Switch off the power supply.
- Find and eliminate the cause of overheating.
- Check that the motor has cooled down to operating temperature.
- Switch the power back on.
The Stream …T fan activates upon control voltage application to the LT input terminal by the external switch (e.g. indoor light switch). After the control voltage is off, the fan continues to operate within the set time period adjustable from 2 to 30 min by the timer.
To adjust the fan turn-on delay time, turn the control knob T clockwise to increase and counter-clockwise to decrease the turn-on delay time respectively.
WARNING! The timer circuit is live! Disconnect the fan from power supply prior to any adjustment operations.
The fan delivery set includes a specially designed plastic screwdriver for fan settings adjustments.
Use it to change the turn-off delay time and the humidity set point.
Do not use a metal screwdriver, knife, etc. for adjustment operations not to damage the circuit board.
The Stream …Un/U1n/U2n fan is equipped with a TSC electronic module (speed controller with an electronic thermostat) for automatic speed control (air flow) depending on the air temperature.
The terminal compartment incorporates 2 control knobs:
- presetting speed;
- setting electric thermostat threshold value.
This indicator lights when the air temperature exceeds the set value.
To set the thermostat threshold, rotate the thermostat control knob clockwise to increase or counter-clockwise to decrease the temperature set point accordingly.
To set the fan speed (air capacity), rotate the speed control knob in the same way.
The fan operating logic may be based on temperature or timer indications:
Stream …Un: the fan switches to the maximum speed as the room air temperature exceeds the set point.
As the air temperature drops 2 °C below the set point or if the initial temperature is below the set point, the fan operates with the set speed.
Stream EC…U1n: the fan switches to the maximum speed as the room air temperature exceeds the set point.
As the air temperature drops down below the set point, the timer starts a 5-minute countdown and then the fan switches to the set speed.
Stream …U2n: the fan switches to the maximum speed as the room air temperature exceeds the set point.
As the air temperature drops 2 °C below the set point or if the initial temperature is below the set point, the fan operates with the set speed.
The Stream …P fan is equipped with a speed controller that enables switching the fan on/off and smooth speed (air flow) regulation from minimum to maximum value.
Stream EC
The motor is controlled by sending of an external control signal from 0 to 10 V to the X2 terminal block or by the R1 internal speed controller. Control method selection is carried out by means of the SW DIP switch:
- DIP switch in IN position. The control signal is set by the R1 internal speed controller, which allows to turn the fan on and off, smoothly adjust the speed of the fan motor (air flow) in the range from minimum to maximum speed.
Rotations are controlled from minimum (extreme right position) to maximum (extreme left position). When rotating clockwise, the rotations decrease. - DIP switch in EXT position. The control signal is set by the S1 external control unit.
The Stream EC U (Un) fan is equipped with an electronic module TSC (speed controller with an electronic thermostat) for automatic fan speed control (air flow) depending on the air temperature.
The terminal compartment incorporates 2 control knobs:
- presetting speed
- setting electric thermostat threshold value
The thermostat operation indicator is located on the fan cover.
To set the thermostat threshold, rotate the thermostat control knob clockwise to increase or counter-clockwise to decrease the temperature set point.
To set the fan speed (air flow), rotate the speed control knob in the same way.

TECHNICAL MAINTENANCE
The fan surfaces must be regularly cleaned (once in 6 months) from dirt and dust. Disconnect the fan from power mains prior to any maintenance operations.
To clean the fan, use a soft cloth or a brush wetted in a mild detergent solution. Do not allow water or liquid come into contact with electric components.
Wipe the surfaces dry after cleaning.
| Problem | Possible reasons | Troubleshooting |
| When the unit is connected to power mains, the fan does not rotate and does not respond to any controls. | No power supply. | Make sure the power supply line is connected correctly, otherwise troubleshoot a connection error. |
| Internal connection fault. | Contact the Seller. | |
| Low air flow. | The ventilation system is clogged. | Clean the ventilation system. |
| Increased noise, vibration. | The impeller is clogged. | Clean the impeller. |
| The fan is not secured well or is not mounted properly. | Troubleshoot the installation error. | |
| The ventilation system is clogged. | Clean the ventilation system. |
STORAGE AND TRANSPORTATION REGULATIONS
- Store the unit in the manufacturer’s original packaging box in a dry closed ventilated premise with temperature range from +5 ˚С to +40 ˚С and relative humidity up to 70 %.
- Storage environment must not contain aggressive vapors and chemical mixtures provoking corrosion, insulation, and sealing deformation.
- Use suitable hoist machinery for handling and storage operations to prevent possible damage to the unit.
- Follow the handling requirements applicable for the particular type of cargo.
- The unit can be carried in the original packaging by any mode of transport provided proper protection against precipitation and mechanical damage. The unit must be transported only in the working position.
- Avoid sharp blows, scratches, or rough handling during loading and unloading.
- Prior to the initial power-up after transportation at low temperatures, allow the unit to warm up at operating temperature for at least 3-4 hours.
MANUFACTURER’S WARRANTY
The product is in compliance with EU norms and standards on low voltage guidelines and electromagnetic compatibility.
We hereby declare that the product complies with the provisions of Electromagnetic Compatibility (EMC) Directive 2014/30/
EU of the European Parliament and of the Council, Low Voltage Directive (LVD) 2014/35/EU of the European Parliament and of the Council and CE-marking Council Directive 93/68/EEC. This certificate is issued following test carried out on samples of the product referred to above.
The manufacturer hereby warrants normal operation of the unit for 24 months after the retail sale date provided the user’s observance of the transportation, storage, installation, and operation regulations. Should any malfunctions occur in the course of the unit operation through the Manufacturer’s fault during the guaranteed period of operation, the user is entitled to get all the faults eliminated by the manufacturer by means of warranty repair at the factory free of charge. The warranty repair includes work specific to elimination of faults in the unit operation to ensure its intended use by the user within the guaranteed period of operation. The faults are eliminated by means of replacement or repair of the unit components or a specific part of such unit component.
The warranty repair does not include:
- routine technical maintenance
- unit installation/dismantling
- unit setup
To benefit from warranty repair, the user must provide the unit, the user’s manual with the purchase date stamp, and the payment paperwork certifying the purchase. The unit model must comply with the one stated in the user’s manual. Contact the Seller for warranty service.
The manufacturer’s warranty does not apply to the following cases:
- User’s failure to submit the unit with the entire delivery package as stated in the user’s manual including submission with missing component parts previously dismounted by the user.
- Mismatch of the unit model and the brand name with the information stated on the unit packaging and in the user’s manual.
- User’s failure to ensure timely technical maintenance of the unit.
- External damage to the unit casing (excluding external modifications as required for installation) and internal components caused by the user.
- Redesign or engineering changes to the unit.
- Replacement and use of any assemblies, parts and components not approved by the manufacturer.
- Unit misuse.
- Violation of the unit installation regulations by the user.
- Violation of the unit control regulations by the user.
- Unit connection to power mains with a voltage different from the one stated in the user’s manual.
- Unit breakdown due to voltage surges in power mains.
- Discretionary repair of the unit by the user.
- Unit repair by any persons without the manufacturer’s authorization.
- Expiration of the unit warranty period.
- Violation of the unit transportation regulations by the user.
- Violation of the unit storage regulations by the user.
- Wrongful actions against the unit committed by third parties.
- Unit breakdown due to circumstances of insuperable force (fire, flood, earthquake, war, hostilities of any kind, blockades).
- Missing seals if provided by the user’s manual.
- Failure to submit the user’s manual with the unit purchase date stamp
FOLLOWING THE REGULATIONS STIPULATED HEREIN WILL ENSURE A LONG AND TROUBLE-FREE OPERATION OF THE UNIT.
USER’S WARRANTY CLAIMS SHALL BE SUBJECT TO REVIEW ONLY UPON PRESENTATION OF THE UNIT, THE PAYMENT DOCUMENT AND THE USER’S MANUAL WITH THE PURCHASE DATE STAMP.
Quality Inspector’s Stamp
Manufacture Date
Seller
(name and stamp of the seller)
Purchase Date




















