
Carrier GP048VTRNXET1XX1 Electric Heater Kit

NOTE:
Read the entire instruction manual before starting the installation.
SAFETY CONSIDERATIONS
Improper installation, adjustment, alteration, service, maintenance, or use can cause an explosion, fire, electrical shock, or other conditions which may cause death, personal injury, or property damage. Consult a qualified installer, service agency, or your distributor or branch for information or assistance. The qualified installer or agency must use factory-authorized kits or accessories when modifying this product. Refer to the individual instructions packaged with the kits or accessories when installing.
Follow all safety codes. Wear safety glasses, protective clothing, and work gloves. Use a quenching cloth for brazing operations. Have fire extinguisher available. Read these instructions thoroughly and follow all warnings or cautions included in the literature and attached to the unit.. Consult local building codes and current editions of the National Electrical Code ( NEC ) NFPA 70. In Canada, refer to current editions of the Canadian electrical code CSA 22.1. Recognize safety information. This is the safety alert symbol. When you see this symbol on the unit and in instructions or manuals, be alert to the potential for personal injury.
Understand the signal words DANGER, WARNING, and CAUTION. These words are used with the safety alert symbol. DANGER identifies the most serious hazards which will result in severe personal injury or death. WARNING signifies hazards that could result in personal injury or death. CAUTION is used to identify unsafe practices which may result in minor personal injury or product and property damage. NOTE is used to highlight suggestions that will result in enhanced installation, reliability, or operation.
WARNING
ELECTRICAL SHOCK HAZARD
Failure to follow this warning could result in personal injury or death. Before beginning any installation or modification, be sure the main electrical disconnect switch is in the OFF position. TAG THE DISCONNECT SWITCH WITH A SUITABLE WARNING LABEL Unit contains two power supplies – make sure BOTH are off before servicing.
CAUTION
UNIT DAMAGE HAZARD
Failure to follow this caution may result in compressor damage. NEVER turn unit on its top or side to install support feet.
CAUTION
UNIT DAMAGE HAZARD
Failure to follow this caution may result in unit damage. This Electric Heater Kit is designed for installation in the heat pump model published in this document. Do not install this heater kit in a heat pump not specified in this manual.
CAUTION
CUT HAZARD
Failure to follow this caution may result in personal injury. Sheet metal parts may have sharp edges or burrs. Use care and wear appropriate protective clothing and gloves when handling parts.
INTRODUCTION
The Electric Heater Kit is a field installable electric resistance heater kit designed for the GB, GP, HB, and HP series heat pumps.
The heater kit requires a separate electrical service connection, independent from the heat pump’s power supply. Installation of this Heater Kit will convert the heat pump into a two-point power connection. The Heater Kit is available in several kW capacities. The unit tonnage vs Heater Kit capacity compatibility table is below. The Heater Kit can be installed on vertical (VT), horizontal (HZ), and counter-flow (CF) units.
| Aux. Heat Size Compatibility | ||||
| GHP Model | 5 Kw | 10 Kw | 15 Kw | 20 Kw |
| GP/HP036 | • | • | – – | |
| GP/HP048 | • | • | • – | |
| GP/HP060 | • | • | • • | |
| GP/HP072 | • | • | • • | |
| GB/HB018 | • | – | – – | |
| GB/HB024 | • | • | – – | |
| GB/HB030 | • | • | – – | |
| GB/HB036 | • | • | • – | |
| GB/HB042 | • | • | • – | |
| GB/HB048 | • | • | • • | |
| GB/HB060 | • | • | • • | |
- = Heater Kit compatible / — = Heater Kit NOT compatible
Auxiliary Heater Kit Nomenclature

Pre-Installation
CAUTION
UNIT DAMAGE HAZARD
Failure to follow this caution may result in unit damage. DO NOT wire the heater elements into the same circuit as the compressor.
- IMPORTANT: For ease of installation, it is recommended to guide heater elements into the heater collar before installing ductwork.
- IMPORTANT: Electric Heater Kit can only be installed on single-phase units.
- IMPORTANT: A heater collar is installed in the geothermal heat pumps so there is no need to order a collar separately.
- IMPORTANT: A heat pump thermostat with a supplemental electric heat feature is required to operate the system when this kit is installed.
- IMPORTANT: Electric Heat is NOT available for any side-discharge models. Duct heaters should be used if electric heat is desired for side discharge units. Check with your local distributor for available duct heaters per your duct design.
Unpacking and Inspection
- Unpack the heater kit and inspect the contents and condition. If any part of the kit appears damaged (i.e.: broken heater elements, damage relays) or missing, do not attempt to install the kit. Contact your local distributor for further help.
- Ensure that the heater kit package includes all the listed components. Contact your local distributor for further help.
EH Kit Components List:
- Pre-wired heater electrical box
- Heater elements
- Heater element(s) protective metal cover
- Wire harness pre-wired at one end
- Wiring diagram
- Adhesive-backed electrical data label
- Low voltage pigtail for thermostat connection
- Clear hardware accessory bag containing:
- -Heater element mounting screws (4 for each element bank)
- -Heater element cover mounting screws
- (2 for each cover)
- -Four electrical box mounting screws
- -Wire ties (2)
- -This installation manual
Required Tools:
- Phillips screwdriver (for GP, GB, HP, and HB only)
- Small flat-head screwdriver
ELECTRIC HEAT KIT
The Electric Heat field-installed kit contains two main electrical enclosures: Electric Heat Control Box and Electric Heat Elements, both are located in the blower compartment. (Fig. 1 through Fig. 4) The control box attaches to the corner post and the heat elements to the blower heater collar in the blower compartment.
Fig. 1 – Electric Heater Element Cover (1) and Electric Heat Control Box (2) Location – Vertical Configuration
Fig. 2 – Electric Heater Element Cover (1) and Electric Heat Control Box (2) Location – Counter-flow Configuration
Fig. 3 – Electric Heater Element Cover (1) and Electric Heat Control Box (2) Location – RH Horiz. End Discharge Config.
Fig. 4 – Electric Heater Element Cover (1) and Electric Heat Control Box (2) Location – LH Horiz. End Discharge Config.
Installation hardware
- At the Thermostat Turn the system to “OFF”
- Turn the main power to the heat pump to “OFF” at the unit’s disconnect switch or breaker panel.
WARNING
ELECTRICAL SHOCK HAZARD
Failure to follow this warning could result in personal injury or death. Before beginning any installation or modification, be sure the main electrical disconnect switch is in the OFF position. TAG THE DISCONNECT SWITCH WITH A SUITABLE WARNING LABEL Unit contains two power supplies – make sure BOTH are off before servicing. - Remove the access panel(s) from the unit exposing the blower section and compressor section of the packaged heat pump unit.
- Remove the heater collar cover plate(s) (see Fig. 5)

Fig. 5 – Heater Collar Cover Plate Removal - In preparation for heater element installation, orient the heating elements with thermal overloads (cut-outs) as shown in Fig. 6. This will ensure the heater elements are exposed to airflow.
CAUTION
UNIT DAMAGE HAZARD- Failure to follow this caution may result in unit damage.
- Proper thermal overloads (cut-outs) orientation is required for safe unit operation.

Fig. 6 – Thermal Overloads Cut-Outs
- Remove two (2) wire ties as applicable on element kits (15 & 20 kw).
- Insert heating element(s) into the collar. Heating element rods must be inserted into innermost holes as shown in Fig. 7. This will support and prevent vibration of heater elements.

Fig. 7 – Heating Element Rods
IMPORTANT: If only one heating element is being installed, install it into the position closest to the blower wheel. Cover remaining opening with one of the cover plates removed in step 4 (see Fig. 6). - Secure each insert with four of the supplied sheet metal screws (see Fig. 8)

Fig. 8 – Secure Insert with Supplied Sheet Metal Screws
Wiring
The electric heater control box is completely pre-wired from the factory. There are three Electric Heater control box layouts depending on heater kit model (see Fig. 9 through Fig. 11)
HR1 controls heating elements 1 and 3 and HR2 controls heating elements 2 and 4.

Fig. 9 – 5kW Control Box (KWBEH0101N05)
Fig. 10 – 10kW Control Box (KWBEH0101N10)
Fig. 11 – 15kW-20kW Control Box (KWBEH0101B15 / KWBEH0101B20
Mount Heating Element Protective Cover
- High-voltage red and black wires are already separated and routed through grommets. Route the red wires through one cover hole and the black wires through the second cover hole as shown in Fig. 12.
- Snap loose grommet in place on respective cover holes as per Fig. 12.
- Remove two (2) screws on the heater collar as shown in Fig. 13.
- Mount the protective cover to the blower collar using four (4) screws as sown in Fig. 14.

Fig. 12 – Routing Red and Black Wires
Fig. 13 – Remove Two (2) Screws
Fig. 14 – Mount Heater Element Cover to Blower Collar
EH Control Box Installation
- Install heater control box per Fig. 1 – 4. Orient the heater control box with the contact(s) toward the bottom.
- The GP, GB, HP and HB units may require the field to pre-drill an additional mounting hole to secure the EH control box to the corner post. Mount to the back side of the corner post.
Route the EH Wiring Through Cabinet Divider Panel
- Remove the cork tape around blower harness panel penetration hole to allow space to route electric heater wires.
- On the wiring harness supplied with kit, identify the J39 plug.
- Route J39 plug from the compressor compartment through the hole where cork tape was removed, towards the blower compartment. The 4 connector end will remain in the compressor compartment.
- Reapply cork tape to wire route hole in divider panel.
- Connect J39 plug into the connector P39 on the side of the electric heat control box. See Fig. 15.
NOTE:
The control box is designed to allow the P39 connector to be relocated in the field to the opposite side of the control box for right-return air configuration.
Fig. 15 – Connect J39 Plug Into P39 Connector
Route the EH Harness to E-Box
CAUTION
PERSONAL INJURY AND/OR UNIT DAMAGE HAZARD
Failure to follow this caution may result in personal injury and/or unit damage. When routing wiring, avoid sharp edges as these can chafe wiring insulation, exposing the conductor which can result in equipment damage and personal injury.
- The 4 connector end of the EH harness in the compressor compartment should terminate near the unit electrical box (E-box).
- Locate the blower motor power leads at connection J19/P19. The high-voltage leads will be black and white. Disconnect this J19/P19 connection.
- On the Electric Heater Harness, locate the J19 connector.
- Mate this Electric Heater Harness J19 to the blower harness P19 connector. See Fig. 16.
- Locate the contactor red and black wires (off L1 and L2) going to the transformer primary side (connected to 240v and COM) and remove this harness from the E-box. Discard.
- Locate the red and black wires marked T1 COM and T1 VLT from the electric heater harness.
- Route these red and black wires from the EH harness through the lower grommet in the E-box.
- Connect the red and black wire from EH harness T1 COM to the transformer COM and connect the T1 VLT to the transformer 240v or 208v per the desired primary voltage tap. See Table 1 and Fig. 16

Fig. 16 – GB/HB Connections (Left), GP/HP Connections (Right), and J19 to P19 Example (Bottom). Note: Harnesses are subject to change, so your connection harness may look slightly different. - Locate the black and white wires on the left line side of the contactor. The plug end is marked J19 and contactor connections are marked L1 and L2/N.
- Disconnect and discard this harness.
- Locate, on the electric heater harness, the remaining open plug marked P12.
- Low voltage wiring for GP, GB, HP, and HB – Connect the included ”Blue, Grey, White” harness as indicated in Fig. 16 to either the Thermostat Terminal Block (GB\HB) or ECM board (GP/HP). Mate EH heater P12 to these wires as indicated in Fig. 17.
Wires labeled W1E, W2/EM and EH-C should be connected to the corresponding terminal. Make sure wire W2 is plugged into the EM port of the ECM board. - Ensure all plug connections are well connected and re-install the E- box cover.

| Heater Wire Harness | Pigtail Wires | |
| P12-3-EH-C (Blue) | to | Blue Wire |
| P12-2-W2 (Grey) | to | Grey Wire |
| P12-1-W1/E (white) | to | White Wire |
Fig. 17 – Heater Harness Connection
Table 1 – Electric Heater Electrical Data
| Circuit Branches | Fan Motor | 208V/240V | Heater Element | ||||||
| 208V/240V | |||||||||
| HP | FLA | MCA | MOCP | Min. Wire Gauge | kW | A | |||
| KWBEH0101N05 |
5kW Single Circuit | 0.33 | 2.8 | 25.1 / 28.5 | 30 / 30 | 10 / 10 |
3.6 / 4.8 |
17.3 / 20 | |
| 0.5 | 4.1-4.3 | 27 / 30.4 | 30 / 35 | 10 / 8 | |||||
| 0.75 | 6 | 29.1 / 32.5 | 35 / 35 | 8 / 8 | |||||
| 0.75-1.0 | 6.8-7.6 | 31.1 / 34.5 | 35 / 40 | 8 / 8 | |||||
| 1.0 | 9.1 | 33 / 36.4 | 40 / 45 | 8 / 6 | |||||
| KWBEH0101N10 |
10kW Single Circuit | 0.33-0.5 | 2.8-4.3 | 48.6 / 55.4 | 50 / 60 | 6 / 4 |
7.2 / 9.6 |
34.6 / 40 | |
| 0.75-1.0 | 6.0 -7.6 | 52.8 / 59.5 | 60 / 60 | 4 / 4 | |||||
| 1.0 | 9.1 | 54.6 / 61.4 | 60 / 70 | 4 / 4 | |||||
| KWBEH0101B15 | 15kW Single Circuit | 0.75-1.0 | 6.0-9.1 | 76.3 / 86.4 | 80 / 90 | 2 / 2 | 10.8 / 14.4 | 51.9 / 60 | |
| 15kW Dual Circuit | Ckt 1 + | 0.75-1.0 | 6.0-7.6 | 52.8 / 59.5 | 60 / 60 | 4 / 4 | 7.2 / 9.6 | 34.6 / 40 | |
| 1.0 | 9.1 | 54.6 / 61.4 | 60 / 70 | 4 / 4 | |||||
| Ckt 2 | – | – | 21.6/ 25 | 25 / 30 | 12 / 10 | 3.6 / 4.8 | 17.3 / 20 | ||
| KWBEH0101B20 | 20kW Single Circuit | 0.75-1.0 | 6-9.1 | 97.9 / 111.4 | 100 / 125 | 1 / 1 | 14.4/19.2 | 69.2/80 | |
| 20kW Dual Circuit | Ckt 1 + | 0.75-1.0 | 6-7.6 | 52.8 / 59.5 | 60 / 60 | 4 / 4 | 7.2 / 9.6 | 34.6 / 40 | |
| 1.0 | 9.1 | 54.6 / 61.4 | 60 /70 | 4 / 4 | |||||
| Ckt 2 | – | – | 43.3 / 50 | 50 / 60 | 6 / 4 | 7.2 / 9.6 | 34.6 / 40 | ||
Thermostat Wire Connections
- Assure that two low-voltage wires are available from the thermostat to make the “W1” and “W2” connections. If these wires are not located, they will need to be pulled and routed from the back of the thermostat to the main thermostat connections on the electrical box or to the motor control board.
- Strip the insulation off of the “W1” and “W2” wires and insert them into the thermostat control wire block or on the motor control board thermostat interface. Connect the other end of the wires to the back of the thermostat to the supplemental and emergency heat terminals. Reference the Thermostat Manual for proper connection.
Site Line Voltage Connection
Routing new line voltage wires from the circuit breaker panel to the heater electrical box:
- Select the proper wire size based on the heater electrical load that the blower motor and electric heater element(s) will require. Refer to the data tag label that is included in the heater kit or the Electric Heater Electrical Data Table 1. Ensure that all national and local electrical codes are followed for installation, wire sizing, and breaker sizing.
- Select the proper breaker size based on the heater electrical load that the heat pump will require. Refer to Electric Heater Electrical Data Table 1.
- Route the new line voltage wiring and the ground wire from the circuit breaker panel to the heat pump.
- Use the knockout provided in the heat pump corner post as the entry for the electrical service wiring.
- Connect line voltage to:
- “L1” and ”L2” terminal connection for single circuit electric heat or,
- “L1” and ”L2” in CB1 and “L1” and ”L2” in CB2 for dual circuit electric heat.
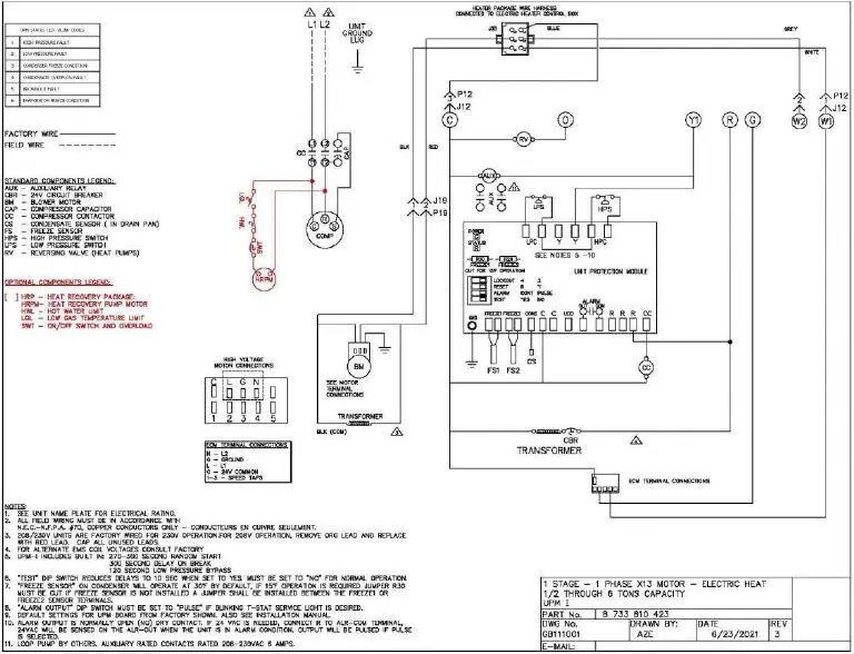
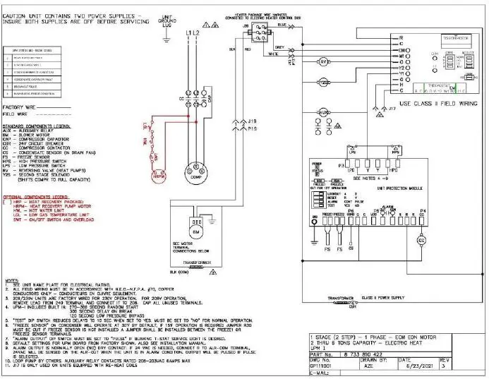
Note: Refer to Fig. 18 – Electric Heater Wiring Diagram.
- Use the ground lug provided in the heater control box to connect the field ground from the power supply.
Wiring Diagram Placement
- Remove the wiring diagram that is adhered to the back side of the front panel. Replace the wiring diagram that was included with the heater kit.
- Place the adhesive-backed heater data label next to the knockout in the post where the new electrical service for the fan motor and heater elements is entering the cabinet.
Unit Start-Up
- Turn the disconnect switch or breaker switch to the “ON” position for the compressor and for the new separate circuit servicing the blower motor and the heating elements.
- Run the unit in Emergency mode with the heating elements engaged for at least 10 minutes to ensure the unit does not shut down due to any temperature-limiting device.
Wiring Diagrams



Manufacturer reserves the right to change, at any time, specifications and designs without notice and without obligations.
© 2021 Carrier. All rights reserved.
A Carrier Company.
























