
Art.Nr. 5910120903
AusgabeNr. 5910120851
Rev.Nr. 04/10/2021
CSP50
Petrol chain saw
Translation of the original instruction manual
5910120903 CSP50 Petrol Chainsaw
![]()
CAUTION! Read the manual carefully before operating this machine!
![]() | ![]() |
ATTENTION!
Read the operating instruction manual carefully and follow all safety regulations before first using it!
This petrol chain saw may only be operated by persons with appropriate training and risk education („participation certificate of the chainsaw training course with country-typical training standard“)!
Preserve this manual carefully!
Note: Please note that some national regulations may restrict the use of the machine.
Explanation of symbols
The use of symbols in this manual is intended to draw your attention to possible risks. The safety symbols and the explanations that accompany them must be perfectly understood. The warnings in themselves do not remove the risks and cannot replace correct actions for preventing accidents.
| Read, understand and follow all warnings | |
![]() | Warning! Chance of kickback (kickback). Beware of a check of the chain saw and avoid contact with the tip of the bar. |
![]() | Do not use the device with one hand |
![]() | Use the device with both hands. |
![]() | Always wear safety glasses, hearing protection and a safety helmet |
| Read the complete user guide before using the appliance | |
| Wear security and anti-vibration gloves when you use the device | |
| Always wear non-skid safety shoes with cut protection when using this product | |
![]() | It is important you wear protective clothing for feet, legs, hands and forearms. |
![]() | Fuel filler cap |
![]() | Filling hole for chain oil. |
![]() | pressed – Choke disabled pulled out – Choke activated |
| L H T | Adjustments for carburetor: L Low-Speed H High-Speed T Idle Speed |
![]() | Setting the chain tension: White arrow: Loosen chain Black arrow: Tighten the chain |
![]() | Installation direction of the chain |
![]() | The guaranteed sound power level of the device. |
| Attention! Hot surface | |
| ON-/OFF switch – “STOP” ON-/OFF switch – “ON” | |
![]() | |
![]() | Mixing ratio |
![]() | Avoid contact with the tip of the bar |
![]() | Fire prohibited |
Introduction
Manufacturer: scheppach
Fabrikation von Holzbearbeitungsmaschinen GmbH
Günzburger Straße 69
D-89335 Ichenhausen
Dear customer,
We hope your new tool brings you much enjoyment and success.
Note: In accordance with the applicable product liability laws, the manufacturer of this device assumes no liability for damage to the device or caused by the device arising from:
- Improper handling,
- Failure to comply with the operating instructions.
- Repairs carried out by third parties, unauthorized specialists.
- Installing and replacing non-original spare parts,
- Application is other than specified.
Please consider:
Read through the complete text in the operating manual before installing and commissioning the device. This operating manual should help you to familiarise yourself with your device and to use it for its intended purpose. The operating manual includes important instructions for the safe, proper, and economical operation of the device, for avoiding danger, for minimizing repair costs and downtimes, and for increasing the reliability and extending the service life of the device. In addition to the safety instructions in this operating manual, you must also observe the regulations applicable to the operation of the device in your country. Keep the operating manual package with the machine at all times and store it in a plastic cover to protect it from dirt and moisture. They must be read and carefully observed by all operating personnel before starting the work. The device may only be used by personnel who have been trained to use it and who have been instructed with respect to the associated hazards. The required minimum age must be observed. In addition to the safety instructions in this operating manual and the separate regulations of your country, the generally recognized technical rules relating to the operation of such machines must also be observed. We accept no liability for accidents or damage that occur due to a failure to observe this manual and the safety instructions.
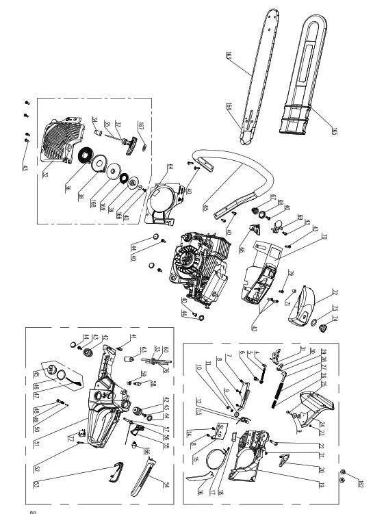
Device description (Fig. A – O)
| 18. Bench grinder aid 19. Oil adjustment screw 20. Fixing nuts 21. Chain tensioning screw 22. Chain cover 23. Chain tensioning pin 24. Chain catcher 25. Hole for the chain tensioning pin 26. Chain wheel 27. Guide bar cover 28. Spark plug wrench / slotted screwdriver 29. Round saw chain file 30. Screwdriver 31. Mixing container 32. Air filter 33. Spark plug connector |
Scope of delivery
- 1 Chainsaw
- 1 Guide bar
- 1 Saw chain
- 1 Spark plug wrench / slotted screwdriver
- 1 Cover for the guide bar (chain guard)
- 1 Mixing container
- 1 Round saw chain file
- 1 Screwdriver
- 1 operating manual
Proper use
The chainsaw may only be used for cutting wood outdoors. The chainsaw must not be used for any other purpose. Do not make any modifications to the chainsaw. Safety may be compromised as a result. The user/operator, not the manufacturer, is responsible for the damages or injuries of any type resulting from this. Please note that this device was not designed for commercial use. We assume no guarantee if the equipment is used in commercial or industrial applications, or for equivalent work. First-time users must be instructed to familiarise themselves with the features of the device. Attend a state chainsaw training course for your safety. Please observe that our equipment was not designed with the intention of use for commercial or industrial purposes. We assume no guarantee if the equipment is used in commercial or industrial applications, or for equivalent work.
5.1 Non-approved operators:
People who are not familiar with this operating manual, children under the age of 16 and people under the influence of alcohol, drugs or medication are not permitted to operate the device. National regulations may restrict the use of the device!
Safety information
IMPORTANT!
READ CAREFULLY BEFORE USE AND STORE SAFELY FOR FUTURE REFERENCE.
DANGER
For an imminent danger that will lead to severe personal injury or death.
WARNING
For a potentially dangerous situation that can lead to severe personal injury or death.
CAUTION
Information on a potentially dangerous situation can lead to minor injuries.
ATTENTION
Information on a potentially dangerous situation that can lead to property damage.
6.1 General safety instructions
WARNING
Always remain attentive, pay attention to what you are doing and be sensible when working with the device. Do not use the device while ill or tired or under the influence of drugs, alcohol or medication. A moment of carelessness when using the device can result in serious injuries.
Avoid misuse, use the machine only as described under “Intended use”.
- Before start-up, read the operating manual for your device and pay particular attention to the safety instructions.
- Warning and information labels attached to the device provide important information for safe operation.
- In addition to the information in the operating manual, the general safety and accident prevention regulations of the legislature must be observed.
- Keep packaging material away from children, there is a risk of suffocation!
- Inadequately informed operators can endanger themselves and others through improper use. The operator is responsible for the safety of third parties.
- Be very attentive when handling the device. Go about your work sensibly and pay close attention to what you are doing.
- Do not work for more than 10 minutes at a time. It is advisable to take a break of 10 – 20 minutes be- tween operations.
- Only lend the device to users who have experience with the device. The operating manual must be handed over at the same time.
- Some cutting tasks require special training and skills. If you have any doubts, consult a specialist.
- First-time users must be instructed to familiarise themselves with the features of the device. Attend a state chainsaw training course for your safety.
- When not in use, the device must be set down in such a way that no one is endangered. Secure from unauthorized access.
- The user of the device is responsible for all accidents and hazards that cause damage to other people or their property.
- Children, young people and persons with reduced physical, sensory or mental abilities must not use the chainsaw. Exceptions exist only for young people over 16 years of age in the context of training under the supervision of a professional.
- The electric ignition system of the device generates a low electromagnetic field. If you wear a pacemaker or similar implant, consult your doctor before using the device to avoid health risks.
- Please note that improper maintenance, the use of non-compliant spare parts, or the removal or modification of safety devices can result in damage to the device and serious injury to the person working with it.
6.2 Personal Protective Equipment (PPE)
DANGER
Always wear personal protective equipment (PPE)!
– Wear a safety helmet with face protection or safety goggles and hearing protection.
– Wear close-fitting protective clothing with a cut protection insert.
– Wear non-slip safety shoes.
– Wear protective gloves.
- Avoid loose clothing that can get caught.
- Do not wear a scarf, tie or jewelry!
- If you have long hair, use a hair net!
- Wear a safety helmet for all work in the forest. This provides protection from falling branches. Check the safety helmet regularly for damage. This must be replaced after 5 years at the latest. Only use approved safety helmets.
- The face guard or safety goggles protect against shavings and wood splinters. To prevent injuries to the eyes, you must always wear a face guard or safety goggles when working with the device.
- Always wear hearing protection. The noise emitted by the device may cause hearing damage.
- Wear robust protective gloves made of tough material, such as leather.
- Wear a dust protection mask when sawing dry wood. Sawdust may form.
6.3 Storage and transport
- Switch off the chainsaw before any transport, even over short distances. Engage the chain brake and fit the chain guard.
- Use the chain guard during transport and storage.
- Secure the machine against tipping over during transport (including in vehicles) to prevent fuel loss, damage or injury.
- Carry the device only by the front handle. In doing so, the guide bar points backward, away from your body (see fig. L).
- Keep the hot silencer away from your body. There is a risk of burns!
- Clean and maintain the chainsaw before storage.
- Store the device in a safe and dry location. Also, secure it from unauthorized access.
6.4 Environmental safety
- National and/or municipal regulations may impose time restrictions on the use of noise-generating, motorized devices. Ask your local administration about this.
- The device must not be operated indoors or in other poorly ventilated areas. There is a danger of suffocation due to the toxic exhaust gases / lubricating oil vapors.
- Only carry out work in daylight.
- Also, do not work in adverse weather conditions, such as rain or wind. There is an increased risk of accidents here.
- Keep your work area clean and tidy.
- Keep children, other people and animals away before and during work. If distracted, you can lose control of the device.
- Before starting work, make sure that there are no persons, animals or property in the danger zone.
- Do not work near wire fences or in areas with loose old wire.
- Have fire extinguishers ready when working in highly flammable environments such as dry grass, etc. There is a risk of fire!
6.5 Filling with fuel
- Petrol is very easily flammable. Keep away from naked flames when refueling and do not smoke while doing so. There is a risk of fire!
- Be careful not to spill petrol. Ensure that no petrol or chain oil gets into the soil. Use suitable sheeting or similar to help with this.
- Refuel only in well-ventilated areas. Petrol vapors can easily ignite or explode.
- Switch off the engine before refueling and allow the device to cool down. If petrol has been spilled, clean the affected areas immediately. Also, do not let any fuel get on your clothes, otherwise, change immediately.
- Also, avoid skin and eye contact with petrol or lubricants (oil).
- Do not breathe in fuel vapors/lubricating oil vapors.
- Watch out for leaks. If petrol is leaking, do not start the engine. There is a danger of burns.
- Carefully open the tank cap so that any overpressure can slowly escape and no petrol sprays out.
6.6 Before start-up
WARNING Always carry out checks before use and with the engine switched off. Check the device before each use and after it has fallen to the ground to ensure that it is in safe operating condition. Check that all moving parts are working properly. Many accidents are caused by poorly maintained tools. Have damaged parts been repaired by qualified specialist personnel? Only use the chainsaw and accessories in accordance with these instructions. taking into account the working conditions and the work to be performed. Using power tools for operations other than those intended can lead to hazardous situations.
- Regularly check the chain brake for proper functioning (front hand guard, see fig. D).
- Check the guide bar to make sure it is mounted correctly.
- Check that the saw chain is properly tensioned. Follow the instructions for lubrication, chain tensioning and replacing accessories. An improperly tensioned or lubricated chain can break or increase the risk of kickback.
- Keep cutting tools sharp and clean. Sharpen regularly and replace worn parts in good time. Properly maintained cutting tools with sharp cutting edges are less likely to bind and are easier to control.
- Check that the throttle and the throttle interlock move easily. The throttle lever must spring back to the starting position.
- Check that there is enough fuel and chain lubricating oil in the tank.
- Check that the handles are clean, dry and free from oil and dirt.
- Never carry out the work alone. In an emergency, someone must be nearby.
- Only use the chainsaw when standing on firm, safe and level ground. Do not overreach. Slippery ground or unstable standing surfaces (e.g. on a ladder) can cause loss of balance or loss of control of the chainsaw. Keep proper footing and balance at all times. This will allow you to better control the chainsaw in unexpected situations.
- Do not work with the chainsaw in a tree. There is a risk of injury when operating in a tree.
- Never saw above shoulder height.
- Always hold the chainsaw with your right hand on the rear handle and your left hand on the front handle (see fig. D). Holding the chainsaw using the opposite grip increases the risk of injuries and must be avoided.
- Keep all body parts away from the saw chain when the chainsaw is running. Before starting the chainsaw, ensure that the saw chain is not touching anything. When working with a chainsaw, a moment of carelessness can result in clothing or body parts being caught by the saw chain.
- Switch off the chainsaw immediately if you notice any noticeable changes in the device’s behavior.
- If the chainsaw has come into contact with stones, nails or other hard objects, stop the engine immediately and check the saw chain and guide bar for damage.
- Do not drop the chainsaw, do not hit it against obstacles, and never use the guide bar as a lever.
- Only saw in wood with the chainsaw.
- When cutting a branch that is under tension, expect it to spring back. If the tension in the wood fibers is released, the tensioned branch can hit the operator and/or wrest the chainsaw from control.
- Be especially careful when cutting undergrowth and young trees. The thin material can get caught in the saw chain and hit you or throw you off balance.
6.7 Vibrations
WARNING
Avoid the risks associated with vibration, e.g. the risk of white finger syndrome (circulatory disorders) by taking frequent breaks from work where you rub your palms together, for example.
- Always wear protective gloves and make sure your hands are warm.
- Make sure that the chain is always sharp.
- Take regular breaks from work.
6.8 Precautionary measures against kick-back
WARNING Watch out for kick-back when working with the device. There is a danger of injury. Avoid kickbacks through caution and correct sawing technique.
- Touching with the tip of the guide bar can some- times lead to an unexpected backward reaction, whereby the guide bar whips up and in the direction of the operator.
- Kickback can arise if the tip of the guide rail touches an object or if the wood bends and the saw chain jams in the cut.
- If the saw chain jams on the top edge of the guide bar, the chainsaw can jerk back suddenly in the direction of the operator (fig. I).
- If the saw chain jams on the lower edge of the guide bar, the chainsaw can jerk forward suddenly away from the operator (fig. J).
- Be extremely careful when using the chain of the chainsaw to continue cutting into a cut that has already been started.
- Do not saw branches or pieces of wood that could change their position during the sawing process or where the cut closes during the sawing process.
- Each of these reactions can lead to you losing control of the saw and possibly suffering a serious injury. Never rely solely on the safety equipment integrated in the chainsaw. As a chainsaw user, take various measures to work without accidents and injuries.
Kick-back is the result of incorrect or deficient use. It can be prevented by suitable precautionary measures, as described in the following:
- Hold the saw firmly with both hands, with the thumbs and fingers enclosing the chainsaw handles. Bring your body and arms into a position in which you can absorb the kickback forces. If suitable measures are implemented, the operator will be able to withstand the kick-back forces. Never let go of the chainsaw (see fig. D).
- Avoid an unusual body stance and never saw above shoulder height. This will help to avoid unintentional contact with the rail tip, and enable improved control of the chainsaw in unexpected situations.
- Always use replacement guide rails and saw chains prescribed by the manufacturer. Incorrect replacement guide bars and saw chains may cause the saw chain to break and/or lead to kick-back.
- Adhere to the instructions of the manufacturer when sharpening and maintaining the saw chain. If the depth limiter is too low, this increases the tendency toward kickback.
- Do not see the tip of the guide bar. There is a risk of kickback.
- Make sure that there are no nails or metal pieces in the cutting area. Pay special attention to nails or pieces of iron around the cutting area. Also, be careful when sawing hardwoods where the chain can get caught. This can cause a kickback.
- Start cutting at full power and always keep the chainsaw at maximum speed while sawing.
- Make sure that there are no objects on the floor that you can trip over.
6.9 Residual risks
DANGER
RISK OF INJURY!
Contact with the saw chain can lead to fatal cuts.
Never touch the saw chain with your hands while it is running.
RISK OF KICKBACK!
Kick-back can lead to fatal cuts.
DANGER OF BURNING!
The chain and guide bar heat up during operation.
Technical data
Weight unfuelled, without cutting gear approx. ..5,2 kg
Weight unfuelled, with cutting gear approx. ……6.4 kg
Fuel tank …………………………. approx. 550 cm 3 (0.55 l)
Tank for chain lubricating oil . approx. 260 cm 3(0.26 l)
Usable cutting length* /
Guide rail ……………………………. 45 cm (18”)
Max. chain speed ………………………22m/s
Chain pitch……………….8.25 mm (0.325”)
Driving link thickness ………………..1.5 mm (0,059”)
Type of saw chain KANGXING ……………. .325.058-72
Type of guide bar KANGXING ………. BE18-72-5810P
Chain wheel tooth pitch … 7 teeth / 8.255 mm (0.325”)
Engine displacement ………………45 cm 3
Max. engine power output per ISO 7293 ……… 1,8 kW
Idle speed n0 ……………………………….. 3000 ± 300 rpm
Speed max …………………. 12000 rpm
Spark plug ……………………………. L8RTF
* The actual cutting length may be less than the specified cutting length.
Noise
Sound pressure level LpA per ISO 22868 … 98,9 dB(A)
Uncertainty KpA ……………………………….. 2,5 dB
Sound power level LWA per ISO 22868 …………………..113,28 dB(A)
Uncertainty KWA …………….. 2,5 dB
Wear hearing protection.
Excessive noise can result in a loss of hearing. The specified device emissions values have been measured in accordance with a standardized test procedure and can be used for the comparison of one tool with another. The specified noise emission values can also be used for an initial estimation of the exposure.
Vibration
Vibration value at the rear
Handle per ISO 22867 …………………………..5,277 m/s 2
Vibration value at the front
Handle per ISO 22867 …………………………..6,185 m/s 2
Uncertainty K …………………………………………..1.5 m/s 2
WARNING
Avoid the risks associated with vibration, e.g. the risk of white finger syndrome (circulatory disorders) by taking frequent breaks from work where you rub your palms together, for example.
Before commissioning
- Open the packaging and carefully remove the device.
- Remove the packaging material, as well as the packaging and transport safety devices (if present).
- Check whether the scope of delivery is complete.
- Check the device and accessory parts for transport damage.
- If possible, keep the packaging until the expiry of the warranty period.
ATTENTION
The device and the packaging are not children‘s toys!
Do not let children play with plastic bags, films or small parts! There is a danger of choking or suffocating!
8.1 Mounting the guide bar and tensioning the saw chain
ATTENTION
Always carry out assembly with the engine switched off.
WARNING
Risk of injury!
Always wear protective gloves when touching the saw chain (17). The danger of injury due to the sharp cutting teeth!
Note
A new saw chain (17) stretches and needs to be re-tensioned more often. Check and adjust the chain tension regularly after each cut. Depending on wear, the guide bar (16) can be turned.
- Set the chainsaw down on a level and stable sur- face.
- Pull the front hand guard (1) back as far as it will go to release the chain brake (see fig. B).
- Remove the two fixing nuts (20) with the spark plug wrench (28).
- Remove the chain cover (22).
- Slide the slotted hole of the guide bar (16) over the two protruding pins.
- Place the saw chain (17) over the teeth of the chain wheel (26). Insert the saw chain (17) accurately in the direction indicated on the guide bar (16). In the tip of the guide bar (16) there is a guide wheel into whose teeth the saw chain (17) must be inserted.
- Pull slightly on the guide bar (16) to slightly pre-tension the saw chain (17).
- Fit the chain cover (22) back on. Make sure that the internal chain tensioning pin (23) fits into the matching hole (25) in the guide bar (16). If necessary, adjust the chain tensioning screw (21) with the spark plug wrench / slotted screwdriver (28).
- Screw on the two fastening nuts (20) by hand. However, make sure that you do not tighten them yet.
- Use the spark plug wrench / slotted screwdriver (28) to turn the chain tensioning screw (21) clockwise until the lower part of the saw chain (17) slides into the guide bar (16). The saw chain (17) must be in contact with the underside of the bar. When the chain brake is released, it must be possible to pull the saw chain (17) over the guide bar (16) by hand.
Note
A new saw chain (17) stretches and needs to be re-tensioned more often.
- Tighten the two fixing nuts (20) with the spark plug wrench / slotted screwdriver (28).
8.2 Mixing fuel
The engine must be operated with a fuel mixture of petrol and engine oil.
WARNING
Avoid direct skin contact with fuel and inhalation of fuel vapors.
Use only a mixture of unleaded petrol (min. RON 95) and special 2-stroke engine oil (JASO FD/ISO – L –
EGD). Mix the fuel mixture as per the fuel mixing table.
Put the correct amount of petrol and 2-stroke oil into the enclosed mixing bottle (31) (see “Fuel mixing table”). Then shake the mixing container (31) well.
8.2.1 Fuel mixing table
Mixing process: 40 parts petrol to 1 part oil
Petrol ……………………………………………… 2-stroke oil
0.5 litre ………………………………………………….. 12.5 ml
8.3 Filling with fuel
WARNING
Only fill the fuel when the engine is switched off and has cooled down. There is a risk of fire!
- Always clean the area around the fuel tank cap (13) before filling to prevent dirt from falling into the fuel tank. Use a dry, lint-free cloth for this purpose.
- Lay the device on its side with the fuel tank cap (13) facing upwards.
- Turn the fuel tank cap (13) anti-clockwise and open it. The fuel tank cap (13) is connected to an anti-loss device in the fuel tank and thus cannot fall off.
- Pour the fuel mixture into the fuel tank. Do not spill fuel when refueling and do not fill the fuel tank to the brim.
- Wipe up spilled fuel immediately.
- Turn the fuel tank cap (13) clockwise to close it.
NOTE
Also check the chain oil after each fuel fill.
8.4 Filling with chain oil
WARNING
Only fill the saw chain oil when the engine is switched off and has cooled down. There is a risk of fire!
Never work without chain lubrication! If the saw chain runs dry, the cutting gear will be irreparably destroyed in a short time.
Always check chain lubrication before working.
NOTE Use only saw chain oil. Preferably biodegradable. Do not use waste oil, engine oil, etc.
Check during work that the chain lubrication is working.
- Always clean the area around the chain oil tank cap (14) before filling so that no dirt falls into the chain oil tank. Use a dry, lint-free cloth for this purpose.
- Lay the device on its side with the chain oil tank cap (14) is facing upwards.
- Turn the chain oil tank cap (14) anti-clockwise and open it. The chain oil tank cap (14) is connected to an anti-loss device in the chain oil tank and thus cannot fall off.
- Pour the chain oil into the chain oil tank. Do not spill chain oil when refueling and do not fill the chain oil tank to the brim.
- Wipe up spilled chain oil immediately.
- Turn the chain oil tank cap (14) clockwise to close it.
8.5 Tensioning and checking the saw chain
WARNING
Put on protective gloves! The danger of injury due to the sharp cutting teeth!
Check the chain tension regularly before each startup.
- Before tensioning, loosen the two fixing nuts (20) a little with the spark plug wrench / slotted screwdriver (28).
- Turn the chain tensioning screw (21) clockwise with the spark plug wrench / slotted screwdriver (28) to increase the tension.
- Tighten the two fixing nuts (20) with the spark plug wrench / slotted screwdriver (28).
- The saw chain (17) must be in contact with the underside of the guide bar. Check whether the saw chain (17) can be pulled over the guide bar (16) by hand (with the chain brake released, pull the front hand guard (1) back).
NOTE
A new saw chain (17) stretches and needs to be re-tensioned more often.
Commissioning
CAUTION
Please observe the legal provisions of the noise protection ordinance.
Before each start-up, check the device for the following:
- Check the fuel system for leakage
- Faultless condition and completeness of the guards and the cutting device
- The tight fit of all screw connections
- The smooth running of all moving parts
Working instructions
Familiarise yourself with handling the chainsaw before use.
9.1 Starting the engine
ATTENTION
Always pull the start pull cord (4) out straight. Hold the handle of the start pull cord (4) firmly when the pull cord (4) winds back in. Never let the start pull cord (4) whip back in.
9.1.1 Starting the engine when cold
WARNING
Engage the chain brake before every start-up (push the hand guard (1) forward).
ATTENTION
Never allow the start pull cord (4) to spin back. This can result in damage.
- Remove the cover (27) from the guide bar (16).
- Set the chainsaw down on a firm and level surface.
The saw chain (17) must not come into contact with the ground. - Push the front hand guard (1) forwards until it latches into place.
The saw chain (17) is clamped by the chain brake. - Press the fuel pump primer (7) 6x.
- Switch the ON/OFF switch (6) to “ON”.
- Pull out the cold start (choke) lever (8) ( ).
- Place the tip of your shoe in the rear hand guard (12) (see fig. C).
- Hold the chainsaw firmly by the front handle (2) and pull the start pull cord (4) out slowly until you feel the first resistance.
- Now pull the start pull cord (4) and the engine should start. If the engine does not start, repeat the process. So long as the cold start (choke) (8) lever is pulled out ( ) the engine will run for only a short time and then stop.
- As soon as the engine has stopped, actuate the throttle interlock (9) and the throttle (10) together. The cold start (choke) lever (8) will automatically spring back to the “warm start” operating position.
- Now pull the start pull cord (4) again and the engine should start.
If the engine does not start even after several attempts, read the “Troubleshooting” chapter.
NOTE
With high outside temperatures, it may be necessary to start the engine without the choke even when the engine is cold!
- Release the chain brake by pulling the front hand guard (1) backward (see fig. D).
CAUTION! The chain brake is now released. If the throttle (10) is actuated together with the throttle interlock (9), the saw chain (17) starts up.
9.1.2 Starting the engine when warm
(The device stood still for less than 15–20 minutes)
WARNING
Engage the chain brake before every start-up (push the hand guard (1) forward).
- Push the front hand guard (1) forwards until it latches into place. The saw chain (17) is clamped by the chain brake.
- Switch the ON/OFF switch (6) to “ON”.
- The cold start lever (choke) (8) does not have to be pulled to start a warm engine.
- Place the tip of your shoe in the rear hand guard (12) (see fig. C).
- Hold the chainsaw firmly by the front handle (2) and pull the start pull cord (4) out slowly until you feel the first resistance.
- Now pull the start pull cord (4) quickly. The device should start after 1–2 pulls. If the device has still not started after 6 pulls, repeat the procedure described under “Starting the engine when cold”.
9.2 Shutting the engine off
9.2.1 Emergency stop procedure
If it is necessary to stop the device immediately, set the ON/OFF switch (6) to “OFF”.
9.2.2 Normal stop sequence
- Release the throttle (10). The engine goes into idle speed.
- Then set the ON/OFF switch (6) to “OFF”.
9.3 Operating while idle
ATTENTION
When idling, the saw chain (17) must be stationary. If the saw chain (17) moves, adjust the idle speed!
NOTE
If the saw chain (17) moves at idle or the engine stops on its own when the throttle is released, a carburetor adjustment must be made (see chapter “Maintenance of the carburetor settings”).
- Pick up the chainsaw.
- Use the left hand to hold the front handle (2) firmly.
- Use the right hand to hold the rear handle (11) firmly.
The heel of the hand rests on the throttle interlock (9) and the index finger operates the throttle lever (10)(see fig. D). - After pressing the throttle lever (10) once, the engine runs at idle speed.
- Allow the engine to warm up briefly.
9.4 Checking and adjusting chain lubrication
ATTENTION
- Never work without chain lubrication! If the saw chain runs dry, the cutting gear will be irreparably destroyed in a short time.
- Always check chain lubrication before working.
Note
Only use saw chain oil, preferably biodegradable. Do not use waste oil, engine oil, etc.
Check during work that the chain lubrication is working.
Hold the chainsaw during operation, at medium speed, over a sawed-off tree stump or a suitable surface. If the lubrication is sufficient, a light film of oil will form on the tree stump or surface (see fig. E).
- If necessary, the chain lubrication can be increased or decreased by means of the oil adjustment screw (19).
- Use the screwdriver (30) supplied to help:
– First press and then turn the oil adjustment screw (19) clockwise to reduce chain lubrication.
– First press and then turn the oil adjustment screw (19) anti-clockwise to increase chain lubrication.
9.5 Checking the chain brake
WARNING
The chain brake must be checked before each use.
The chain brake brakes the saw chain immediately in the event of a kickback.
- Make sure that the front hand guard (1) is free of dirt and moves easily.
- Start the chainsaw and accelerate the saw chain to full speed (full throttle).
- With the saw chain running, operate the front hand guard (1). The chain brake must brake and lock the saw chain at max. speed.
WARNING
Increased engine speed for too long with the chain brake locked will damage the engine and the chain drive.
If the saw chain (17) still moves, contact customer service.
Basic working instructions for feeling work
WARNING
Risk of injury!
Sawing and felling work as well as all related work may only be carried out by specially trained and briefed persons.
Note
Observe the country-specific regulations for felling work and obtain information from the relevant authority.
- Make sure that no one can be harmed by the falling branches and trees.
- Only the persons required for the felling work may be in the work area.
- Keep the work area at the trunk clear and tidy so that operators have a safe standing area.
- Keep escape routes clear and tidy in order to be able to leave the work area quickly.
- Do not carry out felling work in stronger wind conditions, bad weather or poor visibility.
- Keep distances to the nearest workplace of at least 2 1/2 tree lengths.
10.1 Use and handling
- Never start the device before the guide bar (16), saw chain (17) and chain cover (22) are correctly fitted.
- Do not cut wood that is lying on the ground or try to cut roots that are sticking out of the ground. In any case, make sure the saw chain (17) does not come into contact with the soil, otherwise the saw chain
(17) will dull immediately. - If you accidentally touch a solid object with the device, switch off the engine immediately and inspect the device for any damage.
- Maintain the device carefully. Check for misalignment or binding of moving parts, breakage of parts, and any other condition that may affect the device’s operation. Have damaged parts been repaired before using the device? Many accidents are caused by poorly maintained devices.
- Keep cutting tools sharp and clean. Properly maintained cutting tools with sharp cutting edges are less likely to bind and are easier to control.
- Has the device serviced by qualified personnel? Only use the manufacturer’s recommended original spare parts.
10.2 Creating the notch cut
Note
The fall notch determines the felling direction of the tree to be felled.
Place the fall notch at right angles to the falling direction.
Saw as close to the ground as possible.
Support the chainsaw with the claw stop (15).
10.2.1 Creating the fall notch (fig. F)
- First, start with the cut of the fall notch A. The depth of the fall notch should be approx. 1/4 of the tree diameter and have an angle of 45°- 60°.
10.2.2 Checking the felling direction (fig. G)
Place the chainsaw with the guide rail (16) at the bottom of the notch cut. If necessary, recut the notch cut accordingly.
10.3 Carrying out the felling cut (fig. F) - Place the felling cut B approx. 2-3 cm higher than the horizontal cut of the fall notch A. Make sure that felling cut B is carried out exactly horizontally.
- Leave approx. 1/10 of the tree diameter, the breaking strip C before felling cut B. Breaking strip C guides the tree to the ground like a hinge and secures it against premature falling.
WARNING
The danger of an accident!
Do not under any circumstances saw the breaking strip C during felling cut B, otherwise, the tree may fall in an unpredictable direction!
Be prepared for the tree to “slide” uncontrollably when falling on the cut.
Be prepared for the tree to “jump” uncontrollably in one direction when it hits the ground.
- To prevent the chainsaw from jamming in felling cut B, drive aluminum or plastic wedges into felling cut B in good time. Do not use iron wedges.
ATTENTION
Property damage!
Make sure that the wedge does not come into contact with the saw chain (17). It can be severely damaged by this.
10.4 Delimbing work
- Always be aware of the danger of branches snapping back.
- Do not stand on the trunk when delimbing.
- Do not saw with the tip of the guide bar.
- Never saw several branches at once.
- Support the chainsaw with the claw stop (15) when delimbing, if possible.
- Make sure that at the end of the cut the chainsaw can swing through under its own weight. It is no longer supported in the cut so hold it securely.
- Take a firm, stable and secure stance when delimbing. 10.4.1 Delimbing work in sections Shorten long or thick branches before making the final cut (see fig. H). Otherwise the saw chain (17) can easily jam.
Working on tensioned wood
It is essential to follow the correct sequence when working on wood that is tensioned. Otherwise, the saw chain (17) may jam or kick-back may occur.
Tensioned wood must always be cut on the compressed side first. Only then perform the separating cut using the opposite side.
This prevents the saw chain (17) from jamming.
ATTENTION
Property damage!
Lying wood must not touch the ground on the underside of the cutting point, otherwise, the saw chain (17) may be damaged.
Recoil (fig. I)
- If the saw chain (17) jams on the top edge of the guide bar (16), the chainsaw can jerk back suddenly in the direction of the operator in an uncontrolled manner.
Pull in (fig. J) - If the saw chain (17) jams on the bottom edge of the guide bar (16), the chainsaw can jerk forward suddenly away from the operator in an uncontrolled manner.
Safe work - Keep the device in good working order to prevent injuries.
- After dropping the device, check for significant damage or defects.
- Do not use the device whilst standing on a ladder or in an unsafe position.
- Do not be tempted to make a rash cut. This could endanger you and others.
- Change your working position regularly. Prolonged use of the device can lead to vibration-induced circulatory disorders of the hands. However, you can extend the duration of use by wearing suitable gloves or taking regular breaks. Be aware that personal predisposition to poor circulation, low outside temperatures or large gripping forces when working reduce the duration of use.
11.1 Wooden branch is bent downwards
- First saw relief cut 1 (approx. 1/3 of the branch diameter) on the compressed side (see fig. K).
- Then make cut 2 (approx. 2/3 of the branch diameter) on the tensioned side (see fig. K).
11.2 Wooden branch is bent upwards
- First saw relief cut 1 (approx. 1/3 of the branch diameter) on the compressed side (see fig. K).
- Then make cut 2 (approx. 2/3 of the branch diameter) on the tensioned side (see fig. K).
Transport
- Always use the guide bar cover (27) when transporting.
- Switch off the chainsaw before any transport, even over short distances. Secure the machine against tipping over during transport (including in vehicles) to prevent fuel loss, damage or injury.
- Carry the device only by the front handle (2). In doing so, the guide bar points backward, away from your body (see fig. L).
- Keep the hot silencer away from your body. There is a risk of burns!
Cleaning and maintenance
WARNING
Risk of injury!
Always switch off the device and disconnect the spark plug connector (33) before cleaning. (see chapter 13.4 Spark plug maintenance).
Note The device should be thoroughly cleaned after each use.
Only carry out cleaning and maintenance work to the extent specified in this operating manual. Further work must be carried out by qualified specialists.
Maintenance work must be carried out regularly (see chapter “Maintenance intervals”).
13.1 Cleaning the engine unit
WARNING
The danger of burning!
Do not touch hot silencers, cylinders or cooling fins.
- Keep protective devices, air vents and the engine housing as free of dust and dirt as possible. Blow it out with low-pressure compressed air.
- Clean the device at regular intervals using a damp cloth and a little detergent. Make sure that no water can penetrate the device interior.
13.2 Cleaning the air filter
Fouled air filters diminish the engine output due to reduced air supply to the carburetor. Regular inspection is therefore essential. The air filter (32) should be checked regularly and cleaned as required. The air filter (32) must be checked more frequently in the case of very dusty air.
- Loosen the catch for the air filter cover (5) by turning it anti-clockwise. (See fig. M)
- Remove the air filter cover (3).
- Remove the air filter (32). (See fig. N)
- Clean the air filter (32) by knocking out or blowing out (with compressed air).
The re-assembly takes place in reverse order.
ATTENTION
Never clean the air filter (32) with petrol or flammable solvents.
13.3 Cleaning the chain drive
WARNING
Risk of injury!
Always wear protective gloves when touching the saw chain (17). The danger of injury due to the sharp cutting teeth!
Note
Clean the chain drive after each use.
- Set the chainsaw down on a level and stable surface.
- Pull the front hand guard (1) back as far as it will go to release the chain brake (see fig. B).
- Remove the two fixing nuts (20) with the spark plug wrench / slotted screwdriver (28).
- Remove the chain cover (22).
- Carefully remove the saw chain (17) from the guide bar (16) and the chain wheel (26).
- Remove the guide bar (16). Clean them with a brush.
- Now thoroughly clean the entire chain drive area and the chain cover (22) with a brush or by blowing it out (with compressed air).
The re-assembly takes place in reverse order.
13.4 Maintenance of the spark plug
- Remove the air filter (33) as described in 13.2 “Cleaning the air filter”.
- Remove the spark plug connector (33) by turning it to the left and right and pulling it at the same time. Hold and pull the spark plug connector (33) by the connector only. Never pull on the cable! (See fig. O)
- Loosen the spark plug with the enclosed spark plug wrench / slotted screwdriver (28).
- The re-assembly takes place in reverse order.
Electrode gap = 0.6 mm (distance between the electrodes, between which the ignition spark is generated).
Check the spark plug for dirt and grime after 10 operating hours and if necessary, clean it with a copper wire brush.
Then service the spark plug every 50 operating hours.
13.5 Maintenance of the chain lubrication
- See chapter “Checking and adjusting chain lubrication”.
13.6 Maintenance of the carburetor settings - If the saw chain (17) moves at idle or the engine stops by itself when the throttle is released, a carburetor adjustment must be made.
Note
Have carburetor adjustments (e.g. idle speed) carried out only by qualified specialists to avoid engine damage.
13.7 Maintenance of the guide bar
- Remove any burrs on the edge of the guide bar using a metal file.
- Clean the groove of the guide bar (16) using a brush or compressed air. Replace the guide bar (16) as soon as the groove is worn.
- Turn the guide bar (16) after each use to ensure even wear.
- Check the sprocket at the tip of the guide bar (16) for smooth running. If necessary, lubricate it with bearing oil.
13.8 Mounting the guide bar and tensioning the saw chain
ATTENTION
Always carry out assembly with the engine switched off.
WARNING
Risk of injury! Always wear protective gloves when touching the saw chain (17). The danger of injury due to the sharp cutting teeth! Note A new saw chain (17) stretches and needs to be re-tensioned more often. Check and adjust the chain tension regularly after each cut. Depending on wear, the guide bar (16) can be turned.
- Set the chainsaw down on a level and stable surface.
- Pull the front hand guard (1) back as far as it will go to release the chain brake (see fig. D).
- Remove the two fixing nuts (20) with the spark plug wrench / slotted screwdriver (28).
- Remove the chain cover (22).
- Slide the slotted hole of the guide bar (16) over the two protruding pins.
- Place the saw chain (17) over the teeth of the chain wheel (26). Insert the saw chain (17) accurately in the direction indicated on the guide bar (16). In the tip of the guide bar (16) there is a guide wheel into whose teeth the saw chain (17) must be inserted.
- Pull slightly on the guide bar (16) to slightly pre-tension the saw chain (17).
- Fit the chain cover (22) back on. Make sure that the internal chain tensioning pin (23) fits into the matching hole (25) in the guide bar (16). If necessary, adjust the chain tensioning screw (21) with the spark plug wrench / slotted screwdriver (28).
- Screw on the two fastening nuts (20) by hand. However, make sure that you do not tighten them yet.
- Use the spark plug wrench / slotted screwdriver (28) to turn the chain tensioning screw (21) clockwise until the lower part of the saw chain (17) slides into the guide bar (16). The saw chain (17) must be in contact with the underside of the bar. When the chain brake is released, it must be possible to pull the saw chain (17) over the guide bar (16) by hand.
Note
A new saw chain (17) stretches and needs to be retensioned more often.
- Tighten the two fixing nuts (20) with the spark plug wrench / slotted screwdriver (28).
13.9 Sharpening and maintaining the saw chain
WARNING
Risk of injury!
Always wear protective gloves when touching the saw chain (17). The danger of injury due to the sharp cutting teeth!
Note
An optimally maintained and sharpened saw chain reduces physical strain, and wear and leads to good cutting results.
Clean, maintain and sharpen the saw chain regularly. Check the saw chain regularly for cracks and damaged rivets. A bench grinder can be attached to the bench grinder aid (18) for a secure hold during grinding. Only use special round saw chain files with Ø 4.8 mm (3/16”) for the saw chain included in the scope of delivery. In a sharpening kit, e.g. from Oregon, you will find de- tailed information on the sharpening process. Alternatively, use an electric chain sharpener and follow the manufacturer’s instructions. If in doubt about the performance of the work, replace the saw chain. If necessary, have the saw chain (17) sharpened by a specialist workshop.
- Required accessories: – Round saw chain file Ø 4.8 mm (3/16”) (29) – Flat file (not included in the scope of delivery) – Depth limit gauge (not included in the scope of delivery)
- File only in a forward motion to remove material.
- File with a sharpening angle of approx. 25° at an incline of 10° to the guide bar (16).
- Check the depth limit distance with a depth limit gauge.
- The correct distance of the depth limiter should be 0.6 mm (0.024”).
13.10 Maintenance intervals
The information given here refers to normal operating conditions. In difficult conditions, such as heavy dust generation and longer daily working hours, the specified intervals should be shortened accordingly.
| Device part | Action | Before starting work | Weekly | In the event of malfunctions | in the event of damage | If necessary |
| Chain lubrication | Check | X | ||||
| Saw chain (17) | Check and pay attention to the state of sharpness | X | ||||
| Check chain tension | X | |||||
| Sharpen | X | |||||
| Guide bar (16) | Check (wear, damage) | X | ||||
| Clean | X | X | ||||
| Replace | X | X |
13.11 Service information
With this product, it is necessary to note that the following parts are subject to natural or usage-related wear, or that the following parts are required as consumables.
Wearing parts*: Saw chain, guide bar, chain wheel, chain oil, engine oil, claw stop, chain catcher, spark plug, air filter, fuel filter, chain oil filter * may not be included in the scope of supply!
Storage
- Always use the guide bar cover (27) when storing.
- The spark plug wrench (28) can be inserted on the underside of the machine.
- Clean and maintain the device every time before storage, see chapter “Cleaning and maintenance”.
- Store the device in a safe, dry, frost-free, well-ventilated place protected from the weather. Outdoor storage is not advisable. Also, secure it from unauthorized access.
- Empty the oil or fuel tank with a suction pump.
WARNING Do not empty the fuel tank in enclosed areas, near a fire or when smoking. Petrol fumes can cause explosions and fire. - Start the engine and let it run until the remaining petrol is used up.
Disposal and recycling
The device is supplied in packaging to avoid transport damages. This packaging is raw material and can thus be used again or can be reintegrated into the raw material cycle. The device and its accessories are made of different materials, such as metals and plastics. Take defective components to special waste disposal sites. Check with your specialist dealer or municipal administration!
The packaging is wholly composed of environmentally-friendly materials that can be disposed of at a local recycling center. Contact your local refuse disposal authority for more details of how to dispose of your worn-out electrical devices.
Fuels and oils
Fuel residues, oils and liquids used for cleaning must be disposed of in an environmentally friendly manner! Empty oil and fuel tanks must be disposed of in an environmentally friendly manner. Dispose of liquids and containers at appropriate collection centers.
Troubleshooting
| Fault | Possible cause | Remedy |
| The the engine does not start | Incorrect start-up procedure | Follow the instructions for starting |
| The engine starts up but does not have full power. | Contaminated air filter (32) | Clean the air filter (32) |
| The engine runs erratically | Wrong spark plug electrode gap | Clean the spark plug and adjust the electrode gap or fit a new spark plug |
| Sooty or damp spark plug | Incorrect carburetor setting | Have the carburetor adjusted and, if necessary, clean the spark plug or replace it with a new one |
![]() |
Declaration of Conformity
hereby declares the following conformity under the EU Directive and standards for the following article
Marke / Brand:scheppach
Article name:
Art. no.:CHAINSAW FOR FOREST SERVICE WITH PETROL ENGINE
CSP50
CSP50
CSP50
Art. no.:5910120903
PLU…. .. ..
Serien Nr. 0169-01001 – 0169-07841
| 2014/29/EU 2014/35/EU X 2014/30/EU 2004/22/EC 2014/68/EU X 2011/65/EU* | 89/686/EC_96/58/EC 90/396/EC X 2006/42/EC Annex IV x Notified Body: TÜV Rheinland Shanghai Co. Ltd. Notified Body No.: 0905 X 2000/14/EC_2005/88/EC Noise: measured LWA = 98,9 dB(A); guaranteed LWA = 113 dB(A) P = xx KW; L/Ø = cm X Annex V Annex VI Notified Body: TÜV Rheinland Shanghai Co. Ltd. Notified Body No.: X 2016/1628/EC Emission. No: e24*2016/1628*2018/989SHA1/P*0378*00 |
Standard references: ISO 11681-1:2011; EN ISO 14982:2009
This declaration of conformity is issued under the sole responsibility of the manufacturer.
The object of the declaration described above fulfills the regulations of the directive 2011/65/EU of the European Parliament and Council from 8th June 2011, on the restriction of the use of certain hazardous substances in electrical and electronic equipment.
Ichenhausen, den 04.10.2021
Head of Product Management
First CE: 2020
Subject to change without notice
Documents registar: Stefan Hartinger
Günzburger Str. 69, D-89335 Ichenhausen
www.scheppach.com




































