Art. Nr. 1901501901/1901501903
Ausgabe Nr. 1901501850
Band Saw
Instruction Manual
1901501901 Band Saw
BASA1
Only for EU countries.
Do not dispose of electric tools together with household waste material!
In observance of European directive 2012/19/EU on waste electrical and electronic equipment and its implementation in accordance with national law, electric tools that have reached the end of their life must be collected separately and returned to an environmentally compatible recycling facility.
![]() | ![]() |
![]() | ![]() |
![]() | ![]() |
![]() | ![]() |
Manufacturer
Scheppach
Fabrikation von Holzbearbeitungsmaschinen GmbH
Günzburger Straße 69
D-89335 Ichenhausen
Dear customer,
We wish you much pleasure and success with your new scheppach machine.
Note
In accordance with valid product liability laws, the manufacturer of this device shall not be responsible for damage to and from this device that results from:
- Improper care.
- Noncompliance with the Operating Instructions.
- Repairs made by unauthorized persons.
- The installation and use of any parts which are not original scheppach replacement parts.
- Improper use and application.
- Failure of the electrical system as a result of noncompliance with the legal and applicable electrical directives and VDE regulations 0100, DIN 57113 / VDE 0113.
We recommend
that you read through the entire operating instructions before putting it into operation. ”
These operating instructions are to assist you in getting to know your machine and utilizing its proper applications. The operating instructions contain important notes on how you work with the machine safely, expertly, and economically, and how you can avoid hazards, save repair costs, reduce downtime and increase the reliability and service life of the machine.
In addition to the safety requirements contained in these operating instructions, you must be careful to observe your country’s applicable regulations.
The operating instructions must always be near the machine. Put them in a plastic folder to protect them from dirt and humidity. They must be read by every operator before beginning work and observed conscientiously. Only persons who have been trained in the use of the machine and have been informed of the various dangers may work with the machine. The required minimum age must be observed.
In addition to the safety requirements contained in these operating instructions and your country’s applicable regulations, you should observe the generally recognized technical rules concerning the operation of woodworking machines.
General notes
- After unpacking, check all parts for any transport damage. Inform the supplier immediately of any faults.
- Later complaints cannot be considered.
- Make sure the delivery is complete.
- Before putting it into operation, familiarize yourself with the machine by carefully reading these instructions.
- Use only original scheppach accessories, wearing, or replacement parts. You can find replacement parts at your scheppach dealer.
- When ordering, include our item number and the type and year of construction of the machine.
Scope of delivery | |
| Band saw | |
| Sawing table | |
| Longitudinal stop | |
| Operating instructions | |
| Guiding profile with scale | |
| Adapter for Suction | |
| Push stick | |
| Accessory bag | |
| Hexagonal spanner SW 10 | |
| Hexagon socket head wrench SW3/SW6 | |
Technical data | |
| Passage width mm | 196 |
| Passage height mm | 100 |
| Table size mm | 310 x 320 |
| Cutting speed m/ min. | 880 |
| Saw band length mm | 1490 |
| Saw band width mm | 3,5/12 |
| Height up to tabletop mm | 315 |
| H x W x D mm | 720 x 475 x 440 |
| Slewing range of the table° | 0-45 |
| Overall weight kg | 25 |
| Suction connection ø mm | 100/35 |
| Band wheel ø mm | 205 |
Motor | |
| Electro motor | 230–240V/50 Hz |
| Nominal consumption P1 kW | 0.30 |
| Delivery of power P2 kW | 0.18 |
| Operating mode | S1 |
| Revolutions 1/min | 1,355 |
| Motor protection | no |
| Under voltage release | yes |
| Switch | Schuko |
Subject to technical modifications!
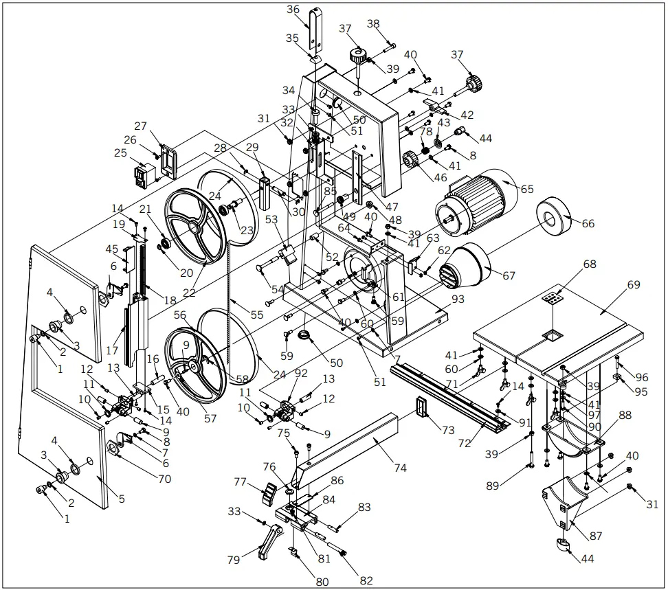
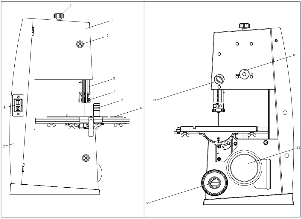
Legend Fig. 1
- Case door
- Door lock
- Saw blade safety device
- Saw blade guidance
- Longitudinal limit stop
- Tabletop
- Frame
- On/Off switch
- Handle for saw blade tensioning
- Adjustment handle for upper blade wheel
- Motor
- Suction connector
- Adjustment handle for saw blade safety device
Noise parameters according to EN 3744.
Sound level in dB
according to EN 61029-1, En 61029-2-5; 13.2
Operation LWA = 87.0 dB(A)
Sound level at the workplace in dB
Operation LpAeq = 77.0 dB(A)
A measurement uncertainty allowance K = 3 dB applies to the mentioned emission values.
In these operating instructions, we have marked the places that have to do with your safety with this sign.
Safety notes
- Please pass on safety notes and instructions to all those who work on this machine.
- Personnel entrusted with work on the machine must have read the operating instructions and in particular the chapter on safety before beginning work. Reading the instructions after work has begun, is too late. This applies especially to persons working only occasionally on the machine, e.g. during setting up or maintenance.
- Observe all safety instructions and warnings attached to the machine.
- See to it that all safety instructions and warnings attached to the machine are complete and perfectly legible.
- Check all power supply lines. Do not use defective lines.
- Make sure that the machine stands stable on firm ground.
- Ensure sufficient lighting in the work area and the area around the machine.
- Caution when working: There is a danger to fingers and hands from the rotating tool.
- During the operation of the machine, all safety devices and covers must be mounted, and the door protecting the saw blade must be closed.
- Keep away other persons, in particular children, from your working area and the machine connected to the mains as well as from the supply lines.
- Make sure that children cannot access the machine while it is not in use.
- Do not overload the device and use it only within the performance range according to the technical specifications contained in the operating instructions.
- If you work with the machine outside, make sure it is in an upright position, and wear shoes with an anti-slip sole.
- Do not use the cable for other purposes than it is intended for. Protect it from heat, oil, and sharp edges.
- Only use well-sharpened saw blades to make your work more effective and safe.
- Make sure the handles are dry, clean, and free from oil and grease.
- Make sure that wrenches and adjustment tools have been removed before you turn the machine on.
- If you use the machine outside, only use approved extension cables that are identified accordingly.
- Keep away other persons, in particular children, from your working area and the machine connected to the mains as well as from the supply lines.
- Be careful and always pay attention to what you are doing. Perform your work sensibly. Do not use the device when you cannot concentrate.
- When working on the machine, all safety mechanisms and covers must be mounted.
- Keep children away from the machine when it is connected to the power supply.
- Always keep the operator’s place clean, and remove chips and waste wood. Disorders in the working area may result in accidents.
- Protect the device from rain and humidity.
- Do not use the machine in humid or wet environments.
- Store the machine in a safe place to ensure that persons may not injure themselves at the standing machine or may put the machine into operation. Please make sure that the machine is not standing outside without any protection or is in a humid environment.
- Only use the machine according to the intended use.
- Do not use the device if there is a risk of fire or explosion.
- Make sure your body does not come into contact with grounded parts (e.g. tubes, radiators, electric kitchen ranges, cooling devices) while you work with the device.
- Operating personnel must be at least 18 years of age. Trainees must be at least 16 years of age, but may only operate the machine under adult supervision.
- Persons working on the machine may be not diverted from their work.
- The working space on the machine must be free of chips and wood scrap.
- Wear only close-fitting clothes. Remove rings, bracelets, and other jewelry.
- Wear ear protection, safety glasses, as well as a dust protection mask while you are working with the machine.
- Always wear safety goggles when working.
- Wear a cap or hair net to protect your long hair.
- Do not wear work gloves while you use the saw, except for rough materials.
- Do not wear work gloves when working on the saw.
- Observe the correct rotational speed setting on the machine.
- The safety mechanism on the machine may not be removed or rendered unusable.
- Cleaning, changing, calibrating, and setting the machine may only be carried out when the motor is switched off. Pull the power supply plug and wait for the rotating tool to completely stop.
- Connection and repair work on the electrical installation may be carried out by a qualified electrician only.
- All protection and safety devices must be replaced after completing repair and maintenance procedures.
- Switch the machine off and pull the power supply plug when rectifying any malfunctions.
- Use a suction unit to suck up wood shavings and sawdust. The current speed at the suction connection piece should be 20 m/s.
- Check the saw band guide and the saw band tension before starting up.
- Do not use nicked saw bands or those that have an altered form.
- Replace table inserts that have worn saw slots.
- If you perform straight cuts against the parallel limit stop you must use a sliding stick.
- The sliding stick must always be used if the distance between the parallel limit stop and the saw blade is less than 120 mm.
- If you do not use the sliding stick it must be stored at the rear of the machine.
- Defective or nonoperative sliding sticks must be replaced.
- If you saw round wood you must use appropriate support to prevent the workpiece from turning.
- When sawing round wood, make sure that the workpiece does not turn.
- For sawing heavy or cumbersome pieces, use the appropriate working aids for bracing. (Special accessory roller stands).
- Try to support the workpieces and always use the appropriate saw blade to reduce the noise.
- Place the upper saw band guide as closely as possible to the workpiece.
- Once the height has been adjusted the adjusting device must be locked again.
- On slanted table plates, attach the longitudinal stop on the lower table plate half.
- Do not brake the saw band with side pressure after switching it off.
- Remove workpieces that have become stuck only with the motor switched off and with the saw band at a standstill.
- Cut off the external power supply of the machine even if only minor changes of place are envisaged. Properly reconnect the machine to the supply mains before recommissioning.
- When leaving the workplace, switch the motor off. Pull the power supply plug.
- Always disconnect the mains plug when the machine is not used.
- Check the machine prior to each operation for functional safety devices, and functional switches. Do not use the machine if the safety devices, the switch, the electrical supply lines, the plug, or other parts are damaged.
- Caution: Always place the upper saw blade guidance in the lowest position and lock it before you transport the machine. The door must always be closed and locked.
Warning! This electric tool generates an electromagnetic field during operation. This field can impair active or passive medical implants under certain conditions. In order to prevent the risk of serious or deadly injuries, we recommend that persons with medical implants consult with their physician and the manufacturer of the medical implant prior to operating the electric tool.
CE-tested machines meet all valid EC machine guidelines as well as all relevant guidelines for each machine.
- All protective and safety devices must be mounted on the machine before beginning work.
- The machine is designed to be operated by one person. The operator is responsible for all other persons in the working area.
- Observe all safety instructions and warnings attached to the machine.
- See to it that safety instructions and warnings attached to the machine are always complete and perfectly legible.
- The bandsaw with the supplied tools and accessories is designed exclusively for sawing wood, a material similar to wood, and non-ferrous metals and steel.
- The maximum dimension of the workpieces to be processed may not exceed the standard design of the table size.
- For larger workpiece dimensions that require tipping of the tabletop, the table extension or the dolly (special accessories) must be used.
- The band saw can also be used for sawing metal when it is equipped with a special saw band dolly (special accessory) and operated at an adapted cutting speed. Metal allows with more than 80 % magnesium may not be processed due to the danger of fires.
- With special saw blades (special accessories) the ribbon saw can also be used to saw non-ferrous metal and plastics. Material alloys containing more than 80% magnesium must not be processed due to the risk of fire. Use only the saw blades offered by the manufacturer.
- When used in enclosed rooms, the machine must be connected to a vacuum exhaust unit. Use the dust extractor to remove matchwood or sawdust. The vacuum support flow rate must be 20 m/s. Subatmospheric pressure 860 Pa.
- The vacuum exhaust unit automatically switches on after a 2-3 second delay after the machine tool is turned on. This avoids overloading the circuit fuse.
- After turning off the machine tool, the vacuum exhaust unit remains on for an additional 2-3 seconds and is then automatically switched off. The remaining dust is thereby removed by vacuum exhaust, as required by German regulations governing hazardous materials. This results in savings in electricity consumption and reduces noise levels, as the vacuum exhaust unit is on only during machine tool operation.
- A suction device that conforms with commercial regulations must be used for suction in commercial areas.
- Do not switch off or remove suction units or dust extractors while the work machine is in operation.
- The machine must only be used in technically perfect condition in accordance with its designated use and the instructions set out in the operating manual, and only by safety-conscious persons who are fully aware of the risks involved in operating the machine. Any functional disorders, especially those affecting the safety of the machine, should therefore be rectified immediately.
- The safety, work, and maintenance instructions of the manufacturer as well as the technical data given in the calibrations and dimensions must be adhered to.
- Relevant accident prevention regulations and other, generally recognized safety-technical rules must also be adhered to.
- The machine may only be used, maintained, and operated by persons familiar with it and instructed in its operation and procedures. Arbitrary alterations to the machine release the manufacturer from all responsibility for any resulting damages.
- The machine may only be used with original accessories and original tools made by the manufacturer.
- Any other use exceeds authorization. The manufacturer is not responsible for any damages resulting from unauthorized use; risk is the sole responsibility of the operator.
- Caution: The use of other tools or accessories than the ones specified in the operating instructions may present a risk of injury for you.
Remaining hazards
The machine has been built using modern technology in accordance with recognized safety rules. Some remaining hazards, however, may still exist.
- Risk of injury for fingers and hands by the rotating saw band due to improper handling of the workpiece.
- Risk of injury through the hurling workpiece due to improper handling, such as working without the push stick.
- Risk of damaging your health due to wood dust and wood chips. Wear personal protective cloth such as goggles. Use a fitting dust extractor.
- Risk of injury due to defective saw band. Regularly check the saw band for such defects.
- Risk of injury for fingers and hands while changing saw band. Wear proper gloves.
- Risk of injury due to starting the saw band while switching on the machine.
- The use of incorrect or damaged main cables can lead to injuries caused by electricity.
- Wear only close-fitting clothes. Remove rings, bracelets, and other jewelry.
- For the safety of long hair, wear a cap or hair net.
- Even when all safety measures are taken, some remaining hazards which are not yet evident may still be present.
- Remaining hazards can be minimized by following the instructions in „Safety Precautions“, „Proper Use“ and in the entire operating manual.
Set-up, Fig. 9
Prepare the workplace where the machine is to be placed. Ensure sufficient room to allow safe work without malfunctions. The machine is designed to operate in closed rooms and must be placed stably on the firm-level ground. Stability is ensured by attachment to the ground with 4 screws.
Transport
The machine may only be lifted and transported at the identified points (see Figure 11). Never lift the machine at the safety devices, the adjusting levers, or the sawing table. During transport, the saw blade protection must be in the lowest position and near the table.
Never raise at the table!
Unplug the machine from the mains during transport.
Machine description
Due to its perfect design, the machine offers a versatile application for processing wood and plastics in the workshop.
The upper and lower band wheel is protected by a fixed guard and an articulated cover. The non-cutting part of the saw belt above the table top is covered by a guard fixed to the saw belt guide, the latter being protected against inadvertent opening by the fixed guard of the upper band wheel. The non-cutting part of the saw belt under the table top is protected by a fixed cover. The swiveling range of the table from 0° to +45° allows versatile cutting possibilities (e.g.)
- Longitudinal cuts
- Crosscuts
- Diagonal cuts
- Curved and irregular cuts
- Cuts for dovetails and tenons
- On-edge cuts of squared beams
Please consult also the working hints in the operating instructions.
Assembly
Assembly tools
1 engineer’s wrench SW 10
1 hexagonal head spanner SW 3
1 hexagonal head spanner SW 6
The tabletop and the mounting angles are not mounted for reasons of packaging technology.
Installation of the tabletop, Fig. 1
- Open the case cover, and set the slewing segments to 30°.
- Loosely screw the tabletop.
4 hexagon head cap screws M 6 x 12
4 serrated lock washers A 6,4
Fig. 1.1
Screw in the setting screw approx. 29 mm on the bottom side of the table and fix it by hand.
Fig. 2 Adjusting the tabletop
Swivel the tabletop to the 0° position and tighten the thumbscrew (A).
Align the tabletop parallel to the saw blade, and tighten with 4 hexagonal screws at the swivel segment.
Loosen thumbscrew (A), align the table at the right angle to the saw band adjust it with the setting screw (L), and fix it with the nut.
– Use stop angle –
Set the scale pointer to 0 if necessary.
Fig. 2.1 Adjustment in the center of the table insert
Loosen the 3 hexagon nuts (X) by approximately 2 turns, and move the support with the table until the saw blade is in the center of the table insert. Then, tighten the hexagon nuts again.
Assembly of the longitudinal limit stop, fig. 3
- Screw in 4 thumbscrews M6x12 each with one washer and a spring washer to a length of approx. 5 mm into the tabletop.
- Insert the guide tube until it stops at the table.
- Fasten the guide tube with a screw M 6 x 20, a washer, and a cup washer to the table (fig. 3.1).
- Tighten the screw so far that the guide tub can be moved free of clearance; fix it next with the hexagonal nut.
- Tighten then the 4 thumb nuts.
Fig. 4
Place now the longitudinal limit stop onto the guide tube on the right of the saw band and clamp it. The guide tube must now be parallel to the table groove, a correction can be performed by loosening both the cheese head screws and removing the protecting cap to do this.
The setting of the longitudinal limit stops fig. 5
Set the longitudinal limit stop onto the stopped pipe on the left side of the saw blade, measure now 50 mm from the saw blade to the top tube. The scale line on the magnifying glass should now stand at 50 mm.
Readjust the scale if necessary.
Loosen thereby the Phillips Head Screw (K) of the scale and set it to dimension 50, retighten the Phillips Head Screw.
– Close the protective cover –
Commissioning
Before putting the machine into operation, carefully observe the safety instructions.
When working with the machine, all protective devices and guards must be fitted.
Saw band replacement, figure 6
Open the protective cover with hexagonal head spanner SW 6, the release saw a band with twist handle (B), and take it off. Put on a new saw band and tighten it slightly. Turn the band wheel manually in the cutting direction and carry out at the same time the final tensioning of the saw band. The tensioning is dependent on the saw bandwidth. Broad saw bands are to be tensioned stronger than the small ones. Too high a tension causes the untimely break of the saw band.
Side correction, figure 7
- The saw band must run centrally on the band wheels.
- Turn the upper band wheel manually in the cutting direction and perform the side correction via the handle (C), loosen thereby the thumbnut (D).
- Tighten the thumbnut (D) after the setting is effected.
Caution! Close the protective cover again with the hexagonal head screw.
Fig. 7
Open thereby the lock nut (F), set the distance with the twist handle (E), and fix it again.
Counter-pressure bearings, Fig. 8
Counter-pressure bearings (G) absorb the workpiece feed pressure. Set the upper and lower counter-pressure bearing such that it slightly touches the back of the saw blade.
Guide rollers, Fig. 8
Adjust the upper and lower feed rollers (H) to the corresponding saw blade width. The front edges of the guide rollers must not reach further than the tooth base of the saw blade. When the guide rollers slightly touch the sawblade, counter the roller seat with the knurled screw. The sawblade must not jam!
Assembly of the mounting angle Fig. 9
Screw on mounting angle with hexagonal nut M6x12, washer A6 and a hexagonal nut M6. It is advisable to fasten the machine on a workbench or a tabletop to exclude the tipping-over of the bandsaw.
Suction connector
The suction connector is not positioned correctly for transport reasons and must be turned until the fastening screws are in a horizontal position.
An adapter is attached for industry vacuum cleaners; this adapter is pressed into the suction connector.
Working information
The following recommendations are examples of the safe use of band saws.
The following safe working methods should be seen as an aid to safety. They cannot be applied suitably completely or comprehensively to every use. They cannot treat every possible dangerous condition and must be interpreted carefully.
- Connect the machine to a suction unit when working in closed rooms. A suction device that conforms with commercial regulations must be used for suction in commercial areas.
- Loosen the saw band when the machine is not in operation (e.g. after finishing work). Attach a notice on the tension of the saw band to the machine for the next user.
- Collect unused saw bands and store them safely in a dry place. Check for faults (teeth, cracks) before use. Do not use faulty saw bands!
- Wear suitable gloves when handling saw bands.
- All protective and safety devices must be securely mounted on the machine before beginning work.
- Never clean the saw band or the saw band guide with a hand-held brush or scraper while the saw band is running. Resin-covered saw bands impair working safety and must be cleaned regularly.
- For your own protection, wear protective glasses and hearing protection. Wear a hairnet if you have long hair. Roll up loose sleeves over the elbows.
- Always position the saw band guide as near the workpiece as possible when working.
- Ensure sufficient lighting in the work area and around the machine.
- Always use the fence for straight cuts to keep the workpiece from tipping or slipping away.
- When working on narrow workpieces with manual feed, use the push stick.
- For diagonal cuts, place the saw bench in the appropriate position and guide the workpiece on the fence.
- Ensure safe workpiece guidance.
- For arced and irregular cuts, push the workpiece evenly using both hands with the fingers together. Hold the workpiece with your hands in a safe area.
- Use a pattern for repeated arced or irregular cuts.
- Ensure that the workpiece does not roll when cutting round pieces.
- Use the traverse-cutting gauge special accessory for safety when making traverse cuts.
Electrical Connection
The installed electric motor is connected and is ready to work.
The connection complies with the relevant VDE and DIN regulations.
The customer-side mains supply and the used extension line must meet these regulations.
Installations, repair, and maintenance work relating to the electric installation may only be performed by specialists.
Important Notes
The electric motor has been designed for the S 1 operating mode.
In case of an overload of the motor, it turns off automatically. After a cooling period (duration varies), you can turn on the motor again.
Defective Electric Connection Lines
Often, insulation damages occur on electrical connection lines. Causes are:
- Drag marks if connection lines are led through window or door clearances.
- Kinks due to improper attachment or routing of the connection line.
- Cuts are caused by running over the connection line.
- Insulation damages are caused by pulling the connection line out of the wall socket.
- Fissures are caused by the aging of the insulation.
Such defective electric connection lines must not be used and are hazardous due to the insulation damage. Regularly check the electrical connection lines for damages. Please make sure that the connection lines are disconnected from the main supply during the check.
Electrical connection lines must comply with the relevant VDE and DIN regulations. Only use connection lines labeled with H 07 RN.
The labeling of the connection cable with the type specification is required.
AC motor Fig. 10
- The supply voltage must be 230 V / 50 Hz.
- Extension lines up to a length of 25 m must have a cross-section of 1.5 square millimeters. Extension lines with a length of more than 25 m must have a minimum cross-section of 2.5 square millimeters.
- The mains connection is protected with a delay-action fuse of 16 A.
If you have further questions, please specify the following:
- Motor manufacturer
- Kind of current of the motor
- Data from the machine-type plate
- Data from the switch-type plate
If you return the motor, always return the complete drive unit with the switch.
Maintenance
Perform resetting, measuring, and cleaning work exclusively when the motor is turned off. Disconnect the mains plug, and wait until the rotating tool stands still.
All protection and safety devices must be immediately reinstalled once the repair and maintenance work is completed.
The built-in ball bearings are maintenance-free.
Recommendations:
- Slightly re-lubricate the slewing segments of the table and the bend tensioning device.
- Regularly clean the saw band. Wood leaves resin sediments. We recommend the deresinifying concentrate Pharmol HEK, item no. 61009700 for the cleaning.
- Regularly check the guiding rollers and the counterpressure bearings. If required, readjust or disassemble them, and grease or exchange the parts.
- Exchange worn-out table inserts.
- Ensure that the tabletop is always free of resin.
Service Information
Please note that the following parts of this product are subject to normal or natural wear and that the following parts are therefore also required for use as consumables.
Wear parts*: Carbon brushes, saw blade, table inlays; belt
* Not necessarily included in the scope of delivery!
Troubleshooting
| Problem | Possible Cause | Help |
| Saw blade gets loose after turning off the motor | Fastening nut tightened insufficiently | Tighten fastening nut, M20 left-handed thread |
| The motor does not start | a) Fastening nut tightened insufficiently b) Extension cable defect c) Connections on the motor or switch defect | a) Check the main fuse. b) See “Electrical Connection” in the operating manual c) Have it checked by an electrician |
| No motor output turns off automatically | Overload by the dull saw blade, Thermo protection is triggered | Insert a sharpened saw blade; the motor can be turned on again after the cooling period |
| Burns on the cutting surface c) with longitudinal cuts d) with cross cuts | a) Fastening nut tightened insufficiently b) Wrong saw blade c) Longitudinal stop not parallel d) Slide carriage not parallel | a) Insert a sharpened saw blade b) Insert saw blade with 20 or 28 teeth for longitudinal cuts c) Exchange the longitudinal stop Align the slide carriage with the saw blade |

![]()
hereby declares the following conformity under the EU Directive and standards for the following article
BASA1
| 2009/105/EC X 2014/35/EU 2006/28/EC 2005/32/EC X 2014/30/EU 2004/22/EC 1999/5/EC 2012/19/EU 90/396/EC X 2011/65/EU | 89/686/EC_96/58/EC X 2006/42/EC X Annex IV Notified Body:TÜV Rheinland LGA Products Notified Body No.: 0197 Reg. No.: BM 50349273 0001 2000/14/EC_2005/88/EC Annex V Annex VI Noise: measured LWA = xx dB(A); guaranteed LWA= xx dB(A) Notified Body: Notified Body No.: 2004/26/EC Emission. No: |
Standard references: DIN EN ISO 12100, DIN EN ISO13857, DIN EN349, DIN EN847-1, DIN EN13849-1, DIN EN55014, DIN EN61029-1, DIN EN61029-2-5
Ichenhausen, den 22.06.2016
Art.-No. 1901501901 / 1901501903
Subject to change without notice
Documents register: Stefan Hartinger
Günzburger Str. 69, D-89335 Ichenhausen
Warranty
Apparent defects must be notified within 8 days from the receipt of the goods. Otherwise, the buyerís rights of claim due to such defects are invalidated. We guarantee our machines in case of proper treatment for the time of the statutory warranty period from delivery in such a way that we replace any machine part free of charge which provably becomes unusable due to faulty material or defects of fabrication within such period of time. With respect to parts not manufactured by us, we only warrant insofar as we are entitled to warranty claims against the upstream suppliers. The costs for the installation of the new parts shall be borne by the buyer. The cancellation of the sale or the reduction of the purchase price as well as any other claims for damages shall be excluded.
D-89335 Ichenhausen
www.scheppach.com
[email protected]
+(49)-08223-4002-99
+(49)-08223-4002-58

























