scheppach MT150 355mm Metal Cutter Saw

Explanation of the symbols on the device
![]() | Warning! Disregard results in a risk of death or injury, or damage to the tool! |
![]() | Read the operating and safety instructions before start-up and follow them! |
![]() | Wear eye protection! |
![]() | Wear hearing protection! |
![]() | If dust builds up, wear respiratory protection! |
![]() | Wear protective gloves while working with the device! |
![]() | Do not use the cutting wheel on portable grinding machines. |
![]() | Do not use damaged cutting wheels. Check the cutting wheels for chipping and cracks before each use. |
![]() | Do not use the cutting wheel for grinding work. |
![]() | Protection class II (double insulation) |
Introduction
Manufacturer:
scheppach
Fabrikation von Holzbearbeitungsmaschinen GmbH
Günzburger Straße 69
D-89335 Ichenhausen
Dear customer,
We hope your new tool brings you much enjoyment and success.
Note:
In accordance with the applicable product liability laws, the manufacturer of this device assumes no liability for damage to the device or caused by the device arising from:
- Improper handling,
- Failure to comply with the operating instructions.
- Repairs carried out by third parties, unauthorised specialists.
- Installing and replacing non-original spare parts,
- Application other than specified,
- Failure of the electrical system in the event of the electrical regulations and VDE provisions 0100, DIN13 / VDE0113 not being observed.
Please consider:
Read through the complete text in the operating manual before installing and commissioning the device.
This operating manual should help you familiarise yourself with your power tool and teach you how to use it for its intended purpose.
The operating manual include important instructions for the safe, proper and economic operation of the power tool, for avoiding danger, for minimising repair costs and downtimes and for increasing the reliability and extending the service life of the power tool. In addition to the safety instructions in this operating manual, you must also observe the regulations applicable to the operation of the power tool in your country.
Keep the operating manual package with the power tool at all times and store it in a plastic cover to protect it from dirt and moisture. They must be read and carefully observed by all operating personnel before starting the work. The power tool may only be used by personnel who have been trained to use it and who have been instructed with respect to the associated hazards. The required minimum age must be observed.
In addition to the safety instructions in this operating manual and the separate regulations of your country, the generally recognised technical rules relating to the operation of such machines must also be observed.
We accept no liability for accidents or damage that occur due to a failure to observe this manual and the safety instructions.
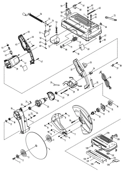
Device description (Fig. 1)

- Protection, fixed
- Protection, adjustable
- Locking bolts
- Cutting wheel
- Mobile clamping jaw
- Quick clamp lever
- Clamping grip
- Ring spanner
- Stop, adjustable
- Chain
- Transport protection
- Machine head
- Switch locking knob
- On/off switch
- Handle
Scope of delivery
- Open the packaging and carefully remove the device.
- Remove the packaging material, as well as the packaging and transport safety devices (if present).
- Check whether the scope of delivery is complete.
- Check the device and accessory parts for transport damage.
- If possible, keep the packaging until the expiry of the warranty period.
ATTENTION
The device and the packaging are not children‘s toys! Do not let children play with plastic bags, films or small parts! There is a danger of choking or suffocating!
- Original Operating Manual
- Metal cutter
- Ring spanner
Proper use
The metal cutter is used to cut metals according to the machine size.
The machine may only be used in the intended manner.
Any use beyond this is improper. The user/operator, not the manufacturer, is responsible for damages or injuries of any type resulting from this.
Only cutting wheels that are suitable for the machine may be used. The use of HSS, HM, CV, etc. saw blades of all types is prohibited.
An element of the intended use is also the observance of the safety instructions, as well as the assembly instructions and operating information in the operating manual.
Persons who operate and maintain the machine must be familiar with the manual and must be informed about potential dangers.
In addition, the applicable accident prevention regulations must be strictly observed.
Other general occupational health and safety-related rules and regulations must be observed.
The liability of the manufacturer and resulting damages are excluded in the event of modifications of the machine.
Despite use as intended, specific risk factors cannot be entirely eliminated. Due to the design and layout of the machine, the following risks remain
- Contact with the cutting wheel in the non-covered cutting area.
- Reaching into the running cutting wheel (cutting injury).
- Kick-back of workpieces and workpiece parts.
- Cutting wheel breakage.
- Ejection of damaged or faulty cutting wheels.
- Hearing damage when the necessary hearing protection is not used.
Please observe that our equipment was not designed with the intention of use for commercial or industrial purposes. We assume no guarantee if the equipment is used in commercial or industrial applications, or for equivalent work
Safety information
General power tool safety warnings
⚠ WARNING: Read all safety warnings, instructions, illustrations and specifications provided with this electric tool.
Failure to follow all instructions listed below may result in electric shock, fire and/or serious injury.
Save all warnings and instructions for future reference.
The term “power tool” in the warnings refers to your mains-operated (corded) power tool or battery-operated (cordless) power tool.
Work area safety
a) Keep work area clean and well lit. Cluttered or dark areas invite accidents.
b) Do not operate power tools in explosive atmospheres, such as in the presence of flammable liquids, gases or dust. Power tools create sparks which may ignite the dust or fumes.
c) Keep children and bystanders away while operating a power tool. Distractions can cause you to lose control.
Electrical safety
a) Power tool plugs must match the outlet.
Never modify the plug in any way. Do not use any adapter plugs with earthed (grounded) power tools. Unmodified plugs and matching outlets will reduce risk of electric shock.
b) Avoid body contact with earthed or grounded surfaces, such as pipes, radiators, ranges and refrigerators. There is an increased risk of electric shock if your body is earthed or grounded.
c) Do not expose power tools to rain or wet conditions.
Water entering a power tool will increase the risk of electric shock.
d) Do not abuse the cord. Never use the cord for carrying, pulling or unplugging the power tool.
Keep cord away from heat, oil, sharp edges or moving parts. Damaged or entangled cords increase the risk of electric shock.
e) When operating a power tool outdoors, use an extension cord suitable for outdoor use. Use of a cord suitable for outdoor use reduces the risk of electric shock.
f) If operating a power tool in a damp location is unavoidable, use a residual current device (RCD) protected supply. Use of an RCD reduces the risk of electric shock.
Personal safety
a) Stay alert, watch what you are doing and use common sense when operating a power tool.
Do not use a power tool while you are tired or under the influence of drugs, alcohol or medication. A moment of inattention while operating power tools may result in serious personal injury.
b) Use personal protective equipment. Always wear eye protection. Protective equipment such as a dust mask, non-skid safety shoes, hard hat or hearing protection used for appropriate conditions will reduce personal injuries.
c) Prevent unintentional starting. Ensure the switch is in the off-position before connecting to power source and/or battery pack, picking up or carrying the tool. Carrying power tools with your finger on the switch or energising power tools that have the switch on invites accidents.
d) Remove any adjusting key or wrench before turning the power tool on. A wrench or a key left attached to a rotating part of the power tool may result in personal injury.
e) Do not overreach. Keep proper footing and balance at all times. This enables better control of the power tool in unexpected situations.
f) Dress properly. Do not wear loose clothing or jewellery. Keep your hair and clothing awayfrom moving parts. Loose clothes, jewellery or long hair can be caught in moving parts.
g) If devices are provided for the connection of dust extraction and collection facilities, ensure these are connected and properly used.
Use of dust collection can reduce dust-related hazards.
h) Do not let familiarity gained from frequent use of tools allow you to become complacent and ignore tool safety principles. A careless action can cause severe injury within a fraction of a second.
Power tool use and care
a) Do not force the power tool. Use the correct power tool for your application. The correct power tool will do the job better and safer at the rate for which it was designed.
b) Do not use the power tool if the switch does not turn it on and off. Any power tool that cannot be controlled with the switch is dangerous and must be repaired.
c) Disconnect the plug from the power source and/or remove the battery pack, if detachable, from the power tool before making any adjustments, changing accessories, or storing power tools. Such preventive safety measures reduce the risk of starting the power tool accidentally.
d) Store idle power tools out of the reach of children and do not allow persons unfamiliar with the power tool or these instructions to operate the power tool. Power tools are dangerous in the hands of untrained users.
e) Maintain power tools and accessories. Check for misalignment or binding of moving parts, breakage of parts and any other condition that may affect the power tool’s operation. If damaged, have the power tool repaired before use.
Many accidents are caused by poorly maintained power tools.
f) Keep cutting tools sharp and clean. Properly maintained cutting tools with sharp cutting edges are less likely to bind and are easier to control.
g) Use the power tool, accessories and tool bits etc. in accordance with these instructions, taking into account the working conditions and the work to be performed. Use of the power tool for operations different from those intended could result in a hazardous situation.
h) Keep handles and grasping surfaces dry, clean and free from oil and grease. Slippery handles and grasping surfaces do not allow for safe handling and control of the tool in unexpected situations.
Service
a) Have your power tool serviced by a qualified repair person using only identical replacement parts. This will ensure that the safety of the power tool is maintained.
ADDITIONAL SAFETY INSTRUCTIONS FOR ABRASIVE CUTTING APPLICATIONS
SAFETY INSTRUCTIONS FOR ABRASIVE CUTTING MACHINES
a) The protective cover belonging to the electric tool must be securely attached and adjusted so that the highest degree of safety is achieved, i.e. the smallest possible part of the grinding wheel is revealed to the operator. Keep yourself and people nearby out of range of the rotating grinding disc. The protective hood is intended to protect the operator from fragments and accidental contact with the grinding wheel.
b) Only use attached, reinforced or diamond-tipped cutting wheels for your electric tool. Just because the accessory can be attached to your power tool, it does not assure safe operation.
c) The rated speed of the accessory must be at least equal to the maximum speed marked on the power tool. Accessories that rotate faster than permitted can break and fly off at high speed.
d) Grinding bodies may only be used for the recommended applications. For example: Never grind on the side surfaces of a cutting wheel. Cutting wheels are designed to remove material with the edge of the disc. Lateral forces on this grinding body can break it.
e) Always use undamaged clamping flanges of the correct size and shape for the grinding disc selected by you. Suitable flanges support the grinding disc and reduce the danger of the grinding disc breaking.
f) Do not use worn grinding discs from large electric tools. Grinding discs for larger electrics tools are not designed for the higher speeds of smaller electric tools and can break.
g) The outside diameter and the thickness of your accessory must be within the capacity rating of your power tool. Incorrectly sized accessories cannot be adequately guarded or controlled.
h) Grinding discs and flanges must fit exactly on your electrical tool’s grinding spindle. Insertion tools that do not fit exactly on your electrical tool’s grinding spindle rotate unevenly, vibrate very strongly and can cause a loss of control.
i) Do not use damaged grinding discs. Check the grinding discs for chipping and cracks before each use. If the electric tool or grinding disc falls, check whether it is damaged, or use an undamaged grinding disc. Once you have checked and used the grinding disc, ensure that you and all other persons in the vicinity remain outside the plane of the rotating grinding disc and allow the device to run for one minute at the maximum speed. Damaged grinding discs usually break during this test period.
j) Wear personal protective equipment. Depending on application, use face shield, safety goggles or safety glasses. Where appropriate, wear a dust mask, hearing protection, protective gloves or a special apron that will keep small grinding and material particles away from you. The eye protection must be capable of stopping flying debris generated by various operations. Dust or breathing masks must filter the dust generated during use. Prolonged exposure to high intensity noise may cause hearing loss.
k) Keep bystanders a safe distance away from work area. Anyone entering the work area must wear personal protective equipment.
Fragments of workpiece or of a broken accessory may fly away and cause injury beyond immediate area of operation.
l) Hold power tool by insulated gripping surfaces only, when performing an operation wherethe cutting accessory may contact hidden wiring or its own cord. Contact with a live power line can also electrify metal device parts and lead to an electric shock.
m) Position the cord clear of the spinning accessory. If you lose control, the cord may be cut or snagged and your hand or arm may be pulled into the spinning accessory.
n) Never lay the power tool down until the accessory has come to a complete stop. The spinning accessory may grab the surface and pull the power tool out of your control.
o) Do not run the power tool while carrying it at your side. Accidental contact with the spinningaccessory could snag your clothing, pulling the accessory into your body.
p) Regularly clean the power tool’s air vents. The motor’s fan will draw the dust inside the housing and excessive accumulation of powdered metal may cause electrical hazards.
q) Do not use the electric tool in the vicinity of combustible materials. Sparks could ignite these materials.
r) Do not use accessories that require liquid coolants. Using water or other liquid coolants may result in electrocution or shock.
FURTHER SAFETY INSTRUCTIONS FOR ABRASIVE CUTTING APPLICATIONS
Kick-back and corresponding safety instructions
Kick-back is the sudden reaction due to a caught or blocked rotating grinding disc. Getting caught or blocking leads to an abrupt stop of the rotating tool attachment. As a result, an uncontrolled electric tool is accelerated against the direction of rotation of the tool attachment at the blocking point.
For example, if an abrasive wheel is snagged or pinched by the workpiece, the edge of the wheel that is entering into the pinch point can dig into the surface of the material causing the wheel to climb out or kick out.
The wheel may either jump toward or away from the operator, depending on direction of the wheel’s movement at the point of pinching. Abrasive wheels may also break under these conditions.
Kickback is the result of incorrect or deficient use of the electrical tool. It can be prevented by suitable precautionary measures, as described in the following
a) Maintain a firm grip on the power tool and position your body and arm to allow you to resist kickback forces. Always use auxiliary handle, if provided, for maximum control over kickback or torque reaction during start-up. The operator can control torque reactions or kickback forces, if proper precautions are taken.
b) Never place your hand near the rotating accessory. Accessory may kickback over your hand.
c) Avoid the area in front of and behind the rotating cutting wheel. Kickback will propel the tool in direction opposite to the wheel’s movement at the point of snagging.
d) Use special care when working corners, sharp edges etc. Avoid bouncing and snagging the accessory. The rotating tool attachment tends to jam at corners, sharp edges or when it bounces back. This causes a loss of control or kick-back.
e) Never use a chain or toothed saw blade, or any segmented diamond grinding wheel with slots of a width of more than 10 mm. Such blades create frequent kickback and loss of control.
f) Avoid blocking the cutting wheel or applying too much pressure. Do not make excessively deep cuts. Overloading the cutting wheel increases its stress and susceptibility to tilting or blocking and therefore the possibility of kick-back or breaking of the grinding wheel.
g) If the cutting wheel jams or you interrupt your work, switch the device off and hold it still in the material until the disc has come to a standstill. Never try to pull the cutting wheel out of the cut while it is still running, otherwise kick-back may occur. Determine and remedy the cause of the jamming.
h) Do not switch the electric tool on again while it is in the workpiece. Allow the cutting wheel to reach its full speed first before carefully continuing the cut. Otherwise the disc can get stuck, jump out of the workpiece or cause kick-back.
i) Support plates or large workpieces to reduce the risk of kick-back caused by a jammed cutting wheel. Large workpieces tend to sag under their own weight. The workpiece must be supported on both sides of the disc, that is both close to the separating cut and at the edge.
j) Apply particular caution with “plunge cuts” in existing walls or other areas that are not visible. The plunging cutting wheel can cause kickback when cutting into gas or water pipes, electrical lines or other objects.
WARNING! This power tool generates an electromagnetic field during operation. This field can impair active or passive medical implants under certain conditions. In order to prevent the risk of serious or deadly injuries, we recommend that persons with medical implants consult with their physician and the manufacturer of the medical implant prior to operating the power tool
RESIDUAL RISKS
The machine has been built according to the state-ofthe-art and the recognised technical safety requirements. However, individual residual risks can arise during operation.
- Danger of injury for fingers and hands due to the running cutting tool with improper guiding of the workpiece.
- Risk to health due to steel chips. It is essential that personal protective equipment, such as eye protection, is worn.
- Injuries due to defective cutting wheel. Check the integrity of the cutting wheel regularly.
- Danger of injury for fingers and hands when changing the cutting wheel. Wear suitable work gloves.
- Danger of injury when the machine is switched on from the running cutting wheel.
- Hazard due to electrical power with the use of improper electrical connection cables.
- Danger to health from running cutting wheel due to long hair and loose clothing. Wear personal protective equipment such as a hair net and close-fitting work clothing.
- Furthermore, despite all precautions having been met, some non-obvious residual risks may still remain.
- Residual risks can be minimised if the “Safety instructions” and the “Proper use” are observed along with the whole of the operating instructions.
Technical data
| Dimensions L x W x H | 620 x 270 x 605 mm |
| Cutting wheel Ø | 355 x 25.4 x 3 mm |
| Idle speed | 4200 rpm |
| Weight | 12.9 kg |
| Cutting data | |
| Min. workpiece size | ø 15, 15 x 15 mm |
| Max. workpiece size | ø 115, 137 x 100 mm |
| Drive | |
| Engine | 220-240 V~ / 50 Hz |
| Rated input P1 | 2600 W |
| Protection class | II |
Noise level
The noise values have been determined in accordance with EN 62841.
| Sound pressure level LpA | 98 dB(A) |
| Uncertainty KpA | 3 dB |
| Sound power level LWA | 109 dB(A) |
| Uncertainty KWA | 3 dB |
Wear hearing protection.
Excessive noise can result in a loss of hearing. Total vibration values (vector sum of three directions) determined according to EN 62841.
- The specified noise emission values have been measured in accordance with a standardised test procedure and can be used to compare one power tool with another.
- The specified noise emission values can also be used for an initial estimation of the exposure.
- Warning:
The noise emission values can vary from the specified values during the actual use of the power tool, depending on the type and the manner in which the power tool is used, and in particular the type of workpiece being processed. - Implement measures to protect against noise nuisance. In doing so, take into account the complete working process, including the times when the power tool is working without load or switched off. Suitable measures include regular maintenance and care of the power tool and the insertion tools, regular breaks as well as proper planning of the workingprocess.
Before commissioning
- Unpack the metal cutting machine and check for any transport damage
- The machine must be securely installed.
- Prior to commissioning, all covers and safety devices must be mounted correctly.
- The cutting wheel must be able to run freely.
- Before pressing the on/off switch, make sure that the cutting wheel is correctly fitted and that moving parts run smoothly.
- Before connecting the machine, make certain that the data on the type plate matches with the mains power data.
Attachment and operation
Attention! Remove the mains plug before any maintenance, modification and assembly work.
Transport lock / carrying handle (Fig. 2)
To put the machine into the work position from the transport position, proceed as follows:
- Press the machine head (12) on the handle (15) down and hold it in this position.
- Unhook the chain (10) from the transport lock (11).
- Slowly guide the machine head (12) upwards. Attention! Due to the return spring, the machine head (12) automatically moves upwards, i.e. do not let go of the handle (15) after finishing cutting but move the machine head (12) slowly upwards with light counter-pressure.
- The machine head (12) must be locked in the lower position again after the work process.

Clamping the workpiece (Fig. 3)
Each workpiece must be fixed in a vice before working.
- Fold the quick clamp lever (6) up.
- Pull the clamping grip (7) out until the workpiece can be clamped between the clamping surfaces of the movable clamping jaw (5) and the adjustable stop (9).

Note: It is not necessary to turn the clamping grip (7) if the quick clamp lever (6) is folded up. The spindle can be pulled out or inserted continuously.
Push the clamping grip (7) forward until the clamping surfaces of the movable clamping jaw (5) and the adjustable stop (9) touch the workpiece. Fold the quick clamp lever (6) back down so that the spindle and the quick clamp lever (6) interlock.
Turn the clamping grip (7) to clamp the workpiece in the vice securely.
Mitre cuts (Fig. 3)
In order to carry out mitre cuts, it is possible to adjust the stop (7) from 0° – 45° to the left and from 0° – 30° to the right.
- Loosen the two screws (A) using the ring spanner (8).
- Adjust the adjustable stop (9) to the desired angle by turning it.
- Tighten the two screws (A) again using the ring spanner (8).
- When the workpiece is tightly clamped, the movable clamping jaw (5) automatically swivels into the required position and aligns itself with the workpiece in order to ensure that the workpiece is securely fixed.
Adjusting the stop screw (Fig. 4)
The cutting depth of the cutting wheel (4) can be adjusted using the stop screw (B).
This is necessary because the diameter of the cutting wheel (4) reduces due to wear and therefore the workpiece would no longer be completely cut through.
To do this, loosen the counternut on the stop screw (B)
with the ring spanner (8) and screw the stop screw (B) in or unscrew it as required.
Replacing the cutting wheel (see Fig. 1/5)
Remove the mains plug!
- Put the machine head (12) in the resting position.
- Fold the adjustable protection (2) up.
- Press the locking bolt (3) in and turn the cutting wheel (4) with the other hand until the locking bolt (3) engages.
- Loosen the clamping screw (C) using the ring spanner (8) provided.
- Remove the clamping screw (C), washer, outer flange and worn cutting wheel (12).
- Reinsert the new cutting wheel in reverse order and tighten it again. Attention! The parts must be cleaned carefully before installation. Attention! Observe the direction of rotation of the cutting wheel! Only use recommended, reinforced cutting wheels and only tighten the clamping screw (C) until the cutting wheel (12) can be held securely and not slip. If the clamping screw (C) is tightened too tight, the wheel can be damaged.
- Fold the adjustable protection down again.

On/off switch (Fig. 1)
- Switching on: First press the switch locking knob
(13) and then the on/off switch (14). - Switching off: Release the on/off switch (14) again.
Making the cut (Fig. 1)
Attention! Ensure that the workpiece is securely clamped.
- Switch the machine on and wait until the motor has reached its maximum speed.
- Press the machine head (12) on the handle (15) down until the cutting wheel (4) lightly touches the workpiece.
- Now make the separating cut by pressing down the machine head (12) evenly. Attention! The cutting wheel must not vibrate or bounce as this would reduce the quality of the cut or even break the cutting wheel. Also, the cutting speed must not be reduced at the end of the cutting process as this prevents the workpiece from overheating and avoids an increase in burr formation.
Note: The number of cuts per cutting wheel and their quality can vary considerably due to the cutting times. Quick cuts can lead to faster wearing of the cutting wheel but they also serve to reduce discolouration and burr formation.
Storage and transport
Store the device and its accessories out of the reach of children in a dark and dry place above freezing temperature. The optimum storage temperature lies between 5 and 30 °C. Store the electric tool in the original packaging.
Proceed particularly carefully when storing cutting wheels:
- Clean and dry well. ATTENTION: DO NOT clean synthetic resin cutting wheels with water or other liquids!
- Always store flat.
- Moisture, frost, direct sunlight, high temperatures and fluctuations in temperature must be avoided otherwise there is a risk of breakage and splinters!
- The minimum service life must be observed before reusing synthetic resin cutting wheels (embossing on the supporting ring – quarter/year). If the minimum service life is exceeded, the cutting wheel must NOT be used.
- Always check new or stored cutting wheels for damage before use and test at the specified maximum speed for at least 60 seconds before the first cutting process, while no part of the body or a person may be in the extended pivot range of the cutting wheel.
Transport (Fig. 1)
Attention! Disconnect the mains plug before transporting the machine.
To put the machine into the transport position from the working position, proceed as follows:
- Press the machine head (12) on the handle (15) down and hold it in this position.
- Hook the chain (10) into the transport lock (11).
- Transport the machine using the handle (15).
Maintenance and cleaning
Warning! Pull out the mains plug before carrying out any adjustments, maintenance or repair work!
General maintenance tasks
- Keep protective devices, air vents and the motor housing as free of dust and dirt as possible. Rub the device clean with a clean cloth or blow it off with compressed air at low pressure.
- We recommend that you clean the device directly after every use.
- Clean the device at regular intervals using a damp cloth and a little soft soap. Do not use any cleaning products or solvents; they could attack the plastic parts of the device. Make sure that no water can penetrate the device interior.
- Oil the rotating parts once monthly to extend the life of the tool. Do not oil the motor.
- Clean dust collection systems by purging with compressed air.
Carbon brushes
If excessive sparks are generated, have an electrician check the carbon brushes. Attention! The carbon brushes must only be replaced by an electrician.
Service information
With this product, it is necessary to note that the following parts are subject to natural or usage-related wear, or that the following parts are required as consumables. This could damage the plastic and metal parts of the electrical tool.
Wearing parts*: Cutting wheel, carbon brushes
* may not be included in the scope of supply!
Electrical connection
The electrical motor installed is connected and ready for operation. The connection complies with the applicable VDE and DIN provisions. The customer‘s mains connection as well as the extension cable used must also comply with these regulations.
Damaged electrical connection cable
The insulation on electrical connection cables is often damaged.
This may have the following causes:
- Pressure points, where connection cables are passed through windows or doors.
- Kinks where the connection cable has been improperly fastened or routed.
- Places where the connection cables have been cut due to being driven over.
- Insulation damage due to being ripped out of the wall outlet.
- Cracks due to the insulation ageing.
Such damaged electrical connection cables must not be used and are life-threatening due to the insulation damage.
Check the electrical connection cables for damage regularly. Ensure that the connection cables are disconnected from electrical power when checking for damage. Electrical connection cables must comply with the applicable VDE and DIN provisions. Only use connection cables with designation H05VV-F.
If the mains connection cable of this device is damaged, it must be replaced by the manufacturer, their service department or a similarly qualified person to avoid dangers.
The printing of the type designation on the connection cable is mandatory
AC motor
- The mains voltage must be 220 – 240 V~.
- Extension cables up to 25 m long must have a cross-section of 1.5 square millimetres.
Connections and repair work on the electrical equipment may only be carried out by electricians.
Please provide the following information in the event of any enquiries:
- Type of current for the motor
- Data of machine type plate
- Motor data – type plate
Disposal and recycling
The device is supplied in packaging to avoid transport damages. This packaging is raw material and can thus be used again or can be reintegrated into the raw material cycle.
The device and its accessories are made of different materials, such as metals and plastics. Take defective components to special waste disposal sites. Check with your specialist dealer or municipaladministration!
Old devices must not be disposed of with household waste!
This symbol indicates that this product must not be disposed of together with domestic waste in compliance with the Directive (2012/19/EU) pertaining to waste electrical and electronic equipment (WEEE). This product must be handed over at the intended collection point. This can be done, for example, by returning it when purchasing a similar product or delivering it to an authorised collection point for the recycling of old electrical and electronic devices. Improper handling of waste equipment may have negative consequences for the environment and human health due to potentially hazardous substances that are often contained in electrical and electronic equipment. By properly disposing of this product, you are also contributing to the effective use of natural resources. You can obtain information on collection points for waste equipment from your municipal administration, public waste disposal authority, an authorised body for the disposal of waste electrical and electronic equipment or your waste disposal company.
Troubleshooting
| Fault | Cause | Remedy |
| Device does not start |
|
|
| Poor cutting pattern |
|
|
| Not enough rotation of the cutting wheel |
|
|
| Vibrations while cutting |
|
|
| Incorrect cut |
|
|
| Workpiece moves while cutting |
|
|

CE Declaration of Conformity
hereby declares the following conformity under the EU Directive and standards for the following article
Marke / Brand / Marque: SCHEPPACH
Art.-Bezeichnung: METALLTRENNSCHNEIDER – MT150
Article name: METAL CUTTING-OFF MACHINE – MT150O
Nom d’article: MACHINE À TRONÇONNER LE MÉTAL – MT150
Art.-Nr. / Art. no.: / N° d’ident.: 5903703901

Standard references:
EN 62841-1:2015; EN 62841-3-10:2015/A11:2017; EN 55014-1:2017; EN 55014-2:2015;
EN 61000-3-2:2014; EN 61000-3-3:2013
This declaration of conformity is issued under the sole responsibility of the manufacturer.
The object of the declaration described above fulfils the regulations of the directive 2011/65/EU of the European Parliament and Council from 8th June 2011, on the restriction of the use of certain hazardous substances in electrical and electronic equipment.

Warranty
Apparent defects must be notified within 8 days from the receipt of the goods. Otherwise, the buyerís rights of claim due to such defects are invalidated. We guarantee for our machines in case of proper treatment for the time of the statutory warranty period from delivery in such a way that we replace any machine part free of charge which provably becomes unusable due to faulty material or defects of fabrication within such period of time. With respect to parts not manufactured by us we only warrant insofar as we are entitled to warranty claims against the upstream suppliers. The costs for the installation of the new parts shall be borne by the buyer. The cancellation of sale or the reduction of purchase price as well as any other claims for damages shall be excluded.





























