scheppach 5901223901 Sliding Cross Cut Mitre Saw

Explanation of the symbols on the device
Symbols are used in this manual to draw your attention to potential hazards. The safety symbols and the accompa-nying explanations must be fully understood. The warnings themselves will not rectify a hazard and cannot replace proper accident prevention measures.
| Before commissioning, read and observe the operating manual and safety instruc tions! |
| Wear hearing protection. |
| If dust builds up, wear respiratory protection! |
| Wear protective goggles. |
| Attention! Danger of injury! Do not reach into saw blade while it is running! |
| Attention! Laser beam |
| Protection class II (double insulation) |
| We have marked points in these operating instructions that impact your safety with this symbol. |
Introduction
Manufacturer:
Scheppach GmbH
Günzburger Straße 69 D-89335 Ichenhausen
Dear Customer,
We hope your new tool brings you much enjoyment and success.
Note:
In accordance with the applicable product liability laws, the manufacturer of this device assumes no liability for damage to the device or caused by the device arising from:
- • Improper handling
• Failure to comply with the operating instructions.
• Repairs carried out by third parties, unauthorised specialists. - • Installing and replacing non-original spare parts,
• Improper use
• Failures of the electrical system in the event of the electrical regulations and VDE provisions 0100, DIN 57113 / VDE0113 not being observed.
Note:
Read the whole text of the operating manual before as-sembly and commissioning. This operating manual should help you to familiarise yourself with your device and to use it for its intended purpose. The operating manual includes important instructions for safe, proper and economic operation of the device, for avoiding danger, for minimising repair costs and downtimes, and for increasing the reliability and ex-tending the service life of the device.
In addition to the safety instructions in this operating manual, you must also observe the regulations appli-cable to the operation of the device in your country. Keep the operating manual at the device, in a plastic sleeve, protected from dirt and moisture. They must be read and carefully observed by all operating personnel before starting the work. The device may only be used by personnel who have been trained to use it and who have been instructed with respect to the associated hazards. The required minimum age must be observed.
In addition to the safety instructions in this operating manual and the separate regulations of your country, the generally recognised technical rules relating to the operation of such machines must also be observed. We accept no liability for accidents or damage that occur due to a failure to observe this manual and the safety instructions.
Device description
(fig. 1-21)
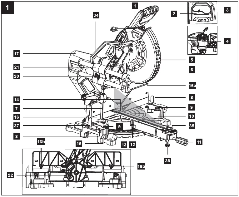
- Handle
- On/off switch
- Locking switch
- Machine head
- Moving saw blade guard
- 5a. Fixing screw
- Saw blade
- Clamping device
- 7a. Star grip screw
- Workpiece support
- Locking lever for workpiece support
- Table inlay
- Handle / set screw for rotary table
- Pointer
- Scale
- Rotary table
- Fixed saw table
- Stop rail
- 16a. Moveable stop rail
- 16b. Locking screw
- Dust bag
- Angle scale
- Angle pointer
- Set screw for cable routing
- Cable routing
- Locking screw
- Locking pin
- Screw for cutting depth limiting
- 24a. Knurled nut for cutting depth limiting
- Stop for cutting depth limiting
- Adjusting screw (90°)
- Adjusting screw (45°)
- 27a. Counternut (45°)
- Flange screw
- Outer flange
- Sawing shaft lock
- Inner flange
- Laser
- 32a. Philips screw
- Laser ON/OFF switch
- Guide bar
- Indexed position lever
- Safety bolt for swiveling function
- Longitudinal stop
- Adjustment screw
- A.) 90° stop bracket (not included in the scope of supply)
- B.) 45° stop bracket (not included in the scope of delivery)
- C.) Allen key, 6 mm




















Scope of delivery
- Sliding cross-cut mitre saw
- 1 x Clamping device (7)
- 2 x Workpiece support (8) (pre-assembled)
- Dust bag (17)
- Allen key, 6 mm (C)
- Operating manual
Proper use
The sliding cross-cut mitre saw is used for the cutting of wood and plastic, according to the machine size. The saw is not suitable for the cutting of firewood.
Warning!
Do not use the device to cut materials other than those described in the operating manual.
Warning!
The supplied saw blade is only intended for the sawing of wood! Do not use this blade for sawing firewood!
- The machine may only be used in the intended manner. Any use beyond this is improper. The user/operator, not the manufacturer, is responsible for damages or inju-ries of any type resulting from this.
- Only suitable saw blades may be used for the machine. The use of any type of cutting wheels is prohibited. An element of the intended use is also the observance of the safety instructions, as well as the assembly in-structions and operating information in the operating manual.
- Persons who operate and maintain the machine must be familiar with it and must be informed about potential dangers.
- In addition, the applicable accident prevention regula-tions must be strictly observed.
- Other general occupational health and safety-related rules and regulations must be observed.
- The liability of the manufacturer and resulting damages are excluded in the event of modifications of the ma-chine.
Despite use as intended, specific risk factors cannot be entirely eliminated. Due to the design and layout of the machine, the following risks remain:
- Contact with the saw blade in the exposed sawing area.
- Reaching into the running saw blade (cutting injury).
- Kick-back of workpieces and workpiece parts.
- Saw blade breakage.
- Ejection of faulty carbide parts of the saw blade.
- Hearing damage when the necessary hearing pro-tection is not used.
- Harmful emissions of wood dusts during use in en-closed areas.
Please note that our equipment was not designed with the intention of use for commercial or industrial purpos-es. We assume no guarantee if the device is used in commercial or industrial applications, or for equivalent work.
Safety instructions
General power tool safety warnings
WARNING!
Read all safety warnings, instruc-tions, illustrations and specifications provided with this electric tool. Failure to follow all instructions listed below may result in electric shock, fire and/or se-rious injury.
Save all warnings and instructions for future ref-erence.
The term “power tool” in the warnings refers to your mains-operated (corded) power tool or battery-operat-ed (cordless) power tool.
- Work area safety
- Keep your work area clean and well-lit. Cluttered or dark areas invite accidents.
- Do not operate power tools in explosive atmos-pheres, such as in the presence of flammable liquids, gases or dust. Power tools create sparks which may ignite the dust or fumes.
- Keep children and bystanders away while oper-ating a power tool. Distractions can cause you to lose control.
- Electrical safety
- Power tool plugs must match the outlet. Nev-er modify the plug in any way. Do not use any adapter plugs with earthed (grounded) power tools. Unmodified plugs and matching outlets will reduce risk of electric shock.
- Avoid body contact with earthed surfaces, such as pipes, heaters, ovens and refrigerators. There is an increased risk of electric shock if your body is earthed or grounded.
- Do not expose power tools to rain or wet condi-tions. Water entering a power tool will increase the risk of electric shock.
- Do not abuse the cord. Never use the cord for carrying, pulling or unplugging the power tool. Keep cord away from heat, oil, sharp edges or moving parts. Damaged or entangled cords in-crease the risk of electric shock.
- When operating a power tool outdoors, use an extension cord suitable for outdoor use. Use of a cord suitable for outdoor use reduces the risk of electric shock.
- If operating a power tool in a damp location is unavoidable, use a residual current device (RCD) protected supply. Using a fault-current cir-cuit breaker reduces the risk of an electric shock.
- Personal safety
- Stay alert, watch what you are doing and use common sense when operating a power tool. Do not use a power tool while you are tired or under the influence of drugs, alcohol or medication. A moment of carelessness when using electrical tools can result in serious injuries.
- Use personal protective equipment. Always wear eye protection. Protective equipment such as a dust mask, non-skid safety shoes, hard hat or hearing protection used for appropriate conditions will reduce personal injuries.
- Prevent unintentional starting. Ensure the switch is in the off-position before connecting to power source and/or battery pack, picking up or carrying the tool. Carrying power tools with your finger on the switch or energising power tools that have the switch on invites accidents.
- Remove any adjusting key or wrench before turning the power tool on. A wrench or a key left attached to a rotating part of the power tool may re-sult in personal injury.
- Do not overreach. Keep proper footing and bal-ance at all times. This enables better control of the power tool in unexpected situations.
- Dress properly. Do not wear loose clothing or jewellery. Keep your hair and clothing away from moving parts. Loose clothes, jewellery or long hair can be caught in moving parts.
- If devices are provided for the connection of dust extraction and collection facilities, ensure these are connected and properly used. Use of dust collection can reduce dust-related hazards.
- Do not let familiarity gained from frequent use of tools allow you to become complacent and ig-nore tool safety principles. A careless action can cause severe injury within a fraction of a second.
- Power tool use and care
- Do not force the power tool. Use the correct power tool for your application. The correct pow-er tool will do the job better and safer at the rate for which it was designed.
- Do not use the power tool if the switch does not turn it on and off. Any power tool that cannot be controlled with the switch is dangerous and must be repaired.
- Disconnect the plug from the power source and/or remove the battery pack, if detachable, from the power tool before making any adjustments, changing accessories, or storing power tools. Such preventive safety measures reduce the risk of starting the power tool accidentally.
- Store idle power tools out of the reach of chil-dren and do not allow persons unfamiliar with the power tool or these instructions to operate the power tool. Power tools are dangerous in the hands of untrained users.
- Maintain power tools and accessories. Check for misalignment or binding of moving parts, breakage of parts and any other condition that may affect the power tool’s operation.
If damaged, have the power tool repaired before use. Many accidents are caused by poorly main-tained power tools. - Keep cutting tools sharp and clean. Properly maintained cutting tools with sharp cutting edges are less likely to bind and are easier to control.
- Use the power tool, accessories and tool bits etc. in accordance with these instructions, tak-ing into account the working conditions and the work to be performed. Use of the power tool for operations different from those intended could result in a hazardous situation.
- Keep handles and grasping surfaces dry, clean and free from oil and grease. Slippery handles and grasping surfaces do not allow for safe handling and control of the tool in unexpected situations.
- Service
- Only have your electric tool repaired by quali-fied specialists and only with original spare parts. This will ensure that the safety of the power tool is maintained.
Safety instructions for chop and mitre saws
- Mitre saws are intended to cut wood or wood-like products, they cannot be used with abra-sive cut-off wheels for cutting ferrous materi-al such as bars, rods, studs, etc. Abrasive dust causes moving parts such as the lower guard to jam. Sparks from abrasive cutting will burn the lower guard, the kerf insert and other plastic parts.
- Use clamps to support the workpiece when-ever possible. If supporting the workpiece by hand, you must always keep your hand at least 100 mm from either side of the saw blade. Do not use this saw to cut pieces that are too small to be securely clamped or held by hand. If your hand is placed too close to the saw blade, there is an increased risk of injury from blade contact.
- The workpiece must be stationary and clamped or held against both the fence and the table. Do not feed the workpiece into the blade or cut “freehand” in any way. Unre-strained or moving workpieces could be thrown at high speeds, causing injury.
- Push the saw through the workpiece. Do not pull the saw through the workpiece. To make a cut, raise the saw head and pull it out over the workpiece without cutting. Start the mo-tor, press the saw head down and push the saw through the workpiece. Cutting on the pull stroke is likely to cause the saw blade to climb on top of the workpiece and violently throw the blade assembly towards the operator.
- Never cross your hand over the intended line of cutting either in front or behind the saw blade. Supporting the workpiece “cross handed” i.e. holding the workpiece to the right of the saw blade with your left hand or vice versa is very dangerous.
- Do not reach behind the fence while the blade is spinning. Observe the 100 mm safety dis-tance between hands and the rotating saw blade (this applies to both sides of the saw blade, e.g. also when removing waste piec-es of wood). The proximity of the spinning saw blade to your hand may not be obvious and you may be seriously injured.
- Inspect your workpiece before cutting. If the workpiece is bowed or warped, clamp it with the outside bowed face toward the fence. Always make certain that there is no gap be-tween the workpiece, fence and table along the line of the cut. Bent or warped workpieces can twist or shift and may cause binding on the spinning saw blade while cutting. There should be no nails or foreign objects in the workpiece.
- Do not use the saw until the table is clear of all tools, wood scraps, etc., except for the work-piece. Small debris or loose pieces of wood or other objects that contact the revolving blade can be thrown with high speed.
- Only cut one workpiece at a time. Stacked mul-tiple workpieces cannot be adequately clamped or braced and may bind on the blade or shift dur-ing cutting.
- Ensure the mitre saw is mounted or placed on a level, firm work surface before use. A level and firm work surface reduces the risk of the mitre saw becoming unstable.
- Plan your work. Every time you change the bevel or mitre angle setting, make sure the adjustable fence is set correctly to support the workpiece and will not interfere with the blade or the guarding system. Without turning the tool “ON” and with no workpiece on the table, move the saw blade through a complete simulat-ed cut to assure there will be no interference or danger of cutting the fence.
- Provide adequate support such as table ex-tensions, saw horses, etc. for a workpiece that is wider or longer than the table top. Workpieces that are longer or wider than the table of the chop and mitre saw can tip if they are not properly supported. If the cut-off piece or work-piece tips, it can lift the lower guard or be thrown by the spinning blade.
- Do not use another person as a substitute for a table extension or as additional support. Unstable support of the workpiece can lead to the blade becoming jammed. Also, the workpiece could shift during the cutting process, pulling you or your assistant into the rotating blade.
- The cut-off piece must not be jammed or pressed by any means against the spinning saw blade. If confined, i.e. using length stops, the cut-off piece could get wedged against the blade and thrown violently.
- Always use a clamp or a fixture designed to properly support round material such as rods or tubing. Rods have a tendency to roll while be-ing cut, causing the blade to “bite” and pull the work with your hand into the blade.
- Let the blade reach full speed before contact-ing the workpiece. This will reduce the risk of the workpiece being thrown.
- If the workpiece or blade becomes jammed, turn the mitre saw off. Wait for all moving parts to stop and disconnect the plug from the power source and/or remove the battery pack. Then, remove the jammed material. If you continue sawing with such jamming this can result in a loss of control or to the chop and mitre saw being damaged.
- After finishing the cut, release the switch, hold the saw head down and wait for the blade to stop before removing the cut-off piece. Reaching with your hand near the coasting blade is dangerous.
- Hold the handle firmly when making an incom-plete cut or when releasing the switch before the saw head is completely in the down posi-tion. The braking action of the saw may cause the saw head to be suddenly pulled downward, causing a risk of injury.
Safety instructions for the handling of saw blades
- Do not use damaged or deformed saw blades.
- Do not use saw blades with cracks. Separate cracked saw blades. Repairs are not permitted.
- Do not use saw blades made of high speed steel.
- Check the condition of the saw blades before us-ing the sliding cross-cut mitre saw.
- Make sure that a suitable saw blade for the mate-rial to be cut is selected.
- Only use saw blades recommended by the man-ufacturer. Saw blades designed to cut wood and similar ma-terials must comply with EN 847-1.
- Do not use saw blades made of high-speed alloy steel (HSS steel).
- Only use saw blades for which the maximum per-missible speed is not lower than the maximum spindle speed of the sliding cross-cut mitre saw, and which are suitable for the material to be cut.
- Observe the rotational direction of the saw blade.
- Only use saw blades if you have mastered their use.
- Observe the maximum speed. The maximum speed specified on the saw blade may not be exceeded. If specified, observe the speed range.
- Clean dirt, grease, oil and water off of the clamp-ing surfaces.
- Do not use any loose reducing rings or bushes for the reducing of holes on saw blades.
- Make sure that fixed reducer rings for securing the saw blade have the same diameter and have at least 1/3 of the cutting diameter.
- Make sure that fixed reducer rings are parallel to each other.
- Handle saw blade with caution. They are ideally stored in the originally package or special con-tainers. Wear protective gloves in order to im-prove grip and to further reduce the risk of injury.
- Prior to the use of saw blades, make sure that all protective devices are properly fastened.
- Prior to use, ensure that the saw blade meets the technical requirements of this sliding cross-cut mitre saw, and is properly fastened.
- Only use the supplied saw blade for cutting wood, never for the processing of metals.
- Use only a saw blade with a diameter that match-es the specifications on the saw.
- Use additional workpiece supports, if required for workpiece stability.
- Workpiece support extensions must always be secured and used during work.
- Replace table inserts when worn!
- Avoid overheating the saw teeth.
- When sawing plastic, avoid melting of the plastic. Use the appropriate saw blades for this purpose. Replace damaged or worn saw blades immedi-ately.
When the saw blade overheats, stop the machine. Allow the saw blade to cool down before using the machine again.
Attention:
Laser beam Do not look into the beam Laser class 2
Protect yourself and your environment from acci-dents using suitable precautionary measures!
- Do not look directly into the laser beam with unpro-tected eyes.
- Never look into the path of the beam.
- Never point the laser beam towards reflecting sur-faces and persons or animals. Even a laser beam with a low output can cause damage to the eyes.
- Caution – methods other than those specified here can result in dangerous radiation exposure.
- Never open the laser module. Unexpected exposure to the beam can occur.
- The laser may not be replaced with a different type of laser.
- Repairs of the laser may only be carried out by the laser manufacturer or an authorised representative.
Residual risks
The electric tool is state-of-the-art and has been built according to the recognised technical safety regulations. However, individual residual risks can arise during operation.
- Health hazard due to electrical power, with the use of improper electrical connection cables.
- Furthermore, despite all precautions having been met, some non-obvious residual risks may still remain.
- Residual risks can be minimised if the “safety instructions” and the “Proper use” are observed along with the whole of the operating instructions.
- Do not load the machine unnecessarily: excessive pressure when sawing will quickly damage the saw blade, which results in reduced output of the machine in the processing and in cut precision.
- When cutting plastic material, please always use clamps: the parts which should be cut must always be fixed between the clamps.
- Avoid accidental starting of the machine: the start button may not be pressed when inserting the plug in an outlet.
- Use the tool that is recommended in this manual. This is how to ensure that your machine provides optimum performance.
- Keep your hands away from the working area when the machine is in operation.
- Before performing setting or maintenance work, re-lease the start button and pull out the power plug.
Warning!
This electric tool generates an electromagnetic field during operation. This field can impair active or passive medical implants under certain conditions. In order to prevent the risk of serious or deadly injuries, we recom-mend that persons with medical implants consult with their physician and the manufacturer of the medical im-plant prior to operating the power tool.
Technical data
| AC motor | 220 – 240 V~ 50 Hz |
| Nominal power S1* | 2000 Watts |
| Idle speed n0 | 5000 rpm |
| Hard metal saw blade | ø 305 x ø 30 x 2.8 mm |
| Number of teeth | 48 |
| Maximum tooth width of the saw blade | 3 mm |
| Pivot range | -50 ° / 0° / +50 ° |
| Mitre cut | 0° to 48° to the left |
| Saw width at 90° | 340 x 105 mm |
| Saw width at 45° | 240 x 105 mm |
| Saw width at 2 x 45° (double mitre cut) | 240 x 60 mm |
| Cutting heigth/width (chop cut) | 180 mm / 20 mm |
| Protection class | II / |
| Weight | approx. 20.9 kg |
| Laser class | 2 |
| Laser wavelength | 650 nm |
| Power of laser | < 1 mW |
Operating mode S1:Continuous operation at constant load.
- The workpiece must have a minimum height of 3 mm and a minimum width of 10 mm.
- Make sure that the workpiece is always secured with the clamping device.
Noise
The noise values have been determined in accordance with EN 62841.
| Sound pressure level LpA | 96 dB(A) |
| Uncertainty KpA | 3 dB |
| Sound power level LWA | 109 dB(A) |
| Uncertainty KWA | 3 dB |
Wear hearing protection.
- Excessive noise can result in a loss of hearing.
- The specified noise emission values have been meas-ured in accordance with a standardised test procedure and can be used to compare one power tool with an-other.
- The specified device emissions values can also be used for an initial estimation of the load.
Warning:
- The noise emission values can vary from the speci-fied values during the actual use of the electric tool, depending on the type and the manner in which the electric tool is used, and in particular the type of workpiece being processed.
- Try to keep the stress as low as possible. For ex-ample: Limit working time. In doing so, all parts of the operating cycle must be taken into account (such as times in which the electric tool is switched off or times in which it is switched on, but is not running under a load).
Before commissioning
- Open the packaging and carefully remove the de-vice.
- Remove the packaging material, as well as the pack-aging and transport safety devices (if present).
- Check whether the scope of delivery is complete.
- Check the device and accessory parts for transport damage.
- If possible, keep the packaging until the expiry of the warranty period.
ATTENTION
The device and the packaging are not children‘s toys! Do not let children play with plastic bags, films or small parts! There is a danger of choking or suffocating!
- The machine must be securely installed. Therefore, bolt it down on a workbench, machine stand or sim-ilar. Insert 4 screws (not included in the scope of delivery) into the holes on the fixed saw table (15). Tighten up the screws.
- Set the adjusting screw (38) to the level of the table-top to prevent the machine from tipping over.
- Prior to commissioning, all covers and safety devic-es must be mounted correctly.
- The saw blade must be able to run freely.
- In case of previously machined wood, be aware of any foreign bodies, such as nails or screws, etc.
- Before pressing the on/off switch, make sure that the saw blade is correctly fitted, and that moving parts run smoothly.
- Before connecting the machine, make certain that the data on the type plate matches with the mains power data.
Checking the movable saw blade guard safety device (5)
The saw blade guard protects against accidental con-tact with the saw blade and against flying chips.
Check function
To do this, fold the saw down:
- The saw blade guard must expose the saw blade when it is swung down without touching other parts.
- When the saw is folded up to the initial position, the saw blade guard must automatically cover the saw blade.
Layout
Mounting the sliding cross-cut mitre saw (fig. 1/2/4)



- To adjust the rotary table (14), loosen the handle (11) about 2 turns and press the locking position lever (35) down.
- Rotate the rotary table (14) and pointer (12) to the desired angle on the scale (13) and lock in place with the handle (11).
- Press the machine head (4) down lightly. The saw is unlocked from the lower position by pulling out the locking pin (23) from the engine mount.
- Push in the locking pin (23) to fix it in the unlocked position.
- Swivel the machine head (4) upwards.
- The clamping device (7) can be attached to both sides of the fixed saw table (15). Insert the clamp-ing device (7) into the holes provided for them on the rear side of the stop rail (16) and secure it with the star grip screws (7a). For miter cuts 0°- 48°, the clamping device (7) must be mounted on the oppo-site side of the saw head.
- The machine head (4) can be tilted to the left and to the right to max. 50° by loosening the locking screw (22). To do this, pull out the safety bolt for swiveling function (36) and swivel the machine head.
- Workpiece supports (8) must always be secured and used during work. Define the desired size of the ta-ble, by opening the locking lever (9). Then tighten the locking lever (9) again.
Dust bag (fig. 1/21)
The saw is equipped with a dust bag (17) for chips. Attach the dust bag (17) to the outlet opening in the motor area. The dust bag (17) can be emptied via the zip on the underside.


Connection to an external dust extraction system
- Connect the suction hose to the dust extraction.
- The dust extraction system must be suitable for the material to be processed.
- Use a special extraction device to extract dusts that are particularly harmful to health or carcinogenic.
Fine adjustment of the stop for 90° chop cut (fig. 1/2/5/6)




Tool required:
Allen key, 6 mm
- Stop bracket not included in the scope of delivery.
- Lower the machine head (4) and fix it with the locking pin (23).
- Loosen the locking screw (22).
- Place the stop bracket (A) between the saw blade (6) and the rotary table (14).
- Adjust the adjustment screw (26) until the angle be-tween the saw blade (6) and the rotary table (14) is 90°.
- Then check the position of the angle display. If nec-essary, loosen the pointer (19) with a Phillips screw-driver, set the scale (18) to 0° position and re-tighten the retaining screw.
Fine adjustment of the stop for 45° mitre cut (fig. 1/2/5/9/10)





Tool required:
- Allen key 5 mm (not included in the scope of deliv-ery)
- Open-ended spanner SW10 (not included in the scope of delivery)
- Stop bracket not included in the scope of deliv-ery.
- Lower the machine head (4) and fix it with the locking pin (23).
- Fix the rotary table (14) in the 0° position. Attention! For mitre cuts (inclined saw head), the moveable stop rail (16a) must be fixed in the outer position.
- Loosen the locking screw (16b) on the moveable stop rails (16a) and push the moveable stop rails (16a) outwards.
- The moveable stop rails (16a) must be locked in a position that the distance between the stop rails (16a) and the saw blade (6) is at least 8 mm.
- The moveable stop rail (16a) must be in the inner position.
- Before making the cut, check that no collision could occur between the stop rails (16a) and the saw blade (6).
- Loosen the locking screw (22) and tilt the machine head (4) to the left, to 45°, using the handle (1).
- Place 45° stop bracket (B) between saw blade (6) and rotary table (14).
- Loosen the counternut (27a) and the adjustment screw (27) until the angle between the saw blade (6) and the rotary table (14) is exactly 45°.
- Tighten the counternut (27a) again.
- Then check the position of the angle display. If nec-essary, loosen the pointer (19) with a Phillips screw-driver, set the scale (18) to 45° position and re-tight-en the retaining screw.
- Repeat this process to set the 45° position on the right side.
Operation
Laser operation (fig. 18)
- Switching on: Press the laser ON/OFF switch (33) 1x. A laser line is projected onto the workpiece to be cut, indicating the exact cutting path.
- Switching off: Press the laser ON/OFF switch (33) again.

Restricting the cutting depth (sawing groove) (fig. 3/13)


WARNING
Risk of kick-back! When making grooves, it is par-ticularly important that no lateral pressure is ex-erted on the saw blade. Otherwise the saw head could suddenly kick up! Use a clamping device when making grooves. Avoid lateral pressure on the saw head.
- The cutting depth can be seamlessly adjusted with the screw (24). To do so, loosen the knurled nut on the screw (24a). Set the desired cutting depth by screwing in or unscrewing the screw (24). Then retighten the knurled nut (24a) on the screw (24).
- Check the setting with a test cut.
Serial cutting
For repeated cuts of the same length, the length stop (37) can be opened. You can use the length stop (37) on the right and on the left.
- Fold up the length stop (37).
- Open the locking lever for workpiece support (9).
- Pull out the workpiece support (8).
- Set the required dimension between saw blade and length stop (37).
- Re-tighten the locking lever for workpiece support (9).
- Perform cutting as described in sections 9.4 to 9.7.
Chop cut 90° and rotary table 0° (fig. 1/2/7)
In the case of cutting widths up to approx. 90 mm it is possible to fix the traction function of the saw with the set screw (20) in the rear position. In this position the machine can be operated in chop cutting mode. If the cutting width is over 90 mm then it is necessary to ensure that the set screw (20) is loose and the machine head (4) can move.



Attention!
For 90° chop cuts, the moveable stop rails (16a) must be fixed in the inner position.
- Open the set screw (16b) for the moveable stop rails (16a) and push the moveable stop rails (16a) inwards.
- The moveable stop rails (16a) must be locked so that the distance between the stop rails (16a) and the saw blade (6) is no more than 8 mm.
- Before making the cut, check that no collision could occur between the stop rails (16a) and the saw blade (6).
- Tighten the locking screws (16b) again.
- Move the machine head (4) to the upper position.
- Use the handle (1) to push back the machine head (4) and fix it in this position if required (dependent on the cutting width).
- Place the wood to be cut against the stop rail (16) and on the rotary table (14).
- Secure the material with the clamping device (7) on the fixed saw table (15) to prevent it from shifting during the cutting process.
- Unlock the locking switch (3) and press the on/off switch (2) to switch the motor on.
- With the drag guide (21) fixed in place:use the han-dle (1) to move the machine head (4) steadily and with light pressure downwards until the saw blade (6) has completely cut through the work piece.
- With the drag guide (21) not fixed in place:pull the machine head (4) all the way to the front. Lower the handle (1) to the very bottom by applying steady and light downward pressure. Now push the machine head (4) slowly and steadily to the very back until the saw blade (6) has completely cut through the work piece.
- When the sawing process is finished, return the ma-chine head to the upper resting position and release the ON/OFF switch (2).
Attention!
The return spring automatically raises the machine. Do not let go of the handle (1) after finishing cutting but move the machine head slowly upwards with light counter-pressure.
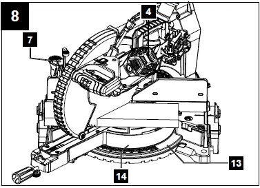
90° chop cut and rotary table 0°- 50° (fig. 1/7/8)
The sliding cross-cut mitre saw can be used for angled cuts of 0°-50° to the left and right.


Attention!
For 90° chop cuts, the moveable stop rails (16a) must be fixed in the inner position.
- Open the set screw (16b) for the moveable stop rails (16a) and push the moveable stop rails (16a) inwards.
- The moveable stop rails (16a) must be locked in a position that the distance between the stop rails (16a) and the saw blade (6) is at least 8 mm.
- Before making the cut, check that no collision could occur between the stop rails (16a) and the saw blade (6).
- Tighten the locking screw (16b) again.
- To adjust the rotary table (14), loosen the handle (11) about 2 turns and press the locking position lever (35) down.
- Adjust the rotary table (14) to the desired angle using the handle (11).
- The pointer (12) on the rotary table must match the desired angle on the scale (13) on the fixed saw ta-ble (15).
- Re-tighten the handle (11) to fix the rotary table (14) in place.
- Make a cut as described under section 9.4.
0°- 48° mitre cut and rotary table 0° (fig. 1/2/11)
The sliding cross-cut mitre saw can be used for mitre cuts of 0°- 48° to the left of the work surface.



Attention!
For mitre cuts (inclined saw head), the moveable stop rail (16a) must be fixed in the outer position.
- Loosen the locking screw (16b) on the moveable stop rails (16a) and push the moveable stop rails (16a) outwards.
- The moveable stop rails (16a) must be locked in a position that the distance between the stop rails (16a) and the saw blade (6) is at least 8 mm.
- The moveable stop rail (16a) must be in the inner position.
- Before making the cut, check that no collision could occur between the stop rails (16a) and the saw blade (6).
- Tighten the locking screw (16b) again.
- Move the machine head (4) to the upper position.
- Fix the rotary table (14) in the 0° position.
- Loosen the locking screw (22). Tilt the machine head (4) to the left with the handle (1) until the pointer (19) points to the desired angle on the scale (18).
- Retighten the locking screw (22).
- Make a cut as described in point 9.4.
Mitre cut 0°- 48° and rotary table 0°- 50° (fig. 1/2/4/12)
The sliding cross-cut mitre saw can be used for mitre cuts of 0°- 48° to the left of the work surface and of 0°- 50° to the stop rail (double mitre cut).




Attention!
For mitre cuts (inclined saw head), the moveable stop rail (16a) must be fixed in the outer position.
- Loosen the locking screw (16b) on the moveable stop rails (16a) and push the moveable stop rails (16a) outwards.
- The moveable stop rails (16a) must be locked in a position that the distance between the stop rails (16a) and the saw blade (6) is at least 8 mm.
- Before making the cut, check that no collision could occur between the stop rails (16a) and the saw blade (6).
- Tighten the locking screw (16b) again.
- Move the machine head (4) to the upper position.
- Loosen the rotary table (14) by loosening the handle (11).
- Use the handle (11) to adjust the rotary table (14) to the desired angle (see also point 10.5).
- Re-tighten the handle (11) to fix the rotary table in place.
- Loosen the locking screw (22).
- Use the handle (1) to tilt the machine head (4) to the left to the desired angle (see also point 10.6).
- Retighten the locking screw (22).
- Make a cut as described under section 9.4.
Maintenance
Warning!
Pull out the mains plug before carrying out any adjustments, maintenance or repair work!
General maintenance tasks
Wipe swarf and dust off the machine from time to time with a cloth. Oil the rotating parts once monthly to ex-tend the life of the tool. Do not oil the motor.
Do not use corrosive agents for cleaning the plastic.
Cleaning the movable saw blade guard safety device (5)
- Check the saw blade guard for dirt before each start-up.
- Remove old shavings and wood splinters using a brush or similar suitable tool.
Replacing the table insert
Danger!
With a damaged table insert (10) there is a risk of small parts getting stuck between table insert and saw blade, blocking the saw blade. Immediately replace dam-aged table inserts!
- Remove screws at table insert. If required, turn rotary table and incline saw head to be able to reach the screws.
- Remove table insert.
- Install new table insert.
- Tighten the screws at table insert.
Brush inspection
- If the machine is new, check the carbon brushes after the first 50 operating hours or if a new brush has been mounted. After the initial check, check every 10 oper-ating hours.
- If the carbon is worn down to a length of 6 mm, or the spring or the shunt wire is burnt or damaged, both brushes must be replaced. If the brushes are found to be usable after removal, they can be reinstalled.
- To service the carbon brushes, open both locks (as shown in figure 21) counter-clockwise. Then remove the carbon brushes.
- Re-insert the carbon brushes in reverse order.
Replacing the saw blade (fig. 1/2/14-17)




Pull out the mains plug!
Attention!
Wear protective gloves when changing the saw blade! Danger of injury!
- Swivel the machine head (4) upwards and lock it with the locking pin (23).
- Fold the saw blade guard (5) up so far that the saw blade guard (5) is placed over the fastening screw (5a) and loosen it with a Phillips screwdriver. WARNING! Do not unscrew this screw all the way (fig. 14).
- Then fold up the saw blade guard (5) so that the flange screw (28) is freely accessible and can be loosened.
- With one hand, fit the Allen key (C) to the flange screw (28).
- Firmly press the saw shaft lock (30), and slowly turn the flange screw (28) clockwise. After max. one turn, the saw shaft lock (30) engages.
- Then undo the flange screw (28), by applying a slightly greater force in a clockwise direction.
- Fully unscrew the flange screw (28) and remove the outer flange (29).
- Remove the saw blade (6) from the inner flange (31) and pull it out downwards.
- Carefully clean the flange screw (28), outer flange (29) and inner flange (31).
- Insert the new saw blade (6) in the reverse sequence and tighten.
- Fold the saw blade guard (5) downwards until the saw blade guard (5) engages in the locking screw (5a).
- Tighten the fixing screw (5a) again.
- Attention!
The cutting angle of the teeth, i.e. the direction of rotation of the saw blade (6), must correspond to the direction of the arrow on the housing. - Before continuing work, check that the safety devic-es are functioning properly.
- Attention!
After each saw blade change, check that the saw blade (6) runs freely in the table cut-out (10) in verti-cal position as well as when tilted to 48°. - Attention!
Changing and aligning the saw blade (6) must be carried out properly.
Calibrating the laser (fig. 19-20)
If the laser (32) is no longer showing the correct cutting line, it can be readjusted. To do so, open the screws (32a). Set the laser by moving sideways until the laser beam strikes the teeth of the saw blade (6). The machine must be connected to the mains in order to adjust the laser.


Attention!
Never press the ON/OFF switch (2) when adjusting the laser. Danger of injury!
Service information
With this product, it is necessary to note that the follow-ing parts are subject to natural or usage-related wear, or that the following parts are required as consumables. Wearing parts*:carbon brushes, saw blade, table in-sert, saw dust bag
- may not be included in the scope of supply!
Spare parts and accessories can be obtained from our service centre. To do this, scan the QR code on the cover page.
Transport
- Tighten the handle (11) to lock the rotary table (14).
- Press the machine head (4) downwards and secure with the locking bolt (23). The saw is now locked in the lower position.
- Fix the saw’s drag function with the locking screw for drag guide (20) in rear position.
- Carry the machine by the fixed saw table (15).
- When reassembling the machine proceed as de-scribed under section 8 and 9.
Storage
Store the device and its accessories in a dark, dry and frost-free place that is inaccessible to children. The optimum storage temperature is between 5 and 30˚C. Store the electric tool in its original packaging. Cover the electric tool to protect it from dust or mois-ture. Store the operating manual with the electric tool.
Electrical connection
The electrical motor installed is connected and ready for operation. The connection complies with the applicable VDE and DIN provisions. The cus-tomer‘s mains connection as well as the extension cable used must also comply with these regula-tions.
Important information
In the event of overloading, the motor will switch itself off. After a cool-down period (time varies) the motor can be switched back on again.
Damaged electrical connection cable
The insulation on electrical connection cables is often damaged.
This may have the following causes:
- Pressure points, where connection cables are passed through windows or doors.
- Kinks where the connection cable has been improp-erly fastened or routed.
- Places where the connection cables have been cut due to being driven over.
- Insulation damage due to being ripped out of the wall outlet.
- Cracks due to the insulation ageing.
Such damaged electrical connection cables must not be used and are life-threatening due to the insulation damage. Check the electrical connection cables for damage regularly. Ensure that the connection cables are dis-connected from electrical power when checking for damage.
Electrical connection cables must comply with the ap-plicable VDE and DIN provisions. Only use connection cables of the same designation. The printing of the type designation on the connection cable is mandatory. If the mains connection cable of this device is dam-aged, it must be replaced with a special connection lead available from the manufacturer or its after-sales service.
Connection type Y
If the power cord of this device is damaged, it must be replaced by the manufacturer, their service department or a similarly qualified person to avoid dangers.
AC motor:
The mains voltage must be 220 – 240 V~.
- Extension cables up to 25 m long must have a cross-section of 1.5 mm2.
Connections and repair work on the electrical equip-ment may only be carried out by electricians.
Please provide the following information in the event of any enquiries:
- Type of current for the motor
- Engine data – type plate
Disposal and recycling
Notes for packaging
The packaging materials are recy-clable. Please dispose of packag-ing in an environmentally friendly manner.
Notes on the electrical and electronic equipment act [ElektroG]
Waste electrical and electronic equipment does not belong in household waste, but must be collected and disposed of sepa-rately!
- Old batteries or rechargeable batteries that are not permanently installed in the old unit must be removed before handing them in! Their disposal is regulated by the battery act.
- Owners or users of electrical and electronic devices are legally obliged to return them after use.
- The end user is responsible for deleting their per-sonal data from the old device being disposed of!
- The symbol of the crossed-out dustbin means that waste electrical and electronic equipment must not be disposed of with household waste.
- Waste electrical and electronic equipment can be handed in free of charge at the following places:
- Public disposal or collection points (e.g. municipal works yards)
- Points of sale of electrical appliances (stationary and online), provided that dealers are obliged to take them back or offer to do so voluntarily.
- Up to three waste electrical devices per type of device, with an edge length of no more than 25 centimetres, can be returned free of charge to the manufacturer without prior purchase of a new device from the manufacturer or taken to another authorised collection point in your vicinity.
- Further supplementary take-back conditions of the manufacturers and distributors can be ob-tained from the respective customer service.
- If the manufacturer delivers a new electrical appli-ance to a private household, the manufacturer can arrange for the free collection of the old electrical appliance upon request from the end user. Please contact the manufacturer’s customer service for this.
- These statements only apply to devices installed and sold in the countries of the European Union and which are subject to the European Directive 2012/19/EU. In countries outside the European Un-ion, different regulations may apply to the disposal of waste electrical and electronic equipment.
Troubleshooting
| Fault | Possible cause | Remedy |
| Motor does not work | Engine, cable or connector defective, mains fuses blown. | Arrange for inspection of the machine by a specialist. Never repair the motor yourself. Danger! Check mains fuses and replace as necessary |
| The engine runs slowly and does not reach the operating speed. | Voltage too low, coils damaged, capacitor burnt. | Have an electrician check the voltage. Arrange for inspection of the motor by a specialist. Arrange for replacement of the capacitor by a specialist. |
| Engine producing excessive noise. | Coils damaged, motor defective. | Arrange for inspection of the motor by a specialist. |
| The engine does not reach full power. | Circuits in the network are overloaded (lamps, other motors, etc.). | Do not use any other equipment or engines on the same circuit. |
| Motor overheats easily. | Overloading of the motor, insufficient cooling of the motor. | Avoid overloading the motor while cutting, remove dust from the motor in order to ensure optimal cooling of the motor. |
| Saw cut is rough or wavy. | Saw blade dull, tooth shape not appropriate for the material thickness. | Resharpen saw blade and/or use suitable saw blade. |
| Workpiece pulls away and/or splinters. | Excessive cutting pressure and/or saw blade not suitable for use. | Insert suitable saw blade. |
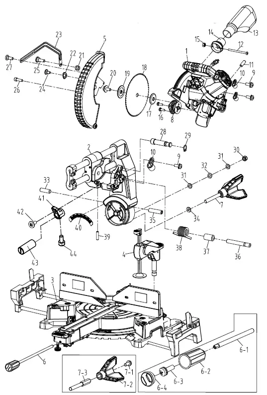
Parts List


Declaration of Conformity
EC Declaration of Conformity
Scheppach GmbH, Günzburger Str. 69, D-89335 Ichenhausen
- hereby declares the following conformity under the EU Direc-tive and standards for the following article
- Brand:
- Art.
- Article name:
- Art. no.:
- 2014/29/EU
- 2014/35/EU
- 2014/30/EU
- 2006/42/EG
Annex IV- Notified Body:
- Notified Body No.:
- Certificate No.:
- 2004/22/EG
- 2014/68/EU
- 2011/65/EU*
- 89/686/EWG_96/58/EG
- 90/396/EWG
- 2000/14/EG_2005/88/EG
Annex V
Annex VI- Noise: measured LWA = xx dB(A); guaranteed LWA = xx dB(A)
- P = xx KW; L/Ø = cm
- Notified Body:
- Notified Body No.:
- 2016/1628/EU
- Emission. No:
Standard references:
EN 62841-1:2015, EN 62841-3-9:2020+A11, EN 55014-1:2021, EN 55014-2:2021, EN 61000-3-2:2019+A1, EN 61000-3-3:2013+A1+A2
This declaration of conformity is issued under the sole responsibility of the manufacturer.
The object of the declaration described above fulfils the regulations of the directive 2011/65/EU of the European Parliament and Council from 8th June 2011, on the restriction of the use of certain hazardous substances in electrical and electronic equipment.
Ichenhausen, den 20.06.2022

First CE: 2021
Subject to change without notice
Documents registrar: Sebastian Katzer
Günzburger Str. 69, D-89335 Ichenhausen
Warranty
Apparent defects must be notified within 8 days from the receipt of the goods. Otherwise, the buyerís rights of claim due to such defects are invalidated. We guarantee for our machines in case of proper treatment for the time of the statutory warranty period from delivery in such a way that we replace any machine part free of charge which provably becomes unusable due to faulty material or defects of fabrication within such period of time. With respect to parts not manufactured by us we only warrant insofar as we are entitled to warranty claims against the upstream suppliers. The costs for the installation of the new parts shall be borne by the buyer. The cancellation of sale or the reduction of purchase price as well as any other claims for damages shall be excluded.


















