REGENCY Greenfire GFi55-2 Fireplace Insert Pellet Stove

Greenfire GFi55-2 Fireplace Insert Pellet Stove
| Model | GFi55-2 |
| Heat Output BTUs | 7,751-32,739 BTUs |
| Emissions (grams/hr) EPA Certified | 1.8 gram/hr |
| Efficiency (EPA HHV)*/** | 75% |
| Efficiency (EPA LHV) | 81.9% |
| Flue Size | 3″ (76mm) |
| US Biomass Tax Rebate Eligible** | Yes |
*US Biomass Tax Rebate eligibility is based on the HHV value being greater than or equal to 75%.
** When using optional top vent adaptor kit (GF55-920) and 3’’ to 6’’ flue adaptor (946-792). See instruction manual for further information.
GFI55-2 DIMENSIONS

| FACEPLATE DIMENSIONS | |
| Regular Faceplate | |
| (A) Height | 30″ (761mm) |
| (B) Width | 39-15/16″ (1014mm) |
| Oversize Faceplate | |
| (A) Height | 33″ (838mm) |
| (B) Width | 45-15/16″ (1167mm) |


GFI55-2 FIREPLACE PELLET INSERT WITH TOP VENT ADAPTOR



CLEARANCES
CLEARANCES TO COMBUSTIBLES
The fireplace insert is certified to be installed into a masonry fireplace only and/or zero clearance wood burning factory built fireplace where allowed by local codes. This model includes a surround faceplate and a pedestal. When installing this unit, ensure that the pedestal is removed from the inside of the hopper and installed on the bottom of the unit.
From the body of the heater to the:
- Side Wall 8″ (203mm) minimum
- Facing on Masonry Fireplace: 8″ (203mm) minimum
- 8” (203mm) mantle: 8″ (203mm) minimum
FIREPLACE SPECIFICATIONS
| Your fireplace opening requires the following minimum sizes: | |
| Height 55 lbs hopper (standard) | 22.75″ (578mm) |
| 42 lbs hopper (adjusted) | 19.5″ (495mm) |
| Width | 26″ (660mm) |
| Depth | 15″ (381mm) |
| Your fireplace opening requires the following minimum sizes when using the top vent adaptor: | |
| Height 55 lbs hopper (standard) | 23.25″ (591mm)* |
| Width | 26″ (660mm) |
| Depth | 18″ (457mm) |
*NOTE: When using the top vent adapter, the hopper must be set to the standard height (55lbs, 22¼”)
INSTALLATION OF PEDESTAL AND LEVELLING LEGS
There are two parts to the GFI55-2 insert pedestal and they can be found inside the hopper. Place unit on its back. Two (2) hex head screws are used on each side of the pedestal (refer to Figure 22). Using a 5/16” wrench or socket, secure the pedestal to the bottom of the unit.
OPTIONAL:
There are two (2) leveling legs and they can be found inside the manual bag. Each leveling leg consists of a long bolt, a hex nut, a washer, and a square bolt with clip (see Figure 23). For installation of the leveling legs the unit should be on its back and a ½” wrench is required for adjustments.
Install the square bolts into the square holes in the back corners of the bottom. The square bolt should be inserted from inside the unit so that the clip will be facing up.
Thread hex nut onto the bolt till it is approximately 1” (25 mm) from the bolt head, slide washer onto bolt. Thread the bolt into the square nut so length of the bolt shown is the approximately height needed for leveling.
When the unit is up right and the bolts can be adjusted to the exact height required. To lock the bolts at a height tighten the hex nut and washer against the square bolt.
INSTALLING HOPPER COVER AND ADJUSTING HOPPER HEIGHT


EXHAUST AND FRESH AIR INTAKE LOCATION
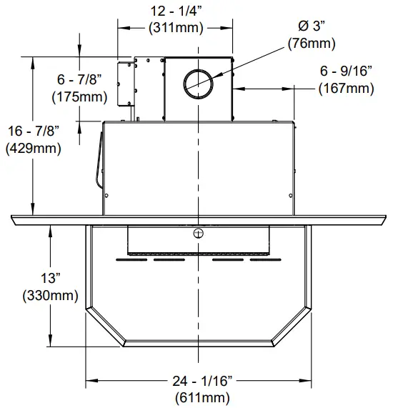
| EXHAUST: | |
| Base of unit to center of flue | 9-1/16″ (229mm) |
| Side of unit to center of flue | 6-1/8″ (156mm) |
| Center of unit to center of flue | 5-3/4″ (146mm) |
| FRESH AIR INTAKE: | |
| Base of unit to center of intake | 3-7/16″ (87mm) |
| Side of unit to center of intake | 10-7/8″ (277mm) |
| Center of unit to center of intake | 1″ (25mm) |
INSTALL VENT AT CLEARANCES SPECIFIED BY THE VENTING MANUFACTURER.
OUTSIDE FRESH AIR CONNECTION
Outside fresh air is mandatory when installing this unit in airtight homes and mobile homes
A Fresh-air intake is strongly recommended for all installations.
Failure to install intake air may result in improper combustion as well as the unit smoking during power failures.
When connecting to an outside fresh air source, do not use plastic or combustible pipe. A 2” minimum (51mm) ID (inside diameter) steel, aluminum or copper pipe should be used. It is recommended, when you are installing a fresh air system, to keep the number of bends in the pipe to a minimum.
MASONRY FIREPLACE INSERT INSTALLATION
The GFI55-2 requires a surround faceplate and a pedestal. When installing this unit, ensure that the pedestal is removed from the inside of the hopper and installed on the bottom of the unit. Refer to “Installation of Pedestal and Leveling Legs”.
Adjust hopper height – refer to “Installing Hopper Cover and Adjusting Hopper Height” and assemble surround panel. See “Installation and Removal of Control Panel in the Surround Panel” and “Assembly and
Installation of Insert Surround Panels” before starting installation.
A non-combustible hearth pad must cover combustible flooring underneath, as well as 6” (150mm) in front of the heater and 6” (150mm) to the side of the heater
- Install the hearth pad, if required.
- Lock the fireplace damper in the open position.
- Install a positive flue connector at the fireplace damper.
- Connect a tee or 90° elbow to the exhaust pipe.
- This fireplace insert must be installed with a continuous chimney liner of 3 or 4” diameter extending from the fireplace insert to the top of the chimney. The liner must conform to type 3 requirements of CAN/ULC S635. For lengths below 25′ use 3″ and increase to 4″ if longer.
- (Recommended) Install fresh air intake either through the back of the fireplace or through the positive flue connector.

When installing the insert into a masonry fireplace DO NOT remove any bricks or masonry, with the following exception; masonry or steel, including the damper plate, may be removed from the smoke shelf and adjacent damper frame if necessary to accommodate a chimney liner. Provided that their removal will not weaken the structure of the fireplace and chimney, and will not reduce protection for combustible materials to less than that required by the national building code.
When installing the fireplace insert into a zero clearance fireplace, where allowed by local codes, DO NOT cut or modify any factory firebox parts.
If the fireplace insert does not fit into a zero clearance fireplace we recommend you use an Greenford freestanding model and install as a hearth mounted unit. Install a 3” (76mm) flex pipe from the stove to the top of the chimney. Refer to “Hearth Mount Installation”.
POSITIVE FLUE CONNECTION WITHOUT A FULL RELINE (USA ONLY)
This unit does not require a full reline (in USA only) when installing into a masonry fireplace, however, it is recommended to ensure proper drafting of the appliance. This type of application is not recommended.
IMPORTANT: Ensure the chimney and firebox are cleaned and free of all debris, including soot and ashes, before proceeding with this installation. If it is not clean, soot may be blown into the room through the unit’s blower. Ensure the fireplace and chimney have not deteriorated in any way. If there is any sign of corrosion or damage in the chimney the unit can not be installed. This unit can be installed in a masonry fireplace built to (UBC 37 or ULC S628 standards) or a factory built fireplace (built to UL 127 or ULC S610 standards).
- Install the hearth pad. The floor 6” (150mm) in front of the unit and 6” (150mm) to each side of the unit must be protected with a noncombustible hearth pad.
- The vent connector from the insert must extend a minimum of 18” above the chimney seal plate. The chimney seal plate area must be sealed to prevent the exhaust from the chimney from coming back into the fireplace and prevent air from the fireplace from entering the chimney which will affect proper drafting of appliance.
A qualified installer should evaluate the existing fireplace to determine the best method for achieving a positive flue connection between the vent pipe or liner and the chimney. Whatever method used must effectively seal the area to prevent room air passage to the chimney cavity of the fireplace. A couple examples of Approved Methods of Achieving a Positive Flue Connection are:
a) Secure a seal-off plate (i.e. 22-gage sheet steel) in the masonry fireplace throat using masonry screws.
b) Pack non-combustible material (i.e. rockwool) around the vent pipe or using a flue adapter. - Set leveling leg to approximate height.
IMPORTANT: The chimney seal plate must be removed for the annually
chimney cleaning as ash will build up on top of the plate.
Be aware that this type of application may have a negative effect on performance not covered under warranty
TOP VENT ADAPTOR KIT & 3” (76 MM) TO 6” (152 MM) FLUE ADAPTOR (APPROVED FOR VERTICAL INSTALLATIONS ONLY)

*In order to achieve the maximum rated efficiency of 75% HHV purchase of a top vent adaptor kit (GF55-920) is required Use the sheet metal screws provided to attach the kit to the rear of the unit as shown. Please see kit instruction manual for more detailed installation instructions.
The stove must also be connected to a 6” (152 mm) Class A flue (where permitted) using the 3” (76 mm) to 6” (152 mm) Flue increaser (946-792).
See separate instruction manual for complete details.

















