APW wyott CW-3Ai Countertop Full Size 12 x 27 Warmer Owner’s Manual

WARNING: California Residents Only. This product can expose you to chemicals including chromium which is known to the State of California to cause cancer and birth defects or other reproductive harm. For more information go to www.P65Warnings.ca.gov.
WARNING: Improper installation, operation, service or maintenance can cause property damage, injury or death. Read and understand these instructions thoroughly before positioning, installing, maintaining or servicing this equipment.
This manual includes material related to installation, use , cleaning, and care. Exploded view[s], as well as any available parts list[s] and wiring diagram[s] pertaining to the unit[s] covered by this manual are also included.
This manual must be read and understood by all persons using or installing this appliance. Contact your APW
Wyott dealer if you have any questions concerning installation, use, or maintenance of this equipment.
DO NOT DISCARD THIS MANUA
General Installation
OWNER’S INFORMATION
- Always clean equipment thoroughly before first (See general cleaning instructions.)
- Check rating label for our model designation & electrical
- Locate equipment on level counter and plug into a grounded outlet so that the plug is (See individual description for electrical loads) On units bearing the CE marking, the appliance must be connected by an earthing cable to all other unites in the complete installation and hence to an independent earth connection.
General Operating Instructions
- All food-service equipment should be operated by trained
- Do not allow your customers to come in contact with any surface labeled “CAUTION HOT”.
- Where applicable, do not cook, warm or hold food directly in liner pans (well pans). Always use steam table pans/insets,
- Never hold food below 150°F (66°C).
General Cleaning Instructions
- NEVER clean any electrical unit by immersing it in Unplug unit before surface cleaning. NEVER POUR COLD WATER INTO DRY HEATED UNITS.
- Always clean equipment thoroughly before first Clean unit daily. Except where noted on charts: Use warm, soapy water. Mild cleansers & PLASTIC scouring pads may be used to remove baked-on food and water scale.
- Unplug all units before cleaning or All service should be performed by an APW authorized service agency.
- Do not use chlorides or chloride-based products in this Always clean equipment before first use. Clean unit daily. Use warm, soapy water. Rinse thoroughly to remove all residue. Chlorides, chloride-based products and improper cleaning may cause corrosion and pitting. FAILURE TO COMPLY WITH THESE INSTRUCTIONS MAY VOID UNIT WARRANTY.
GENERAL TROUBLESHOOTING
Always ask & check:
- Is the unit plugged in?
- Check circuit
- Is power switch on & pilot light glowing?
- Check rating Are you operating unit on proper voltage?
If the supply cord is damaged, it should be replaced by an identical supply cord.
If the above checks out, and you still have problems, call an APW authorized service agency.
SPECIFICATIONS
Installation:
Follow General Operating Instructions on previous page.
| MODEL | VOLTAGE | WATTAGE | AMPS 3PH_L1 |
| CW-3Ai | 208/240 | 1200/1600 | 5.7/6.6 |
| CW-3Ai-120 | 120 | 1800 | 15.0 |
| CW-3Ai-KFC1 | 120 | 1500 | 12.5 |
| CW-3Ai-KFC2 | 208/240 | 1200/1600 | 5.7/6.6 |
| W-43Vi | 208/240 | 1200/1600 | 5.7/6.6 |
| W-43Vi-120 | 120 | 1500 | 12.5 |
Operation: Infinite Control
- Turn infinite control to “HI” position and preheat for approximately 10
- Place: Covered full-size or fractional steamtable pans (CW-3Ai, W-43Vi) with preheated product into
- Re-adjust control to 2-4 setting depending on the amount and/or thickness of
- Keep inset/steamtable pan(s) covered to maintain ideal serving
Operations: Thermostat Control
Follow General Operating Instructions on previous page.
- Turn thermostat control to desired position and preheat for approximately 10
- Place: Covered full-size or fractional steamtable pans (CW-3Ai, W-43Vi) with preheated product into
- Re-adjust control setting, if necessary, depending on the amount and/or thickness of
- Keep inset/steamtable pan(s) covered to maintain ideal serving
Cleaning:
Daily Cleaning
- Refrigerate remaining
- Follow General Cleaning Instructions on previous
SERVICE INFORMATION IF A SHORTAGE OR A PROBLEM, CALL – in the USA: (800) 527-2100 PLEASE FOLLOW THESE INSTRUCTIONS:
- ON CALLS YOU WILL NEED TO GIVE THE FOLLOWING
- Name and title of person
- Phone number of person
- Business
- Street
- City, State,
- Model Number (from serial plate).
- Serial Number (from serial plate).
- Date purchased (if serial number indicates date of manufacture is over 13 months old you will be asked to supply proof of purchase)
- Purchased
- FOR SHORTAGE – SUPPLY THE ABOVE INFORMATION AND FULLY EXPLAIN WHAT IS MISSING. It will be sent immediately – prepaid via UPS or (Next Day Air or Priority shipments available at customer’s expense).
- FOR EQUIPMENT PROBLEM – IF WITHIN ONE YEAR FROM DATE OF PURCHASE, THIS UNIT FAILS TO FUNCTION, YOU ARE ENTITLED TO – YOUR CHOICE OF 1, 2, OR
1. APW Wyott will replace the unit.
When calling the factory, besides the above information you will need Electrical Characteristics, voltage and phase; describe the problems the best you can. The factory will require a *Visa or Master Card number and expiration date of same to assure return and/or validity of condition. Upon validation of credit card information, factory will strive to ship a replacement unit the same day if call is received before 3:00
p.m. Central Time or the next day if later. The replacement unit will be shipped prepaid regular UPS or equivalent. If requested Next Day Air or Priority, shipment will be made at customer’s expense. Upon receipt it is the customer’s responsibility to unpack the new unit taking care to preserve the packaging. Repack the unit being replaced in the same container using caution to pack properly and return this unit to the factory following the instructions supplied. Factory will supply return label and UPS call tag, both must be used. If original unit is returned within 30 days and is as represented the credit card validation will be canceled.
- You may take this unit to the APW Wyott Authorized Service List of same is included with each product. If the problem is covered under warranty the unit will be repaired at no cost to you. If the Authorized Agency cannot repair same within a reasonable time while you wait, it will be returned to you prepaid, via UPS.
- You can request the Authorized Service Distributor to service the equipment on If problem is covered under the warranty the parts and labor will be billed to the factory, the mileage and travel time will be responsibility of the owner.
THIS REPLACEMENT WARRANTY IS ONLY AVAILABLE ON SELECTED PRODUCTS SHIPPED WITHIN THE CONTINENTAL USA, ALASKA, HAWAII AND CANADA. AS WITH MOST WARRANTIES – WARRANTY IS ONLY VALID TO THE ORIGINAL END-USER/OWNER.
INSTRUCTIONS AND PROCEDURES MUST BE FOLLOWED OR THE WARRANTY IS VOID.
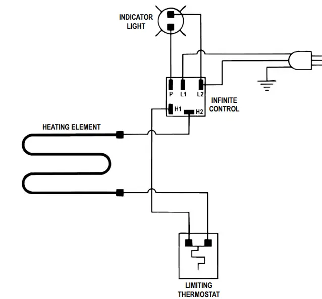
WIRING DIAGRAM – CW-3Ai
WIRING DIAGRAM- CW-3Ai-KFC1, CW-3Ai-KFC2
WIRING DIAGRAM – W-43Vi
EXPLODED VIEW- CW-3Ai
PARTS LIST- CW-3Ai
| ITEM # | PART # | DESCRIPTION | QTY | ||
| 1.1 | D8-WM0001 | WELL PAN ASY 12X27 W/W | 1 | ||
| 2* | D8-WM0002 | WRAP, CW-3Ai/43Vi WELDASY | 1 | ||
| 3 | D8-21872017 | SIDE MOUNT | 4 | ||
| 4 | D8-21872015 | ELEMENT COVER,CW 12X27 | 1 | ||
| 5 | 2N-55441 | CW-3Ai & CW-3Ai-KFC2 | ELEMENT; 208/240V 1200/1600 | 1 | |
| 2N-55466 | CW-3Ai-120 | ELEMENT; 120V 1800W 4/3 | 1 | ||
| 2N-56322 | CW-3Ai-KFC1 | ELEMENT; 115V 1500W MIL W | 1 | ||
| 6 | D8-21872013 | ELEMENT HOLDER | 1 | ||
| 7 | 2T-60320 | THERMOSTAT; K-396-12 M-83 | 1 | ||
| 8 | D8-57607 | BOTTOM COVER & FOOT ASSY | 1 | ||
| 9 | 2E-56536 | PILOT LIGHT S/A AMBER (2 ROUND) | 1 | ||
| 10 | 2R-54801 | KNOB; GUARD BLACK | 1 | ||
| 11 | 2R-56505 | KNOB; BLACK PLAIN (1 TO 10) | 1 | ||
| 12 | 2K-89111 | STRAIN RELIEF; BUSHING .875DD SR7W-2 | 1 | ||
| 13 | 2E-85645 | CW-3Ai & CW-3Ai-KFC2 | CORDSET 230V 16/3 SJTO 6-15P 90 DEG | 1 | |
| 2E-55310 | CW-3Ai-120 & CW-3Ai-KFC1 | CORDSET 14/3 300V .440 | 1 | ||
| 14 | 2C-89073 | SCREW; 8X1/2 HEX HD SELF DRILL TYPE AB | 19 | ||
| 15 | 2C-88933 | RIVET; 1/8 X 1/4 ALUMINUM | 15 | ||
| 16 | 2C-89031 | SCREW; 10-32 X 5/16 PHL HD SS | 2 | ||
| 17* | 2C-89059 | WASHER, #10 EXTERNAL LOCK | 2 | ||
| 18 | 2C-89061 | NUT; HEX 10-24 | 5 | ||
| 19 | 2C-89025 | NUT; SPEED 10-24 PAL ZINC | 11 | ||
| 22 | D8-21872060 | COVER MOUNT; W-43Vi | 2 | ||
| 23* | 2P-89134 | CLIP; JIFFY; 1/2 | 1 | ||
| 24 | 2M-58178 | LOGO; APW/WYOTT W/SLOT | 1 | ||
| 26* | 2C-88961 | NUT, 10-24 HEX GREEN/GRD | 1 | ||
| 27* | 2H-54817 | INSULATION; 14.0 X 22.0 X 1/2 | 1 | ||
| 28* | 2H-55905 | SLEEVING; FIBERGLASS 1/2 18.50 lg | 1 | ||
| 29 | D8-56347 | (A)THERMOSTAT BRACKET; MILITARY | 1 | ||
| 32* | 2H-55910 | SLEEVING; FIBERGLASS 1/2 24.50 LG | 1 | ||
| 33 | 2E-Z24800 | CONNECTOR, WAGO 3 WIRE PART 221-413, 105C CONT. | 3 | ||
PARTS LIST- W-43Vi
| Item # | Part # | Title | Qty | ||
| 1.1 | D8-WM0001 | WELL PAN ASY 12X27 W/STUDS | 1 | ||
| 2* | D8-WM0002 | WRAP, CW-3Ai/43Vi WELDASY | 2 | ||
| 3 | D8-21872017 | SIDE MOUNT | 4 | ||
| 4 | D8-21872014 | ELEMENT COVER | 1 | ||
| 5 | 2N-55441 | W-43Vi | ELEMENT, 1200/1600W 208/240V | 1 | |
| 2N-56322 | W-43Vi-120 | ELEMENT; 115V 1500W MIL W | 1 | ||
| 6 | D8-21872013 | ELEMENT HOLDER | 1 | ||
| 7 | 2T-69106 | THERMOSTAT, LIMITING 345 F | 1 | ||
| 8 | D8-57607 | COVER, BOTTOM FOOT ASSY. | 1 | ||
| 9 | 2E-63012 | PILOT LIGHT S/A (2 FLATS) | 1 | ||
| 10 | 2R-54801 | KNOB; GUARD BLACK | 1 | ||
| 11 | 2R-55825 | KNOB, INFINITE NO LOGO | 1 | ||
| 12 | 2K-89111 | STRAIN RELIEF; BUSHING .8 | 1 | ||
| 13 | 2E-85645 | W-43Vi | CORDSET 230V 16/3 SJTO 6-15P 90 DEG | 1 | |
| 2E-Z24396 | W-43Vi-120 | CORDSET,120V W/PO TERMS | 1 | ||
| 14 | 2C-89073 | SCREW; 8X1/2 HEX HD SELF | 1 | ||
| 15 | 2C-88933 | RIVET; 1/8 X 1/4 ALUMINUM | 15 | ||
| 16 | 2C-89031 | SCREW; 10-32 X 5/16 PHL HD SS | 2 | ||
| 17* | 2C-89059 | WASHER #10 EXTERNAL LOCK | 3 | ||
| 18 | 2C-89061 | NUT, HEX 10-24 | 1 | ||
| 19 | 2C-89025 | NUT, SPEED 10-24 PAL ZINC | 6 | ||
| 22 | D8-21872060 | COVER MOUNT; W-43Vi | 2 | ||
| 23* | 2P-89134 | CLIP, JIFFY; 1/2 | 1 | ||
| 24 | 2M-58178 | LOGO; APW/WYOTT W/SLOT | 1 | ||
| 26* | 2C-88961 | NUT, 10-24 HEX GREEN/GRD | 1 | ||
| 27* | 2H-54817 | INSULATION, 14 X 22 X 1/2 | 1 | ||
| 28* | 2H-55910 | SLEEVING; FIBERGLASS 1/2 | 1 | ||
| 33 | 2E-Z24800 | CONNECTOR, WAGO 3 WIRE PART 221-413, 105C CONT. | 1 | ||
| 34* | 2C-89054 | NUT, KEPS 6-32 | 1 | ||
| 35* | 2J-87053-EGO | INFINITE CONTROL 240V 13A | 1 | ||
IMPORTANT FOR FUTURE REFERENCE
Please complete this information and retain this manual for the life of the equipment. For Warranty Service and/or Parts, this information is required.
LIMITED EQUIPMENT WARRANTY
APW warrants to the original purchaser of new APW’s products to be free from defects in material or workmanship, under normal and proper use and maintenance service as specified by APW and upon proper installation and start-up in accordance with the instructions supplied with each APW unit. APWs’ obligation under this warranty is limited to a period of one [1] year from the date of original installation, or eighteen [18] months from original invoice date, whichever occurs first. Defects that occur as a result of normal use, within the time period and limitations defined in this warranty, will at APWs’ discretion have the parts replaced or repaired by APW or a APWs-authorized service agency.
THIS WARRANTY IS SUBJECT TO ALL LISTED CONDITIONS
Repairs performed under this warranty are to be performed by an APW authorized service agency. APW will not be responsible for charges incurred or service performed by non-authorized repair agencies. In all cases, the nearest APW-authorized service agency must be used. APW will be responsible for normal labor charges incurred in the repair or replacement of a warrantied product within 50 miles (80.5 km) of an authorized service agency. Time and expense charges for anything beyond that distance will be the responsibility of the owner. All labor will need to be performed during regular service hours. Any overtime premium will be charged to the owner. For all shipments outside the U.S.A. and Canada, please see the International Warranty for specific details. It is the responsibility of the owner to inspect and report any shipping damage claims, hidden or otherwise, promptly following delivery. No mileage or travel charges will be honored on any equipment that is deemed portable. In general, equipment with a cord and plug weighing less than 50 lb. (22.7 kg) is considered portable and should be taken or shipped to the closest authorized service agency, transportation prepaid.
CONTACT
Should you require any assistance regarding the operation or maintenance of any APW Manufacturing; phone or email our service department. In all correspondence provide the model number and serial number of the unit needing service; include the voltage or gas type.
Normal Business Hours: 8:00 a.m. to 4:30 p.m. Central Telephone: 800-264-7827 Tech Service Option 2 Email: [email protected] www.apwwyott.com
WARRANTY EXCLUSIONS
THE FOLLOWING WILL NOT BE COVERED UNDER WARRANTY.
APWs’ sole obligation under this warranty is limited to either repair or replacement parts, subject to the additional limitations detailed below. This warranty neither assumes nor authorizes any person to assume obligations other than those expressly covered by this warranty.
- Any product which has not been used, maintained, or installed in accordance with the directions published in the appropriate installation sheet and/or owner’s manual, including incorrect gas or electrical APW is not liable for any unit which has been mishandled, abused, misapplied, subjected to harsh chemicals, modified by unauthorized personnel, damaged by flood, fire, or other acts of nature [or God], or which have an altered or missing serial number.
- Installation, labor, and job checkouts, calibration of heat controls, air and gas burner/bypass/pilot adjustments, gas or electrical system checks, voltage and phase conversions, cleaning of equipment, or seasoning of griddle
- Replacement of fuses or resetting of circuit breakers, safety controls, or reset
- Replacement of broken or damaged glass components, quartz heating elements, and light
- Labor charges for all removable and consumable parts in gas charbroilers and hotplates, including but not limited to burners, grates, and
- Any labor charges incurred by delays, waiting time, or operating restrictions that hinder a service technician’s ability to perform
- Replacement of parts that fail or are damaged due to normal wear or labor for replacement of parts that can be replaced during a daily cleaning routine, such as but not limited to silicone belts, PTFE non- stick sheets, control labels, knobs, bulbs, fuses, quartz heating elements, baskets, racks, and grease
- Any economic loss of business or
- Non-OEM Use of non-OEM parts without APWs’ approval will void the warranty.
- Units exceeding one [1] year from original installation date, or more than eighteen [18] months from original invoice date, whichever comes
ADDITIONAL WARRANTIES
- Specific/chain-specific equipment may have additional and/or extended
The foregoing warranty is in lieu of any and all other warranties expressed or implied and constitutes the entire warranty.






















