Paramount 4402388000 Clear O3 for Ozone Pure Water Installation Guide

www.1paramount.com/about/patents/
[email protected] · www.1Paramount.com
Signal Words and Symbols Used In This Manual
This Owner’s Manual and Installation Guide contains specific precautions and symbols to identify safetyrelated information. You will find DANGER, CAUTION, WARNING and NOTICE symbols which require special attention. Please read them carefully and follow these precautions as indicated! They will explain how to avoid hazards that may endanger you or persons using or maintaining your pool or spa.

PLEASE REVIEW THE OWNER’S MANUAL AND INSTALLATION GUIDE IN ITS ENTIRETY AND HEED ALL SAFETY INFORMATION. Failure to follow these instructions and warnings can result in DEATH OR SERIOUS INJURY.
SAFETY INSTRUCTIONS
IMPORTANT SAFETY INSTRUCTIONS: READ COMPLETELY BEFORE PROCEEDING WITH INSTALLATION. SAVE THESE INSTRUCTIONS
When using this electrical equipment, basic safety precautions should always be followed, including the following:
CAUTION READ AND FOLLOW ALL INSTRUCTIONS
- Follow all applicable electrical codes.
- A qualified licensed electrician should perform electrical hook-up.
- Turn off power at main source before making any electrical connections or servicing the unit.
- Use only liquid-tight flexible non-metallic conduit for electrical connections.
- A terminal marked G is located inside the supply terminal compartment. To reduce the risk of electric shock, this terminal must be connected to the grounding means provided in the electrical supply service panel with a continuous copper wire equivalent in size to the circuit conductors supplying this equipment.
- At least one lug marked “BONDING LUG” provided on the external surface of the unit. To reduce the risk of electric shock, connect the local common bond grid in the area of the pool or spa to this terminal with an insulated or bare copper conductor not smaller than 6 AWG.
WARNING
- ALWAYS wear safety glasses when using power equipment during the installation process.
- Install at least 5 ft from pool or spa water using non-metallic plumbing. Mount ozone generator near pool equipment at least one (1) foot above maximum water level to prevent water from contacting electrical equipment. Install in accordance with the installation instructions.
- Short-term inhalation of high concentrations of ozone and long-term inhalation of low concentrations of ozone gas can cause serious harmful physiological affects. Do not inhale gas produced by this unit. If installed in an enclosed space make sure to account for adequate ventilation.
- UV LIGHT PRODUCED BY THIS UNIT IS HARMFUL TO THE EYES AND MAY CAUSE BLINDNESS. DO NOT LOOK DIRECTLY AT A LIT BULB!
NOTICE TO INSTALLER/OWNER: - Save these instructions and deliver to pool owner when installation is complete.
- Lamp contains mercury. Dispose of in accordance with local and state regulations.
WHAT IS OZONE AND HOW DOES IT WORK
- Ozone is created from oxygen using a simple yet powerful system of UV bulbs, to be used as a pure shock (oxidizer) for the swimming pool.
- Ozone is injected into the pool water using the Clear O3® suction injection system, where the ozone enriched air is mixed with the water going into the pool circulation pump. This creates a dynamic environment that best mixes the air and water at high pressure as it is sent into the filter
- Once in the water, the ozone breaks down materials such as ammonia, oils, and other non-living waste that are detrimental to chlorine’s function in the pool. This occurs between the pump and filter and also in the filter. Chlorine is in a group of the least stable elements and must be combined with another material to become stable. In swimming pools, this process creates the formation of combined chlorines, like chloramines, which do not sanitize and have adverse effects on human skin. Use of ozone allows the chlorine to work primarily as a water disinfectant.
- Pool water treatment can be broken down into three primary categories:
- Disinfectant – The killing of living organisms (virus, bacteria, algae). This consumes only 10-20% of the chlorine normally placed in a pool.
- Oxidation – The removal of non-living waste from pool water. This consumes up to 70% of the chlorine placed in standard treated pools
- Residual – The remaining, measurable sanitizer is left in the pool as a safety net to maintain the water quality until it is brought through the pool equipment again. Usually less than 10% of the chlorine originally placed in a pool is left over as residual. Installing a Clear O3® Water Purification system will reduce the amount of chlorine needed to maintain a pool by up to70%.
The benefits of using ozone include:
- Fewer chemicals to maintain the pool.
- Less work to maintain the pool water.
- More enjoyable water, being treated similar to bottled water.
- Longer filter cycles, and increased life for the salt chlorinator cells (if present).
TO COMPLETE INSTALLATION YOU WILL NEED THE FOLLOWING ITEMS (NOT INCLUDED)
(1) Six (6) feet ½” non-metallic conduit outdoor rated.
(1) ½” conduit compression fitting.
SELECTING LOCATION & MOUNTING UNIT
- Select a location on a wall near the pool equipment or insert posts into the ground, which will be used to hang unit. The Clear O3® unit should be at least one (1) foot above maximum water level, and for extra safety the unit must be mounted higher than the filter. The unit should be within five (5) feet of an electrical source, and within nine (9) feet of plumbing connection. Mounting brackets are horizontally adjustable to line up with hard points on the mounting surface. The unit must be mounted horizontally and level on the wall. Electrical connections should be facing downward.
- Use provided screws and plastic wall inserts or poles and pole mount clamps (not included) depending on installation surface available.
- Four (4) mounting brackets are included (two for the top slot and two for the bottom slot.
- Install anchors and screws in desired location for the top hangers. They must be no further apart than twelve (12) inches. Do not tighten screws all the way. (Fig. 1)
- Hang the Clear O3 from the two top brackets by sliding the keyhole slots over the screws.
- Mark the location for the two bottom brackets. (Fig. 2)
- Remove the Clear O3 from the wall and install the wall anchors.
- Place the Clear O3 unit back on the screws and line up the two lower brackets with the wall anchors. (Fig. 3)
- Install the bottom two screws and tighten all screws.

MAKING ELECTRICAL CONNECTIONS
DANGER
Turn off power at main source before making any electrical connections or servicing the unit. UV light produced by this unit is harmful to the eyes and may cause blindness! Do not look directly at a lit bulb!
- A licensed electrician should make all electrical connections. The unit must grounded by connecting to the pool equipment’s bond wire to comply with local electrical codes.
- Turn off power to the filtration system pump at the circuit breaker.
- Install an approved seal tight flex conduit (not included) rated for outdoor use, between the ClearO3 unit and power source.
- The ClearO3 must be wired to a power source that energizes the bulb when the pump that the air line is connected to is running. This includes suction and maze pressure side installations. Power sources can be but not limited to control panels and time clocks.
NOTICE The ClearO3 ballast is voltage sensing. The wiring can be done in 120v or 220v. A second bonding lug for a bond wire is on the outside of the ClearO3 housing. Current draw is 120V=.7A, 203V=.44A
- Use external ground lug to connect the Clear O3 to the pool pump ground bond. (Fig. 4)
- Using your chosen power source, turn on the system to make sure the ClearO3 and the pump responsible for creating the suction through the ClearO3 are coming on together. (Fig. 5)


Wiring for 220v: The two hot wires can be connected to either of the two posts and the green ground wire to the grounding lug.
Wiring for 120v: Connect the neutral wire to the left post, the hot wire to the right post and the green ground wire to the grounding lug. 6
ALTERNATE ELECTRICAL CONNECTION FOR MULTI-SPEED PUMP WITHOUT A CONTROLLER OR TIME CLOCK
Some variable and multi speed pumps have a built in controller. This requires the ClearO3 to have its own controlling device. A common method in this type of instillation is to use a flow switch. Paramount has available an add-on paddle flow switch (Paramount part# 004-402-0010-00 or Grid Controls part # 57-F1-225-00W). The power is run through this switch and then to the ClearO3. The flow switch is plumbed in the main line of the pool return. When it senses flow the ClearO3 is turned on.

The ClearO3 should be wired to run with the filter pump which creates the air draw through the unit needed to create ozone. Do not set the ClearO3 to run when the filter pump is off.


Use the external ground lug to connect the ClearO3 to the pool pump bond wire. (Fig. 7)

Turn on power to the filtration system pump. Check the glow tube on the left front of the ClearO3. (Fig. 8) A light blue light indicates the lamp is lit and the unit should be producing ozone.
Note: When the ClearO3 starts up, the light will be orange for around 10 seconds before it turns blue. If the light stays orange or red, turn the unit off immediately. Failure to do so will damage the ballast.
MAKING PLUMBING CONNECTIONS
- 1. Turn off power to the filtration system pump at the circuit breaker.
- 2. Pump strainer pot installation: (Fig. 9)
- 2.1 Check pump elevation above water level. Refer to (Chart 1)for proper check valve selection. The 0.5 lb valve comes standard with Clear O3 and others are available to order separately.
- 2.2 Remove strainer pot plug. If there is an O-Ring on plug take O-Ring off of pot plug and slide over threaded end of check valve.
- 2.3 Wrap the check valve four times with teflon tape and install into the strainer pot plughole. Add more tape if valve does not seal. (Fig. 10)
- 2.4 Install the combination needle valve flow meter on the bottom of the Clear O3 unit. (Fig. 11)
- 2.5 Install 3/8″ OD x 1/4″ ID tubing to compression end of check valve. (Fig. 12)
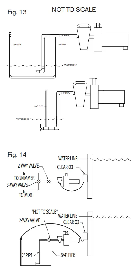
- 3. Pre-pump standpipe installation: (Fig. 12, Fig. 13)
- 3.1 Cut cap off standpipe.
- 3.2 Glue a 3/4″ elbow and a 3/4″ x 1/4″ NPT reducer bushing on end of standpipe.
- 3.3 Install the threaded end of the check valve included in the reducer bushing.
- 3.4 Install 3/8″ OD x 1/4″ ID tubing to valve using the compression nut. (Fig. 12)


- 4. OPTIONAL SUBMERGED EQUIPMENT INSTALLATION (Fig. 14)
To complete this installation option you will need a two way valve not included.- 4.1 Install the two way valve on the inlet pipe to the pump suction. (before the standpipe if installed)
- 4.2 Make all other connections before the two way valve.
- 4.3 Make tubing connections to the pump pot or standpipe as in standard pump above water level installation.
- 4.4 Start the pump with the valve fully open.
- 4.5 Note the filter pressure. Then close the valve
slightly until the pressure on the filter drops two or three psi. 4.6 Go to setting the airflow on page 13 to finish setting airflow. The slight restriction this creates on the pump is the same as if it was set at approximately one foot above water level and allows the pump to draw air in at the pump pot or standpipe. (Fig. 14)
- 5. Lay the 3/8 tubing along desired route to the compression fitting on the combination needle valve flow meter on the Clear O3 unit.
- 6. Connect the tubing to the compression fitting. (Fig. 15)
- 7. Use the provided wires ties to tie the loose tubing to the conduit or plumbing. (Fig. 16)


PLUMBING FOR THE CLEAR03 USING THE VENTURI INJECTOR METHOD
The injector manifold must be installed in the pool’s main return line after the pool filter, heater, chlorinator and spa return. (Fig. 17) shows the basic installation. Locate the appropriate section of the return line and install the injector manifold using PVC primer and glue on all mating surfaces. Glue in a minimum 2″ return line. Water flow arrows on the manifold must be followed and the injector needs to be facing up with the bypass down. See Fig. 17, Fig. 18.
The Clear03 ozone suction line will hook directly up to the bottom of the Clear03 and the other end to the injector with the check valve provided with the Clear03. No flow meter is needed or provided.
NOTE: The ClearO3 unit must be mounted at least 1′ above pool water level to prevent water from contacting electrical equipment.

PLUMBING THE CLEAR03 WITH THE ULTRA UV AND OFF LINE CHLORINE FEEDER USING THE VENTURI INJECTOR METHOD
When installing a Clear O3 and an Ultra UV with a Pressure Side Venturi Injector Manifold in the same pool system it is recommended, for maximum sanitation, that the Venturi Manifold be installed after the filter followed by the Ultra UV. Pool systems that have erosion type chlorine/bromine feeders we recommend installing a feeder designed for off line plumbing installations offered by several pool equipment manufacturers. The inlet water being supplied to the feeder should be tapped between the pump discharge and the inlet to the filter. The discharge from the feeder should return to the piping to the pool after the heater or after the last component in the system. Follow the feeder manufacturer’s instructions for installation of the feeder.

Figure 1
This piping arrangement is required to prevent air and ozone from getting into the chlorine feeder and hampering it’s performance, and to prevent chlorine from getting into the Ultra UV or other equipment and causing damage.
PLUMBING THE CLEAR O3 AND ULTRA UV WITH OZONE INTRODUCED AT THE PUMP AND AN INLINE CHLORINATOR
When installing a Clear O3 and an Ultra UV in the same pool system, where the Ozone is piped into the pump strainer pot or into a standpipe before the pump suction, it is recommended that an air bleed be installed to remove excess air from the filter and return it to the pool piping downstream of the inline chlorinator, which should be the last component in the system. The Clear O3 Air Bleed Kit is available from Paramount. Item No: 006-402-3872-00. Please refer to the Plumbing Diagram Figure 2.

PLUMBING THE CLEAR O3 AND ULTRA UV WITH OZONE INTRODUCED AT THE PUMP AND AN OFFLINE CHLORINATOR
When installing a Clear O3 and an Ultra UV on the same pool system, where the Ozone is piped into the pump strainer pot or into a standpipe before the pump suction, it is recommended that an air bleed be installed to remove excess air from the filter and return it to the pool piping downstream of the Heater, or the last component in the system. The Clear O3 Air Bleed Kit is available from Paramount. Item No: 006-402-3872-00. Please refer to the Plumbing Diagram Figure 3.

SETTING AIR FLOW

- Clean filter and pump basket before setting airflow.
- Turn the knob on the needle valve/flow meter clockwise to close
valve completely. - Turn the power on to the pump.
- Turn the knob on the needle valve/flow meter counter clockwise
until the ball reads in the middle of the two lines on the flow meter. (Fig. 19)
Note: From time to time condensation may collect in the flow meter, especially in moist climates or following a rain storm. The moisture may cause the orange ball to become stuck. The flow meter is not broken. The water will eventually dry up and the ball will begin to float again. To check draw to the pump look for air bubbles entering the pump pot.
IMPORTANT NOTES REGARDING THE FLOW METER:
- IF THE PUMP THAT THE CLEAR 03 UNIT IS INSTALLED ON IS A PUMP RUNNING A PARAMOUNT IN-FLOOR SYSTEM, lock the water valve on pause (the pause control is located on top of the Paramount water valve) when the valve is switching ports and therefore at it’s maximum flow. Set the flow meter so the ball is on the upper line of the “normal” range.
- WHEN USING MULTIPLE SPEED PUMPS, SET THE FLOW METER WITH THE PUMP RUNNING ON THE HIGHEST SPEED THAT WILL BE USED.
- The Clear O3 flow meter is very sensitive and the red ball may drop down below the `normal’ marker after it has been set. If this happens on your unit, please be aware that this is normal. The flow meter will still deliver the proper amount of ozone as long as the blue light is on. You do not need to reset the flow meter until after you clean your filter.
EXTERNAL SAFETY AIR BLEED KIT INSTRUCTIONS (OPTIONAL)
Sometimes the internal air bleed on the filter is not sufficient to handle the extra air in the system with an ozonate installed. An External Safety Air Bleed Kit (006-402-3872-00) (Fig. 20) for in-ground swimming pools is available to remove excess air from the filter and send it downstream (up to 15′) past all equipment. After installing always test per instructions that air is vented from the filter when the pump is running. You must install an external air bleed if the filter is old, does not have an internal air bleed, there is a solar system on the pool or there is a robotic pressure side cleaner.

Mounting Instructions

- Turn the power off to the pump.
- Remove the pressure gauge from the filter.
- Install the nipple into one end of the brass tee.
- Install the pressure gauge by threading into the other end of the brass tee supplied.
- Install the tubing compression fitting by threading into the side of the brass tee.
- Install the tee assembly by threading into the hole where you removed the pressure gauge (Fig. 21).
- Insert one end of the tubing into the compression fitting (Fig. 21).
- Turn the power on to the pump and check that air is coming from the other end of the tubing.
- Turn the power off to the pump.
- Pick a spot on the return pipe downstream of all other devices (heater, chlorinator, pressure cleaner, etc.)
- Drill a 7/16″ hole through the return pipe at the location selected.
- Install the saddle clamp with the fitting over the hole. Make sure the gasket is in place between the fitting and the pipe. (Fig. 21)
- Lay the tubing along the return pipe to the saddle clamp fitting and cut off excess length.
- Connect the end of the tubing to the compression fitting on the saddle clamp (Fig. 21). The tubing can be secured to the pipe using cable ties (not included).
BULB REPLACEMENT
NOTE: Ozone production from direct UV light will decline over time. UV bulbs continue to illuminate after they stop producing an effective level of ozone to clean your pool water. To make sure your pool continues to receive all the benefits of ozone, Paramount recommends that you replace your bulb every three (3) years or 13,000 operating hours.
DANGER Turn off power at main source before making any electrical connections or servicing the unit. UV light produced by this unit is harmful to the eyes and may cause blindness! Do not look directly at a lit bulb!
REPLACING UV BULB
DO NOT TOUCH THE GLASS, HANDLE BY CERAMIC ENDS OF BULB


Check glow tube on the left front of the Clear O3. A light blue light indicates lamp is lit and the unit is producing ozone.
TROUBLESHOOTING & SERVICE

The ballast resets instantly on restoration of power. When the lamp restarts, it will light up orange first then turn blue in about 10 seconds. If the UV bulb still does not illuminate 1-800-627-5886 and ask for customer service for further instructions.
CLEAR O3 PART NUMBERS




Clear O3TM Warranty Certificate
In compliance with the Magnuson-Moss Warranty-Federal Trade Commission Act (Public Law 930637, Paramount Pool & Spa Systems (PP&SS) provides the following limited warranties.
CONDITIONS
This limited warranty shall be subject to the original owner complying with the following conditions: PP&SS warrants to original owner, materials, and equipment to be free of defects for a period of two (2) years from the date of swimming pool start-up or retail purchase. The materials, parts and/or related component parts supplied or distributed by PP&SS are covered under this two (2) year limited warranty. (PVC plumbing installed, labor, material and all other work performed by contractors is not covered under PP&SS Warranty.) PP&SS offers in field warranty service through a network of authorized Warranty Service Stations (W.S.S.) for one (1) year from the date of swimming pool start up or retail purchase. This warranty service must be arranged through your builder or retailer with Paramount. There is no reimbursement for any labor charges incurred outside of the Paramount W.S.S. network.
Replacement parts are warranted for a period of one (1) year from date of purchase and are not sold with any field service program.
REPLACEMENT CONDITIONS
Contact PP&SS for an RMA number, and return it to PP&SS. Ship part in question freight pre-paid, and upon confirmation of defect, PP&SS will repair or replace the PP&SS warranted item at no charge to the original owner. The repaired or replaced PP&SS item will be returned to the original owner with the return freight paid by original owner. Labor to reinstall the repaired or replaced item is the sole responsibility of the owner.
LIMITATIONS
No warranty extends to any part of the PP&SS parts or components which is caused by any of the following conditions or events:
- Defects or failures caused by abuse, lack of responsible care, lack of necessary maintenance, improper operation, vandalism, acts of God.
- Damages or failures caused by abuse, lack of responsible care, lack of necessary maintenance, improper operation, vandalism, acts of God.
- PP&SS expressly denies any responsibility or liability for incidental or consequential damages arising out of, or as a result of, use or ownership of your PP&SS parts or as a result of use or ownership of your PP&SS parts or components, or other related products covered under this limited warranty.
- Any defects caused by acts of God, such as storms, earthquakes, ground movement, or freezing, etc., that are beyond the normal conditions.
- Installation of the PP&SS System by a non-authorized installer may render this warranty null and void.
Some states do not allow the exclusion or limitation of incidental or consequential damages, so the above limitations or exclusions may not apply to you. Implied warranties are limited in duration to the duration of the written limited warranty here within. Some states do not allow limitations on how long an implied warranty lasts, so the above limitations may not apply to you. This warranty gives you specific legal rights, and you may also have other rights that may vary from state to state.
Paramount Pool & Spa Systems (PP&SS) | 295 E. Corporate Place, Suite 100 | Chandler AZ 85225 | 1.800.621.5886 | 1Paramount.com U.S. and Foreign patents and patents pending go to: www.1paramount.com/about/patents/ 004-027-7997-00 REV060914
Limited manufacturer’s warranty. 2 years on parts & 1 year on labor (labor only through authorized warranty service stations)
POOL OWNER INFORMATION

PLACE WARRANTY REGISTRATION IN ENVELOP AND MAIL TO Paramount Pool & Spa Systems. 295 East Corporate Place, Suite 100 · Chandler, AZ 85225
Fax: 480.753.3397
E-mail: [email protected]
Web: www.1Paramount.com/products/warranty.php
NOTES

CLEAR03 MAZZIE PRESSURE SIDE INJECTOR MANIFOLD INSTALLATION GUIDE
004-027-7475-00 REV 122215 US and Foreign patents and patents pending see www.1paramount.com/about/patents/
295 East Corporate Place · Suite 100 · Chandler, AZ 85225 Sans frais : 1.800.621.5886 · Téléphone : 480.893.7607 Télécopieur : 480.753.3397 [email protected] · www.1Paramount.com
PLUMBING FOR THE CLEAR03 USING THE VENTURI INJECTOR METHOD
The injector manifold must be installed in the pool’s main return line after the pool filter, heater, chlorinator and spa return. Figure 1 shows the basic installation. Locate the appropriate section of the return line and install the injector manifold using PVC primer and glue on all mating surfaces. Glue in a minimum 2″ return line. Water flow arrows on the manifold must be followed and the injector needs to be facing up with the bypass down. The Clear03 ozone suction line will hook directly up to the bottom of the Clear03 and the other end to the injector with the check valve provided with the Clear03. No flow meter is needed or provided.
NOTE: The ClearO3 unit must be mounted at least 1 foot above pool water level to prevent water from contacting electrical equipment.

CLEAR O3, ULTRA UV AND A CHLORINATOR INSTALLATIONS WITH VENTURI MANIFOLD
When installing a Clear O3 and an Ultra UV with a Pressure Side Venturi Injector Manifold in the same pool system it is recommended for maximum sanitation that the Venturi Manifold be installed after the filter followed by the Ultra UV. Pool systems that have erosion type chlorine/bromine feeders we recommend installing a feeder designed for off line plumbing installations offered by several pool equipment manufacturers. The inlet water being supplied to the feeder should be tapped between the pump discharge and the inlet to the filter. The discharge from the feeder should return to the piping to the pool after the heater or after the last component in the system. Follow the feeder manufacturer’s instructions for installation of the feeder.
Refer to the plumbing diagram below:
This piping arrangement is required to prevent air and ozone from getting into the chlorine feeder and hampering it’s performance, and to prevent chlorine from getting into the Ultra UV or other equipment and causing damage.




















