Ozone generators
002a Ed. 12/2021

Instruction manual for use and maintenance
O3 P10 Ozone Generators
FOREWORD
- This manual provides the Customer with information on the machine and the applicable regulations, as well as the user and maintenance instructions required to use the machine optimally and keep it in good working order.
- This manual must be made available to all the device’s users and maintenance technicians.
CH. 1 – INFORMATION ON THE DEVICE
1.1 – General precautions
- The ozone generator must be used only by trained staff, who must be entirely familiar with the contents of this manual.
- New staff must be trained in advance on how to use the machine.
- Strictly avoid using the device when other people or animals are present; ventilate the area thoroughly before allowing them to spend time in it again.
- When programming the device for use, concentrate on the job in hand.
- Periodically check the condition of the power cable; a damaged or worn power cable poses a serious electrical hazard.
- If the device is or appears to be malfunctioning, do not use it and contact the Support Centre immediately.
- Do not attempt to perform repairs yourself but always contact the Service Centre.
- The user is not authorised to tamper with the machine for any reason whatsoever. Contact the Service Centre if you encounter any anomalies.
- Any attempt to dismantle, modify or tamper with any part of the machine by the user or unauthorised personnel will immediately void the Declaration of Conformity, invalidate the warranty and relieve the Manufacturer of any liability. The manufacturer is also relieved of all liability for the consequences of:
⇒improper use or tampering with the machine by inadequately trained personnel;
⇒lack of or poor maintenance;
⇒use of non-original spare parts not specifically designed for the model;
⇒total or partial failure to follow the instructions given in this manual;
⇒treatment of the device’s surfaces with unsuitable products.
1.2 – Safety devices installed on the device
The safety devices against electrical risks conform to EU Directive 2014/35 and the 60335/1 standard.
The ozone generator is therefore equipped with electrical safety devices both when operating and when being cleaned or serviced.
Nonetheless, there are certain “RESIDUAL RISKS” that cannot be eliminated entirely; they are referred to herein with the word “WARNING” and concern use, cleaning and maintenance of the device when there is a risk of electrocution, fire and ozone (O3) inhalation due to the presence of people or animals during use. The ozone (O3) generated can also cause damage such as oxidation of the materials, objects and devices present in the treated environments.
1.3 – Description
1 – General description
The ozone generator is designed and built by our company with the precise aim of generating ozone from oxygen that is normally found in the air inside premises. It is built to ensure that:
- all its parts are sturdy and stable;
- it i highly manageable thanks to its handle, which makes it easy and comfortable to move and transport;
- the circulation fan favors excellent air/ozone exchange.
If any accident occurs, the manufacturer shall not be held liable if the machine has been modified, tampered with, deprived of its safety guards or used for purposes other than the intended uses specified by the manufacturer.
2 – Construction features
The ozone generator features:
- O3 P made of anodized aluminium and AISI 304 stainless steel.
- O3 T made of AISI 304 stainless steel.
- Materials that guarantee excellent resistance to oxidation.
- An ABS handle for to facilitate transport operations.
- The internal generator consists of a single-piece unit which raises the voltage to about 2,400 V and generates ozone (O3) through ceramic plates, due to the corona effect created by the powerful electric field.
1.4 – Intended use
The O3 P and T generators are designed to generate and introduce ozone (O3) into small- to medium-sized home and business settings (see tables on page 13).
It is a mere aid and cannot be used as a substitute for proper and thorough cleaning and sanitization of rooms, objects and surfaces.
1.5 – Improper use
The equipment must only be used for its intended purposes; in particular:
- It was not designed specifically for use in healthcare facilities and IS NOT A MEDICAL DEVICE.
- Do not use it to sanitise water or liquids.
- Do not use the equipment as a machine for generating ozone intended for other purposes.
- Do not use the device unless it has been properly positioned with all its guards in good working order, to prevent the risk of serious personal injury.
- Do not access the components to avoid the risk of electrocution.
- Do not start up the equipment if it is clearly or presumably faulty.
- Before using the device, make sure that any potentially hazardous conditions have been properly eliminated. If you notice anything unusual in its operation, shut down the device and inform the Support Centre.
- Do not allow any unauthorised personnel to intervene on the device.
1.6 – Technical data
Giving precise details of the “Model” and “Serial No.” of the device will enable our Support Service to provide you with a rapid and effective response.
We recommend specifying the device model and serial number whenever you contact the Support Service.
This information appears on the rating plate shown in Fig. 1.

LEGEND
| (A) = Product code and name (B) = Power supply (C) = Motor frequency (D) = Amperage (E) = Serial number | (F) = Barcode (G) = Manufacturer (H) = International Protection (I) = Weight (L) = Power (M) = Origin |
1.7 – Composition of the generator

Key
| 1 | Frame | 5 | ON-OFF controls |
| 2 | Suction (IN) | 6 | Timer |
| 3 | Emission (O3 OUT) | 7 | Power cable |
| 4 | Feet | 8 | Handle |
THE MACHINE’S ELECTRICAL SPECIFICATIONS ARE MARKED ON THE NAMEPLATE ON THE REAR OF THE MACHINE; BEFORE CONNECTING THE MACHINE TO THE POWER SUPPLY, REFER TO THE SECTION “CONNECTION TO THE POWER SUPPLY”
CH. 2 – TECHNICAL DATA
2.1 – Overall dimensions, weight, specifications
Fig. 3 – Dimensions and maximum overall dimensions

| Model | u.m. | 03 P10 | 03 P28 | 03 p28 Top | 03 T28 | 03 T56 | 03 T28 Top | 03 T56 Top |
| Power | watt | 100 | 200 | 200 | 200 | 370 | 200 | 370 |
| Power supply | 220-240V / 50 | |||||||
| Rated 03 production (*) | g/h | 10 | 28 | 28 | 28 | 56 | 28 | 56 |
| Timer | 120 min. | 120 min. | 0+24 h. | 120 min. | 120 min. | 0+24 h. | 0+24 h. | |
| Fan | m3/h | 165 | 165 | 165 | 165 | 165 | 165 | 165 |
| Ozone ppm control | No | No | Si | No | No | Si | Si | |
| A x B | mm | 210×140 | 210×140 | 210×140 | 222×129 | 222×129 | 222×129 | 222×129 |
| C x D | mm | 244×210 | 244×210 | 244×210 | 236×166 | 236×166 | 236×166 | 236×166 |
| E | mm | 252 | 252 | 252 | 689 | 689 | 689 | 689 |
| F | mm | I | I | I | 176 | 176 | 176 | 176 |
| Net weight | kg | 3,7 | 4,2 | 4,2 | 6,5 | 7 | 6,5 | 7 |
| * t e rated data refers to tests conducted in a room with 100% oxygen. The actual production is therefore proportional to the percentage of oxygen in the air. which is generally around 20-22%. | ||||||||
CH. 3 – RECEIVING THE DEVICE
3.1 – Shipping
The devices leave our warehouses carefully packed. The packaging consists of:
- a sturdy external cardboard box [Ref. (A) Fig. 4] and cardboard and/or polystyrene or polyurethane foam internal supports;
- the machine [Ref. (b) or Ref. (c) Fig. 4];
- this manual [Ref. (d) Fig. 4].

3.2 – Checks on delivery
When you receive the package containing the equipment, carefully check the packaging for signs of damage during shipping.
If the packaging shows signs of mishandling, impacts or dropping, report the damage to the shipping agent within three days of the date of delivery indicated on the documents and draw up a detailed report on any damage to the machine.
3.3 – Disposal of the packaging
The packaging materials (cardboard box, plastic strap and polystyrene or polyurethane foam) can be disposed of together with normal household waste, so their disposal does not pose any particular difficulties.
If the machine is installed in a country where special regulations apply, dispose of the material in accordance with the relevant provisions.
CH. 4 – INSTALLATION
4.1 – Positioning
O3 P: place the device at a medium height (about 1 m), on a smooth, stable, fire-retardant and sufficiently broad surface.
O3 T: place it on the ground.
Both devices must be placed away from walls, furniture, furnishings and, generally speaking, away from anything that might hinder the correct flow of air entering the device and of the ozone (O3) emitted by it (see Fig. 2). Position the generator in such a way that the emitted flow is directed towards the open space to be treated, and never towards walls, objects or any obstacles lying in between (Fig. 5).

4.2 – Connection to the power supply
The device comes with a power cable having a cross-sectional size of 3×1.5 mm², a length of 1.5 m and a Schuko plug. Connect the device to the 220–240 V, 50 Hz power supply, while making sure that the system complies perfectly with the standards and includes a 0.03 A / 10 A residual-current circuit breaker.
Moreover, check that the information on the machine’s rating plate matches the specifications shown on the delivery and shipping documents, and that both the master switch and cable are easily accessible while the machine is in use.
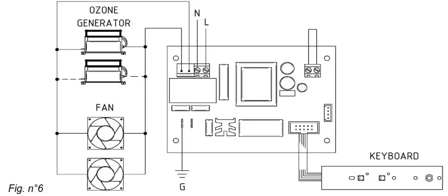
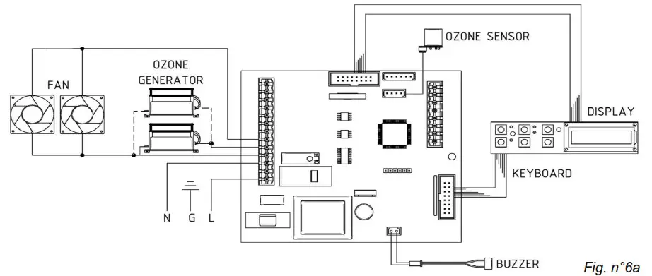
4.3 – Wiring diagram
1 – 220–240 V / 50 Hz

2 – 220–240 V / 50 Hz model TOP

CH. 5 – USING THE DEVICE
5.1 – Controls

1 Start
2 Stop
3 Timer
a) Start button indicator light
b) Stop button indicator light
Versione TOP

| 1 Start 2 Ozone regulation 3 Increases the selected value 4 Stop 5 Timer 6 Decreases the selected value | 7 Display a) Device on indicator light b) Voltage indicator light c) Valid set value d) Warning: invalid value |
5.2 – Programming the TOP version
- the device is OFF
- the display shows: “ – – – SANISIRMAN – – – “
- to enter the programming mode, rapidly press the following buttons in sequence

- the display will enter the programming mode: “+ + + SANISIRMAN + + +”
To programme the START TIME and END TIME:
- press the
button - set the start time with the
and
arrows - press the
button - se the END (stop) time with the
and
arrows - press the
button - use the
and
arrows to select the days of operation (SET WEEK DAYS) use the
button to switch from YES to NO (YES
= operation, NO = no operation)
1. with the
and
arrows scroll all the days of the week
2. press the
button
To programme the level of ozone ppm
- press the
button - use the
and
arrows to set the requested O3 ppm - press the
button - wait for the display to switch from

- press
to activate the scheduled operation the display shows:
To modify the date and month set in the factory
After entering the programming mode as described previously:
- press and hold
for 5 seconds - the day will flash: use the
and
arrows to set the day then press 
- the month will flash: use the
and
arrows to set the month then press 
- set the schedule with

- wait for the system to return to normal mode or press

The display will show the start date and the set ppm, in an alternating manner.
• At the scheduled time, the start will be preceded by 5 warning beeps while, at the end of the treatment, the device will emit a beep to signal its switching off.
• In case of an alarm on the system, press and hold the OFF (O) button for 5 seconds.
5.3 – Operation
WARNING!
Make sure that there are no people or animals in the room (it is preferable to use the device at overnight, for example, at the end of the working day).
Check and ensure that no people enter the area while the device is running and in the subsequent hours (e.g. cleaning staff, security staff, etc.), and prepare internal protocols and
adequate information (e.g. warning and danger signs, etc.).
Ozone has a high oxidising power, which makes it effective in destroying germs, bacteria and mould and in passivating viral loads on surfaces, objects and in the air.
To sanitise the environments correctly, programme the device on the basis of the respective programming table shown on page 13.
The actual O3 production capacity of the device is shown in the technical data table (see page 7) and the production is expressed in g/h (grams per hour).
After setting the operating time, start the zone generator as explained in Par. 5.1 and leave the room, then activate the procedures for preventing other people from entering. After completing the set time, the device will switch itself off automatically.
For the version with weekly programming, arrange and activate suitable procedures for preventing its use by unauthorised people.
All the devices we manufacture are suitable for use in small- and medium-sized open-space environments. The layout of the environments and the equipment present in them may prevent or limit the correct and uniform diffusion of O3 throughout the room.
Due to its intrinsic properties, ozone will tend to dissipate naturally once the device stops working.
We nonetheless recommend not returning to the treated rooms unless at least 6 hours have elapsed from the end of the cycle, after ventilating them thoroughly and leaving the area for at least a further 15 minutes to allow a total change of air, before the area is used again permanently.
Remove the plug from the power outlet and store the device in a place accessible only to the person responsible for its use.
WARNING!
Ozone has a strong oxidizing effect that is hazardous to health.
Prolonged exposure to ozone causes oxidation and therefore ageing of surfaces and materials (in particular plastic or rubber materials, non-treated steels, etc.) or electrical or
electronic equipment.
5.4 – Parameters for using the ozone generator
The parameters to be considered are:
a) ) the dimes ns of the environment in cubic meters
b) ) the desired concentration in ppm (parts per million)
0.5 ppm: light sanitization, elimination of environmental odours
1 ppm: medium sanitization, bacteria 70%, viruses 80%, fungi, animal parasites, environmental odours
2 ppm: strong sanitization, bacteria 99%, viruses and mites 95%, moulids, animal parasites, environmental odours
| Programming table 03 | ||||
| me | mc | 0,5 ppm | 1 ppm | 2 ppm |
| min. | min. | min. | ||
| 5 | 15 | 2 | 5 | 10 |
| 10 | 30 | 5 | 10 | 20 |
| 20 | 60 | 10 | 20 | 40 |
| 30 | 90 | 15 | 30 | 60 |
| 40 | 120 | 25 | 50 | nd |
| 50 | 150 | 30 | 60 | nd |
| Programming table 03 | ||||
| mq | mc | 0,5 ppm | 1 ppm | 2 ppm |
| min. | min. | min. | ||
| 20 | 60 | 5 | 15 | 30 |
| 30 | 90 | 10 | 20 | 40 |
| 40 | 120 | 15 | 30 | 60 |
| 50 | 150 | 20 | 40 | nd |
| 60 | 180 | 25 | 50 | nd |
| 70 | 210 | 30 | 60 | nd |
| Programming table 03 | ||||
| mq | mc | 0,5 ppm | 1 ppm | 2 ppm |
| min. | min. | min. | ||
| 40 | 120 | 5 | 15 | 30 |
| 50 | 150 | 10 | 20 | 40 |
| 60 | 180 | 15 | 30 | 60 |
| 70 | 210 | 20 | 40 | nd |
| 80 | 240 | 25 | 50 | nd |
| 90 | 270 | 30 | 60 | nd |
| Programming table 03 | ||||
| mq | mc | 0,5 ppm | 1 ppm | 2 ppm |
| min. | min. | min. | ||
| 20 | 230 | 5 | 15 | 30 |
| 30 | 460 | 10 | 20 | 40 |
| 40 | 700 | 15 | 30 | 60 |
| 50 | 930 | 20 | 40 | 80 |
| 60 | 1.170 | 25 | 50 | 100 |
| 70 | 1.400 | 30 | 60 | 120 |
| Programming table 03 | ||||
| mq | mc | 0,5 ppm | 1 ppm | 2 ppm |
| min. | min. | min. | ||
| 40 | 120 | 10 | 15 | 30 |
| 50 | 150 | 20 | 20 | 40 |
| 60 | 180 | 30 | 30 | 60 |
| 70 | 210 | 40 | 40 | 80 |
| 80 | 240 | 50 | 50 | 100 |
| 90 | 270 | 60 | 60 | 120 |
CH. 6 – CLEANING THE DEVICE
WARNING! Before carrying out any cleaning operations, disconnect the product’s power plug from the mains to isolate the product completely from the power supply.
6.1 – General information
- The device does not require ordinary cleaning.
- Regularly check that moisture and air impurities have not obstructed the intake or exhaust grilles.
- Visually inspect whether no obstructions have formed inside the machine due to dust, spider webs, etc.
- If there is any small build-up of dust, make sure it is removed. Do not use high-pressure water jet cleaners, water jets or detergents.
- Do not use tools, scrubbing brushes or anything that may damage the surface of the device.
- Do not introduce tools or brushes inside the device.
- Do not wet the machine or any of its parts nor wash it in a dishwasher.
6.2 – Maintenance
To protect the device against dust build-up, we recommend storing it in a dry and dust-free place (for example, in its original packaging, in a cabinet, etc.).
CH. 7 – MAINTENANCE
7.1 – General information
Before servicing the product, disconnect its power plug from the mains to isolate the product completely from the rest of the system. For any maintenance requirements, contact the SUPPORT CENTRE”.
7.2 – Power cable
Check the condition of the cable regularly and call the SERVICE CENTRE if it needs replacing.
7.3 – Fan
Periodically check that the fan works properly (check for clogging due to dust, spider webs, etc.).
CH. 8 – DISMANTLING
8.1 – Decommissioning
If you decide to put the device out of service for any reason, make sure that it cannot be used by other persons: disconnect and cut the electrical connections.
8.2 – Disposal
Once the device has been decommissioned, it can be disposed of. For correct disposal, contact a waste management company and carefully sort the device’s constituent materials.
8.3 – WEEE (Waste Electrical and Electronic Equipment) regulations
Pursuant to Art. 13 of Italian Legislative Decree No. 151 of 25 July 2005 “Implementation of Directives 2002/95/EC, 2002/96/EC and 2003/108/EC relating to the reduced use of hazardous substances in electrical and electronic devices, and to waste disposal”.
The crossed-out wheelie bin symbol on the equipment or on its packaging indicates that the product must be disposed of separately from other waste at the end of its useful life.
The separate waste collection of this device at the end of its life is organized and managed by the manufacturer. The user who wishes to dispose of this device must contact the manufacturer and follow the given instructions to ensure that the separate waste collection procedure is observed at the end of the equipment’s useful life.
The correct disposal of the device for the subsequent recycling, management and treatment of its parts in an environment-friendly way helps to prevent possible adverse effects on the
environment and promotes the reuse and/or recycling of its constituent materials.
Unlawful disposal of the product by the user shall imply the application of administrative penalties under current law.
SERVICE CENTRE
AUTHORISED RETAILER



















