baseaire UVC3 Pro Ozone Generator

Tel: 1-888-641-8862
Web: www.baseaire.com
E-mail: [email protected]
Device Description
The UVC3 Pro ozone generator of the Baseaire series uses oxygen in the surrounding air as a molecular compound.
The ozone generator sucks in the surrounding air and performs a discharge procedure. After that, energy breaks the diatomic oxygen molecule into two single oxygen atoms in the form of free radicals.
Atomic oxygen recombines with oxygen molecules (A) to form ozone.
Ozone is a very powerful oxidant with high reaction potential. This makes it an effective agent for decomposing destructive substances in the surrounding air. The free radicals bound in the ozone molecule are separated from the molecular compound (B) and react with all substances in the surrounding air, even if these substances are only present in a small concentration. The oxidative decomposition of pollutants in the air and immovable pollutants (for example, on the floor, wall or ceiling) will eliminate and eliminate odors by killing viruses, bacteria, molds, and carcinogenic/allergenic microorganisms.
After the reactant oxidizes the oxygen atoms, the ozone molecules will be converted into oxygen molecules.
Due to their metastable bonds, unoxidized ozone molecules will also decompose into oxygen after a period of time without leaving harmful residues. In indoor spaces and under normal conditions, the half-life of ozone is approximately. 30 to 60 minutes. This means that the ozone concentration in indoor air is naturally reduced by at least half every hour.
The equipment has been designed and tested in accordance with applicable safety standards and bears the CE mark.
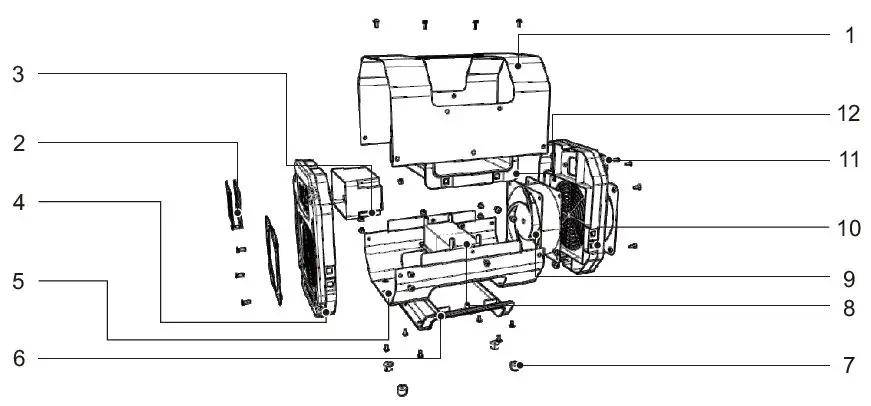
Structure
- Upper shell
- LED display
- Circuit board back cover
- Wind panel
- Bottom shell
- Plastic floor
- Footpad
- Ozone generator
- Fan
- Air Inlet
- Suffix socket
- Handle

Operation

State Description Of Switch
- The default power-on is the shutdown state, at this time only the 4 borders shown in the figure below are lit (the LCD backlight is turned off after 30s of inactivity).
- After pressing the “POWER” key to turn on the machine, the default state is the HOLD working state, that is, it keeps running according to the set gear.
- When setting the timing “CLOCK”, a file of 30 minutes, cycle between 00:00 and 02:00, that is, set the running time as the corresponding working time. When CLOCK is valid, HOLD is off and CLOCK is on.
Note: When “PERIOD” is not set, PERIOD does not light, at this time it is a single scheduled shutdown.
- When the button “PERIOD” is set, it switches between 0, 12, and 24. 0 is invalid.12 hours means that the cycle will run again according to the time set by CLOCK after 12 hours of shutdown, which is equivalent to the cycle function.
Gears
- The default gear for starting is 1 gear, and the fan and ozone are 5 gears.
- The fan has no thyristor speed regulation, the delay after detecting the zero-crossing determines the size of the gear.
- Ozone is PWM modulated, 16-18K range, 16K is the largest gear, 18K is the smallest.
Generally, ozone will automatically decompose into oxygen in about an hour. If a person stays indoors for a long time, it is generally subject to not being able to smell the strong ozone smell.
Overall Workflow
When performing odor neutralization and cleaning cycles, follow the steps below
- Place the Baseaire UVC3 Pro ozone machine in the center of the room.
- Make sure that the equipment and connecting cables are not damaged.
- Connect the power cable and connect the device to the power source. Observe the technical parameters.
- Set the timer to the required run time.
- Then turn on the device. The display panel will light up. The cleaning cycle will begin immediately. Once the preset time has passed, the Baseaire UVC3 Pro ozone machine will automatically shut down.
Warning
The risk of ozone causing harm to the human body!
During use, if you smell ozone outside the working area, the machine must stop working immediately. Ventilate the room thoroughly.
The following values are used as a general reference for determining the processing time:
| Type Of Smell | The treatment time is in min | |
| Room size< 30 m3 | 30 m3< Room size< 60 m3 | |
| Disinfectant | 15 | 30 |
| Car Interior | 20 | 40 |
| From Animals, Cooking And Waste | 20 | 40 |
| Burning / chemical | 40 | 60 |
| The Musty Smell After Water Damage | 40 | 60 |
| Secondary Effects Of A Burning Smell And Organic Matter | 40-240 | 60 – 480 |
| Amine / amide (urea), Open-chain Hydrocarbon Compound (e.g. Butyric Acid) | 360 | 720 |
| Amino Acids /proteins Containing Nitrogen And Sulfur (vomit) | 360 | 720 |
Mistakes and shortcomings
The equipment has been checked for normal function several times during the production process. If the fault still occurs, please check the equipment according to the following list.
Warning
Electric shock is life-threatening!
Before performing any operation on the device, please unplug the power plug from the socket. Do not bypass any electrical safety devices!
In order to ensure the normal operation and trouble-free operation of the equipment, it must be cleaned and maintained regularly.
| Problem | Cause | Solution |
| Device does not work | Power is not turned on | Plug the plug into the socket. |
| The connection parameters do not match the technical specifications | Check the connection to the main line. Connection parameters: 110 V/ 60Hz. | |
| The fuse is blown | Replace the damaged fuse and/or reopen the fuse. Be careful! The fuse does not need to be repaired, but it must be replaced at any time. In most cases, the fuse is triggered by a serious technical failure. Please authorized service personnel to replace each fuse! | |
| The power plug is damaged | Disconnect the power supply of the device and check whether the power plug and connecting cable are damaged. | |
| Loud noise | This device is placed in an uneven place. | Place the device on a flat, solid, dry surface. |
| Damage to the fan and/or its bearings. | Let certified personnel inspect the equipment. | |
| Even if the cleaning process has been completed, the odor pollution still persists with the same intensity | Reactor damage | Send the equipment to a certified professional workshop for repair. |
Maintenance
Electric Shock Is Life-threatening!
Before performing any operation on the device, please unplug the power plug from the socket. Do not bypass any electrical safety devices!
Inhalation Of Ozone Can Cause Injury!
After the equipment stops running, please wait for a while to ensure that the ozone concentration is lower than the specified value, and then perform maintenance and cleaning.
Please perform regular maintenance and maintenance to ensure the normal operation and trouble-free operation of the equipment.
The type and frequency of maintenance tasks basically depend on the operating environment and the time and type of use.
During use, dust and moisture will accumulate inside or inside the component, which may affect its function and efficiency.
In a dusty room or after repairing a fire (high humidity level), inspection and maintenance should be carried out immediately.
The basic principles for determining equipment operation and maintenance intervals:
- often
- Per hour
- 1-2 times a week
- In an overly dirty environment
- In a humid room
- Regardless of the operating conditions described, you should perform maintenance if one or more of the following signs appear:
- The noise level increases when the fan is running
- Severely polluted soft magnetic stickers
- Dirty electrodes (identifiable by hissing sound)
- The substances produced during the ozone production process gradually disappear.
House Cleaning
Clean the case with a soft, damp, lint-free cloth. Make sure that no moisture enters the enclosure. Prevent electrical components from getting wet. Do not use any harsh cleaning agents, such as cleaning sprays, solvents, alcohol-based cleaning agents, or abrasives to soak the cloth.
Cleaning
Within the framework of regular maintenance work, it is not only necessary to check the normal condition of the equipment and its accessories, but also to thoroughly clean the equipment and its components.
Proceed As Follows:
Clean the fan
- Remove the screws on the dust cover.
- Remove the shell.
- Disassemble and clean the fan. Always check whether the fan is working properly. If it is only slightly contaminated, you can use a vacuum cleaner or a tap to clean it. If the contamination is serious, clean the reaction generator with a soap solution. After cleaning, insert the fan only after it is completely dry!
Clean Electrode
The electrode can be cleaned in the built-in state. Before cleaning the electrode, check for cracks. Do not use damaged parts!
Use a dry (lint-free) or damp cloth to clean the components. After cleaning, make sure that no fibers (fluff) remain on the electrode.
Do not use the device before the electrodes are completely dry.
The following requirements must be met when installing the Baseaire UVC3 Pro ozone generator:
Only use the Baseaire UVC3 Pro ozone generator according to the parameters provided in the”Technical Data” chapter.
Make sure that there are no obstructions at the air inlet and outlet.
If possible, place the device in the center of the room to ensure optimal air circulation.
Do not install this machine near flammable substances or gases.
Make sure to place the device on a dry and vibration-free surface.
Ensure that the equipment is protected from splash water.
Transportation And Storage
If you store or transport the device incorrectly, the device may be damaged.
Pay attention to information about transportation and storage.
Transportation
Before transporting the equipment, please observe the following regulations:
- Turn off the device
- Hold the power plug while unplugging the power cord from the power outlet.
- If the device was in use before, please wait until the timing period is over before transferring the device.
- Do not drag the device with the power cord during transportation to prevent the device from moving and vibrating to avoid damage to the electrode.
After transporting the equipment, please observe the following regulations:
- Install the equipment in an upright position after transportation.
Storage
When the device is not in use, please observe the following storage conditions:
- Store the Baseaire UVC3 Pro ozone generator in a dry place to avoid the influence of bad weather, and cover it to protect it from invasive dust.
- When the equipment is not in use, always disconnect the power supply.
Technical Annex
| Parameter | Value | |
| Power | 110V / 60HZ | |
| Environmental Humidity Requirements | < 55% | |
| Airflow | 130CFM / 220CMH | |
| Ozone Output | 10,000 mg/h | |
| Operating Temperature | 14℉ ~ 95℉ | |
| Sound Pressure Level | < 65db | |
| Service Life | 20.000 h | |
| Size For | 1000+ square feet | |
| Dimensions (L×W×H) | 10.2 x 7.1 x 8.7 in | |
| Minimum Distance From Walls And | ||
| Other Objects: | ||
| Top ( a ) Sides ( c ) | 20 in | 20 in |
| Rear ( b ) Front ( d ) | 20 in | 20 in |
Electrical wiring diagram

Limited Warranty
All warranty benefits apply to the original owner only. Warranty cannot be transferred or assigned.
Warranty Period
Warranty becomes effective since the date of original purchase and will last for two (2) years.
Who’s covered?
This limited warranty is only effective for the original purchaser. It is NOT transferable.
Who’s Not covered?
This limited warranty is only effective for the original purchaser. It is NOT transferable.
- Damage caused by the owner when attempting to fix or alter the product by himself or herself.
- Damage caused by misuse, abuse, neglect, alterations or unauthorized repair.
- Natural depreciation.
How to request warranty services?
To obtain the benefit of this warranty, please leave your message online (www.baseaire.com), or send an email to [email protected].
Our customer service will address your issue in 24hs.
BaseAire Warranty Steps:
- Once receive the goods, customers must log in www.baseaire.com to fill out the warranty Registration form and submit to BaseAire company. We will receive your purchasing and installation information and save it.
- If no warranty registration is sent to us, warranty period will begin the day the shipment left the warehouse. Please be sure to record serial # and date of installation. You will need this information to receive the RA number.
If warranty service is necessary, customers must contact BaseAire Tech Support by [email protected] or local technical service phone to receive a Return Authorization (RA number). Once an RA has been issued, customers should bring the unit to a certified repair center. BaseAire will arrange the shipping to bring the unit back to the BaseAire warehouse (at the expense of the customers) if customers are not available. - After the unit has been received by BaseAire (whether at a repair center or the warehouse), BaseAire will have an initial inspection If it is determined to be invalid warranty claim (see exclusions below), customers have to pay for all associated repair costs and shipping costs for units repair.
- Customers can pick up the unit after repair at their own expense for shipping. Units will have a rigorous testing before sending it back to customers.
- If the unit can no longer be fixed, and it is in the warranty period and determined to be valid claim, we will ship the customer a new unit within the same year warranty from the date of replacement.
- After parts are repaired or replaced by BaseAire, the original warranty period continues to applies until meet its deadline. No extensions to the original warranty period.
Limited Warranty Exclusions
EXCLUSIONS:
DAMAGE DUE TO THE FOLLOWING IS NOT COVERED UNDER WARRANTY
- ACTS OF NATURE- INCLUDING BUT NOT LIMITED TO:
Flooding
Fire
Water Damage
Hurricane Storm Damage - IMPROPER USAGE-INCLUDING BUT NOT LIMITED TO:
- Pool/spa/tub Applications
- Misuse, Abuse Or Tampering Whether Intentional Or Accidental
- Improper Installation Or Design
- Mproper Voltage
- Lack Of Normal Care
- Failure To Follow Instructions
- CORROSION
- FREEZING
- ANY ADDITIONAL COSTS DUE TO CHANGES IN LAWS OR BUILDING CODES
- FREIGHT CHARGES
- ANY COSTS DUE TO LOST PROFIT OR DELAY
- DAMAGE TO PROPERTY
- CAUSE BEYOND CONTROL
- CONSUMABLE PARTS INCLUDING BUT NOT LIMITED TO:
- Filters
- Batteries
- Power Cords
- Valves
- Switches
- Rubber Parts
- DIRECT, INDIRECT, COLLATERAL OR INCONSEQUENTIAL DAMAGES OF ANY KIND
THE WARRANTIES AND LIABILITIES SET FORTH ARE IN LIEU OF ALL OTHER WARRANTIES EXPRESSED OR IMPLIED IN LAW OR IN FACT, INCLUDING IMPLIED WARRANTIES OF MERCHANTABILITY AND FITNESS FOR PARTICULAR PURPOSE. BaseAire’s total liability, regardless of nature of claim shall not exceed original purchase exceed original purchase price of the product, if a product or component is replaced while under warranty, the applicable warranty period shall not be extended beyond the original warranty time period.
The foregoing shall constitute the total liability of seller in the case of defective performance of all or any of the equipment or services provided to buyer. Buyer agrees to accept and hereby accepts the foregoing as the sole and exclusive remedy for any breach or alleged breach of warranty by seller.
Any dishonesty or fraud in connection with BaseAire warranty thoroughly voids all warranty policies. BaseAire expressly reserves the right to pursue legal action in the event of dishonesty, fraud, or attempted fraud.



















