Kmart 42956990 Foldable Mechanical Rowing Machine

Important Safety Notice
Please read this manual carefully before using this rowing machine and make sure that you read the information supplied before commencing any exercise with this product.
- Check all parts first before doing exercises and never operate the rowing machine if it is not functioning properly.
- Tighten all the bolts and nuts on a regular basis.
- The rowing machine should be placed and used on smooth and stable ground. Please put a mat or another fabric under the rowing machine prior to use.
- Please wear suitable clothes when exercising. Do not wear loose clothing while exercising as they can get caught in the machine during use.
- Keep children away from the equipment unless they are supervised by an adult. It is recommended to do a warm-up first before commencing exercising on the rowing machine.
- The resistance of the product can be adjusted, please select the appropriate resistance.
- It is recommended to consult a doctor before commencing an exercise regime with the rowing machine.
- Do not stand on the machine. Use only for one person at one time.
- Please keep a safe distance of 0.6m all around the exercise area of the equipment during exercise.
- The equipment is not equipped with a braking system and therefore the moving parts can not be stopped immediately.
- Periodically check all moving parts, belt and grip for signs of wear or damage. If there is a problem or replacement part which is necessary, STOP USING THE EQUIPMENT. Do not use the equipment until repaired.
- Please make sure that any of the adjustment parts are securely locked into position prior to each use.
- Always check and adjust the feet knobs to ensure the base is stable prior to exercising. You can only mount and dismount the rowing machine with two hands grasping the handle when the machine is stopped.
- Product is in compliance with EN ISO 20957-1 & 7 CLASS HC. Suitable for domestic home use only.
Exercise Instruction
A successful exercise program consists of a warm-up, aerobic exercise and a cool-down. Start with exercising at least twice but preferably three times per week, resting for a day between workouts. After several months, you can increase your workout to four or five times per week. Warming up is an important part of your workout and should begin every session. It prepares your body for more strenuous exercise by heating up and stretching out your muscles, increasing your circulation and pulse rate, and delivering more oxygen to your muscles. At the end of each workout, please repeat cool down exercises to reduce muscle soreness.
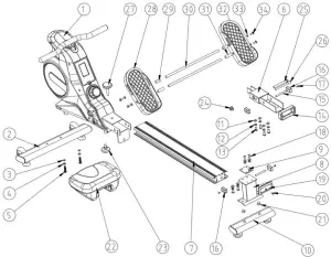
Product Explode Drawing

Parts & Hardware list
| NO | Description | Specification | Q’ty |
| 1 | Main frame | 1 | |
| 2 | Front stabilizer | 1 | |
| 3 | Flat washer | Φ10*Φ20*1.6 | 2 |
| 4 | Spring washer | Φ10 | 2 |
| 5 | Allen bolt | M10*55mm | 2 |
| 6 | Connector | 1 | |
| 7 | Sliding rail | 1 | |
| 8 | Base stand | 1 | |
| 9 | Connection plate | 1 | |
| 10 | Rear stabilizer | 1 | |
| 11 | Flat washer | Φ8*Φ16*1.6 | 4 |
| 12 | Spring washer | Φ8 | 4 |
| 13 | Allen bolt | M8x16mm | 4 |
| 14 | Front cover | 1 | |
| 15 | Stopper axle | Φ8*80mm | 2 |
| 16 | Stopper | 4 | |
| 17 | Flat head screw | M5*16mm | 4 |
| 18 | Allen bolt/Flat washer/Spring washer | M8 | 4 |
| 19 | Rear cover | 1 | |
| 20 | Flat head screw | M5*10mm | 2 |
| 21 | Cap nut | M10 | 2 |
| 22 | Saddle | 1 | |
| 23 | Foot knob | M10*20mm | 5 |
| 24 | Hexagon nut | M12 | 1 |
| 25 | Hexagon bolt | M12*100mm | 1 |
| 26 | Lock pin | Φ10*100mm | 1 |
| 27 | Lock knob | M12*55mm | 1 |
| 28 | Left pedal | 1 | |
| 29 | Axle pipe | Φ13*Φ16*35mm | 2 |
| 30 | Pedal axle | Φ12.5*418mm | 2 |
| 31 | Axle pipe | Φ13*Φ16*46mm | 2 |
| 32 | Right pedal | 1 | |
| 33 | Flat washer | Φ8*Φ16*1.6 | 4 |
| 34 | Hexagon nut | M8 | 2 |
| 35 | Allen wrench | 6*75 | 1 |
| 36 | Open spanner | 13-15 | 2 |
| 37 | Open spanner | 17-19 | 2 |
| 38 | Allen wrench | 6*145 | 1 |
Product Specification
| Overall size | 185x58x57cm | Maximum user weight | 100kg |
| Product total surface | 1.07m2 | Product total weight | 25.0kg |
Assembly Instruction
Step 1. Connect the main frame (1) and front stabilizer together, secure them with Allen bolts and washers (3,4,5).
Step 2. Put the front cover (14) on the one end of the sliding rail (7), then insert the connector (6) into the hole of sliding rail through front cover. Secure them with Allen bolts and washers (11,12,13).
Slide the stopper axle (15) through the hole of sliding rail and connector, then place the 2pcs stoppers (16) at the two ends of the axle. Secure them with flat head screws (17). Slide the saddle (22) into the sliding rail through the back end, ensure it is fixed properly. Place the connection plate (9) inside the hole of sliding rail, then put the base stand (8) under the back end of the sliding rail. Secure them with 2pcs Allen bolts and washers (18) from upper side of connection plate, 2pcs Allen bolts and washers (18) from the bottom base stand. Insert the stopper axle (15) through the hole of the sliding rail, then place the 2pcs stoppers (16) at the two ends of the axle. Secure them with flat head screws (17). Place the rear cover (19) at the back end of sliding rail, and secure it with flat head screw (20).
Connect rear stabilizer (10) and base stand (8) together and secure them with 2pcs cap nuts (21).
Step 3. Connect the parts of step 1 & step 2 together, secure them with bolt and nut (24,25) and lock it with lock pin (26).
Screw the lock knob (27) into the nut from upper side. Ensure it is screwed in position firmly.
Step 4. Insert the 2pcs pedal axles (30) through the holes, place the axle pipe (29) into the upper side pedal axle, and the axle pipe (31) into the down side pedal axle from two ends. Slide the left & right pedals (28 & 32) into the axles, then secure them with nuts and washers (33,34).
Check all the screws to ensure they are screwed firmly. Adjust the 5pcs foot knobs (23) on the base to make sure the base of the equipment is stable.
Folding Instruction
Step 1. Unscrew out the lock knob (27) first, then pull out the lock pin (26) from its position.
Step 2. Lift the sliding rail slowly to make it standing vertically, then insert the lock pin back to the hole. Adjust the length position of the nut on the lock knob, then screw it in its position, the equipment is folded successfully now.
Monitor Instruction
1). Specifications:
TIME: 00:00-99:59 Minute: Second
COUNT: 0-9999
DISTANCE: 0.0-99.9km
CALORIES: 0.0-99.9cal STROKES/MIN: 0-999
2). Key Function for MODE/SET/RESET
- MODE: Press the key to select and lock onto a particular function. Display the function in order, TIME-COUNT-DIST-CALORIES-STROKES/MIN. Exit automatically if no signs received for more than 15 seconds.
- SET: Press the key to increase/decrease the set value at setting mode. Increase the frequency (5times/second) if pressing for 2 seconds.
- RESET: Press the key to remove all the values to zero at resetting mode. Delete all the values to zero if pressing the key for 2 seconds, and display for one second on LED screen.
3). Function Instruction
- TIME/500M: Display the total working time from starting exercise. Stop timing temporarily and display STOP on screen if no signs received for 4 seconds. Alarm voice if the time reach to the setting value. The default setting on system is 500m.
- COUNT: Display the rowing number from starting exercise.
- DISTANCE: Display the total trip distance for each workout from starting exercise.
- CALORIES: Display total consumption calories for each workout from starting exercise.
- STROKES/MIN: Display the current rowing frequency.
- AUTO ON/OFF: The system turns on when any key is pressed or when it receives any signal input from the speed sensor. The system turns off automatically when the sensor has no signal input or no any key is pressed for approximately 4 minutes.
4) Battery
- This monitor uses 2pcs AA batteries (not included).
- If the display monitor isn’t showing a proper display, it’s suggested to reinstall the batteries so the display restarts.
- Please note when the batteries are removed and replaced all record data is cleared.
- To change batteries. Press the key under the bottom of the LED box to open the cover (see image 1), then press the key at the back to open the battery box (see image 2). You can change the batteries now.

User Instructions
- The adjustment knob is under the display screen, it is used to adjust the resistance of rowing from the lowest grade 1 to the highest grade 16.
- Please keep a safety distance of 0.6m around exercise area of the equipment during exercising.

Care and maintenance
- Correct use of this rowing machine will increase the service life of the equipment.
- Screws will get loose after exercise please check and tighten the screws properly every week so as to avoid any possible damage to the equipment or personal injury.
- Please pay attention to the belt as this part is most susceptible to wear.
- Periodically check all the parts for signs of wear or damage. Replace defective components immediately and/or keep the equipment out of use until repair.
- The safety level of the equipment can be maintained only if it is examined regularly for damage and wear, e.g. belt, stoppers, pulleys, connection points.
- Wipe clean with damp cloth. Do not use abrasive material or solvents.
- Failure to perform routine maintenance could result in personal injury and/or equipment damage.
- Keep far away from children when not in use.
- Fold the equipment and attempt to use the two wheels to move it to your desired position for storage.
- Store this equipment on a flat surface and in a dry and well ventilated area.
©KMART AUSTRALIA LIMITED
KMART AUSTRALIA 690 SPRINGVALE ROAD, MULGRAVE, VIC 3170 AUSTRALIA.
KAMRT NEW ZEALAND REGIONAL OFFICE C/O KMART PAPATOETOE STORE.
HUNTERS PLAZA, GREAT SOUTH ROAD, PAPATOETOE, AUCKLAND, NEW ZEALAND.
Made in China


















