
CITY PRESSURE BOOSTER PUMP
INSTRUCTION MANUAL
MODEL #VP05, VP10
![]()
VP05 Booster Pump System
For loose, missing or damaged parts, or if the unit does not seem to be operating properly, please call before returning unit to the place of purchase.![]()
Phone: 1-800-742-5044
Service Hours:
Monday thru Friday – 7:30 am to 5:00 pm EST
GENERAL SAFETY INFORMATION
Please read and understand this manual before attempting to assemble, operate, or install this product. For questions, please call customer service at 1-800-742-5044 (7:30am – 5:00pm ESDT Mon. – Fri.)
This is a SAFETY ALERT SYMBOL. When you see this symbol on the pump or in the manual, look for one of the following signal words and be alert to the potential for personal injury or property damage.
DANGER Warns of hazards that WILL cause serious personal injury, death, or major property damage if ignored.
Warns of hazards that CAN cause serious personal injury or death, if ignored.
Warns of hazards that MAY cause minor personal injury, product or property damage if ignored.
IMPORTANT: Indicates factors concerned with operation, installation, assembly, or maintenance which could result in damage to the machine or equipment if ignored. NOTE: Indicates special instructions which are important, but are not related to hazards.
Customer Alert on Potential Water Damage: As with any product subject to a continuous supply of incoming water, a water alarm to monitor the pump area is strongly recommended to alert the customer to the potential for water damage which may result from water line failure, product damage, or incorrect installation.
PUMP SAFETY INFORMATION
SHOCK HAZARD
- Meet United States National Electrical Code and local codes for all wiring.
- Do not handle a pump or pump motor with wet hands or when standing on a wet or damp surface or in water.
- Follow wiring instructions in this manual when connecting to power lines.
- Always disconnect power source before performing any work on or near the motor or its connected load.
- Risk of electric shock – This pump has not been investigated for use in swimming pool areas or marine areas.
- Protect electrical cord. Replace or repair damaged or worn cords immediately.
- To reduce the risk of electric shock, connect only to a properly grounded, grounding-type receptacle.

Do not use to pump flammable or explosive fluids such as gasoline, fuel oil, kerosene, etc. Do not use in flammable and/or explosive environments.
Hazardous pressure! Install pressure relief valve in discharge pipe. Release all pressure on system before working on any component.
GENERAL SAFETY
- This pump has been evaluated to work with water only.
- Wear safety glasses when working with pumps.
- Periodically inspect pump and system components.
- Do not insert finger or any object into pump or motor openings.
- Secure the discharge line before starting the pump. An unsecured discharge line will whip, possibly causing personal injury and/or property damage or puncture.
- Do not touch an operating motor or engine. They are designed to operate at high temperatures.
1/2 HP PERFORMANCE
See charts below for expected system pressure at various incoming line pressure / flow rates.
| Inlet PSI | VP05 System Pressure (PSI) at Flow Rates (GPM) | ||||||
| 3 | 6 | 9 | 12 | 15 | 18 | 21 | |
| 10 | 43 | 36 | 35 | 31 | 26 | ||
| 20 | 53 | 46 | 45 | 41 | 36 | ||
| 30 | 63 | 56 | 55 | 51 | 46 | ||
Do not exceed 30 input PSI for P/N VP05
1 HP PERFORMANCE
| Inlet PSI | VP10 System Pressure (PSI) at Flow Rates (GPM) | ||||||
| 3 | 6 | 9 | 12 | 15 | 18 | 21 | |
| 10 | 72 | 67 | 61 | 56 | 50 | 45 | 39 |
| 20 | 82 | 77 | 71 | 66 | 60 | 55 | 49 |
| 30 | 92 | 87 | 81 | 76 | 70 | 65 | 59 |
| 40 | 102 | 97 | 91 | 86 | 80 | 75 | 69 |
| 50 | 112 | 107 | 101 | 96 | 90 | 85 | 79 |
Do not exceed 50 input PSI for P/N VP10
NAMEPLATE DATA
| Model | VP05 | VP10 |
| HP | 1/2 | 1 |
| Volts | 115 | 115 |
| HZ/Ph | 60/1 | 60/1 |
| Amp | 6.0 | 10.0 |
| Amb | 40C | 40C |
| Class | B | B |
| Rating | Cont | Cont |
FIG 1 TYPICAL INSTALLATIONS

GENERAL PUMP INSTALLATION / SETUP (FIG 1)
City booster pump installation is shown per FIG 1. During pump use, ensure ball valves #1 and #2 are open, and ball valve #3 is closed.
#1 An Adjustable Pressure Regulator (APR#1) is required on the suction side of the pump (see fig 1) if the incoming water pressure can exceed the maximum input pressure.
#2 An Adjustable Pressure Regulator (APR#2) is required on the Discharge (see fig 1) to ensure maximum water pressure does not exceed local plumbing codes.
#3 A Pressure Relief Valve (PRV) connected to a drain is required (see fig 1) to safe guard plumbing from exceeding max pressures if the Pressure Regulators fail. Typically the PRV would be set 5 psi higher than the APR#2.
NOTE: Optional external water tank can be used to decrease the on/off cycle rate of the pump system, which can extend the life of the pump. (Typical tank 3 gallon draw down.) Set tank PSI equal to pump tank PSI.
The entire system must be air and water tight to maintain prime. Use thread tape on all connections to ensure no leaks. Hand tighten all threads and then add additional half turn with wrench.
FOR NEW PUMP INSTALLATION
- The inlet and outlet flanges are tightened to the pump casing before shipment. For new pump installations, do not remove the flanges (FIG 2). Because of the use of self-tapping screws, please use extra care when you have to remove the flanges for future maintenance.
- Install unions on inlet and outlet piping prior to attaching them to the pump flanges. (FIG 3).
- The pump foundation should be rigid enough to absorb any vibration from the motor, and the pump should be securely bolted to the foundation.
- Please provide an adequate draining system to avoid damage in case of leakage, particularly when installed indoors. When the pump is installed outdoors, it should be covered by a weather-proof, well ventilated housing.
- The pump and all piping must be protected from freezing. When the pump will be exposed to temperatures less than 32°F (0°C), relocate it to a heated area.
FIG 2 DO NOT REMOVE FLANGES
FIG 3 INSTALL UNIONS

![]()
Indoor/outdoor area – ensure draining through pressure relief valve is available in order to avoid damage in case of leakage.
Outdoor area – unit should be covered by a weather proof housing, ensure adequate ventilation.
FREEZING (OR REMOVING PUMP FOR MAINTENANCE)
The pump and all piping must be protected from freezing. If freezing weather is forecast, and the unit will be exposed to temperatures less than 32ºF (0ºC), remove the pump by closing off ball valves #1 and #2, (see FIG 1) and removing the pump using the union connections. Store pump in a heated area. Open ball valve #3 to allow city water to pass forward if desired. Ensure the piping is adequately protected from the cold environment.
OPERATING CONDITIONS
Ambient temperature range 32ºF (0ºC) to 104ºF (40ºC).
PRIMING
After installation (with the pump OFF), open ball valves #1 and #2, and slowly unthread the air relief plug (FIG4). Allow inlet water pressure to fill the pump cavity and remove in-line air pockets. After the pump cavity fills with water, retighten the air relief plug.
FIG 4 PRIMING ILLUSTRATION
a. Open ball valves #1 and #2, close 3.
b. Loosen the air relief plug.
c. Ensure water fills chamber from city water. Replace plug immediately to avoid excess moisture on pump.
d. Tighten the air relief plug.

If unit is shut down for an extended period of time or air enters into the system, it may be necessary to repeat the above priming instructions to ensure the internal pump cavity is running with water to avoid dry running damage to the internal seals.
Checking and Setting Tank PSI
Pressure Tank Charge – Pressure tank air charge should be checked at regular intervals of every six months and after the pump has not been used for a prolonged period. To check the tank pressure, turn off power, open the tap on discharge line to release pressure from the pump, unscrew the black plastic cover, and place a pressure gauge on it as shown (FIG 5). Pressure should be adjusted to the original pre-charge as follows:
VP05 1/2 HP – 25 psi (1.8 Kg/cm2 )
VP10 1 HP – 35 psi (2.5 Kg/cm2 )
FIG 5 SET TANK PRESSURE

NOTE: If using optional water tank (FIG 1), set both tanks to the same pressure.
GENERAL OPERATION GUIDELINES
- What Causes The Unit To Start? – The pump will turn ON when the flow rate is greater than 0.7 GPM or when the pressure output is less than the pump pressure activation point (approximately 25 psi – 1/2hp, 35 psi – 1hp).
- Dry Run Protection – After the unit recognizes a continual low flow of water, the unit will shut down to protect itself from running dry. Hourly, it will turn on to sample the water flow requirements, and return to shut down if running dry. The home owner can fix the run dry issue and return the pump to normal operation by unplugging the pump for 5 seconds.
- Dead Head Protection – If there is no water demand (discharge is shut off), the unit will shut down to protect the pump from damage. Once water flow is restarted, the pump will re-start the power automatically.
- Rapid Cycle Protection – If the unit cycles repeatedly on/off, the unit will shut down to protect the pump life. The optional water tank not maintaining pressure could be a potential cause. Hourly, it will turn on to sample the water flow requirements, and return to shut down if the problem persists. The home owner can fix the concern and return the pump to normal operation by unplugging the pump for 5 seconds.
TROUBLESHOOTING
Before ANY work with the pump, SHUT OFF the electrical supply and ball valves #1 and #2 to prevent electrical shock and water damage.
| Problem | Cause | Correction |
| Pump does not start or shuts down. | No power supply. | Connect the electricity supply. |
| Incorrect voltage. | Pump is 115 Volt only. It will not start with 230V supply. | |
| Incorrectly plumbed. | Confirm FIG 1 installation is correct. Confirm ball valves #1 and #2 are open in suction and discharge. Confirm ball valve #3 is closed on bypass. | |
| Blocked inlet | Check if pump suction inlet screen is blocked. See FIG 10. | |
| Insufficient water supply | Ensure water source is providing sufficient water. | |
| Pump starts when no water is consumed. | Pipe leaking. | Ensure all threads have 3 wraps of Teflon tape + hand tight + 1/2 turn with wrench. |
| Tank pressure is low. | See FIG 5 to check and add air pressure to the tank. | |
| Air in the system. | Ensure all threads have 3 wraps of teflon tape + hand tight + 1/2 turn with wrench. Re-prime unit. | |
| Pump does not shut down when water is not consumed. | Blocked check valve. | See FIG 8. Confirm check valve is free of debris and functions freely. |
OPERATION AND MAINTENANCE REQUIREMENTS
- Pump Operation – There are three indicator lights on the terminal box: Power (Green), Failure (Red), and On (Yellow). Pump operating conditions are indicated as below: (FIG 6)
a) Power (Green): It is always on when connected to power.
b) On (Yellow): Turns on when tap is open – indicates normal operation.
c) Failure (Red): Turns on when tap is open – indicates pump is run dry.
d) On (Yellow): Turns on intermittently when tap is closed – indicates pipe leak.
FIG 6 – PUMP OPERATION INDICATORS
- Periodically check the condition of the check valve and strainer (if used).
- If the pump is to be inactive for long periods, it should be rinsed thoroughly with clean water, then drained and stored in a dry place.
- If the pump shaft is seized up after periods of inactivity, place a screwdriver in the motor end to rotate the shaft. This should free the pump shaft. (See FIG 7). If this does not remedy the problem, the pump will need to be dismantled.
FIG 7 – FREEING UP PUMP SHAFT
- Internal Check Valve – If Teflon tape or debris enters into the pump cavity, the operation of the internal check valve can be restricted. This may create an erratic or poor performance with the pump. To clean the check valve (FIG 8).
FIG 8 – INTERNAL CHECK VALVE
a. Remove the air relief port and top cover
b. Confirm the spring and check valve are free of debris
c. Reassemble the top cover and air reliefport
IL1308B
DO NOT apply any bonding material (such as silicon, glue, etc.) to seal the chamber cover. (FIG 9)
FIG 9 – DO NOT GLUE CHAMBER
- Pump Suction Inlet Screen – If internal debris blocks or restricts the inlet suction screen (FIG 10), manually clean with hands.
FIG 10 – INLET SCREEN
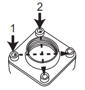
- Flange Installation – When the flanges are removed for maintenance or for any reason, follow the instructions below for replacement:
(FIG 11 & 12)
a. Place the gasket against the flange
b. Place the 4 screws in the flange. DO NOT tighten at this time. When all 4 screws are in place, tighten them diagonally onto the flange. DO NOT overtighten. (Recmmended torque is 18~22 in-lbs).
FIG 11 – PLACING GASKET ON FLANGE
FIG 12 – TIGHTENING FLANGE
Screws should be tightened diagonally
Do not tighten the screws unevenly
Pipe and flange should be installed in a straight line
Screw torque is 18~22 in-lb.
Do not over-torque the screws
Pipe must be straight
c. Install inlet and outlet piping to the unions and then connect them to pump flanges.
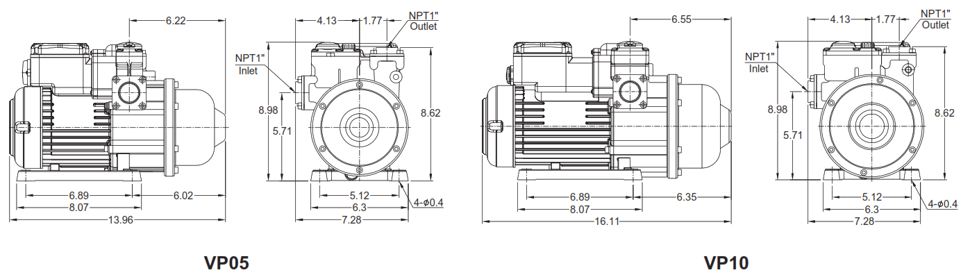
OUTLINE / DIMENSIONAL SIZE

LIMITED WARRANTY
This product is warranted for one year from the date of purchase. Subject to the conditions hereinafter set forth, the manufacturer will repair or replace to the original consumer, any portion of the product which proves defective due to defective materials or workmanship. To obtain warranty service, contact the dealer from whom the product was purchased. The manufacturer retains the sole right and option to determine whether to repair or replace defective equipment, parts or components. Damage due to conditions beyond the control of the manufacturer is not covered by this warranty.
THIS WARRANTY WILL NOT APPLY: (a) To defects or malfunctions resulting from failure to properly install, operate, or maintain the unit in accordance with printed instructions provided; (b) to failures resulting from abuse, accident, or negligence, or use of inappropriate chemicals or additives in the water; (c) to normal maintenance services and the parts used in connection with such service; (d) to units which are not installed in accordance with normal applicable local codes, ordinances, and good trade practices; and (e) the unit is used for purposes other than for what it was designed and manufactured. RETURN OF WARRANTED COMPONENTS: Any item to be repaired or replaced under this warranty must be returned to the manufacturer at Kendallville, Indiana or such other place as the manufacturer may designate, freight prepaid. THE WARRANTY PROVIDED HEREIN IS IN LIEU OF ALL OTHER EXPRESS WARRANTIES, AND MAY NOT BE EXTENDED OR MODIFIED BY ANYONE. ANY IMPLIED WARRANTIES SHALL BE LIMITED TO THE PERIOD OF THE LIMITED WARRANTY AND THEREAFTER ALL SUCH IMPLIED WARRANTIES ARE DISCLAIMED AND EXCLUDED. THE MANUFACTURER SHALL NOT, UNDER ANY CIRCUMSTANCES, BE LIABLE FOR INCIDENTAL, CONSEQUENTIAL OR SPECIAL DAMAGES, SUCH AS, BUT NOT LIMITED TO DAMAGE TO, OR LOSS OF, OTHER PROPERTY OR EQUIPMENT, LOSS OF PROFITS, INCONVENIENCE, OR OTHER INCIDENTAL OR CONSEQUENTIAL DAMAGES OF ANY TYPE OR NATURE. THE LIABILITY OF THE MANUFACTURER SHALL NOT EXCEED THE PRICE OF THE PRODUCT UPON WHICH SUCH LIABILITY IS BASED.
This warranty gives you specific legal rights, and you may have other rights which vary from state to state. Some states do not allow limitations on duration of implied warranties or exclusion of incidental or consequential damages, so the above limitations may not apply to you.
In those instances where damages are incurred as a result of an alleged pump failure, the Homeowner must retain possession of the pump for investigation purposes.
95 North Oak Street
• Kendallville, IN 46755
• © 2022 Flint & Walling, Inc.
All rights reserved


b. Confirm the spring and check valve are free of debris
c. Reassemble the top cover and air reliefport





















