
DV715B
INSTALLATION/OWNER’S MANUAL
DVD Multimedia Receiver with Bluetooth®
featuring a 7″ Touch Screen Display![]()
Safety Notes:
The DVD video display of the in-dash unit will not operate while the vehicle is moving. This is a safety feature to prevent driver distraction. In-dash DVD video functions will only operate when the vehicle is in Park and the parking brake is engaged. It is illegal in most states for the driver to view video while the vehicle is in motion.
Copyright Notes
This product incorporates copyright protection technology that is protected by method claims of certain U.S. patents and other intellectual property rights owned by Macrovision Corporation and other rights owners. Use of this copyright protection technology must be authorized by Macrovision Corporation and is intended for home and other limited viewing uses only unless otherwise authorized by Macrovision Corporation. Reverse engineering or disassembly is prohibited.
The Bluetooth® word mark and logos are owned by the Bluetooth SIG, Inc.
SD Logo is a trademark of SD-3C, LLC.
Other trademarks and trade names are those of their respective owners.
WARNING
Upon installation of this Monitor/DVD player (“unit”) into a vehicle, the driver of the vehicle must not operate this unit by watching videos or playing video games while driving. Failure to follow this instruction could lead to driver distraction which could result in serious injury or death to the vehicle’s occupants or persons outside the vehicle and/or property damage.
Several states prohibit the installation of monitors/DVD players if the screen is visible from the driver’s seat. If you reside in a jurisdiction that has enacted such a law, this unit must not be installed so that the screen is visible from the driver’s seat. When installing this unit in the front console/dashboard, the unit must be positioned so that it is facing the front passenger seat only. Failure to follow this instruction could lead to driver distraction which could result in serious injury or death to the vehicle’s occupants or persons outside the vehicle and/or property damage.
This unit is designed so that it may be operated only when the vehicle is in “Park” and the parking brake is fully engaged. To this end, this unit includes a parking brake lock-out feature which prohibits the unit from operating if the vehicle is not in “Park” and/or the parking brake is not fully engaged. When installing this unit, the installer must connect the parking brake detect wire to the parking brake mechanism in order to make the parking brake lock-out feature operable. DO NOT simply ground the parking brake detect wire to a metal portion of the vehicle. Failure to properly install the parking brake lock-out feature could lead to driver distraction which could result in serious injury or death to the driver’s occupants or persons outside the vehicle and/or property damage.
Once the parking brake lock-out feature is installed, the owner/user must not attempt to disrupt/neutralize the parking brake lock-out feature by (a) partially engaging the parking brake and/or (b) purchasing/using any device or unit designed to send necessary brake signals to the unit. Failure to follow these instructions could lead to driver distraction which could result in serious injury or death to the driver’s occupants or persons outside the vehicle and/or property damage.
When operating this unit, keep the unit’s volume level low enough so that the vehicle’s occupants can hear traffic-related sounds such as police and emergency vehicles. Failure to follow this instruction could lead to driver distraction which could result in serious injury or death to the vehicle’s occupants or persons outside the vehicle and/or property damage.
Please read all instructions carefully before attempting to install or operate.
Due to its technical nature, it is highly recommended that your DUAL DV715B is installed by a professional
installer or an authorized dealer. This product is only for use in vehicles with 12VDC negative ground only.
To prevent damage or injury:.
- Make sure to ground the unit securely to the vehicle chassis ground.
- Do not remove the top or bottom covers of the unit.
- Do not install the unit in a spot exposed to direct sunlight or excessive heat or the possibility of water splashing.
- Do not subject the unit to excessive shock.
- When replacing a fuse, only use a new one with the prescribed rating. Using a fuse with the wrong rating may cause the unit to malfunction.
- To prevent short circuits when replacing a fuse, disconnect the wiring harness first.
- Use only the provided hardware and wire harness.
- You cannot view video while the vehicle is moving. Find a safe place to park and engage the parking brake.
- If you experience problems during installation, consult your nearest DUAL dealer.
- If the unit malfunctions, reset the unit as described on page 10 first. If the problem still persists, consult your nearest DUAL dealer or call tech assistance @ 1-866-382-5476.
- To clean the monitor, wipe only with a dry silicone cloth or soft cloth. Do not use a stiff cloth, or volatile solvents such as paint thinner and alcohol. They can scratch the surface of the panel and/or remove the printing.
- When the temperature of the unit falls (as in winter), the liquid crystal inside the screen will become darker than usual. Normal brightness will return after using the monitor for a while.
- When extending the ignition, battery or ground cables, make sure to use automotive-grade cables or other cables with an area of 0.75mm (AWG 18) or more to prevent voltage drops.
- Do not touch the liquid crystal fluid if the LCD is damaged or broken. The liquid crystal fluid may be hazardous to your health or fatal. If the liquid crystal fluid from the LCD contacts your body or clothing, wash it off with soap immediately.
FCC Compliance
This device complies with Part 15 of the FCC Rules. Operation is subject to the following two conditions:
- this device may not cause harmful interference, and
- this device must accept any interference received, including interference that may cause undesired operation.
Warning: Changes or modifications to this unit not expressly approved by the party responsible for compliance could void the user’s authority to operate the equipment.
Note: This equipment has been tested and found to comply with the limits for a Class B digital device, pursuant to Part 15 of the FCC Rules. These limits are designed to provide reasonable protection against harmful interference in a residential installation. This equipment generates, uses and can radiate radio frequency energy and, if not installed and used in accordance with the instructions, may cause harmful interference to radio communications. However, there is no guarantee that interference will not occur in a particular installation. If this equipment does cause harmful interference to radio or television reception, which can be determined by turning the equipment off and on, the user is encouraged to try to correct the interference by one or more of the following measures:
- Reorient or relocate the receiving antenna.
- Increase the separation between the equipment and receiver.
- Connect the equipment into an outlet on a circuit different from that to which the receiver is connected.
- Consult the dealer or an experienced radio/TV technician for help.
Preparation
Before You Start
- Disconnect negative battery terminal. Consult a qualified technician for instructions.
- Avoid installing the unit where it would be subject to high temperatures, such as from direct sunlight, or where it would be subject to dust, dirt or excessive vibration.
Getting Started
- Insert the supplied keys into the slots as shown, and slide the unit out of the mounting sleeve.
- Install mounting sleeve into the opening, bending tabs to secure.
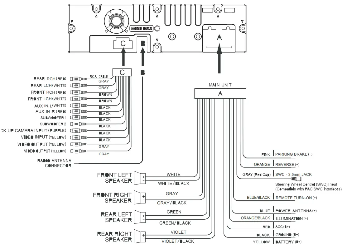
- Connect wiring harness as shown on page 6. Consult a qualified technician if you are unsure.
- Certain vehicles may require an installation kit and/or wiring harness adapter (sold separately).
- Reconnect negative battery terminal, and test for correct operation.
- Snap trim ring into place (if required).
- Slide the unit into the mounting sleeve to secure it.

TYPICAL FRONT-LOAD DIN MOUNTING METHOD
TYPICAL FRONT-LOAD DIN MOUNTING METHOD
Note:
When replacing a fuse, make sure to use the correct type and amperage. Using an incorrect fuse could cause damage. The unit uses (1) 10 amp ATC mini style fuse located on the power connector.
Wiring Notes:
Subwoofer output
The Subwoofer preamp audio output (black jacket with green RCA) is active in all audio modes.
Rear camera input
A rear view camera (not included) can be used with the Camera input.
Control Locations
- Eject
- Auxiliary Input
- USB Port
- Microphone
- Tune/Track Down
- Volume Up/Down / Talk
- Mute / End Call
- Band
- Open / Power
- Release
- Mode
- Tune/Track Up

- Reset
- microSD Slot
General Operation
| Installing the Faceplate | Align the faceplate with the front of the unit, then snap in place beginning with the left side. |
| Power On/Off | Momentarily press to turn the unit on or off. |
| Volume | Rotate the volume knob to increase or decrease the volume level. |
| Mute | Momentarily press MUTE to silence the audio. Momentarily press MUTE again to return to the previously selected volume. Rotating the volume knob while the volume is muted will also cancel the mute function. |
| Mode | Press MODE to step through all available input modes: Radio, Disc (which includes DVD and CD playback), SD Card, AV In, USB, Bluetooth Phone, Bluetooth Audio, Auxiliary Input, Rear Camera, and Settings. Modes of operation are indicated on the display and/or the monitor. The optional USB device and SD card must be connected/inserted to appear in the mode selection string. |
| Auxiliary Input | Connect external audio/video devices to the 3.5mm auxiliary input on the front panel. |
| USB | Connect a USB device to play MP3 files or view AVI video files or JPG photos. |
| SD Card | Insert an SD card into the SD slot (located behind the faceplate) to play MP3 files or view AVI video files or JPG photos. |
| Opening the LCD | Press OPEN to open or close the LCD screen. |
| Screen Angle | Press up or DOWN q to adjust the screen angle up or down. |
| Main Menu | When the monitor is open, press the house icon in the top left corner to access the Main Menu screen. |

- Put the monitor into standby mode.
- Close the LCD screen.
- Tilt screen up.
- Tilt screen down.
- Eject the disc.
General Operation
Setup Menu
From the Main Menu screen, press SETUP in the bottom right corner to access the Setup menu and select from the following categories: General, Audio, Video, and Bluetooth.
General:
- OSD Language – Select English Only.
- Wallpaper – Select between three available wallpaper options.
- Panel Adust – Select to calibrate the touch screen.
- Radio Area – Select your current geographic area: Europe, USA,
South America, Russia, and Asia. - Time Setting – Adjust the current time (hours and minutes) and choose between a 12-hour and 24-hour clock.
- Beep – Select to turn the audible beep On or Off.
- Camera – Select to turn the rear camera On or Off.
- Version – Select to view information about the unit.
- Restore Default – Select to restore the unit to default settings.
Audio:
- Sound Effect – Select to access three sound effect sub-menus.
- EQ – Select from any preset equalization curve (Classic, Rock, Pop, Jazz, Beat, Flat) or use custom settings (User).
- Subwoofer – Select desired Subwoofer frequency and volume.
- Loudness – Turn the Loudness setting On or Off.
- Loudness Cut-off Frequency – Select the desired frequency as a
- cutoff for the Loudness setting.
Video: - Aspect Ratio – Select desired aspect ratio: 4:3PS, 4:3LB, or 16:9.
- Adjust – Select to adjust levels of Brightness, Contrast, Hue, Saturation, and Sharpness.
- Panel – Select to choose backlight settings: 10s, the 20s, 30s, or Off.
Bluetooth: - Auto Connect – Turn the auto connect feature On or Off.
- Auto Answer – Turn the auto answer feature On or Off.
Touch Screen Controls
The touch screen controls on the bottom of each screen allow direct access to important features during any mode of operation.
| Standby | Press to dim the screen or put the unit in standby mode. |
| Eject | Press to eject the disc. |
| Audio | Press to adjust audio options such as equalizer, surround sound, and balance/fader. |
| Setup | Press to access the setup menu. |
AM/FM Tuner Operation
| Radio Operation | Select the Radio icon from the Main Menu screen. |
| Main Menu | Press to return to the Main Menu screen. |
| Current Mode Indicator | Displays current mode of operation. |
| Tune Frequency Down | Press << to tune the radio to a lower frequency. Press < to tune the unit down one step at a time. |
| Band | Press between 2 AM and 3 FM bands. |
| Local / Distance | Press to toggle between Local and DIstance tuning. |
| Tune Frequency Up | Press >> to tune the radio to a higher frequency. Press > to tune the unit up one step at a time. |
| AS/PS | Press to scan presets and listen to the first 10 seconds of each. Press again to stop scanning and listen to the station. Press and hold to automatically find and store the strongest stations as presets. |
| Stereo | Press to toggle between Stereo and Mono tuning. |
| Preset Stations | Press and hold to set the current station in that preset spot. Press momentarily to recall the desired preset and begin playback. |
CD/USB/microSD Card Operation
| CD/USB or microSD Operation | To play audio or MP3 files from a disc, USB device, or microSD card, insert the disc or device and playback will begin automatically. To return to disc, USB, or microSD card playback from another mode of operation, select the corresponding icon from the Main Menu. • Disc Playback – Insert the disc into the slot, and playback will begin automatically. • USB Playback – Insert a USB device into the USB slot on the side of the unit. • microSD Card Playback – Insert the MicroSD card into the MicroSD slot on the top of the unit. When inserting a microSD card, the label should face up. |
| Main Menu | Press to return to the Main Menu screen. |
| Current Mode Indicator | Displays current mode of operation. |
| Repeat | Press to select a repeat option: Repeat 1, Repeat Folder or Repeat Off. |
| Random | Press to enable or disable random playback. |
| Previous File / Track | Press to go back to the previous file or track. |
| Play / Pause | Press to pause or resume playback. |
| Next File / Track | Press to advance to the next file or track. |
| Folder Access | Press to access all folders on the device. |
Media Compatibility – CD/DVD
| File Type | MP3 | ||||
| File System | 1509660 | Level 1, Level 2 | ✓ | ||
| Level 3 | X | ||||
| 1509660 Extension | JOLIET | Playback | ✓ | ||
| Filename | 32 bytes | ||||
| OMEO ROMEO | Playback | X | |||
| X | Filename filename | ||||
| Apple ISO | X | ||||
| File Extension | .mp3/, MP3/.Mp3/.mP3 | ✓ | |||
| .rmp/.m4a | X | ||||
| MPEG Format | MPEG 1 | ✓ | |||
| MPEG 2 | ✓ | ||||
| MPEG 2.5 | ✓ | ||||
| Sampling Frequency | MPEG 1 | 32/44.1/48k Hz | |||
| MPEG 2 | 12/16/22.05/24kHz | ||||
| MPEG 2.5 | 8/11.025/12kHz | ||||
| Bitrate | MPEG 1 | 32 – 320kbps | |||
| MPEG 2 | 8 – 160kbps | ||||
| MPEG 2.5 | 8 – 160kbps | ||||
| Other Information | Directory Depth | Unlimited | |||
| File Name Length | 32 bytes | ||||
| Total File Number | 2000 files | ||||
| Total Folder Number | 200 folders | ||||
| Fite Number via Folder | 2000 files | ||||
| M P3103 TAG | ver.l.x | ✓ | |||
| ver.2.x | ✓ | ||||
| Title, Artist, Album | ✓ | ||||
Notes:
- It is not possible to view JPG files on the in-dash monitor while the vehicle is moving. This is a safety feature to prevent driver distraction.
- The JPG image viewer function will only operate when the vehicle is in the park and the parking brake is engaged as described on page 26.
Media Compatibility – USB/microSD Card
| File Type | MP3 | ||
| File System | FAT | FAT 12 | X |
| FAT 16/FAT 32 | ✓ | ||
| File Extension | .mp3/.MP3/.Mp3/.mP3 | ✓ | |
| .rmp/. rn4a | X | ||
| MPEG Format | MPEG 1 | ✓ | |
| MPEG 2 | ✓ | ||
| MPEG 2.5 | ✓ | ||
| Sampling Frequency | MPEG 1 | 32/44.1/48kHz | |
| MPEG 2 | 12/16/22.05/24kHz | ||
| MPEG 2.5 | 8/11.025/12kHz | ||
| Bitrate | MPEG 1 | 32 – 320kbps | |
| MPEG 2 | 8 – 160kbps | ||
| MPEG 2.5 | 8- 160kbps | ||
| Other Information | Directory Depth | Unlimited | |
| File Name Length | 32 bytes | ||
| Total File Number | 2000 files | ||
| Total Folder Number | 200 folders | ||
| File Number via Folder | 2000 files | ||
| MP3 103 TAG | vernix | ✓ | |
| ver.2.x | ✓ | ||
| Title, Artist, Album | ✓ | ||
Notes:
- For USB mode, it is not possible to view JPG files on the in-dash monitor while the vehicle is moving. This is a safety feature to prevent driver distraction.
- The JPG image viewer function will only operate when the vehicle is in the park and the parking brake is engaged.
- Due to ongoing technological advancement, some USB flash drives and/or microSD cards may be incompatible with this unit.
Media Compatibility
Media Compatibility
The following types of discs/files are compatible:
- CD-DA, CD-ROM (ISO), CD-R, CD-RW
- DVD Video, DVD+R/RW, DVD-R/RW
The following types of discs/files are not compatible: - WMA files that are protected by DRM (Digital Rights Management)
- WMA lossless format
- Discs recorded with Track At Once or packet writing
- MP3 PRO format, MP3 playlists
- RMP format
- WAV format
- WMV format
- AAC protected AAC, M4A format
Some recordable DVDs and CDs may be incompatible with this unit, depending on media type and recording method.
Playback Order
MP3 playback sequence begins in the root folder of the disc, USB flash drive or microSD card. Any empty folders or folders that do not include MP3/JPG files are skipped.
Compatible Recording Formats
ISO9660 standards:
- The maximum nested folder depth is 8 (including the root folder).
- Valid characters for folder/file names are letters A-Z (all caps), numbers 0-9, and “_” (underscore). Some characters may not be displayed correctly, depending on the character type.
- This device can play back discs in Joliet and other standards that conform to ISO9660. MP3 written in formats other than the above may not play and/or their file names or folder names may not be displayed properly.
Notes
Some files may not play or be displayed correctly, depending on sampling rates and bit rates.
For best results, use the following settings when ripping MP3 files: 128kbps or higher constant bit rate 44.1kHz or higher sampling frequency
DVD Operation
| Inserting a Disc | Insert the disc into the slot, and playback will begin automatically. Sub-menus may have to be pressed to access the DVD content. Read the directions of your specific DVD disc for other features. |
| Ejecting the Disc | Press to eject the disc. |
| Touchscreen Controls | Press anywhere on the LCD to display touch screen controls. |
| Main Menu | Press to return to the Main Menu screen. |
| Elapsed Time | Displays elapsed time and time remaining on the DVD. |
| Repeat | Press to select from the following repeat options: Repeat Chapter, Repeat Title, Repeat All, or Repeat Off |
| Previous Chapter | Press to return to the previous chapter on the DVD. |
| Play / Pause | Press to play or pause DVD playback. |
| Next Chapter | Press to advance to the next chapter. |
| Random | Press Random to play chapters in random order or Random Off to play discs in order. |
| Audio | Press to adjust audio language settings. |
DVD Operation
| Screen Setup | Press to adjust screen color settings. |
| Zoom | Press to zoom in or out on an image. |
| Subtitle | Press to access subtitle options. |
| Audio | Press to adjust audio options. |
| Monitor On/Off | Press to put the monitor in standby mode. |
| Settings | Press to directly access the setup menu. |
Bluetooth Operation
| Preparation | Before you can use a Bluetooth device, it must be paired and connected. Make sure that Bluetooth is activated on your device before you begin the pairing process. |
| Pairing a New Device | The unit broadcasts the pairing signal constantly when no devices are currently connected. Complete the pairing sequence from your Bluetooth device. Refer to the owner’s manual for your device for more details. The device name is “DV715B”. The Bluetooth passcode is “0000”. The unit can be in any mode of operation when pairing is performed. On certain phones, pairing may need to be done more than once. |
| Connecting a Paired Device | Most Bluetooth devices support the auto-connect feature and will connect automatically if the device is in range when the unit is powered-on. If your device was previously paired but does not connect, enter the Bluetooth setup menu and ensure that Auto Connect is On. |
| Bluetooth Phone | To access the phone, select Bluetooth Phone from the Main Menu or press the phone icon from any operational mode. |
| Main Menu | Press to return to the Main Menu screen. |
| Current Mode Indicator | Displays current mode of operation. |
| Phone Keypad | Use the phone keypad to dial the desired phone number. Alternately, numbers can be dialed directly from the phone. |
| Bluetooth Phone | Press to access the Bluetooth phone. |
| Bluetooth Music | Press to access Bluetooth music. |
| Available Devices | Press to view a list of available devices. |
| Talk | Press to connect a call. |
| End Call | Press to end a call. |
Bluetooth Operation
| Standby | Standby |
| Eject | Eject |
| Audio | Audio |
| Settings | Settings |
| Bluetooth Music | Bluetooth Music |
| Previous File / Track | Previous File / Track |
| Play / Pause | Play / Pause |
| Next File/Track | Next File/Track |
| Bluetooth Phone | Bluetooth Phone |
Front 3.5mm Aux Input & Rear RCA A/V Input
Auxiliary Input
Connect an optional audio source to the 3.5mm (front panel) input.
Select auxiliary input from the Main Menu to listen to audio.
Adjust the volume on the external audio source as needed (if connected to the headphone output of the device).
Using AV Input
Connect an optional audio/video source to the rear auxiliary input (Red/
White/Yellow RCA connectors). Refer to page 6 for details.
Select AV Input from the Main Menu to listen to audio.
Engage the parking brake to watch the video.
Rear Camera Operation – (Optional)
Using Rear Camera
Connect an optional rear camera to the Camera Input (Black RCA connector).
Refer to the wiring diagram for details.
Manual selection – Touch the CAMERA icon from the Main Menu or from any operational mode (when enabled) to select camera mode. Touch the top left area on the screen to exit camera mode.
Note: The manual mode is for dedicated cameras that are ALWAYS on while driving, it is not meant for cameras that are connected to the vehicle’s reverse light.
Auto Selection
The unit will automatically select camera mode when connected to the reverse lamp circuitry.
Note: The external video output is not active when using the rear camera input.
SWC Input Operation
The built-in SWC Interface is compatible with PAC steering wheel control modules. The PAC SWI-RC is recommended. A third-party adapter must be used in order for the DV715B to be compatible with any steering wheel controls. The following controls are available for most vehicles.
| 1. Volume Up (+) | 7. Seek/Track Up (+) |
| 2. Volume Down (-) | 8. Seek/Track Down (-) |
| 3. Mute | 9. Band |
| 4. Preset (+) | 10. BT Talk |
| 5. Preset (-) | 11. BT End |
| 6. Mode |
Note: Not all OE steering wheel functions may be supported by the DV715B.
PAC SWI-RC Installation Hints
- Set “Radio Select Switch”. Set the SWI-RC to position 7 – “Pioneer/Other/Sony”.
- To program, use the Pioneer/Sony/Other radio function mapping order for Dual units.
- When programming the SWI-RC, if a function is not supported (or not desired), then the function MUST be skipped as per the PAC SWI-RC instructions.
| Func- tion Order | Function Mapping | SWI-RC (3.3VDC Reference) | |
| Center Pin (Ring) Volt- age (Function Select) | Tip Pin Voltage | ||
| 1 | Volume + | H 5.0v | 2. |
| 2 | Volume – | H 5.0v | 2. |
| 3 | Mute | H 5.0v | 1. |
| 4 | Preset + | L 0.0V | 2. |
| 5 | I Preset – | L 0.0V | 2. |
| 6 | Source | H 5.0v | 0.60 |
| 7 | Seek + / Track + | H 5.0v | 2. |
| 8 | Seek – / Track – | H 5.0v | 2. |
| 9 | Band | H 5.0v | 3. |
| 10 | BT Talk | L 0.0V | 0.60 |
Limited One-Year Warranty
This warranty gives you specific legal rights. You may also have other rights which vary from state to state.
Dual Electronics Corp. warrants this product to the original purchaser to be free from defects in material and workmanship for a period of one year from the date of the original purchase.
Dual Electronics Corp. agrees, at our option, during the warranty period, to repair any defect in material or workmanship or to furnish an equal new, renewed or comparable product (whichever is deemed necessary) in exchange without charges, subject to verification of the defect or malfunction and proof of the date of purchase. Subsequent replacement products are warranted for the balance of the original warranty period.
Who is covered? This warranty is extended to the original retail purchaser for products purchased from an authorized Dual dealer and used in the U.S.A.
What is covered? This warranty covers all defects in material and workmanship in this product. The following are not covered: software, installation/removal costs, damage resulting from accident, misuse, abuse, neglect, product modification, improper installation, incorrect line voltage, unauthorized repair or failure to follow instructions supplied with the product, or damage occurring during return shipment of the product. Specific license conditions and copyright notices for the software can be found via www.dualav.com.
What to do?
- Before you call for service, check the troubleshooting guide in your owner’s manual. A slight adjustment of any custom controls may save you a service call.
- If you require service during the warranty period, you must carefully pack the product (preferably in the original package) and ship it by prepaid transportation with a copy of the original receipt from the retailer to an authorized service center.
- Please describe your problem in writing and include your name, a return UPS shipping address (P.O. Box not acceptable), and a daytime phone number with your shipment. 4. For more information and for the location of the nearest authorized service center please contact us by one of the following methods:
- Call us toll-free at 1-866-382-5476
- E-mail us at [email protected]
Exclusion of Certain Damages: This warranty is exclusive and in lieu of any and all other warranties, expressed or implied, including without limitation the implied warranties of merchantability and fitness for a particular purpose and any obligation, liability, right, claim or remedy in contract or tort, whether or not arising from the company’s negligence, actual or imputed. No person or representative is authorized to assume for the company any other liability in connection with the sale of this product. In no event shall the company be liable for indirect,
Specifications
| Disc | Frequency response: 20Hz-20kHz Channel separation @ 1kHz: >80dB D/A converter: 24 Bit |
| FM Tuner | Tuning range: 87.5MHz-107.9MHz Usable sensitivity: 10dBf 50dB quieting sensitivity: 20dBf Stereo separation @ 1kHz: 38dB Frequency response: 30Hz-13kHz |
| AM Tuner | Tuning range: 530kHz-1710kHz Usable sensitivity: 24uV Frequency response: 30Hz-2.3kHz |
| Front USB | Compatibility: High-Speed USB 2.0 USB Class: Mass storage class |
| SD | Compatibility: Micro SD memory card & Micro SDHC memory card |
| Monitor | Panel size: 7” diagonal measurement View angle (up/down/left/right): 50/70/70/70 Resolution: 800 (H) x 480 (V) Brightness (cd/m2 ): 250 Contrast ratio: 500:1 Pixels: 1,152,000 |
| General | Speaker output impedance: 4 ohms Line output voltage: 4 volt RMS Line output impedance: 200 ohms Chassis dimensions: 7″ x 7″ x 2″ (W x D x H) Design and specifications are subject to change without notice. |
CEA-2006 Power Standard Specifications
(reference: 14.4VDC +/- 0.2V, 20Hz~20kHz)
Power Output: 16 Watts RMS x 4 channels at 4 ohms and < 1% THD+N
Signal to Noise Ratio: 80dBA (reference: 1 watt into 4 ohms)
Troubleshooting
| General | ||
| Problem | Cause | Action |
| The unit will not turn on (no power) | Yellow wire not connected or incorrect voltage Red wire not connected or incorrect voltage | Check connections for proper voltage (11-16VDC) |
| The black wire is not connected | Check connection to ground | |
| Fuse blown | Replace fuse(s) | |
| The unit has power (but no sound) | Speaker wires are not connected | Check connections at speakers |
| One or more speaker wires touching each other or touching the chassis ground | Insulate all bare speaker wires from each other and chassis ground | |
| Unit blows fuels) | Yellow or red wire touching chassis ground | Check for pinched wire |
| Speaker wires touching chassis ground | Check for pinched wire | |
| Incorrect fuse rating | Use fuses with the correct rating | |
| Unit has audio (but no video) | Parking brake safety circuit not connected Parking brake not applied | Check connections at the parking brake Apply parking brake as described on page 26 |
| No video display (when in reverse) | Reverse circuit not connected Vehicle is not in reverse | Check connections at reverse lamp Select reverse gear |
| DVD does not start playback | Physical defects in media Wrong region | Check media for scratches Use discs labeled “Region 1” or “All” only |
| IR remote does not work | Dead battery | Replace battery |
| Excessive skipping | The unit is not mounted correctly | Check mounting sleeve |
| Physical defects in media | Check media for scratches | |
For Your Records
Please keep your original sales receipt and be prepared to provide this receipt in the event you require service, as your original receipt is considered the best proof of purchase and indicates the date you purchased your Dual product.
Dealer Name…………………………………………………………..
Dealer Phone…………………………………………………………
Purchase Date………………………………………………………..
Register Your Product
Register your product online at www.dualav.com.
Dual Electronics Corp.
Toll-Free: 1-866-382-5476
Monday-Friday, 9 AM-5 PM EST
www.dualav.com
©2021 Dual Electronics Corp. All rights reserved.
NSA0421-V01
Printed in China


























