DV712
QUICK START GUIDE
Multimedia DVD Receiver. with Bluetooth featuring an r digital IFT LCD,
This Quick Start Guide gives you the basics to start using your DV712. Please visit
www.dualay.com
to download a complete owner’s manual or call customer service at 1.866-382-5476 (Monday-Friday. 9 AM-5 PM EST).
Customer Service Toll-Free: 1-868-382-5476
Installation

TYPICAL FRONT-LOAD DIN MOUNTING METHOD
Copyright and Trademark Notes
This product incorporates copyright protection technology that is protected by method claims of certain U.S. patents and other intellectual property rights owned by Macrovision Corporation and other rights owners. Use of this copyright protection technology must be authorized by Macrovision Corporation and is intended for home and other limited viewing uses only unless otherwise authorized by Macrovision Corporation. Reverse engineering or disassembly is prohibited. DVD Logo is a trademark of DVD Format/ Logo Licensing Corporation registered in the U.S., Japan, and other countries. SD Logo is a trademark of SD-3C. LLC. Other trademarks and trade names are those of their respective owners.
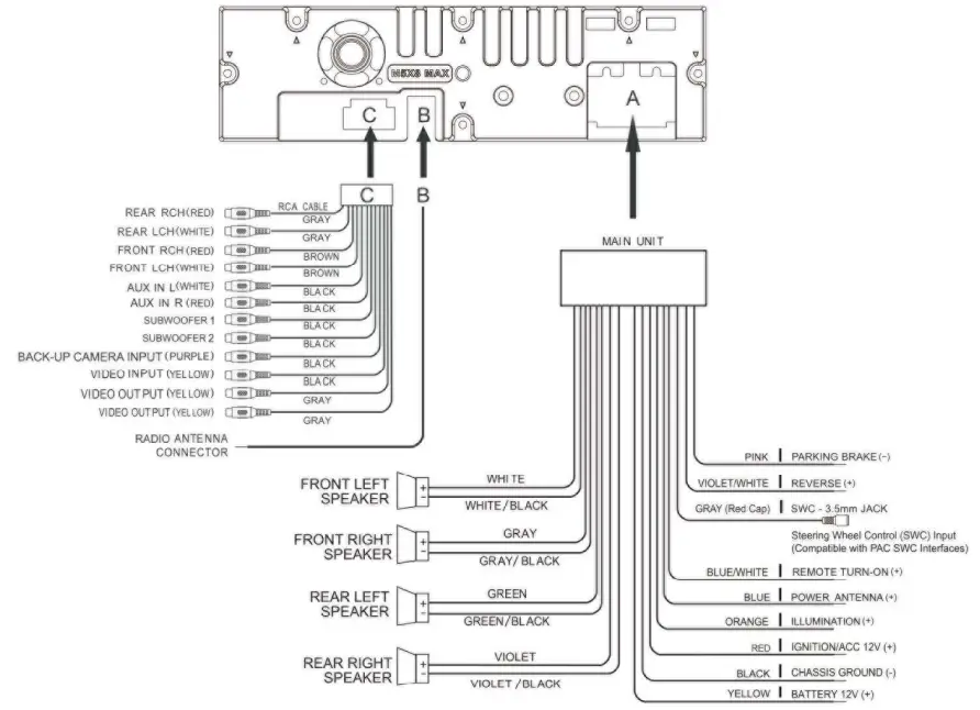
Wiring Diagram – Inputs/Outputs

Control Locations

| 1 Eject – Press to sped disc 2. AUX IN 3 USB Slot 4 Mc 5. Tune/Track Dom 7. Mut&End call | 8. Band 9 Open: Power 10 Release 11 Press- ‘lode Change Press and hot —Vice Acevabco 13. VOL Up/Down/Talk 12 Tunoarack UP 13 Resel 14. MicroSD |
Remote Control

| 1. POWS, 2. Mode 3. Play/Pause 4. Mule 5. Tine 6. Subtitle 7. Setup 8. Angle 9. Eject 10. Volume UP 11. Zoom 12. Seems/Talk 13. Se* UP/Next Track | 14. Volume Down 15. Audio 16 Gote 17. Loud.End call 18. Number keys 19. Root 20. OSD (On Screen Display) 21. LocatfRandcm 22. Seek Down’ Previous Track 23 ASPSIlepeat 24. Stereo 25 Stop 26. Enter 27 Band |

In the Menu mode, press the desired Imo lo enter the =responding mode: AM/FM, BT Phone, BT Audi.US8.cold. Solutions.AUX.rnicroSOAN.CAkIERA
General Operation

Select the Tuner con from the Main Menu screen or press MODE until Tuna is selected.
| 1. Current Mode Indicator 2. Information Display 3. Tune-Up 4. Preset | 5. A& PS 6. Stereo 7. LocaUDX 8. Band 9. Tune Down |
DVD Operation
Insert a Mom the disc slot for playback.

| 1. Roppat 2. Track Down 3. Play/Pause 4. Track Up 5. Random 6. Audio | 7. Setup 8. Monitor OrVOff 9. Audio Setting 1 0. Sub ride 11. Zoom 12. Screen Setup |
CD/USB/MicroSD Operations
Insert a CO in the disc slot. and the unit will read the disc USBrrnicreS0 operation will work the same way when you insert the USB device into the unit’s USB port.

| 1. Previous Menu 2. Repeat 3. Random 4. Setting 5. File List 6. Audio 7. Track Up | 8.7111 Down 9.741 Up 10. Play/Pause 11Close 12. Eject 13. Track Down 14. Monitor On/OH |
Audio Operation

Press the Sound Effect icon in the Settings menu to select EQ Presets, 7-Band Tone Control, Surround Sound, Fader, and Balance controls.
1. EQ Settings
2. Surround Mode Settings
3. Fader/Balance
Voice Activation Operation
Bluetooth should be paired between your smartphone and the receiver. Press and hold the voice activation button
, and the receiver will switch into Bluetooth mode, This will activate Sid@ or Google Assistant'”‘ on your smartphone. You will need to manually switch back to the previous or desired mode once this operation is terminated.
Bluetooth Operation
Bluetooth Microphone
The microphone is built-in to the receiver.
Pairing and Connecting
Before using Bluetooth functions, you must pair your mobile phone to the DV712. The device’s name is “DV712”.The connection between your phone and the radio will be done automatically. If your phone does not pair to the radio automatically, you can pair it manually by using “0000” as the pairing code when prompted. To ensure the best reception for pairing and re-connection, please make sure the mobile phone battery is fully charged before you begin.
- Try to perform pairing within a few minutes of the mobile phone is turned on.
- Once the unit has been paired with the mobile phone. the units model number. TV712′. will be displayed on the mobile phone.
- To achieve the best performance. always keep the mobile phone within 10 reels (3 meters) of the unit.
- Always keep a dear path between the mobile phone and the unit. Never place a metal Staci or any other obstacle between the mod* phone and the unit.
- Some mobile phones may have a ‘Power Saving Mode’ option. PLEASE DO NOT use the power saving mode with the DV712.
- Before accepting or making a call make sure your mobile phone’s Bluetooth function is turned on.
- To ensure the best conversation quallipperforrnance. stay within 3 feet (1 meter) of the Ile units microphone when taming,
- To manualy disconnect the mobile phone from the unit, touch the “Hang-Up” icon on the Etkietooth user interface (next to the mobile phone name) and the Bluetooth device will be ‘disconnected’. but stg paired.
Dialing a Number
Press
the Zito display keypad and dial a number.
Making and Ending a Call
Press
, to connect a call, and press
to end a call.
Transferring Audio
Press
transfer audio between the head unit and mobile phone
Streaming Audio
Press
to play or pause the music.
Press
to skip to the previous track.
Press
to advance to the next track.
Phone Book
Press
to download the phone numbers or access the call history WO.
Safety Notice
Upon installation of this Monitor/DVD/Bluetooth (“unit”) into a vehicle, the driver of the vehicle must not operate this unit by watching movies, videos, or playing video games while driving. Many states prohibit cell phone operation while the vehicle is in operation. Check https://www.ghsa.org/ if you reside in a jurisdiction that has enacted such a law, this unit must be operated in accordance of your local jurisdiction. This unit includes a parking brake lock-out safety feature which prohibits the unit’s video function(s) from operating if the vehicle is not in “Park” and/or the parking brake is not fully engaged. When installing this unit, the installer fully understands and agrees to correctly connect the parking brake detect wire (“Pink Lead”) to the vehicle parking brake electronic mechanism in order to fully enable the parking brake lock-out feature. DO NOT ground the parking brake detect wire to a metal portion of the vehicle. Once the parking brake lock-out feature is installed, the owner/user must not attempt to disrupt/neutralize the parking brake lock-out feature by (a) partially engaging the parking brake and/or (b) purchasing/using any device or unit designed to circumvent the safety lock-out function. When operating this unit, keep the unit’s volume level low enough so that the vehicle’s occupants can hear traffic-related sounds such as police and emergency vehicles. Failure to follow these instructions could lead to driver distraction, which could result in serious injury, or death.
One-Year Limited Warranty
This warranty gives you specific legal rights. You may also have other rights which vary from state to state. Dual Electronics Corp. warrants this product to the original purchaser to be free from defects in material and workmanship for a period of one year from the date of the original purchase. Dual Electronics Corp. agrees, at our option, during the warranty period, to repair any defect in material or workmanship or to furnish an equal new. renewed or comparable product (whichever is deemed necessary) in exchange without charges, subject to verification of the defect or malfunction and proof of the date of purchase. Subsequent replacement products are warranted for the balance of the original warranty period. Who is covered? This warranty is extended to the original retail purchaser for products purchased from an authorized Dual dealer and used in the U.S.A. What is covered? This warranty covers all defects in material and workmanship in this product. The following are not covered: software. installation/removal costs. damage resulting from accident, misuse, abuse, neglect, or product modification. improper installation, incorrect line voltage, unauthorized repair or failure to follow instructions supplied with the product, or damage occurring during return shipment of the product. Specific license conditions and copyright notices for the software can be found via www.dualay.com.
What to do?
- Before you call for service. check the troubleshooting guide in your owner’s manual. A slight adjustment of any custom controls may save you a service call.
- If you require service during the warranty period, you must carefully pack the product (preferably in the original package) and ship it by prepaid transportation with a copy of the original receipt from the retailer to an authorized service center.
- Please describe your problem in writing and include your name, a return UPS shipping address (P.O. Box not acceptable), and a daytime phone number with your shipment.
- For more information and for the location of the nearest authorized service center please contact us by one of the following methods:
• Call us toll-free at 1-866-382-5476
(Monday-Friday. 9:00 a.m. to 5:00 p.m. EST)
• E-mail us at [email protected]
Exclusion of Certain Damages: This warranty is exclusive and in lieu of any and all other warranties, expressed or implied, including without limitation the implied warranties of merchantability and fitness for a particular purpose and any obligation, liability, right, claim or remedy in contract or tort, whether or not arising from the company’s negligence, actual or imputed. No person or representative is authorized to assume for the company any other liability in connection with the sale of this product. In no event shall the company be liable for indirect, incidental, or consequential damages.
FCC Compliance
This device complies with Part 15 of the FCC Rules. Operation is subject to the following two conditions:
- this device may not cause harmful interference, and
- this device must accept any interference received, including interference that may cause undesired operation.
Warning: Changes or modifications to this unit not expressly approved by the party responsible for compliance could void the user’s authority to operate the equipment.
Note: This equipment has been tested and found to comply with the limits for a Class B digital device, pursuant to Part 15 of the FCC Rules. These limits are designed to provide reasonable protection against harmful interference in a residential installation. This equipment generates, uses, and can radiate radio frequency energy and, if not installed and used in accordance with the instructions, may cause harmful interference to radio communications. However, there is no guarantee that interference will not occur in a particular installation. If this equipment does cause harmful interference to radio or television reception, which can be determined by turning the equipment off and on, the user is encouraged to try to correct the interference by one or more of the following measures:
- Reorient or relocate the receiving antenna.
- Increase the separation between the equipment and receiver.
- Connect the equipment into an outlet on a circuit different from that to which the receiver is connected.
- Consult the dealer or an experienced radio/TV technician for help.
The distance between user and products should be no less than 20cm
www.dualay.com
©2022 Dual Electronics Corp.
NSC0122-V01

Tuner Operation


















