Simplex 4100-4120-0451 Panel-Mounted Printer Instruction Manual
CAUTION

POWERING REQUIREMENTS
When removing power from this system, disconnect batteries FIRST and AC power last. When connecting power to thii system, connect AC power FIRST and batteries last.
CAUTION

ELECTRICAL HAZARD
Disconnect electrical power when making any internal adjustments or repairs. Installation and servicing should be performed by qualified Simplex Representatives.
INTRODUCTION
The 4100/4120-0451 Panel-Mounted Printer (Figure 1) is used with the 4100+ and 4120 Building System products. The panel-mounted printer provides hard copy reports of the Master Control Panel’s output and provides conformance with proprietary operation (formally known as NFPA 72D).
Panel-Mounted Printer FIGURE 1
The thermal, dot matrix panel-mounted printer displays twenty visible lines of print, has a column width of forty characters, and is capable of printing variable output formats on standard 2.350-inch wide thermal paper. The panel mounted printer is equipped with a &position pluggable terminal block for the RS-232 serial interface, and a standard g-pin, D-Type RS-232 interface.
INSTALL ATION
Unpacking and Inspecting
Carefully unpack and inspect your panel-mounted printer for any damage which may have occurred in transit. If any damage occurred, save the shipping carton and packing materials, file a damage claim with the carrier, and notify Simplex Time Recorder Company. Specify the nature and the extent of the damage. Before installing or operating the printer, check the following:
- Ensure that the primary power setting is correct for your installation (see Figure 3).
- Ensure that the printer mechanism and paper path are clear of all packing materials or other foreign matter.
- Ensure that paper is installed. DO NOT OPERATE the printer without paper. See the Paper Loading instructions kw3e 4).

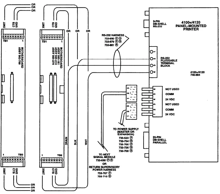
Wiring Diagram FIGURE
NOTES:
- RS-232 POWER, 10 mA (MAX)
- AU Wring TO BE NO. 18 AWG. OR TO LOCAL CODE.
@ RACK-MOUNT HARNESS DESIGNATON.
@ PANEL-MOUNT HARNESS DESIGNATKIN.
Printer Mounting
The panel-mounted printer is mounted to a 4100+ or 4120 Panel and Rack-Mount assemblies (see Figure 2). The printer requires 6 inches of space (3 positions in the rack) and is designed for left or right-justified mounting within the option bay. Perform the following steps to mount the panel-mounted printer:
Panel-Mounted Printer Installation FIGURE 2
For Panel mounting, install the printer using the following placement options:
- For first choice of placement, place printer in the main control panel, middle bay (left or right-justified).
- If audio is required, and is occupying the middle option bay of the main control panel, place printer in the first adjacent bay (left or right-justified).
- If no printer space is available in the main control panel, you are required to add a two, four, or six-unit panel for printer installation.
For Rack-Unit mounting, install the printer above the writing surface using left or right justification. Two open slots or 4 inches is required behind the printer to allow for clearance.
Printer Mounting (continued)
- Determine the recommended placement option location for installing the panel-mounted printer using left or right justification as previously described on page 2.
- Align and secure the printer to the frame using four #6/32 screws and four No. 6 external lockwashers.
- Remove existing Printed Circuit Board (PCB) retainer and install new retainer.
- Install the RS-232 and power harness supplied with the printer using the wiring diagram (Figure 3) and the panel-mounted printer circuit board diagram (Figure 4)

Printed Circuit Board FIGURE 4
Paper Loading (Figure 5)
To allow access to the printer paper supply, push the spring-loaded, rectangular latches inward (together) and pull forward to release the printer access panel. Install a new roll of Simplex approved paper (4190-9803 [473-019]) (thermal side up) on the upper spindle. Fold paper back onto itself to form a straight and clean edge and feed directly into the paper input slot. The printer will automatically feed paper through the mechanism. Use the power switch in the “FEED” position to advance paper further through the mechanism. Feed an appropriate amount of paper through the printer to allow the installation onto the paper take-up journal. To load paper onto the take-up journal, unscrew the fastener holding the left-side guide plate and pinch rod. Install paper between the main take-up shaft and pinch bar. Secure the left-side guide plate and pinch rod with the fastener. Manually rotate the take-up mechanism as shown to remove excess slack in the paper.
Printer Paper Loading FIGURE 5
Power-Up and Self-Test
There are few operating controls for the panel-mounted printer. A convenient self-test feature allows you to quickly determine that the printer is operating correctly. The switch functions are shown below:
| SWITCH POSITION | FUNCTION |
| TOP | Paper Feed / Self Test |
| MIDDLE | Power On |
| LOWER | Power Off |
To activate the-self test feature, toggle the power switch from the “OFF” position to the “FEED” position and bold until the self-test begins. The panel-mounted printer enters self-test mode and prints out an alphanumeric test pattern. For the highest quality output and maximum thermal head life, use only Simplex 4190-9803 (473-019) thermal paper.
OPERATING
Serial Interface Specifications
The panel-mounted printer can be used as a serial bidirectional communication device without requiring any switch or jumper settings. The panel-mounted printer automatically detects the interface which is sending data and produces the appropriate printout. The serial interface parameters are factory-set, internal to the printer firmware.
The standard factory setting for the RS-232 serial interface is 9600 baud, no parity, 8 data bits, and 1 slop bit. The printer driver card is supplied with two serial interface connecting methods – the normally used pluggable terminal block (Table l), and an alternative g-pin, D-type shell connector (Table 2).
TABLE 1 Pluggable Terminal Block for RS-232 Serial Interface
| PIN | SIGNAL | DESCRIPTION |
| 1 | TXD | Data output from the printer to the host |
| 2 | RXD | Data input to the printer or display |
| 3 | GROUND | Signal ground |
| 4 | BUSY | -1 Ov when printer is unable to receive data |
TABLE 2 g-Pin, D-Type Connector for RS-232 Serial Interface
| PIN | SIGNAL | DESCRIPTION |
| 1 | GROUND | CHASSIS ground |
| 2 | TXD | Data output from the printer to the host |
| 3 | RXD | Data input to the printer (20 ma input-optional) |
| 4 | CTS | Inhibits TXD line when held at-10v by the host |
| 5 | GROUND | Signal ground |
| 6 | Not used | |
| 7 | Not used | |
| 8 | BUSY | -10v when printer is unable to receive data |
| 9 | RETURN | (20 mA return line -optional |
MAINTENANCE
The panel-mounted printer requires very little maintenance and service. This section provides instructions for cleaning and maintenance. Electrical and mechanical repairs should be performed by qualified personnel only. Make certain that all electrical connections are disconnected before any service is performed on the panel-mounted printer.
Required Tools and Supplies
Common hand tools Volt-Ohm meter Denatured alcohol Cleaning cloths Cotton swabs Lubricant IBM #23, LUBRIPLATE #70, SILCON #35
Cleaning
You may clean the exterior cabinet of the printer with a non-abrasive cleanser. Do not allow liquids to enter the inside of the mechanical assembly. In a dirty environment, you may clean the printhead with alcohol and a cotton swab. You may also use compressed air to clean the printhead. Do not direct air flow directly to the printer platen; this action may damage the printing surface on the platen. When the printhead is clean and free of dirt, you may apply a light silicon lubricant (sparingly) to the moving mechanical components.
Printing Malfunctions
Examples of Printing Problems (Cause and Effect)
Poor Print Quality:
- Dirty Thermal Printhead
- Worn Printhead
- Poor Quality Thermal Paper
- Damaged Thermal Printhead
Premature Wear of Thermal Printhead:
- Printing with paper not approved by Simplex
- Printing in an environment where abrasive particles enter the printhead
Maintenance Chart
The following chart (Table 3) represents a recommended maintenance schedule for the panel-mounted printer. Specific environmental conditions may shorten or lengthen the periods between cleaning
TABLE 3 Periodic Maintenance Schedule
| Clean Office or Light Use | Once Per Year |
| Clean Factory Environment Medium Use | Monthly |
| Dirty Factory Environment Heavy Use | Weekly |
![]()




















